STM32W108HB,CC,CB,CZ Datasheet by STMicroelectronics
View All Related Products | Download PDF Datasheet
This is information on a product still in production but not recommended for new designs.
March 2015 DocID16252 Rev 16 1/289
STM32W108HB STM32W108CB
STM32W108CC STM32W108CZ
High-performance, IEEE 802.15.4 wireless system-on-chip with up
to 256 Kbyte of embedded Flash memory
Datasheet - not recommended for new design
Features
•Complete system-on-chip
– 32-bit ARM® Cortex®-M3 processor
– 2.4 GHz IEEE 802.15.4 transceiver and
lower MAC
– 128/192/256-Kbyte Flash, 8/12/16-Kbyte
RAM memory
– AES128 encryption accelerator
– Flexible ADC, SPI/UART/I2C serial
communications, and general-purpose
timers
– 24 highly configurable GPIOs with Schmitt
trigger inputs
•Industry-leading ARM® Cortex®-M3 processor
– Leading 32-bit processing performance
– Highly efficient Thumb®-2 instruction set
– Operation at 6, 12 or 24 MHz
– Flexible nested vectored interrupt controller
•Low power consumption, advanced
management
– Receive current (w/ CPU): 27 mA
– Transmit current (w/ CPU, +3 dBm TX):
31 mA
– Low deep sleep current, with retained RAM
and GPIO: 400 nA/800 nA with/without
sleep timer
– Low-frequency internal RC oscillator for
low-power sleep timing
– High-frequency internal RC oscillator for
fast (100 µs) processor start-up from sleep
•Exceptional RF performance
– Normal mode link budget up to 102 dB;
configurable up to 107 dB
– -99 dBm normal RX sensitivity;
configurable to -100 dBm (1% PER,
20 byte packet)
– +3 dB normal mode output power;
configurable up to +8 dBm
– Robust WiFi and Bluetooth coexistence
•Innovative network and processor debug
– Non-intrusive hardware packet trace
– Serial wire/JTAG interface
– Standard ARM debug capabilities: Flash
patch and breakpoint; data watchpoint and
trace; instrumentation trace macrocell
•Application flexibility
– Single voltage operation: 2.1-3.6 V with
internal 1.8 V and 1.25 V regulators
– Optional 32.768 kHz crystal for higher timer
accuracy
– Low external component count with single
24 MHz crystal
– Support for external power amplifier
– Small 7x7 mm 48-pin VFQFPN and
UFQFPN packages or 6x6 mm 40-pin
VFQFPN package
Applications
•Smart energy
•Building automation and control
•Home automation and control
•Security and monitoring
•ZigBee® Pro wireless sensor networking
•RF4CE products and remote controls
VFQFPN46 (6 x 6 mm)
UFQFPN48 (7 x 7 mm)
VFQFPN48 (7 x 7 mm)
www.st.com

Contents STM32W108HB STM32W108CB STM32W108CC STM32W108CZ
2/289 DocID16252 Rev 16
Contents
1 Description . . . . . . . . . . . . . . . . . . . . . . . . . . . . . . . . . . . . . . . . . . . . . . . . 14
1.1 Development tools . . . . . . . . . . . . . . . . . . . . . . . . . . . . . . . . . . . . . . . . . . 15
1.2 Overview . . . . . . . . . . . . . . . . . . . . . . . . . . . . . . . . . . . . . . . . . . . . . . . . . 16
1.2.1 Functional description . . . . . . . . . . . . . . . . . . . . . . . . . . . . . . . . . . . . . . 16
1.2.2 ARM® Cortex®-M3 core . . . . . . . . . . . . . . . . . . . . . . . . . . . . . . . . . . . . . 17
2 Documentation conventions . . . . . . . . . . . . . . . . . . . . . . . . . . . . . . . . . 18
3 Pinout and pin description . . . . . . . . . . . . . . . . . . . . . . . . . . . . . . . . . . . 19
4 Embedded memory . . . . . . . . . . . . . . . . . . . . . . . . . . . . . . . . . . . . . . . . . 31
4.1 Memory organization and memory map . . . . . . . . . . . . . . . . . . . . . . . . . . 31
4.2 Flash memory . . . . . . . . . . . . . . . . . . . . . . . . . . . . . . . . . . . . . . . . . . . . . . 35
4.3 Random-access memory . . . . . . . . . . . . . . . . . . . . . . . . . . . . . . . . . . . . . 36
4.3.1 Direct memory access (DMA) to RAM . . . . . . . . . . . . . . . . . . . . . . . . . . 36
4.3.2 RAM memory protection . . . . . . . . . . . . . . . . . . . . . . . . . . . . . . . . . . . . 37
4.3.3 Memory controller . . . . . . . . . . . . . . . . . . . . . . . . . . . . . . . . . . . . . . . . . 37
4.3.4 Memory controller registers . . . . . . . . . . . . . . . . . . . . . . . . . . . . . . . . . . 38
4.4 Memory protection unit . . . . . . . . . . . . . . . . . . . . . . . . . . . . . . . . . . . . . . . 42
5 Radio frequency module . . . . . . . . . . . . . . . . . . . . . . . . . . . . . . . . . . . . 43
5.1 Receive (Rx) path . . . . . . . . . . . . . . . . . . . . . . . . . . . . . . . . . . . . . . . . . . . 43
5.1.1 Rx baseband . . . . . . . . . . . . . . . . . . . . . . . . . . . . . . . . . . . . . . . . . . . . . 43
5.1.2 RSSI and CCA . . . . . . . . . . . . . . . . . . . . . . . . . . . . . . . . . . . . . . . . . . . . 43
5.2 Transmit (Tx) path . . . . . . . . . . . . . . . . . . . . . . . . . . . . . . . . . . . . . . . . . . 44
5.2.1 Tx baseband . . . . . . . . . . . . . . . . . . . . . . . . . . . . . . . . . . . . . . . . . . . . . 44
5.2.2 TX_ACTIVE and nTX_ACTIVE signals . . . . . . . . . . . . . . . . . . . . . . . . . 44
5.3 Calibration . . . . . . . . . . . . . . . . . . . . . . . . . . . . . . . . . . . . . . . . . . . . . . . . 44
5.4 Integrated MAC module . . . . . . . . . . . . . . . . . . . . . . . . . . . . . . . . . . . . . . 44
5.5 Packet trace interface (PTI) . . . . . . . . . . . . . . . . . . . . . . . . . . . . . . . . . . . 45
5.6 Random number generator . . . . . . . . . . . . . . . . . . . . . . . . . . . . . . . . . . . 45
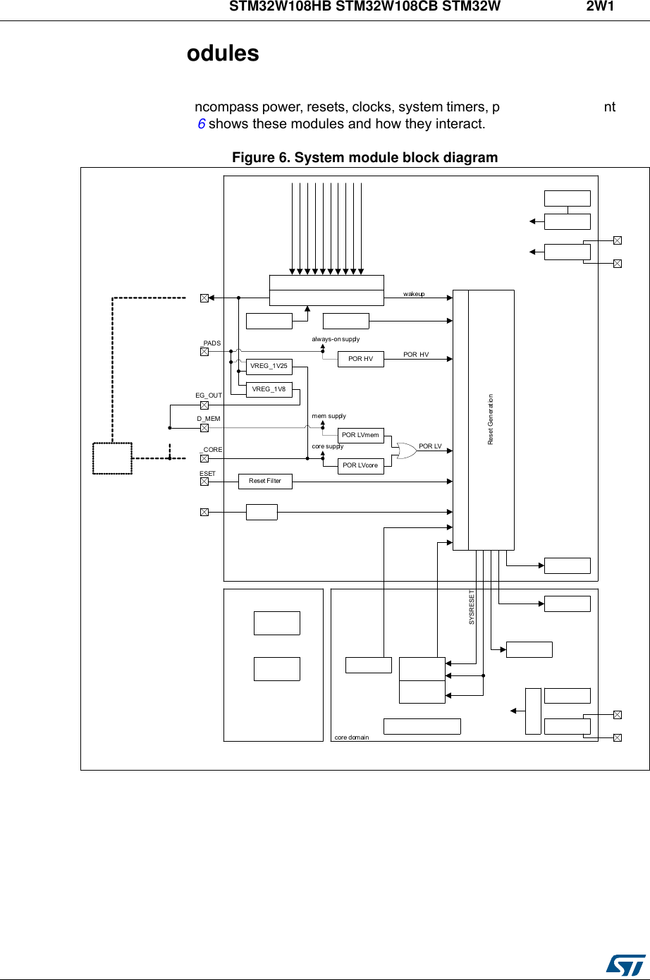
6 System modules . . . . . . . . . . . . . . . . . . . . . . . . . . . . . . . . . . . . . . . . . . . 46

DocID16252 Rev 16 3/289
STM32W108HB STM32W108CB STM32W108CC STM32W108CZ Contents
9
6.1 Power domains . . . . . . . . . . . . . . . . . . . . . . . . . . . . . . . . . . . . . . . . . . . . . 47
6.1.1 Internally regulated power . . . . . . . . . . . . . . . . . . . . . . . . . . . . . . . . . . . 47
6.1.2 Externally regulated power . . . . . . . . . . . . . . . . . . . . . . . . . . . . . . . . . . 47
6.2 Resets . . . . . . . . . . . . . . . . . . . . . . . . . . . . . . . . . . . . . . . . . . . . . . . . . . . 48
6.2.1 Reset sources . . . . . . . . . . . . . . . . . . . . . . . . . . . . . . . . . . . . . . . . . . . . 48
6.2.2 Reset recording . . . . . . . . . . . . . . . . . . . . . . . . . . . . . . . . . . . . . . . . . . . 49
6.2.3 Reset generation . . . . . . . . . . . . . . . . . . . . . . . . . . . . . . . . . . . . . . . . . . 50
6.2.4 Reset register . . . . . . . . . . . . . . . . . . . . . . . . . . . . . . . . . . . . . . . . . . . . 51
6.3 Clocks . . . . . . . . . . . . . . . . . . . . . . . . . . . . . . . . . . . . . . . . . . . . . . . . . . . . 53
6.3.1 High-frequency internal RC oscillator (HSI) . . . . . . . . . . . . . . . . . . . . . . 55
6.3.2 High-frequency crystal oscillator (HSE OSC) . . . . . . . . . . . . . . . . . . . . 55
6.3.3 Low-frequency internal RC oscillator (LSI10K) . . . . . . . . . . . . . . . . . . . 55
6.3.4 Low-frequency crystal oscillator (LSE OSC) . . . . . . . . . . . . . . . . . . . . . 55
6.3.5 Clock switching . . . . . . . . . . . . . . . . . . . . . . . . . . . . . . . . . . . . . . . . . . . 56
6.3.6 Clock switching registers . . . . . . . . . . . . . . . . . . . . . . . . . . . . . . . . . . . . 57
6.4 System timers . . . . . . . . . . . . . . . . . . . . . . . . . . . . . . . . . . . . . . . . . . . . . . 64
6.4.1 MAC timer . . . . . . . . . . . . . . . . . . . . . . . . . . . . . . . . . . . . . . . . . . . . . . . 64
6.4.2 Watchdog timer . . . . . . . . . . . . . . . . . . . . . . . . . . . . . . . . . . . . . . . . . . . 64
6.4.3 Sleep timer . . . . . . . . . . . . . . . . . . . . . . . . . . . . . . . . . . . . . . . . . . . . . . . 64
6.4.4 Event timer . . . . . . . . . . . . . . . . . . . . . . . . . . . . . . . . . . . . . . . . . . . . . . . 65
6.4.5 Slow timer (MAC timer, Watchdog, and Sleeptimer) control and status
registers . . . . . . . . . . . . . . . . . . . . . . . . . . . . . . . . . . . . . . . . . . . . . . . . . 65
6.5 Power management . . . . . . . . . . . . . . . . . . . . . . . . . . . . . . . . . . . . . . . . . 74
6.5.1 Wake sources . . . . . . . . . . . . . . . . . . . . . . . . . . . . . . . . . . . . . . . . . . . . 74
6.5.2 Basic sleep modes . . . . . . . . . . . . . . . . . . . . . . . . . . . . . . . . . . . . . . . . . 76
6.5.3 Further options for deep sleep . . . . . . . . . . . . . . . . . . . . . . . . . . . . . . . . 77
6.5.4 Use of debugger with sleep modes . . . . . . . . . . . . . . . . . . . . . . . . . . . . 77
6.5.5 Power management registers . . . . . . . . . . . . . . . . . . . . . . . . . . . . . . . . 78
6.6 Security accelerator . . . . . . . . . . . . . . . . . . . . . . . . . . . . . . . . . . . . . . . . . 89
7 Integrated voltage regulator . . . . . . . . . . . . . . . . . . . . . . . . . . . . . . . . . . 90
8 General-purpose input/output . . . . . . . . . . . . . . . . . . . . . . . . . . . . . . . . 92
8.1 Functional description . . . . . . . . . . . . . . . . . . . . . . . . . . . . . . . . . . . . . . . 93
8.1.1 GPIO ports . . . . . . . . . . . . . . . . . . . . . . . . . . . . . . . . . . . . . . . . . . . . . . . 93
8.1.2 Configuration . . . . . . . . . . . . . . . . . . . . . . . . . . . . . . . . . . . . . . . . . . . . . 94
8.1.3 Forced functions . . . . . . . . . . . . . . . . . . . . . . . . . . . . . . . . . . . . . . . . . . 95

Contents STM32W108HB STM32W108CB STM32W108CC STM32W108CZ
4/289 DocID16252 Rev 16
8.1.4 Reset . . . . . . . . . . . . . . . . . . . . . . . . . . . . . . . . . . . . . . . . . . . . . . . . . . . 95
8.1.5 nBOOTMODE . . . . . . . . . . . . . . . . . . . . . . . . . . . . . . . . . . . . . . . . . . . . 96
8.1.6 GPIO modes . . . . . . . . . . . . . . . . . . . . . . . . . . . . . . . . . . . . . . . . . . . . . 96
8.1.7 Wake monitoring . . . . . . . . . . . . . . . . . . . . . . . . . . . . . . . . . . . . . . . . . . 98
8.2 External interrupts . . . . . . . . . . . . . . . . . . . . . . . . . . . . . . . . . . . . . . . . . . 98
8.3 Debug control and status . . . . . . . . . . . . . . . . . . . . . . . . . . . . . . . . . . . . . 99
8.4 GPIO alternate functions . . . . . . . . . . . . . . . . . . . . . . . . . . . . . . . . . . . . . 99
8.5 General-purpose input/output (GPIO) registers . . . . . . . . . . . . . . . . . . . 101
8.5.1 Port x configuration register (Low) (GPIOx_CRL) . . . . . . . . . . . . . . . . 101
8.5.2 Port x configuration register (High) (GPIOx_CRH) . . . . . . . . . . . . . . . 102
8.5.3 Port x input data register (GPIOx_IDR) . . . . . . . . . . . . . . . . . . . . . . . . 103
8.5.4 Port x output data register (GPIOx_ODR) . . . . . . . . . . . . . . . . . . . . . . 103
8.5.5 Port x output set register (GPIOx_BSR) . . . . . . . . . . . . . . . . . . . . . . . 104
8.5.6 Port x output clear register (GPIOx_BRR) . . . . . . . . . . . . . . . . . . . . . . 104
8.5.7 External interrupt pending register (EXTI_PR) . . . . . . . . . . . . . . . . . . 105
8.5.8 External interrupt x trigger selection register (EXTIx_TSR) . . . . . . . . . 105
8.5.9 External interrupt x configuration register (EXTIx_CR) . . . . . . . . . . . . 106
8.5.10 PC TRACE or debug select register (GPIO_PCTRACECR) . . . . . . . . 106
8.5.11 GPIO debug configuration register (GPIO_DBGCR) . . . . . . . . . . . . . . 107
8.5.12 GPIO debug status register (GPIO_DBGSR) . . . . . . . . . . . . . . . . . . . 107
8.5.13 General-purpose input/output (GPIO) register map . . . . . . . . . . . . . . . 108
9 Serial interfaces . . . . . . . . . . . . . . . . . . . . . . . . . . . . . . . . . . . . . . . . . . . 110
9.1 Functional description . . . . . . . . . . . . . . . . . . . . . . . . . . . . . . . . . . . . . . .110
9.2 Configuration . . . . . . . . . . . . . . . . . . . . . . . . . . . . . . . . . . . . . . . . . . . . . .111
9.3 SPI master mode . . . . . . . . . . . . . . . . . . . . . . . . . . . . . . . . . . . . . . . . . . .112
9.3.1 Setup and configuration . . . . . . . . . . . . . . . . . . . . . . . . . . . . . . . . . . . . 113
9.3.2 Operation . . . . . . . . . . . . . . . . . . . . . . . . . . . . . . . . . . . . . . . . . . . . . . . 114
9.3.3 Interrupts . . . . . . . . . . . . . . . . . . . . . . . . . . . . . . . . . . . . . . . . . . . . . . . 115
9.4 SPI slave mode . . . . . . . . . . . . . . . . . . . . . . . . . . . . . . . . . . . . . . . . . . . .116
9.4.1 Setup and configuration . . . . . . . . . . . . . . . . . . . . . . . . . . . . . . . . . . . . 116
9.4.2 Operation . . . . . . . . . . . . . . . . . . . . . . . . . . . . . . . . . . . . . . . . . . . . . . . 117
9.4.3 DMA . . . . . . . . . . . . . . . . . . . . . . . . . . . . . . . . . . . . . . . . . . . . . . . . . . . 118
9.4.4 Interrupts . . . . . . . . . . . . . . . . . . . . . . . . . . . . . . . . . . . . . . . . . . . . . . . 119
9.5 Inter-integrated circuit interfaces (I2C) . . . . . . . . . . . . . . . . . . . . . . . . . . .119
9.5.1 Setup and configuration . . . . . . . . . . . . . . . . . . . . . . . . . . . . . . . . . . . . 120

DocID16252 Rev 16 5/289
STM32W108HB STM32W108CB STM32W108CC STM32W108CZ Contents
9
9.5.2 Constructing frames . . . . . . . . . . . . . . . . . . . . . . . . . . . . . . . . . . . . . . . 120
9.5.3 Interrupts . . . . . . . . . . . . . . . . . . . . . . . . . . . . . . . . . . . . . . . . . . . . . . . 123
9.6 Universal asynchronous receiver/transmitter (UART) . . . . . . . . . . . . . . 123
9.6.1 Setup and configuration . . . . . . . . . . . . . . . . . . . . . . . . . . . . . . . . . . . . 124
9.6.2 FIFOs . . . . . . . . . . . . . . . . . . . . . . . . . . . . . . . . . . . . . . . . . . . . . . . . . . 125
9.6.3 RTS/CTS flow control . . . . . . . . . . . . . . . . . . . . . . . . . . . . . . . . . . . . . 126
9.6.4 DMA . . . . . . . . . . . . . . . . . . . . . . . . . . . . . . . . . . . . . . . . . . . . . . . . . . . 127
9.6.5 Interrupts . . . . . . . . . . . . . . . . . . . . . . . . . . . . . . . . . . . . . . . . . . . . . . . 127
9.7 Direct memory access (DMA) channels . . . . . . . . . . . . . . . . . . . . . . . . . 127
9.8 Serial controller common registers . . . . . . . . . . . . . . . . . . . . . . . . . . . . . 129
9.8.1 Serial controller interrupt status register (SCx_ISR) . . . . . . . . . . . . . . 129
9.8.2 Serial controller interrupt enable register (SCx_IER) . . . . . . . . . . . . . . 131
9.8.3 Serial controller interrupt control register 1 (SCx_ICR) . . . . . . . . . . . . 133
9.8.4 Serial controller data register (SCx_DR) . . . . . . . . . . . . . . . . . . . . . . . 134
9.8.5 Serial controller control register 2 (SCx_CR) . . . . . . . . . . . . . . . . . . . . 134
9.8.6 Serial controller clock rate register 1 (SCx_CRR1) . . . . . . . . . . . . . . . 135
9.8.7 Serial controller clock rate register 2 (SCx_CRR2) . . . . . . . . . . . . . . . 135
9.9 Serial controller: Serial peripheral interface (SPI) registers . . . . . . . . . . 136
9.9.1 Serial controller SPI status register (SCx_SPISR) . . . . . . . . . . . . . . . . 136
9.9.2 Serial controller SPI control register (SCx_SPICR) . . . . . . . . . . . . . . . 137
9.10 Serial controller: Inter-integrated circuit (I2C) registers . . . . . . . . . . . . . 138
9.10.1 Serial controller I2C status register (SCx_I2CSR) . . . . . . . . . . . . . . . . 138
9.10.2 Serial controller I2C control register 1 (SCx_I2CCR1) . . . . . . . . . . . . 139
9.10.3 Serial controller I2C control register 2 (SCx_I2CCR2) . . . . . . . . . . . . 140
9.11 Serial controller: Universal asynchronous receiver/
transmitter (UART) registers . . . . . . . . . . . . . . . . . . . . . . . . . . . . . . . . . 141
9.11.1 Serial controller UART status register (SC1_UARTSR) . . . . . . . . . . . 141
9.11.2 Serial controller UART control register (SC1_UARTCR) . . . . . . . . . . . 142
9.11.3 Serial controller UART baud rate register 1 (SC1_UARTBRR1) . . . . . 143
9.11.4 Serial controller UART baud rate register 2 (SC1_UARTBRR2) . . . . . 144
9.12 Serial controller: Direct memory access (DMA) registers . . . . . . . . . . . . 145
9.12.1 Serial controller receive DMA begin address channel A register
(SCx_DMARXBEGADDAR) . . . . . . . . . . . . . . . . . . . . . . . . . . . . . . . . 145
9.12.2 Serial controller receive DMA end address channel A register
(SCx_DMARXENDADDAR) . . . . . . . . . . . . . . . . . . . . . . . . . . . . . . . . 145
9.12.3 Serial controller receive DMA begin address channel B register
(SCx_ DMARXBEGADDBR) . . . . . . . . . . . . . . . . . . . . . . . . . . . . . . . . 146

Contents STM32W108HB STM32W108CB STM32W108CC STM32W108CZ
6/289 DocID16252 Rev 16
9.12.4 Serial controller receive DMA end address channel B register
(SCx_DMARXENDADDBR) . . . . . . . . . . . . . . . . . . . . . . . . . . . . . . . . 146
9.12.5 Serial controller transmit DMA begin address channel A register
(SCx_DMATXBEGADDAR) . . . . . . . . . . . . . . . . . . . . . . . . . . . . . . . . . 147
9.12.6 Serial controller transmit DMA end address channel A register
(SCx_DMATXENDADDAR) . . . . . . . . . . . . . . . . . . . . . . . . . . . . . . . . . 147
9.12.7 Serial controller transmit DMA begin address channel B register
(SCx_DMATXBEGADDBR) . . . . . . . . . . . . . . . . . . . . . . . . . . . . . . . . . 148
9.12.8 Serial controller transmit DMA end address channel B register
(SCx_DMATXENDADDBR) . . . . . . . . . . . . . . . . . . . . . . . . . . . . . . . . . 148
9.12.9 Serial controller receive DMA counter channel A register
(SCx_DMARXCNTAR) . . . . . . . . . . . . . . . . . . . . . . . . . . . . . . . . . . . . . 149
9.12.10 Serial controller receive DMA count channel B register
(SCx_DMARXCNTBR) . . . . . . . . . . . . . . . . . . . . . . . . . . . . . . . . . . . . 149
9.12.11 Serial controller transmit DMA counter register
(SCx_DMATXCNTR) . . . . . . . . . . . . . . . . . . . . . . . . . . . . . . . . . . . . . . 150
9.12.12 Serial controller DMA status register (SCx_DMASR) . . . . . . . . . . . . . 151
9.12.13 Serial controller DMA control register (SCx_DMACR) . . . . . . . . . . . . . 153
9.12.14 Serial controller receive DMA channel A first error register
(SCx_DMARXERRAR) . . . . . . . . . . . . . . . . . . . . . . . . . . . . . . . . . . . . 154
9.12.15 Serial controller receive DMA channel B first error register
(SCx_DMARXERRBR) . . . . . . . . . . . . . . . . . . . . . . . . . . . . . . . . . . . . 154
9.12.16 Serial controller receive DMA saved counter channel B register
(SCx_DMARXCNTSAVEDR) . . . . . . . . . . . . . . . . . . . . . . . . . . . . . . . . 155
9.12.17 Serial interface (SC1/SC2) register map . . . . . . . . . . . . . . . . . . . . . . . 155
10 General-purpose timers . . . . . . . . . . . . . . . . . . . . . . . . . . . . . . . . . . . . 160
10.1 Functional description . . . . . . . . . . . . . . . . . . . . . . . . . . . . . . . . . . . . . . 162
10.1.1 Time-base unit . . . . . . . . . . . . . . . . . . . . . . . . . . . . . . . . . . . . . . . . . . . 162
10.1.2 Counter modes . . . . . . . . . . . . . . . . . . . . . . . . . . . . . . . . . . . . . . . . . . 164
10.1.3 Clock selection . . . . . . . . . . . . . . . . . . . . . . . . . . . . . . . . . . . . . . . . . . . 170
10.1.4 Capture/compare channels . . . . . . . . . . . . . . . . . . . . . . . . . . . . . . . . . 173
10.1.5 Input capture mode . . . . . . . . . . . . . . . . . . . . . . . . . . . . . . . . . . . . . . . 175
10.1.6 PWM input mode . . . . . . . . . . . . . . . . . . . . . . . . . . . . . . . . . . . . . . . . . 176
10.1.7 Forced output mode . . . . . . . . . . . . . . . . . . . . . . . . . . . . . . . . . . . . . . . 177
10.1.8 Output compare mode . . . . . . . . . . . . . . . . . . . . . . . . . . . . . . . . . . . . . 177
10.1.9 PWM mode . . . . . . . . . . . . . . . . . . . . . . . . . . . . . . . . . . . . . . . . . . . . . 178
10.1.10 One-pulse mode . . . . . . . . . . . . . . . . . . . . . . . . . . . . . . . . . . . . . . . . . 181
10.1.11 Encoder interface mode . . . . . . . . . . . . . . . . . . . . . . . . . . . . . . . . . . . . 183
10.1.12 Timer input XOR function . . . . . . . . . . . . . . . . . . . . . . . . . . . . . . . . . . . 185

DocID16252 Rev 16 7/289
STM32W108HB STM32W108CB STM32W108CC STM32W108CZ Contents
9
10.1.13 Timers and external trigger synchronization . . . . . . . . . . . . . . . . . . . . 186
10.1.14 Timer synchronization . . . . . . . . . . . . . . . . . . . . . . . . . . . . . . . . . . . . . 190
10.1.15 Timer signal descriptions . . . . . . . . . . . . . . . . . . . . . . . . . . . . . . . . . . . 196
10.2 Interrupts . . . . . . . . . . . . . . . . . . . . . . . . . . . . . . . . . . . . . . . . . . . . . . . . 197
10.3 General-purpose timers 1 and 2 registers . . . . . . . . . . . . . . . . . . . . . . . 197
10.3.1 Timer x interrupt and status register (TIMx_ISR) . . . . . . . . . . . . . . . . . 197
10.3.2 Timer x interrupt missed register (TIMx_MISSR) . . . . . . . . . . . . . . . . . 198
10.3.3 Timer x interrupt enable register (TIMx_IER) . . . . . . . . . . . . . . . . . . . . 198
10.3.4 Timer x control register 1 (TIMx_CR1) . . . . . . . . . . . . . . . . . . . . . . . . . 199
10.3.5 Timer x control register 2 (TIMx_CR2) . . . . . . . . . . . . . . . . . . . . . . . . . 201
10.3.6 Timer x slave mode control register (TIMx_SMCR) . . . . . . . . . . . . . . . 202
10.3.7 Timer x event generation register (TIMx_EGR) . . . . . . . . . . . . . . . . . . 205
10.3.8 Timer x capture/compare mode register 1 (TIMx_CCMR1) . . . . . . . . . 206
10.3.9 Timer x capture/compare mode register 2 (TIMx_CCMR2) . . . . . . . . . 210
10.3.10 Timer x capture/compare enable register (TIMx_CCER) . . . . . . . . . . . 214
10.3.11 Timer x counter register (TIMx_CNT) . . . . . . . . . . . . . . . . . . . . . . . . . 215
10.3.12 Timer x prescaler register (TIMx_PSC) . . . . . . . . . . . . . . . . . . . . . . . . 215
10.3.13 Timer x auto-reload register (TIMx_ARR) . . . . . . . . . . . . . . . . . . . . . . 216
10.3.14 Timer x capture/compare 1 register (TIMx_CCR1) . . . . . . . . . . . . . . . 216
10.3.15 Timer x capture/compare 2 register (TIMx_CCR2) . . . . . . . . . . . . . . . 217
10.3.16 Timer x capture/compare 3 register (TIMx_CCR3) . . . . . . . . . . . . . . . 217
10.3.17 Timer x capture/compare 4 register (TIMx_CCR4) . . . . . . . . . . . . . . . 218
10.3.18 Timer 1 option register (TIM1_OR) . . . . . . . . . . . . . . . . . . . . . . . . . . . 218
10.3.19 Timer 2 option register (TIM2_OR) . . . . . . . . . . . . . . . . . . . . . . . . . . . 219
10.3.20 General-purpose timers 1 and 2 (TIM1/TIM2) register map . . . . . . . . 220
11 Analog-to-digital converter . . . . . . . . . . . . . . . . . . . . . . . . . . . . . . . . . 224
11.1 Functional description . . . . . . . . . . . . . . . . . . . . . . . . . . . . . . . . . . . . . . 225
11.1.1 Setup and configuration . . . . . . . . . . . . . . . . . . . . . . . . . . . . . . . . . . . . 225
11.1.2 GPIO usage . . . . . . . . . . . . . . . . . . . . . . . . . . . . . . . . . . . . . . . . . . . . . 225
11.1.3 Voltage reference . . . . . . . . . . . . . . . . . . . . . . . . . . . . . . . . . . . . . . . . . 225
11.1.4 Offset/gain correction . . . . . . . . . . . . . . . . . . . . . . . . . . . . . . . . . . . . . . 226
11.1.5 DMA . . . . . . . . . . . . . . . . . . . . . . . . . . . . . . . . . . . . . . . . . . . . . . . . . . . 226
11.1.6 ADC configuration register . . . . . . . . . . . . . . . . . . . . . . . . . . . . . . . . . . 227
11.1.7 Operation . . . . . . . . . . . . . . . . . . . . . . . . . . . . . . . . . . . . . . . . . . . . . . . 229
11.1.8 Calibration . . . . . . . . . . . . . . . . . . . . . . . . . . . . . . . . . . . . . . . . . . . . . . 230
11.2 Interrupts . . . . . . . . . . . . . . . . . . . . . . . . . . . . . . . . . . . . . . . . . . . . . . . . 232

Contents STM32W108HB STM32W108CB STM32W108CC STM32W108CZ
8/289 DocID16252 Rev 16
11.3 Analog-to-digital converter (ADC) registers . . . . . . . . . . . . . . . . . . . . . . 233
11.3.1 ADC interrupt status register (ADC_ISR) . . . . . . . . . . . . . . . . . . . . . . 233
11.3.2 ADC interrupt enable register (ADC_IER) . . . . . . . . . . . . . . . . . . . . . . 233
11.3.3 ADC control register (ADC_CR) . . . . . . . . . . . . . . . . . . . . . . . . . . . . . 234
11.3.4 ADC offset register (ADC_OFFSETR) . . . . . . . . . . . . . . . . . . . . . . . . . 235
11.3.5 ADC gain register (ADC_GAINR) . . . . . . . . . . . . . . . . . . . . . . . . . . . . 235
11.3.6 ADC DMA control register (ADC_DMACR) . . . . . . . . . . . . . . . . . . . . . 236
11.3.7 ADC DMA status register (ADC_DMASR) . . . . . . . . . . . . . . . . . . . . . . 236
11.3.8 ADC DMA memory start address register (ADC_DMAMSAR) . . . . . . 237
11.3.9 ADC DMA number of data to transfer register (ADC_DMANDTR) . . . 237
11.3.10 ADC DMA memory next address register (ADC_DMAMNAR) . . . . . . 238
11.3.11 ADC DMA count number of data transferred register
(ADC_DMACNDTR) . . . . . . . . . . . . . . . . . . . . . . . . . . . . . . . . . . . . . . 238
11.3.12 Analog-to-digital converter (ADC) register map . . . . . . . . . . . . . . . . . . 239
12 Interrupts . . . . . . . . . . . . . . . . . . . . . . . . . . . . . . . . . . . . . . . . . . . . . . . . 241
12.1 Nested vectored interrupt controller (NVIC) . . . . . . . . . . . . . . . . . . . . . . 241
12.2 Management interrupt registers . . . . . . . . . . . . . . . . . . . . . . . . . . . . . . . 243
12.2.1 Management interrupt source register (MGMT_ISR) . . . . . . . . . . . . . 243
12.2.2 Management interrupt mask register (MGMT_IER) . . . . . . . . . . . . . . . 244
12.2.3 Management interrupt (MGMT) register map . . . . . . . . . . . . . . . . . . . 244
13 Debug support . . . . . . . . . . . . . . . . . . . . . . . . . . . . . . . . . . . . . . . . . . . . 245
13.1 STM32W108 JTAG TAP connection . . . . . . . . . . . . . . . . . . . . . . . . . . . 246
14 Electrical characteristics . . . . . . . . . . . . . . . . . . . . . . . . . . . . . . . . . . . 247
14.1 Parameter conditions . . . . . . . . . . . . . . . . . . . . . . . . . . . . . . . . . . . . . . . 247
14.1.1 Minimum and maximum values . . . . . . . . . . . . . . . . . . . . . . . . . . . . . . 247
14.1.2 Typical values . . . . . . . . . . . . . . . . . . . . . . . . . . . . . . . . . . . . . . . . . . . 247
14.1.3 Typical curves . . . . . . . . . . . . . . . . . . . . . . . . . . . . . . . . . . . . . . . . . . . 247
14.1.4 Loading capacitor . . . . . . . . . . . . . . . . . . . . . . . . . . . . . . . . . . . . . . . . 247
14.1.5 Pin input voltage . . . . . . . . . . . . . . . . . . . . . . . . . . . . . . . . . . . . . . . . . 247
14.2 Absolute maximum ratings . . . . . . . . . . . . . . . . . . . . . . . . . . . . . . . . . . . 248
14.3 Operating conditions . . . . . . . . . . . . . . . . . . . . . . . . . . . . . . . . . . . . . . . 249
14.3.1 General operating conditions . . . . . . . . . . . . . . . . . . . . . . . . . . . . . . . . 249
14.3.2 Operating conditions at power-up . . . . . . . . . . . . . . . . . . . . . . . . . . . . 249
14.3.3 Absolute maximum ratings (electrical sensitivity) . . . . . . . . . . . . . . . . 250

DocID16252 Rev 16 9/289
STM32W108HB STM32W108CB STM32W108CC STM32W108CZ Contents
9
14.4 SPI interface characteristics . . . . . . . . . . . . . . . . . . . . . . . . . . . . . . . . . . 252
14.5 ADC characteristics . . . . . . . . . . . . . . . . . . . . . . . . . . . . . . . . . . . . . . . . 255
14.6 Clock frequencies . . . . . . . . . . . . . . . . . . . . . . . . . . . . . . . . . . . . . . . . . . 259
14.6.1 High frequency internal clock characteristics . . . . . . . . . . . . . . . . . . . . 259
14.6.2 High frequency external clock characteristics . . . . . . . . . . . . . . . . . . . 259
14.6.3 Low frequency internal clock characteristics . . . . . . . . . . . . . . . . . . . . 260
14.6.4 Low frequency external clock characteristics . . . . . . . . . . . . . . . . . . . 260
14.7 DC electrical characteristics . . . . . . . . . . . . . . . . . . . . . . . . . . . . . . . . . . 261
14.8 Digital I/O specifications . . . . . . . . . . . . . . . . . . . . . . . . . . . . . . . . . . . . . 266
14.9 Non-RF system electrical characteristics . . . . . . . . . . . . . . . . . . . . . . . . 267
14.10 RF electrical characteristics . . . . . . . . . . . . . . . . . . . . . . . . . . . . . . . . . . 267
14.10.1 Receive . . . . . . . . . . . . . . . . . . . . . . . . . . . . . . . . . . . . . . . . . . . . . . . . 267
14.10.2 Transmit . . . . . . . . . . . . . . . . . . . . . . . . . . . . . . . . . . . . . . . . . . . . . . . . 268
14.10.3 Synthesizer . . . . . . . . . . . . . . . . . . . . . . . . . . . . . . . . . . . . . . . . . . . . . 269
15 Package information . . . . . . . . . . . . . . . . . . . . . . . . . . . . . . . . . . . . . . . 270
15.1 VFQFPN48 package information . . . . . . . . . . . . . . . . . . . . . . . . . . . . . . 270
15.2 VFQFPN40 package information . . . . . . . . . . . . . . . . . . . . . . . . . . . . . . 272
15.3 UFQFPN48 package information . . . . . . . . . . . . . . . . . . . . . . . . . . . . . . 276
16 Ordering information scheme . . . . . . . . . . . . . . . . . . . . . . . . . . . . . . . 279
17 Revision history . . . . . . . . . . . . . . . . . . . . . . . . . . . . . . . . . . . . . . . . . . 281

List of tables STM32W108HB STM32W108CB STM32W108CC STM32W108CZ
10/289 DocID16252 Rev 16
List of tables
Table 1. Description of abbreviations used for bit field access . . . . . . . . . . . . . . . . . . . . . . . . . . . . . 18
Table 2. Pin descriptions . . . . . . . . . . . . . . . . . . . . . . . . . . . . . . . . . . . . . . . . . . . . . . . . . . . . . . . . . 20
Table 3. STM32W108xx peripheral register boundary addresses . . . . . . . . . . . . . . . . . . . . . . . . . . 34
Table 4. Flash memory . . . . . . . . . . . . . . . . . . . . . . . . . . . . . . . . . . . . . . . . . . . . . . . . . . . . . . . . . . . 35
Table 5. MEM register map and reset values . . . . . . . . . . . . . . . . . . . . . . . . . . . . . . . . . . . . . . . . . . 41
Table 6. Generated resets . . . . . . . . . . . . . . . . . . . . . . . . . . . . . . . . . . . . . . . . . . . . . . . . . . . . . . . . 50
Table 7. RST register map and reset values . . . . . . . . . . . . . . . . . . . . . . . . . . . . . . . . . . . . . . . . . . 52
Table 8. System clock modes . . . . . . . . . . . . . . . . . . . . . . . . . . . . . . . . . . . . . . . . . . . . . . . . . . . . . . 56
Table 9. CLK register map and reset values . . . . . . . . . . . . . . . . . . . . . . . . . . . . . . . . . . . . . . . . . . 63
Table 10. MACTMR, WDG, and SLPTMR register map and reset values . . . . . . . . . . . . . . . . . . . . . 73
Table 11. PWR register map and reset values . . . . . . . . . . . . . . . . . . . . . . . . . . . . . . . . . . . . . . . . . . 87
Table 12. 1.8 V integrated voltage regulator specifications . . . . . . . . . . . . . . . . . . . . . . . . . . . . . . . . 90
Table 13. GPIO configuration modes . . . . . . . . . . . . . . . . . . . . . . . . . . . . . . . . . . . . . . . . . . . . . . . . . 94
Table 14. Timer 2 output configuration controls . . . . . . . . . . . . . . . . . . . . . . . . . . . . . . . . . . . . . . . . . 94
Table 15. GPIO forced functions . . . . . . . . . . . . . . . . . . . . . . . . . . . . . . . . . . . . . . . . . . . . . . . . . . . . 95
Table 16. IRQC/D GPIO selection . . . . . . . . . . . . . . . . . . . . . . . . . . . . . . . . . . . . . . . . . . . . . . . . . . . 99
Table 17. GPIO signal assignments . . . . . . . . . . . . . . . . . . . . . . . . . . . . . . . . . . . . . . . . . . . . . . . . . . 99
Table 18. GPIO register map and reset values . . . . . . . . . . . . . . . . . . . . . . . . . . . . . . . . . . . . . . . . 108
Table 19. SC1 GPIO usage and configuration . . . . . . . . . . . . . . . . . . . . . . . . . . . . . . . . . . . . . . . . . 112
Table 20. SC2 GPIO usage and configuration . . . . . . . . . . . . . . . . . . . . . . . . . . . . . . . . . . . . . . . . . 112
Table 21. SPI master GPIO usage . . . . . . . . . . . . . . . . . . . . . . . . . . . . . . . . . . . . . . . . . . . . . . . . . . 113
Table 22. SPI master mode formats . . . . . . . . . . . . . . . . . . . . . . . . . . . . . . . . . . . . . . . . . . . . . . . . . 114
Table 23. SPI slave GPIO usage . . . . . . . . . . . . . . . . . . . . . . . . . . . . . . . . . . . . . . . . . . . . . . . . . . . 116
Table 24. SPI slave mode formats . . . . . . . . . . . . . . . . . . . . . . . . . . . . . . . . . . . . . . . . . . . . . . . . . . 117
Table 25. I2C Master GPIO Usage . . . . . . . . . . . . . . . . . . . . . . . . . . . . . . . . . . . . . . . . . . . . . . . . . . 119
Table 26. I2C clock rate programming . . . . . . . . . . . . . . . . . . . . . . . . . . . . . . . . . . . . . . . . . . . . . . . 120
Table 27. I2C master frame segments . . . . . . . . . . . . . . . . . . . . . . . . . . . . . . . . . . . . . . . . . . . . . . . 121
Table 28. UART GPIO usage . . . . . . . . . . . . . . . . . . . . . . . . . . . . . . . . . . . . . . . . . . . . . . . . . . . . . . 123
Table 29. UART baud rate divisors for common baud rates. . . . . . . . . . . . . . . . . . . . . . . . . . . . . . . 124
Table 30. UART RTS/CTS flow control configurations . . . . . . . . . . . . . . . . . . . . . . . . . . . . . . . . . . . 126
Table 31. SC1/SC2 register map and reset values . . . . . . . . . . . . . . . . . . . . . . . . . . . . . . . . . . . . . 155
Table 32. Timer GPIO use . . . . . . . . . . . . . . . . . . . . . . . . . . . . . . . . . . . . . . . . . . . . . . . . . . . . . . . . 162
Table 33. EXTRIGSEL clock signal selection. . . . . . . . . . . . . . . . . . . . . . . . . . . . . . . . . . . . . . . . . . 172
Table 34. Counting direction versus encoder signals . . . . . . . . . . . . . . . . . . . . . . . . . . . . . . . . . . . . 184
Table 35. Timer signal descriptions . . . . . . . . . . . . . . . . . . . . . . . . . . . . . . . . . . . . . . . . . . . . . . . . . 196
Table 36. TIM1/TIM2 register map and reset values . . . . . . . . . . . . . . . . . . . . . . . . . . . . . . . . . . . . 220
Table 37. ADC GPIO pin usage . . . . . . . . . . . . . . . . . . . . . . . . . . . . . . . . . . . . . . . . . . . . . . . . . . . . 225
Table 38. ADC inputs . . . . . . . . . . . . . . . . . . . . . . . . . . . . . . . . . . . . . . . . . . . . . . . . . . . . . . . . . . . . 227
Table 39. Typical ADC input configurations . . . . . . . . . . . . . . . . . . . . . . . . . . . . . . . . . . . . . . . . . . . 228
Table 40. ADC sample times . . . . . . . . . . . . . . . . . . . . . . . . . . . . . . . . . . . . . . . . . . . . . . . . . . . . . . 229
Table 41. ADC gain and offset correction equations . . . . . . . . . . . . . . . . . . . . . . . . . . . . . . . . . . . . 231
Table 42. ADC register map and reset values . . . . . . . . . . . . . . . . . . . . . . . . . . . . . . . . . . . . . . . . . 239
Table 43. NVIC exception table . . . . . . . . . . . . . . . . . . . . . . . . . . . . . . . . . . . . . . . . . . . . . . . . . . . . 241
Table 44. MGMT register map and reset values . . . . . . . . . . . . . . . . . . . . . . . . . . . . . . . . . . . . . . . 244
Table 45. Voltage characteristics . . . . . . . . . . . . . . . . . . . . . . . . . . . . . . . . . . . . . . . . . . . . . . . . . . . 248
Table 46. Current characteristics . . . . . . . . . . . . . . . . . . . . . . . . . . . . . . . . . . . . . . . . . . . . . . . . . . . 248
Table 47. Thermal characteristics. . . . . . . . . . . . . . . . . . . . . . . . . . . . . . . . . . . . . . . . . . . . . . . . . . . 248
Table 48. General operating conditions . . . . . . . . . . . . . . . . . . . . . . . . . . . . . . . . . . . . . . . . . . . . . . 249

DocID16252 Rev 16 11/289
STM32W108HB STM32W108CB STM32W108CC STM32W108CZ List of tables
11
Table 49. POR HV thresholds . . . . . . . . . . . . . . . . . . . . . . . . . . . . . . . . . . . . . . . . . . . . . . . . . . . . . 249
Table 50. POR LVcore thresholds . . . . . . . . . . . . . . . . . . . . . . . . . . . . . . . . . . . . . . . . . . . . . . . . . . 249
Table 51. POR LVmem thresholds . . . . . . . . . . . . . . . . . . . . . . . . . . . . . . . . . . . . . . . . . . . . . . . . . . 249
Table 52. Reset filter specification for RSTB . . . . . . . . . . . . . . . . . . . . . . . . . . . . . . . . . . . . . . . . . . 250
Table 53. ESD absolute maximum ratings . . . . . . . . . . . . . . . . . . . . . . . . . . . . . . . . . . . . . . . . . . . . 250
Table 54. Electrical sensitivities . . . . . . . . . . . . . . . . . . . . . . . . . . . . . . . . . . . . . . . . . . . . . . . . . . . . 251
Table 55. SPI characteristics . . . . . . . . . . . . . . . . . . . . . . . . . . . . . . . . . . . . . . . . . . . . . . . . . . . . . . 252
Table 56. ADC module key parameters for 1 MHz sampling . . . . . . . . . . . . . . . . . . . . . . . . . . . . . . 255
Table 57. ADC module key parameters for input buffer disabled
and 6 MHz sampling . . . . . . . . . . . . . . . . . . . . . . . . . . . . . . . . . . . . . . . . . . . . . . . . . . . . . 256
Table 58. ADC module key parameters for input buffer enabled
and 6MHz sampling . . . . . . . . . . . . . . . . . . . . . . . . . . . . . . . . . . . . . . . . . . . . . . . . . . . . . 257
Table 59. ADC characteristics . . . . . . . . . . . . . . . . . . . . . . . . . . . . . . . . . . . . . . . . . . . . . . . . . . . . . 258
Table 60. High-frequency RC oscillator characteristics . . . . . . . . . . . . . . . . . . . . . . . . . . . . . . . . . . 259
Table 61. High-frequency crystal oscillator characteristics. . . . . . . . . . . . . . . . . . . . . . . . . . . . . . . . 259
Table 62. Low-frequency RC oscillator characteristics . . . . . . . . . . . . . . . . . . . . . . . . . . . . . . . . . . . 260
Table 63. Low-frequency crystal oscillator characteristics . . . . . . . . . . . . . . . . . . . . . . . . . . . . . . . . 260
Table 64. DC electrical characteristics . . . . . . . . . . . . . . . . . . . . . . . . . . . . . . . . . . . . . . . . . . . . . . . 261
Table 65. Digital I/O characteristics . . . . . . . . . . . . . . . . . . . . . . . . . . . . . . . . . . . . . . . . . . . . . . . . . 266
Table 66. Non-RF system electrical characteristics . . . . . . . . . . . . . . . . . . . . . . . . . . . . . . . . . . . . . 267
Table 67. Receive characteristics . . . . . . . . . . . . . . . . . . . . . . . . . . . . . . . . . . . . . . . . . . . . . . . . . . . 267
Table 68. Transmit characteristics . . . . . . . . . . . . . . . . . . . . . . . . . . . . . . . . . . . . . . . . . . . . . . . . . . 268
Table 69. Synthesizer characteristics . . . . . . . . . . . . . . . . . . . . . . . . . . . . . . . . . . . . . . . . . . . . . . . . 269
Table 70. VFQFPN48 - 48-pin, 7x7 mm, 0.5 mm pitch very thin profile fine pitch quad
flat package mechanical data . . . . . . . . . . . . . . . . . . . . . . . . . . . . . . . . . . . . . . . . . . . . . 271
Table 71. VFQFPN40 - 40-pin, 6x6 mm, 0.5 mm pitch very thin profile fine pitch quad
flat package mechanical data . . . . . . . . . . . . . . . . . . . . . . . . . . . . . . . . . . . . . . . . . . . . . 273
Table 72. UFQFPN48 - 48-lead, 7x7 mm, 0.5 mm pitch, ultra thin fine pitch quad flat
package mechanical data . . . . . . . . . . . . . . . . . . . . . . . . . . . . . . . . . . . . . . . . . . . . . . . . . 277
Table 73. Document revision history . . . . . . . . . . . . . . . . . . . . . . . . . . . . . . . . . . . . . . . . . . . . . . . . 281

List of figures STM32W108HB STM32W108CB STM32W108CC STM32W108CZ
12/289 DocID16252 Rev 16
List of figures
Figure 1. STM32W108xx block diagram . . . . . . . . . . . . . . . . . . . . . . . . . . . . . . . . . . . . . . . . . . . . . . 15
Figure 2. 48-pin VFQFPN pinout . . . . . . . . . . . . . . . . . . . . . . . . . . . . . . . . . . . . . . . . . . . . . . . . . . . . 19
Figure 3. 40-pin VFQFPN pinout . . . . . . . . . . . . . . . . . . . . . . . . . . . . . . . . . . . . . . . . . . . . . . . . . . . 20
Figure 4. STM32W108xB memory mapping . . . . . . . . . . . . . . . . . . . . . . . . . . . . . . . . . . . . . . . . . . . 32
Figure 5. STM32W108CC and STM32W108CZ memory mapping . . . . . . . . . . . . . . . . . . . . . . . . . . 33
Figure 6. System module block diagram . . . . . . . . . . . . . . . . . . . . . . . . . . . . . . . . . . . . . . . . . . . . . . 46
Figure 7. Clocks block diagram . . . . . . . . . . . . . . . . . . . . . . . . . . . . . . . . . . . . . . . . . . . . . . . . . . . . . 54
Figure 8. Power management state diagram . . . . . . . . . . . . . . . . . . . . . . . . . . . . . . . . . . . . . . . . . . 76
Figure 9. GPIO block diagram . . . . . . . . . . . . . . . . . . . . . . . . . . . . . . . . . . . . . . . . . . . . . . . . . . . . . . 92
Figure 10. Serial controller block diagram . . . . . . . . . . . . . . . . . . . . . . . . . . . . . . . . . . . . . . . . . . . . . 111
Figure 11. I2C segment transitions . . . . . . . . . . . . . . . . . . . . . . . . . . . . . . . . . . . . . . . . . . . . . . . . . . 122
Figure 12. UART character frame format . . . . . . . . . . . . . . . . . . . . . . . . . . . . . . . . . . . . . . . . . . . . . 125
Figure 13. UART FIFOs . . . . . . . . . . . . . . . . . . . . . . . . . . . . . . . . . . . . . . . . . . . . . . . . . . . . . . . . . . 125
Figure 14. RTS/CTS flow control connections . . . . . . . . . . . . . . . . . . . . . . . . . . . . . . . . . . . . . . . . . 126
Figure 15. General-purpose timer block diagram . . . . . . . . . . . . . . . . . . . . . . . . . . . . . . . . . . . . . . . 161
Figure 16. Counter timing diagram with prescaler division change from 1 to 4 . . . . . . . . . . . . . . . . . 163
Figure 17. Counter timing diagram, internal clock divided by 1 . . . . . . . . . . . . . . . . . . . . . . . . . . . . . 164
Figure 18. Counter timing diagram, internal clock divided by 4 . . . . . . . . . . . . . . . . . . . . . . . . . . . . . 165
Figure 19. Counter timing diagram, update event when ARPE = 0
(TIMx_ARR not buffered) . . . . . . . . . . . . . . . . . . . . . . . . . . . . . . . . . . . . . . . . . . . . . . . . . 165
Figure 20. Counter timing diagram, update event when ARPE = 1 (TIMx_ARR buffered) . . . . . . . . 166
Figure 21. Counter timing diagram, internal clock divided by 1 . . . . . . . . . . . . . . . . . . . . . . . . . . . . . 167
Figure 22. Counter timing diagram, internal clock divided by 4 . . . . . . . . . . . . . . . . . . . . . . . . . . . . . 167
Figure 23. Counter timing diagram, internal clock divided by 1, TIMx_ARR = 0x6 . . . . . . . . . . . . . . 168
Figure 24. Counter timing diagram, update event with ARPE = 1
(counter underflow) . . . . . . . . . . . . . . . . . . . . . . . . . . . . . . . . . . . . . . . . . . . . . . . . . . . . . . 169
Figure 25. Counter timing diagram, update event with ARPE = 1
(counter overflow) . . . . . . . . . . . . . . . . . . . . . . . . . . . . . . . . . . . . . . . . . . . . . . . . . . . . . . . 169
Figure 26. Control circuit in Normal mode, internal clock divided by 1 . . . . . . . . . . . . . . . . . . . . . . . 170
Figure 27. TI2 external clock connection example. . . . . . . . . . . . . . . . . . . . . . . . . . . . . . . . . . . . . . . 171
Figure 28. Control circuit in External Clock mode 1 . . . . . . . . . . . . . . . . . . . . . . . . . . . . . . . . . . . . . . 171
Figure 29. External trigger input block . . . . . . . . . . . . . . . . . . . . . . . . . . . . . . . . . . . . . . . . . . . . . . . 172
Figure 30. Control circuit in external clock mode 2 . . . . . . . . . . . . . . . . . . . . . . . . . . . . . . . . . . . . . . 173
Figure 31. Capture/compare channel (example: channel 1 input stage) . . . . . . . . . . . . . . . . . . . . . 173
Figure 32. Capture/compare channel 1 main circuit . . . . . . . . . . . . . . . . . . . . . . . . . . . . . . . . . . . . . 174
Figure 33. Output stage of capture/compare channel (channel 1). . . . . . . . . . . . . . . . . . . . . . . . . . . 174
Figure 34. PWM input mode timing . . . . . . . . . . . . . . . . . . . . . . . . . . . . . . . . . . . . . . . . . . . . . . . . . . 176
Figure 35. Output compare mode, toggle on OC1 . . . . . . . . . . . . . . . . . . . . . . . . . . . . . . . . . . . . . . . 178
Figure 36. Edge-aligned PWM waveforms (ARR = 8) . . . . . . . . . . . . . . . . . . . . . . . . . . . . . . . . . . . 179
Figure 37. Center-aligned PWM waveforms (ARR = 8) . . . . . . . . . . . . . . . . . . . . . . . . . . . . . . . . . . 180
Figure 38. Example of one pulse mode . . . . . . . . . . . . . . . . . . . . . . . . . . . . . . . . . . . . . . . . . . . . . . 182
Figure 39. Example of counter operation in encoder interface mode . . . . . . . . . . . . . . . . . . . . . . . . 184
Figure 40. Example of encoder interface mode with IC1FP1 polarity inverted . . . . . . . . . . . . . . . . . 185
Figure 41. Control circuit in Reset mode . . . . . . . . . . . . . . . . . . . . . . . . . . . . . . . . . . . . . . . . . . . . . . 186
Figure 42. Control circuit in Gated mode . . . . . . . . . . . . . . . . . . . . . . . . . . . . . . . . . . . . . . . . . . . . . . 187
Figure 43. Control circuit in Trigger mode . . . . . . . . . . . . . . . . . . . . . . . . . . . . . . . . . . . . . . . . . . . . . 188
Figure 44. Control circuit in External clock mode 2 + Trigger mode . . . . . . . . . . . . . . . . . . . . . . . . . 189
Figure 45. Master/slave timer example . . . . . . . . . . . . . . . . . . . . . . . . . . . . . . . . . . . . . . . . . . . . . . . 190

DocID16252 Rev 16 13/289
STM32W108HB STM32W108CB STM32W108CC STM32W108CZ List of figures
13
Figure 46. Gating Timer 2 with OC1REF of Timer 1 . . . . . . . . . . . . . . . . . . . . . . . . . . . . . . . . . . . . . 191
Figure 47. Gating Timer 2 with enable of Timer 1 . . . . . . . . . . . . . . . . . . . . . . . . . . . . . . . . . . . . . . . 192
Figure 48. Triggering timer 2 with update of Timer 1 . . . . . . . . . . . . . . . . . . . . . . . . . . . . . . . . . . . . . 193
Figure 49. Triggering Timer 2 with enable of Timer 1 . . . . . . . . . . . . . . . . . . . . . . . . . . . . . . . . . . . . 194
Figure 50. Triggering Timers 1 and 2 with Timer 1 TI1 input . . . . . . . . . . . . . . . . . . . . . . . . . . . . . . 195
Figure 51. ADC block diagram . . . . . . . . . . . . . . . . . . . . . . . . . . . . . . . . . . . . . . . . . . . . . . . . . . . . . 224
Figure 52. SWJ block diagram . . . . . . . . . . . . . . . . . . . . . . . . . . . . . . . . . . . . . . . . . . . . . . . . . . . . . 245
Figure 53. Pin loading conditions . . . . . . . . . . . . . . . . . . . . . . . . . . . . . . . . . . . . . . . . . . . . . . . . . . . . 247
Figure 54. Pin input voltage . . . . . . . . . . . . . . . . . . . . . . . . . . . . . . . . . . . . . . . . . . . . . . . . . . . . . . . . 247
Figure 55. SPI timing diagram - slave mode and CPHA = 0 . . . . . . . . . . . . . . . . . . . . . . . . . . . . . . . 253
Figure 56. SPI timing diagram - slave mode and CPHA = 1(1) . . . . . . . . . . . . . . . . . . . . . . . . . . . . . 253
Figure 57. SPI timing diagram - master mode(1) . . . . . . . . . . . . . . . . . . . . . . . . . . . . . . . . . . . . . . . . 254
Figure 58. Transmit power consumption . . . . . . . . . . . . . . . . . . . . . . . . . . . . . . . . . . . . . . . . . . . . . . 264
Figure 59. Transmit output power . . . . . . . . . . . . . . . . . . . . . . . . . . . . . . . . . . . . . . . . . . . . . . . . . . . 265
Figure 60. VFQFPN48 - 48-pin, 7x7 mm, 0.5 mm pitch very thin profile fine pitch quad
flat package outline. . . . . . . . . . . . . . . . . . . . . . . . . . . . . . . . . . . . . . . . . . . . . . . . . . . . . . 270
Figure 61. VFQFPN48 - 48-pin, 7x7 mm, 0.5 mm pitch very thin profile fine pitch quad
flat package recommended footprint . . . . . . . . . . . . . . . . . . . . . . . . . . . . . . . . . . . . . . . . 271
Figure 62. VFQFPN40 - 40-pin, 6x6 mm, 0.5 mm pitch very thin profile fine pitch quad
flat package outline . . . . . . . . . . . . . . . . . . . . . . . . . . . . . . . . . . . . . . . . . . . . . . . . . . . . . 272
Figure 63. VFQFPN40 - 40-pin, 6x6 mm, 0.5 mm pitch very thin profile fine pitch quad
flat package recommended footprint . . . . . . . . . . . . . . . . . . . . . . . . . . . . . . . . . . . . . . . . 274
Figure 64. VFQFPN40 marking example (package top view) . . . . . . . . . . . . . . . . . . . . . . . . . . . . . . 275
Figure 65. UFQFPN48 - 48-lead, 7x7 mm, 0.5 mm pitch, ultra thin fine pitch quad flat
package outline. . . . . . . . . . . . . . . . . . . . . . . . . . . . . . . . . . . . . . . . . . . . . . . . . . . . . . . . . 276
Figure 66. UFQFPN48 - 48-lead, 7x7 mm, 0.5 mm pitch, ultra thin fine pitch quad flat
package recommended footprint . . . . . . . . . . . . . . . . . . . . . . . . . . . . . . . . . . . . . . . . . . . 277
Figure 67. UFQFPN48 marking example (package top view) . . . . . . . . . . . . . . . . . . . . . . . . . . . . . . 278

Description STM32W108HB STM32W108CB STM32W108CC STM32W108CZ
14/289 DocID16252 Rev 16
1 Description
The STM32W108xx is a fully integrated system-on-chip that integrates a 2.4 GHz, IEEE
802.15.4-compliant transceiver, 32-bit ARM® Cortex®-M3 microprocessor, Flash and RAM
memory, and peripherals of use to designers of 802.15.4-based systems.
The transceiver utilizes an efficient architecture that exceeds the dynamic range
requirements imposed by the IEEE 802.15.4-2003 standard by over 15 dB. The integrated
receive channel filtering allows for robust co-existence with other communication standards
in the 2.4 GHz spectrum, such as IEEE 802.11 and Bluetooth. The integrated regulator,
VCO, loop filter, and power amplifier keep the external component count low. An optional
high performance radio mode (boost mode) is software-selectable to boost dynamic range.
The integrated 32-bit ARM® Cortex®-M3 microprocessor is highly optimized for high
performance, low power consumption, and efficient memory utilization. Including an
integrated MPU, it supports two different modes of operation: Privileged mode and
Unprivileged mode. This architecture could be used to separate the networking stack from
the application code and prevent unwanted modification of restricted areas of memory and
registers resulting in increased stability and reliability of deployed solutions.
The STM32W108xx has 128/192/256 Kbyte of embedded Flash memory and 8/12/16 Kbyte
of integrated RAM for data and program storage. The STM32W108xx HAL software
employs an effective wear-leveling algorithm that optimizes the lifetime of the embedded
Flash.
To maintain the strict timing requirements imposed by the ZigBee and IEEE 802.15.4-2003
standards, the STM32W108xx integrates a number of MAC functions into the hardware.
The MAC hardware handles automatic ACK transmission and reception, automatic backoff
delay, and clear channel assessment for transmission, as well as automatic filtering of
received packets. A packet trace interface is also integrated with the MAC, allowing
complete, non-intrusive capture of all packets to and from the STM32W108xx.
The STM32W108xx offers a number of advanced power management features that enable
long battery life. A high-frequency internal RC oscillator allows the processor core to begin
code execution quickly upon waking. Various deep sleep modes are available with less than
1 µA power consumption while retaining RAM contents. To support user-defined
applications, on-chip peripherals include UART, SPI, I2C, ADC and general-purpose timers,
as well as up to 24 GPIOs. Additionally, an integrated voltage regulator, power-on-reset
circuit, and sleep timer are available.

DocID16252 Rev 16 15/289
STM32W108HB STM32W108CB STM32W108CC STM32W108CZ Description
286
1.1 Development tools
The STM32W108xx implements both the ARM Serial Wire and JTAG debug interfaces.
These interfaces provide real time, non-intrusive programming and debugging capabilities.
Serial Wire and JTAG provide the same functionality, but are mutually exclusive. The Serial
Wire interface uses two pins; the JTAG interface uses five. Serial Wire is preferred, since it
uses fewer pins.
The STM32W108xx also integrates the standard ARM system debug components: Flash
Patch and Breakpoint (FPB), Data Watchpoint and Trace (DWT), and Instrumentation Trace
Macrocell (DWT).
Figure 1. STM32W108xx block diagram
3DFNHWVQLIIHU
$'&5)B31
3URJUDP)ODVK
N%\WHV
N%\WHV
N%\WHV
'DWD 65$0
N%\WHV
N%\WHV
N%\WHV
5)B7;B$/7B3 1
3$>@3%>@3&>@
,)
&38 Z LWK 19,&
DQG038
95(*B287
:DWFKGRJ
/1$
3$
3$
'$& 0$&
%DVHEDQG
%,$6B5
Q5(6(7
*3,2
UHJLVWHUV
8$57
63,,&
6<17+
7;B$&7,9(
3DFNHW7UDFH
26&B287
26&B,1
DLE
3$VHOHFW
$50&RUWH[0
&38GHEXJ
73,8,70
)3%':7
(QFU\SWLRQ
DFFHOHUDWRU
QGOHYHO
LQWHUUXSW
FRQWUROOHU
6HULDO
:LUHDQG
-7$*
GHEXJ
6OHHS
WLPHU
&KLS
PDQDJHU
$OZD\V
SRZHUHG
GRPDLQ 6:&/.
-7&.
*HQHUDO
SXUSRVH
WLPHUV
*HQHUDO
SXUSRVH
$'&
&DOLEUDWLRQ
$'&
,QWHUQDO+)
5&26&
,QWHUQDO/)
5&26&
/)FU\VWDO
26&
325
5HJXODWRU
+)FU\VWDO
26&
%LDV
*3,2PXOWLSOH[RUVZLWFK

Description STM32W108HB STM32W108CB STM32W108CC STM32W108CZ
16/289 DocID16252 Rev 16
1.2 Overview
1.2.1 Functional description
The STM32W108xx radio receiver is a low-IF, super-heterodyne receiver. The architecture
has been chosen to optimize co-existence with other devices in the 2.4 GHz band (namely,
WIFI and Bluetooth), and to minimize power consumption. The receiver uses differential
signal paths to reduce sensitivity to noise interference. Following RF amplification, the
signal is downconverted by an image-rejecting mixer, filtered, and then digitized by an ADC.
The radio transmitter uses an efficient architecture in which the data stream directly
modulates the VCO frequency. An integrated power amplifier (PA) provides the output
power. Digital logic controls Tx path and output power calibration. If the STM32W108xx is to
be used with an external PA, use the TX_ACTIVE or nTX_ACTIVE signal to control the
timing of the external switching logic.
The integrated 4.8 GHz VCO and loop filter minimize off-chip circuitry. Only a 24 MHz
crystal with its loading capacitors is required to establish the PLL local oscillator signal.
The MAC interfaces the on-chip RAM to the Rx and Tx baseband modules. The MAC
provides hardware-based IEEE 802.15.4 packet-level filtering. It supplies an accurate
symbol time base that minimizes the synchronization effort of the software stack and meets
the protocol timing requirements. In addition, it provides timer and synchronization
assistance for the IEEE 802.15.4 CSMA-CA algorithm.
The STM32W108xx integrates an ARM® Cortex®-M3 microprocessor, revision r1p1. This
industry-leading core provides 32 bit performance and is very power efficient. It has
excellent code density using the ARM® Thumb 2 instruction set. The processor can be
operated at 12 MHz or 24 MHz when using the crystal oscillator, or at 6 MHz or 12 MHz
when using the integrated high frequency RC oscillator.
The STM32W108xx has 128/192/256 Kbyte of Flash memory, 8/12/16 Kbyte of SRAM on-
chip, and the ARM configurable memory protection unit (MPU).
The STM32W108xx contains 24 GPIO pins shared with other peripheral or alternate
functions. Because of flexible routing within the STM32W108xx, external devices can use
the alternate functions on a variety of different GPIOs. The integrated Serial Controller SC1
can be configured for SPI (master or slave), I2C (master-only), or UART operation, and the
Serial Controller SC2 can be configured for SPI (master or slave) or I2C (master-only)
operation.
The STM32W108xx has a general purpose ADC which can sample analog signals from six
GPIO pins in single-ended or differential modes. It can also sample the regulated supply
VDD_PADSA, the voltage reference VREF, and GND. The ADC has two selectable voltage
ranges: 0 V to 1.2 V for the low voltage (input buffer disabled) and 0.1 V to VDD_PADS
minus 0.1 V for the high voltage supply (input buffer enabled). The ADC has a DMA mode to
capture samples and automatically transfer them into RAM. The integrated voltage
reference for the ADC, VREF, can be made available to external circuitry. An external
voltage reference can also be driven into the ADC.
The STM32W108xx contains four oscillators: a high frequency 24 MHz external crystal
oscillator (24 MHz HSE OSC), a high frequency 12 MHz internal RC oscillator (12 MHz HSI
RC), an optional low frequency 32.768 kHz external crystal oscillator (32 kHz HSE OSC),
and a 10 kHz internal RC oscillator (10 kHz LSI RC).

DocID16252 Rev 16 17/289
STM32W108HB STM32W108CB STM32W108CC STM32W108CZ Description
286
The STM32W108xx has an ultra low power, deep sleep state with a choice of clocking
modes. The sleep timer can be clocked with either the external 32.768 kHz crystal oscillator
or with a 1 kHz clock derived from the internal 10 kHz LSI RC oscillator. Alternatively, all
clocks can be disabled for the lowest power mode. In the lowest power mode, only external
events on GPIO pins will wake up the chip. The STM32W108xx has a fast startup time
(typically 100 µs) from deep sleep to the execution of the first ARM® Cortex®-M3 instruction.
The STM32W108xx contains three power domains. The always-on high voltage supply
powers the GPIO pads and critical chip functions. Regulated low voltage supplies power the
rest of the chip. The low voltage supplies are be disabled during deep sleep to reduce power
consumption. Integrated voltage regulators generate regulated 1.25 V and 1.8 V voltages
from an unregulated supply voltage. The 1.8 V regulator output is decoupled and routed
externally to supply analog blocks, RAM, and Flash memories. The 1.25 V regulator output
is decoupled externally and supplies the core logic.
The digital section of the receiver uses a coherent demodulator to generate symbols for the
hardware-based MAC. The digital receiver also contains the analog radio calibration
routines and controls the gain within the receiver path.
In addition to 2 general-purpose timers, the STM32W108xx also contains a watchdog timer
to ensure protection against software crashes and CPU lockup, a 32-bit sleep timer
dedicated to system timing and waking from sleep at specific times and an ARM® standard
system event timer in the NVIC.
The STM32W108xx integrates hardware support for a Packet Trace module, which allows
robust packet-based debug.
Note: The STM32W108xx is not pin-compatible with the previous generation chip, the SN250,
except for the RF section of the chip. Pins 1-11 and 45-48 are compatible, to ease migration
to the STM32W108xx.
1.2.2 ARM® Cortex®-M3 core
The STM32W108xx integrates the ARM® Cortex®-M3 microprocessor, revision r1p1,
developed by ARM Ltd, making the STM32W108xx a true system-on-a-chip solution. The
ARM® Cortex®-M3 is an advanced 32-bit modified Harvard architecture processor that has
separate internal program and data buses, but presents a unified program and data address
space to software. The word width is 32 bits for both the program and data sides. The ARM®
Cortex®-M3 allows unaligned word and half-word data accesses to support efficiently-
packed data structures.
The ARM® Cortex®-M3 clock speed is configurable to 6 MHz, 12 MHz, or 24 MHz. For
normal operation 12 MHz is preferred over 24 MHz due to its lower power consumption. The
6 MHz operation can only be used when radio operations are not required since the radio
requires an accurate 12 MHz clock.
The ARM® Cortex®-M3 in the STM32W108xx has also been enhanced to support two
separate memory protection levels. Basic protection is available without using the MPU, but
the usual operation uses the MPU. The MPU protects unimplemented areas of the memory
map to prevent common software bugs from interfering with software operation. The
architecture could also separate the networking stack from the application code using a fine
granularity RAM protection module. Errant writes are captured and details are reported to
the developer to assist in tracking down and fixing issues.

Documentation conventions STM32W108HB STM32W108CB STM32W108CC STM32W108CZ
18/289 DocID16252 Rev 16
2 Documentation conventions
Table 1. Description of abbreviations used for bit field access
Abbreviation Description(1)
1. The conditions under which the hardware (core) sets or clears this field are explained in details in the bit
field description, as well as the events that may be generated by writing to the bit.
Read/Write (rw) Software can read and write to these bits.
Read-only (r) Software can only read these bits.
Write only (w) Software can only write to this bit. Reading returns the reset value.
Read/Write in (MPU)
Privileged mode only (rws)
Software can read and write to these bits only in Privileged mode. For
more information, please refer to RAM memory protection on page 37
and Memory protection unit on page 42.

DocID16252 Rev 16 19/289
STM32W108HB STM32W108CB STM32W108CC STM32W108CZ Pinout and pin description
286
3 Pinout and pin description
Figure 2. 48-pin VFQFPN pinout
*URXQGSDGRQEDFN
9''B0+=
5)B3
5)B1
9''B5)
5)B7;B$/7B3
5)B7;B$/7B1
9''B,)
%,$6B5
9''B3$'6$
3&7;B$&7,9(
9''B3$'6
3$7,0&6&6'$6&0,62
3$7,0&6&026,
3$7,0&5(*B(1
9''B&25(
95(*B287
3&26&B,1Q7;B$&7,9(
9''B3$'6
3$7,0&6&6&/6&6&/.
3%95(),54$75$&(&/.7,0&/.7,006.
3&-7066:',2
3&-7',
3&-7'26:2
6:&/.-7&.
9''B3$'6
3$$'&37,B'$7$Q%22702'(75$&('$7$
3$$'&37,B(175$&('$7$
3$6&Q66(/75$&(&/.7,0&
3&$'&6:275$&('$7$
9''B0(0
3%$'&,54&7,0&
3%$'&7,0&/.7,006.
9''B&25(
9''B35(
26&B287
3&-567,54'Q75$&('$7$
26&B,1
9''B3$'6
9''B9&2
Q5(6(7
3&26&B28726&B(;7
3%7,0&6&Q&766&6&/.
3%7,0&6&Q5766&Q66(/
3%6&0,626&026,6&6'$6&7;'7,0&
3$7,0&
3%6&0,626&026,6&6&/6&5;'7,0&
9''B6<17+
3%$'&,547,0&
DLE

Pinout and pin description STM32W108HB STM32W108CB STM32W108CC STM32W108CZ
20/289 DocID16252 Rev 16
Figure 3. 40-pin VFQFPN pinout
*URXQGSDGRQEDFN
9''B9&2
5)B3
5)B1
9''B5)
5)B7;B$/7B3
5)B7;B$/7B1
9''B,)
%,$6B5
9''B3$'6$
3&7;B$&7,9(
9''B3$'6
3$7,0&6&6'$6&0,62
3$7,0&6&026,
3%7,0&6&Q5766&Q66(/
3%7,0&6&Q&766&6&/.
9''B&25(
95(*B287
Q5(6(7
9''B3$'6
3$7,0&6&6&/6&6&/.
3&-7066:',2
3&-7',
3&-7'26:2
6:&/.-7&.
3%6&0,626&026,6&6&/6&5;'7,0&
3%6&0,626&026,6&6'$6&7;'7,0&
9''B3$'6
3$$'&37,B'$7$Q%22702'(75$&('$7$
3$$'&37,B(175$&('$7$
3$6&Q66(/75$&(&/.7,0&
9''B0(0
3&-567,54'Q75$&('$7$
3%$'&,54&7,0&
3%$'&,547,0&
9''B&25(
9''B35(
26&B287
9''B0+=
26&B,1
3&$'&6:275$&('$7$
DLE
Table 2. Pin descriptions
48-Pin
Package
Pin no.
40-Pin
Package
Pin no. Signal Direction Description
1 40 VDD_24MHZ Power 1.8V high-frequency oscillator supply
2 1 VDD_VCO Power 1.8V VCO supply
3 2 RF_P I/O Differential (with RF_N) receiver input/transmitter output
4 3 RF_N I/O Differential (with RF_P) receiver input/transmitter output
5 4 VDD_RF Power 1.8V RF supply (LNA and PA)
6 5 RF_TX_ALT_P O Differential (with RF_TX_ALT_N) transmitter output (optional)
7 6 RF_TX_ALT_N O Differential (with RF_TX_ALT_P) transmitter output (optional)
8 7 VDD_IF Power 1.8V IF supply (mixers and filters)
9 8 BIAS_R I Bias setting resistor

DocID16252 Rev 16 21/289
STM32W108HB STM32W108CB STM32W108CC STM32W108CZ Pinout and pin description
286
10 9 VDD_PADSA Power Analog pad supply (1.8V)
11 10
PC5 I/O Digital I/O
TX_ACTIVE O
Logic-level control for external Rx/Tx switch. The
STM32W108xx baseband controls TX_ACTIVE and drives it
high (VDD_PADS) when in Tx mode.
Select alternate output function with GPIOC_CRH[7:4]
12 11 nRESET I Active low chip reset (internal pull-up)
13
PC6 I/O Digital I/O
OSC32_IN I/O 32.768 kHz crystal oscillator
Select analog function with GPIOC_CRH[11:8]
nTX_ACTIVE O Inverted TX_ACTIVE signal (see PC5)
Select alternate output function with GPIOC_CRH[11:8]
14
PC7 I/O Digital I/O
OSC32_OUT I/O 32.768 kHz crystal oscillator.
Select analog function with GPIOC_CRH[15:12]
OSC32_EXT I Digital 32 kHz clock input source
15 12 VREG_OUT Power Regulator output (1.8 V while awake, 0 V during deep sleep)
16 13 VDD_PADS Power Pads supply (2.1-3.6 V)
17 14 VDD_CORE Power 1.25 V digital core supply decoupling
18
PA7
I/O
High
current
Digital I/O. Disable REG_EN with GPIO_DBGCR[4]
TIM1_CH4
O
Timer 1 Channel 4 output
Enable timer output with TIM1_CCER
Select alternate output function with GPIOA_CRH[15:12]
Disable REG_EN with GPIO_DBGCR[4]
I Timer 1 Channel 4 input. (Cannot be remapped.)
REG_EN O External regulator open drain output. (Enabled after reset.)
Table 2. Pin descriptions (continued)
48-Pin
Package
Pin no.
40-Pin
Package
Pin no. Signal Direction Description

Pinout and pin description STM32W108HB STM32W108CB STM32W108CC STM32W108CZ
22/289 DocID16252 Rev 16
19 15
PB3 I/O Digital I/O
TIM2_CH3
(see Pin 22)
O
Timer 2 channel 3 output
Enable remap with TIM2_OR[6]
Enable timer output in TIM2_CCER
Select alternate output function with GPIOB_CRL[15:12]
I Timer 2 channel 3 input. Enable remap with TIM2_OR[6].
UART_CTS I
UART CTS handshake of Serial Controller 1
Enable with SC1_UARTCR[5]
Select UART with SC1_CR
SC1SCLK
O
SPI master clock of Serial Controller 1
Either disable timer output in TIM2_CCER or disable remap
with TIM2_OR[6]
Enable master with SC1_SPICR[4]
Select SPI with SC1_CR
Select alternate output function with GPIOB_CRL[15:12]
I
SPI slave clock of Serial Controller 1
Enable slave with SC1_SPICR[4]
Select SPI with SC1_CR
20 16
PB4 I/O Digital I/O
TIM2_CH4
(see also
Pin 24)
O
Timer 2 channel 4 output
Enable remap with TIM2_OR[7]
Enable timer output in TIM2_CCER
Select alternate output function with GPIOB_CRH[3:0]
I Timer 2 channel 4 input. Enable remap with TIM2_OR[7].
UART_RTS O
UART RTS handshake of Serial Controller 1
Either disable timer output in TIM2_CCER or disable remap
with TIM2_OR[7]
Enable with SC1_UARTCR[5]
Select UART with SC1_CR
Select alternate output function with GPIOB_CRH[3:0]
SC1nSSEL I
SPI slave select of Serial Controller 1
Enable slave with SC1_SPICR[4]
Select SPI with SC1_CR
Table 2. Pin descriptions (continued)
48-Pin
Package
Pin no.
40-Pin
Package
Pin no. Signal Direction Description

DocID16252 Rev 16 23/289
STM32W108HB STM32W108CB STM32W108CC STM32W108CZ Pinout and pin description
286
21 17
PA0 I/O Digital I/O
TIM2_CH1
(see also
Pin 30)
O
Timer 2 channel 1 output
Disable remap with TIM2_OR[4]
Enable timer output in TIM2_CCER
Select alternate output function with GPIOA_CRL[3:0]
I Timer 2 channel 1 input. Disable remap with TIM2_OR[4].
SC2MOSI
O
SPI master data out of Serial Controller 2
Either disable timer output in TIM2_CCER or enable remap
with TIM2_OR[4]
Enable master with SC2_SPICR[4]
Select SPI with SC2_CR
Select alternate output function with GPIOA_CRL[3:0]
I
SPI slave data in of Serial Controller 2
Enable slave with SC2_SPICR[4]
Select SPI with SC2_CR
22 18
PA1 I/O Digital I/O
TIM2_CH3
(see also
Pin 19)
O
Timer 2 channel 3 output
Disable remap with TIM2_OR[6]
Enable timer output in TIM2_CCER
Select alternate output function with GPIOA_CRL[7:4]
I Timer 2 channel 3 input. Disable remap with TIM2_OR[6].
SC2SDA I/O
I2C data of Serial Controller 2
Either disable timer output in TIM2_CCER or enable remap
with TIM2_OR[6]
Select I2C with SC2_CR
Select alternate open-drain output function with
GPIOA_CRL[7:4]
SC2MISO
O
SPI slave data out of Serial Controller 2
Either disable timer output in TIM2_CCER or enable remap
with TIM2_OR[6]
Enable slave with SC2_SPICR[4]
Select SPI with SC2_CR
Select alternate output function with GPIOA_CRL[7:4]
I
SPI master data in of Serial Controller 2
Enable slave with SC2_SPICR[4]
Select SPI with SC2_CR
23 19 VDD_PADS Power Pads supply (2.1-3.6V)
Table 2. Pin descriptions (continued)
48-Pin
Package
Pin no.
40-Pin
Package
Pin no. Signal Direction Description

Pinout and pin description STM32W108HB STM32W108CB STM32W108CC STM32W108CZ
24/289 DocID16252 Rev 16
24 20
PA2 I/O Digital I/O
TIM2_CH4
(see also
Pin 20)
O
Timer 2 channel 4 output
Disable remap with TIM2_OR[7]
Enable timer output in TIM2_CCER
Select alternate output function with GPIOA_CRL[11:8]
I Timer 2 channel 4 input. Disable remap with TIM2_OR[7].
SC2SCL I/O
I2C clock of Serial Controller 2
Either disable timer output in TIM2_CCER or enable remap
with TIM2_OR[7]
Select I2C with SC2_CR
Select alternate open-drain output function with
GPIOA_CRL[11:8]
SC2SCLK
O
SPI master clock of Serial Controller 2
Either disable timer output in TIM2_CCER or enable remap
with TIM2_OR[7]
Enable master with SC2_SPICR[4]
Select SPI with SC2_CR
Select alternate output function with GPIOA_CRL[11:8]
I
SPI slave clock of Serial Controller 2
Enable slave with SC2_SPICR[4]
Select SPI with SC2_CR
25 21
PA3 I/O Digital I/O
SC2nSSEL I
SPI slave select of Serial Controller 2
Enable slave with SC2_SPICR[4]
Select SPI with SC2_CR
TRACECLK
(see also Pin
36)
O
Synchronous CPU trace clock
Either disable timer output in TIM2_CCER or enable remap
with TIM2_OR[5]
Enable trace interface in ARM core
Select alternate output function with GPIOA_CRL[15:12]
TIM2_CH2
(see also Pin
31)
O
Timer 2 channel 2 output
Disable remap with TIM2_OR[5]
Enable timer output in TIM2_CCER
Select alternate output function with GPIOA_CRL[15:12]
I Timer 2 channel 2 input. Disable remap with TIM2_OR[5].
Table 2. Pin descriptions (continued)
48-Pin
Package
Pin no.
40-Pin
Package
Pin no. Signal Direction Description

DocID16252 Rev 16 25/289
STM32W108HB STM32W108CB STM32W108CC STM32W108CZ Pinout and pin description
286
26 22
PA4 I/O Digital I/O
ADC4 Analog ADC Input 4. Select analog function with GPIOA_CRH[3:0].
PTI_EN O
Frame signal of Packet Trace Interface (PTI).
Disable trace interface in ARM core.
Select alternate output function with GPIOA_CRH[3:0].
TRACEDATA2 O
Synchronous CPU trace data bit 2.
Select 4-wire synchronous trace interface in ARM core.
Enable trace interface in ARM core.
Select alternate output function with GPIOA_CRH[3:0].
27 23
PA5 I/O Digital I/O
ADC5 Analog ADC Input 5. Select analog function with GPIOA_CRH[7:4].
PTI_DATA O
Data signal of Packet Trace Interface (PTI).
Disable trace interface in ARM core.
Select alternate output function with GPIOA_CRH[7:4].
nBOOTMODE I
Embedded serial bootloader activation out of reset.
Signal is active during and immediately after a reset on NRST.
See Section 6.2: Resets on page 48 for details.
TRACEDATA3 O
Synchronous CPU trace data bit 3.
Select 4-wire synchronous trace interface in ARM core.
Enable trace interface in ARM core.
Select alternate output function with GPIOA_CRH[7:4]
28 24 VDD_PADS Power Pads supply (2.1-3.6 V)
29
PA6
I/O
High
current
Digital I/O
TIM1_CH3
O
Timer 1 channel 3 output
Enable timer output in TIM1_CCER
Select alternate output function with GPIOA_CRH[11:8]
I Timer 1 channel 3 input (Cannot be remapped.)
Table 2. Pin descriptions (continued)
48-Pin
Package
Pin no.
40-Pin
Package
Pin no. Signal Direction Description

Pinout and pin description STM32W108HB STM32W108CB STM32W108CC STM32W108CZ
26/289 DocID16252 Rev 16
30 25
PB1 I/O Digital I/O
SC1MISO O
SPI slave data out of Serial Controller 1
Either disable timer output in TIM2_CCER or disable remap
with TIM2_OR[4]
Select SPI with SC1_CR
Select slave with SC1_SPICR
Select alternate output function with GPIOB_CRL[7:4]
SC1MOSI O
SPI master data out of Serial Controller 1
Either disable timer output in TIM2_CCER or disable remap
with TIM2_OR[4]
Select SPI with SC1_CR
Select master with SC1_SPICR
Select alternate output function with GPIOB_CRL[7:4]
SC1SDA I/O
I2C data of Serial Controller 1
Either disable timer output in TIM2_CCER,
or disable remap with TIM2_OR[4]
Select I2C with SC1_CR
Select alternate open-drain output function with
GPIOB_CRL[7:4]
SC1TXD O
UART transmit data of Serial Controller 1
Either disable timer output in TIM2_CCER or disable remap
with TIM2_OR[4]
Select UART with SC1_CR
Select alternate output function with GPIOB_CRL[7:4]
TIM2_CH1
(see also
Pin 21)
O
Timer 2 channel 1 output
Enable remap with TIM2_OR[4]
Enable timer output in TIM2_CCER
Select alternate output function with GPIOA_CRL[7:4]
I Timer 2 channel 1 input. Disable remap with TIM2_OR[4].
Table 2. Pin descriptions (continued)
48-Pin
Package
Pin no.
40-Pin
Package
Pin no. Signal Direction Description

DocID16252 Rev 16 27/289
STM32W108HB STM32W108CB STM32W108CC STM32W108CZ Pinout and pin description
286
31 26
PB2 I/O Digital I/O
SC1MISO I
SPI master data in of Serial Controller 1
Select SPI with SC1_CR
Select master with SC1_SPICR
SC1MOSI I
SPI slave data in of Serial Controller 1
Select SPI with SC1_CR
Select slave with SC1_SPICR
SC1SCL I/O
I2C clock of Serial Controller 1
Either disable timer output in TIM2_CCER,
or disable remap with TIM2_OR[5]
Select I2C with SC1_CR
Select alternate open-drain output function with
GPIOB_CRL[11:8]
SC1RXD I UART receive data of Serial Controller 1
Select UART with SC1_CR
TIM2_CH2
(see also Pin
25)
O
Timer 2 channel 2 output
Enable remap with TIM2_OR[5]
Enable timer output in TIM2_CCER
Select alternate output function with GPIOB_CRL[11:8]
I Timer 2 channel 2 input. Enable remap with TIM2_OR[5].
32 27
SWCLK I/O
Serial Wire clock input/output with debugger
Selected when in Serial Wire mode (see JTMS description,
Pin 35)
JTCK I
JTAG clock input from debugger
Selected when in JTAG mode (default mode, see JTMS
description, Pin 35)
Internal pull-down is enabled
33 28
PC2 I/O Digital I/O
Enable with GPIO_DBGCR[5]
JTDO O
JTAG data out to debugger
Selected when in JTAG mode (default mode, see JTMS
description, Pin 35)
SWO O
Serial Wire Output asynchronous trace output to debugger
Select asynchronous trace interface in ARM core
Enable trace interface in ARM core
Select alternate output function with GPIOC_CRL[11:8]
Enable Serial Wire mode (see JTMS description, Pin 35)
Internal pull-up is enabled
Table 2. Pin descriptions (continued)
48-Pin
Package
Pin no.
40-Pin
Package
Pin no. Signal Direction Description

Pinout and pin description STM32W108HB STM32W108CB STM32W108CC STM32W108CZ
28/289 DocID16252 Rev 16
34 29
PC3 I/O
Digital I/O
Either Enable with GPIO_DBGCR[5],
or enable Serial Wire mode (see JTMS description)
JTDI I
JTAG data in from debugger
Selected when in JTAG mode (default mode, see JTMS
description, Pin 35)
Internal pull-up is enabled
35 30
PC4 I/O Digital I/O
Enable with GPIO_DBGCR[5]
JTMS I
JTAG mode select from debugger
Selected when in JTAG mode (default mode)
JTAG mode is enabled after power-up or by forcing NRST low
Select Serial Wire mode using the ARM-defined protocol
through a debugger
Internal pull-up is enabled
SWDIO I/O
Serial Wire bidirectional data to/from debugger
Enable Serial Wire mode (see JTMS description)
Select Serial Wire mode using the ARM-defined protocol
through a debugger
Internal pull-up is enabled
36
PB0 I/O Digital I/O
VREF Analog O ADC reference output.
Enable analog function with GPIOB_CRL[3:0].
VREF Analog I
ADC reference input.
Enable analog function with GPIOB_CRL[3:0].
Enable reference output with an ST system function.
IRQA I External interrupt source A.
TRACECLK
(see also Pin
25)
O
Synchronous CPU trace clock.
Enable trace interface in ARM core.
Select alternate output function with GPIOB_CRL[3:0].
TIM1CLK I Timer 1 external clock input.
TIM2MSK I Timer 2 external clock mask input.
37 VDD_PADS Power Pads supply (2.1 to 3.6 V).
Table 2. Pin descriptions (continued)
48-Pin
Package
Pin no.
40-Pin
Package
Pin no. Signal Direction Description

DocID16252 Rev 16 29/289
STM32W108HB STM32W108CB STM32W108CC STM32W108CZ Pinout and pin description
286
38 31
PC1 I/O Digital I/O
ADC3 Analog ADC Input 3
Enable analog function with GPIOC_CRL[7:4]
SWO
(see also Pin
33)
O
Serial Wire Output asynchronous trace output to debugger
Select asynchronous trace interface in ARM core
Enable trace interface in ARM core
Select alternate output function with GPIOC_CRL[7:4]
TRACEDATA0 O
Synchronous CPU trace data bit 0
Select 1-, 2- or 4-wire synchronous trace interface in ARM
core
Enable trace interface in ARM core
Select alternate output function with GPIOC_CRL[7:4]
39 32 VDD_MEM Power 1.8 V supply (Flash, RAM)
40 33
PC0
I/O
High
current
Digital I/O
Either enable with GPIO_DBGCR[5],
or enable Serial Wire mode (see JTMS description, Pin 35)
and disable TRACEDATA1
JRST I
JTAG reset input from debugger
Selected when in JTAG mode (default mode, see JTMS
description) and TRACEDATA1 is disabled
Internal pull-up is enabled
IRQD (1) I Default external interrupt source D
TRACEDATA1 O
Synchronous CPU trace data bit 1
Select 2- or 4-wire synchronous trace interface in ARM core
Enable trace interface in ARM core
Select alternate output function with GPIOC_CRL[3:0]
41 34
PB7
I/O
High
current
Digital I/O
ADC2 Analog ADC Input 2
Enable analog function with GPIOB_CRH[15:12]
IRQC (1) I Default external interrupt source C
TIM1_CH2
O
Timer 1 channel 2 output
Enable timer output in TIM1_CCER
Select alternate output function with GPIOB_CRH[15:12]
I Timer 1 channel 2 input (Cannot be remapped)
Table 2. Pin descriptions (continued)
48-Pin
Package
Pin no.
40-Pin
Package
Pin no. Signal Direction Description

Pinout and pin description STM32W108HB STM32W108CB STM32W108CC STM32W108CZ
30/289 DocID16252 Rev 16
42 35
PB6
I/O
High
current
Digital I/O
ADC1 Analog ADC Input 1
Enable analog function with GPIOB_CRH[11:8]
IRQB I External interrupt source B
TIM1_CH1
O
Timer 1 channel 1 output
Enable timer output in TIM1_CCER
Select alternate output function with GPIOB_CRH[11:8]
I Timer 1 channel 1 input (Cannot be remapped)
43
PB5 I/O Digital I/O
ADC0 Analog ADC Input 0
Enable analog function with GPIOB_CRH[7:4]
TIM2CLK I Timer 2 external clock input
TIM1MSK I Timer 2 external clock mask input
44 36 VDD_CORE Power 1.25 V digital core supply decoupling
45 37 VDD_PRE Power 1.8 V prescaler supply
46 VDD_SYNTH Power 1.8 V synthesizer supply
47 38 OSC_IN I/O 24 MHz HSE OSC or left open when using external clock
input on OSC_OUT
48 39 OSC_OUT I/O 24 MHz HSE OSC or external clock input
49 41 GND Ground Ground supply pad in the bottom center of the package.
1. IRQC and IRQD external interrupts can be mapped to any digital I/O pin using the EXTIC_CR and EXTID_CR registers.
Table 2. Pin descriptions (continued)
48-Pin
Package
Pin no.
40-Pin
Package
Pin no. Signal Direction Description

DocID16252 Rev 16 31/289
STM32W108HB STM32W108CB STM32W108CC STM32W108CZ Embedded memory
286
4 Embedded memory
4.1 Memory organization and memory map
The bytes are coded in the memory in Little Endian format. The lowest numbered byte in a
word is considered the word’s least significant byte and the highest numbered byte the most
significant.
For detailed mapping of peripheral registers, please refer to the relevant section.
All the memory areas that are not allocated to on-chip memories and peripherals are
considered “Reserved”).
Refer to Figure 4: STM32W108xB memory mapping, Figure 5: STM32W108CC and
STM32W108CZ memory mapping, and Table 3: STM32W108xx peripheral register
boundary addresses for the register boundary addresses of the peripherals available in all
STM32W108xx devices.

Embedded memory STM32W108HB STM32W108CB STM32W108CC STM32W108CZ
32/289 DocID16252 Rev 16
Figure 4. STM32W108xB memory mapping
0DLQ)ODVK%ORFNN%
/RZHUPDSSLQJ
1RUPDO0RGH
[
[))))
5$0N%
PDSSHGRQWR6\VWHP
LQWHUIDFH
[
[)))
5$0ELWEDQG
DOLDVUHJLRQ
PDSSHGRQWR6\VWHP
LQWHUIDFH
QRWXVHG
[
[
)ODVK
5$0
3HULSKHUDO
5HJLVWHUV
PDSSHGRQWR6\VWHP
LQWHUIDFH
5HJLVWHUELWEDQG
DOLDVUHJLRQ
PDSSHGRQWR6\VWHP
LQWHUIDFH
QRWXVHG
[
[;;;
[
[;;;
1RWXVHG
3ULYDWHSHULSKEXVLQWHUQDO
1RWXVHG
3ULYDWHSHULSKEXVH[WHUQDO
1RWXVHG
1RWXVHG
1RWXVHG
[(
,70
':7
)3%
19,&
73,8
520WDEOHH
[(
[(
[(
[((
[()
[())))
[(
[(
[(
[())
[()))))
[(
[
[
[
[
[$
[))))))))
[')))))))
[)))))))
[)))))))
[)))))))
[)))))))
)L[HG,QIR%ORFNN%
&XVWRPHU,QIR%ORFNN%
[
[))
[))
[
0DLQ)ODVK%ORFNN%
8SSHUPDSSLQJ
%RRWPRGH
[
[))))
)L[HG,QIR%ORFNN%
2SWLRQDOERRW PRGH
PDSV )L[HG,QIR%ORFN
WR WKHVWDUWRIPHPRU\
[))
1RWXVHG
1RWXVHG
DLE

DocID16252 Rev 16 33/289
STM32W108HB STM32W108CB STM32W108CC STM32W108CZ Embedded memory
286
Figure 5. STM32W108CC and STM32W108CZ memory mapping
069
0DLQ)ODVK%ORFNN%
/RZHUPDSSLQJ
1RUPDO0RGH
[
[))))
[))))
5$0N%
PDSSHGRQWR6\VWHP
LQWHUIDFH
[
[)))
[)))
5$0ELWEDQG
DOLDVUHJLRQ
PDSSHGRQWR6\VWHP
LQWHUIDFH
QRWXVHG
[
[
)ODVK
5$0
3HULSKHUDO
5HJLVWHUV
PDSSHGRQWR6\VWHP
LQWHUIDFH
5HJLVWHUELWEDQG
DOLDVUHJLRQ
PDSSHGRQWR6\VWHP
LQWHUIDFH
QRWXVHG
[
[;;;
[
[;;;
1RWXVHG
3ULYDWHSHULSKEXVLQWHUQDO
1RWXVHG
3ULYDWHSHULSKEXVH[WHUQDO
1RWXVHG
1RWXVHG
1RWXVHG
[(
,70
':7
)3%
19,&
73,8
520WDEOH
[(
[(
[(
[((
[()
[())))
[(
[(
[(
[())
[()))))
[(
[
[
[
[
[$
[))))))))
[')))))))
[)))))))
[)))))))
[)))))))
[)))))))
)L[HG,QIR%ORFNN%
&XVWRPHU,QIR%ORFNN%
[
[))
[)))
[
0DLQ)ODVK%ORFN
N%
8SSHUPDSSLQJ
%RRWPRGH
[
[))))
[))))
)L[HG,QIR%ORFNN%
2SWLRQDOERRW PRGH
PDSV )L[HG,QIR%ORFN
WR WKHVWDUWRIPHPRU\
[))
1RWXVHG
1RWXVHG
)L[HG,QIR%ORFN([WHQVLRQ
N%
[
[)))

Embedded memory STM32W108HB STM32W108CB STM32W108CC STM32W108CZ
34/289 DocID16252 Rev 16
Table 3. STM32W108xx peripheral register boundary addresses
Bus Boundary address Peripheral Register map
APB
0x4000 F000 - 0x4000 FFFF General-purpose timer 2
(TIM2)
Table 10.3.20: General-
purpose timers 1 and 2
(TIM1/TIM2) register
map
0x4000 E000 - 0x4000 EFFF General-purpose timer 1
(TIM1)
Table 10.3.20: General-
purpose timers 1 and 2
(TIM1/TIM2) register
map
0x4000 D025 - 0x4000 DFFF Reserved -
0x4000 D000 - 0x4000 D024 Analog-to-digital converter
(ADC)
Table 11.3.12: Analog-
to-digital converter
(ADC) register map
0x4000 C871 - 0x4000 CFFF Reserved -
0x4000 C800 - 0x4000 C870 Serial interface
(SC1)
Table 9.12.17: Serial
interface (SC1/SC2)
register map
0x4000 C071 - 0x4000 C7FF Reserved -
0x4000 C000 - 0x4000 C070 Serial interface
(SC2)
Table 9.12.17: Serial
interface (SC1/SC2)
register map
0x4000 B000 - 0x4000 BFFF
General-purpose
input/output
(GPIO)
Table 8.5.13: General-
purpose input/output
(GPIO) register map
0x4000 A000 - 0x4000 AFFF Management interrupt
(MGMT)
Table 12.2.3:
Management interrupt
(MGMT) register map
0x4000 6025 - 0x4000 9FFF Reserved -
0x4000 600C - 0x4000 6024 Sleeptimer
(SLPTMR)
MAC timer
(MACTMR)/Watchdog
(WDG)/Sleeptimer(SLP
TMR) register map
0x4000 6009 - 0x4000 600B Reserved -
0x4000 6000 - 0x4000 6008 Watchdog
(WDG)
MAC timer
(MACTMR)/Watchdog
(WDG)/Sleeptimer(SLP
TMR) register map
0x4000 5000 - 0x4000 5FFF Memory controller
(MEM)
Memory controller
(MEM) register map
0x4000 4021 - 0x4000 4FFF Reserved -
0x4000 4000 - 0x4000 4020 Clock switching
(CLK)
Clock switching (CLK)
register map
0x4000 3000 - 0x4000 3FFF Reserved -

DocID16252 Rev 16 35/289
STM32W108HB STM32W108CB STM32W108CC STM32W108CZ Embedded memory
286
4.2 Flash memory
The STM32W108 provides Flash memory in four separate blocks as follows:
•Main Flash Block (MFB)
•Fixed Information Block (FIB)
•Fixed Information Block Extension (FIB-EXT)
•Customer Information Block (CIB)
The size of these blocks and associated page size is described in Table 4.
The smallest erasable unit is one page and the smallest writable unit is an aligned 16-bit
half-word. The Flash is guaranteed to have 10k write/erase cycles. The Flash cell has been
qualified for a data retention time of >100 years at room temperature.
APB
0x4000 2000 - 0x4000 2FFF MAC timer
(MACTMR)
MAC timer
(MACTMR)/Watchdog
(WDG)/Sleeptimer(SLP
TMR) register map
0x4000 1000 - 0x4000 1FFF Reserved -
0x4000 0000 - 0x4000 0FFF Power management
(PWR)
Power management
(PWR) register map
0x2000 4000 - 0x3FFF FFFF Reserved -
0x2000 0000 - 0x2000 3FFF SRAM -
0x0804 0000 - 0x1FFF FFFF Reserved -
0x0800 0000 - 0x0803 FFFF Main Flash memory
(256 Kbyte) -
Table 3. STM32W108xx peripheral register boundary addresses (continued)
Bus Boundary address Peripheral Register map
Table 4. Flash memory
STM32W108xB STM32W108CC STM32W108CZ Unit
Size Page size Size Page size Size Page size
MFB 128 1 256 2 192 2 Kbyte
FIB 222222Kbyte
CIB 0.50.52222Kbyte
FIB-EXT 0N/A162162Kbyte
Total 130.5 276 212 Kbyte

Embedded memory STM32W108HB STM32W108CB STM32W108CC STM32W108CZ
36/289 DocID16252 Rev 16
Flash may be programmed either through the Serial Wire/JTAG interface or through
bootloader software. Programming Flash through Serial Wire/JTAG requires the assistance
of RAM-based utility code. Programming through a bootloader requires specific software for
over-the-air loading or serial link loading. A simplified, serial-link-only bootloader is also
available preprogrammed into the FIB.
4.3 Random-access memory
The STM32W108xx has 8/12/16 Kbyte of static RAM on-chip. The start of RAM is mapped
to address 0x20000000. Although the ARM® Cortex®-M3 allows bit band accesses to this
address region, the standard MPU configuration does not permit use of the bit-band feature.
The RAM is physically connected to the AHB System bus and is therefore accessible to
both the ARM® Cortex®-M3 microprocessor and the debugger. The RAM can be accessed
for both instruction and data fetches as bytes, half words, or words. The standard MPU
configuration does not permit execution from the RAM, but for special purposes, such as
programming the main Flash block, the MPU may be disabled. To the bus, the RAM
appears as 32-bit wide memory and in most situations has zero wait state read or write
access. In the higher CPU clock mode the RAM requires two wait states. This is handled by
hardware transparent to the user application with no configuration required.
4.3.1 Direct memory access (DMA) to RAM
Several of the peripherals are equipped with DMA controllers allowing them to transfer data
into and out of RAM autonomously. This applies to the radio (802.15.4 MAC), general
purpose ADC, and both serial controllers. In the case of the serial controllers, the DMA is full
duplex so that a read and a write to RAM may be requested at the same time. Thus there
are six DMA channels in total.
The STM32W108xx integrates a DMA arbiter that ensures fair access to the microprocessor
as well as the peripherals through a fixed priority scheme appropriate to the memory
bandwidth requirements of each master. The priority scheme is as follows, with the top
peripheral being the highest priority:
1. General Purpose ADC
2. Serial Controller 2 Receive
3. Serial Controller 2 Transmit
4. MAC
5. Serial Controller 1 Receive
6. Serial Controller 1 Transmit

DocID16252 Rev 16 37/289
STM32W108HB STM32W108CB STM32W108CC STM32W108CZ Embedded memory
286
4.3.2 RAM memory protection
The STM32W108xx integrates two memory protection mechanisms. The first memory
protection mechanism is through the ARM® Cortex®-M3 Memory Protection Unit (MPU)
described in the Memory Protection Unit section. The MPU may be used to protect any area
of memory. MPU configuration is normally handled by software. The second memory
protection mechanism is through a fine granularity RAM protection module. This allows
segmentation of the RAM into blocks where any block can be marked as write protected. An
attempt to write to a protected RAM block using a user mode write results in a bus error
being signaled on the AHB System bus. A system mode write is allowed at any time and
reads are allowed in either mode. The main purpose of this fine granularity RAM protection
module is to notify the stack of erroneous writes to system areas of memory. RAM protection
is configured using a group of registers that provide a bit map. Each bit in the map
represents a 32-byte block of RAM for STM32W108xB and 64 bytes of RAM for
STM32W108CC and STM32W108CZ.When the bit is set the block is write protected.
The fine granularity RAM memory protection mechanism is also available to the peripheral
DMA controllers. A register bit is provided to enable the memory protection to include DMA
writes to protected memory. If a DMA write is made to a protected location in RAM, a
management interrupt is generated. At the same time the faulting address and the
identification of the peripheral is captured for later debugging. Note that only peripherals
capable of writing data to RAM, such as received packet data or a received serial port
character, can generate this interrupt.
4.3.3 Memory controller
The STM32W108xx allows the RAM and DMA protection to be controlled using the memory
controller interface. The chip contains eight RAM protection registers and two DMA
protection registers. In addition, the chip contains a register, RAM_CR, for enabling the
protection of the memory.

Embedded memory STM32W108HB STM32W108CB STM32W108CC STM32W108CZ
38/289 DocID16252 Rev 16
4.3.4 Memory controller registers
RAM is divided into 32 byte pages. Each page has a register bit that, when set, protects it
from being written in user mode. The protection registers (MEM_PROT) are arranged in the
register map as a 256-bit vector. Bit 0 of this vector protects page 0 which begins at location
0x2000 0000 and ends at 0x2000 001F. Bit 255 of this vector protects the top page which
starts at 0x20001FE0 and ends at 0x2000 1FFF.
Memory RAM protection register x (RAM_PROTRx)
Address: 0x 4000 5000 (RAM_PROTR1), 0x 4000 5004 (RAM_PROTR2),
0x 4000 5008 (RAM_PROTR3), 0x 4000 500C (RAM_PROTR4),
0x 4000 5010 (RAM_PROTR5), 0x 4000 5014 (RAM_PROTR6),
0x 4000 5018(RAM_PROTR7), and 0x 4000 501C (RAM_PROTR8).
Reset value: 0x0000 0000
31 30 29 28 27 26 25 24 23 22 21 20 19 18 17 16
Memory page protection x[31:16
rw rw rw rw rw rw rw rw rw rw rw rw rw rw rw rw
1514131211109876543210
Memory page protection x[15:0]
rw rw rw rw rw rw rw rw rw rw rw rw rw rw rw rw
Bits 31:0 Memory page protection x[31:0]:
Bit 0 in the RAM_PROTR1 protects page 0
…
Bit 31 in the RAM_PROTR1 protects page 31
Bit 0 in the RAM_PROTR2 protects page 32
…
Bit 31 in the RAM_PROTR2 protects page 63
Bit 0 in the RAM_PROTR3 protects page 64
…
Bit 31 in the RAM_PROTR3 protects page 95
Bit 0 in the RAM_PROTR4 protects page 96
…
Bit 31 in the RAM_PROTR4 protects page 127
Bit 0 in the RAM_PROTR5 protects page 128
…
Bit 31 in the RAM_PROTR5 protects page 159
Bit 0 in the RAM_PROTR6 protects page 160
…
Bit 31 in the RAM_PROTR6 protects page 191
Bit 0 in the RAM_PROTR7 protects page 192
…
Bit 31 in the RAM_PROTR7 protects page 223
Bit 0 in the RAM_PROTR8 protects page 224
….
Bit 31 in the RAM_PROTR8 protects page 255

DocID16252 Rev 16 39/289
STM32W108HB STM32W108CB STM32W108CC STM32W108CZ Embedded memory
286
Memory DMA protection register 1 (DMA_PROTR1)
Address: 0x 4000 5020
Reset value: 0x2000 0000
Memory DMA protection register 2 (DMA_PROTR2)
Address: 0x 4000 5024
Reset value: 0x0000 0000
31 30 29 28 27 26 25 24 23 22 21 20 19 18 17 16
Offset[18:3]
r r r r r r r r r r r r r r r r
15 14 13 12 11 10 9 8 7 6 5 4 3 2 1 0
Offset[2:0] Address[11:0]
Reserved
r r r r r r r r r r r r r r r
Bits 31:13 Offset[18:0]:
Offset in RAM
Bits 12:1 Offset[11:0]:
DMA protection fault, faulting address.
Bit 0 Reserved, must be kept at reset value
31 30 29 28 27 26 25 24 23 22 21 20 19 18 17 16
Reserved
15 14 13 12 11 10 9 8 7 6 5 4 3 2 1 0
Reserved
Channel[2:0]
r r r
Bits 31:3 Reserved, must be kept at reset value
Bits 2:0 Channel[2:0]: Channel encoding
7: Not used
6: Not used
5: SC2_RX
4: Not used
3: ADC
2: Not used
1: SC1_RX
0: Not used

Embedded memory STM32W108HB STM32W108CB STM32W108CC STM32W108CZ
40/289 DocID16252 Rev 16
Memory RAM control register (RAM_CR)
Address: 0x 4000 5028
Reset value: 0x0000 0000
31 30 29 28 27 26 25 24 23 22 21 20 19 18 17 16
Reserved
15 14 13 12 11 10 9 8 7 6 5 4 3 2 1 0
Reserved
WEN
Reserved
rw
Bits 31:3 Reserved, must be kept at reset value
Bit 2 WEN: Makes all RAM writes appear as user mode
Bits 1:0 Reserved, must be kept at reset value

DocID16252 Rev 16 41/289
STM32W108HB STM32W108CB STM32W108CC STM32W108CZ Embedded memory
286
Memory controller (MEM) register map
Table 5 gives the MEM register map and reset values.
Refer to Figure 4: STM32W108xB memory mapping, Figure 5: STM32W108CC and
STM32W108CZ memory mapping, and Table 3: STM32W108xx peripheral register
boundary addresses for the register boundary addresses of the peripherals available in all
STM32W108xx devices.
Table 5. MEM register map and reset values
Offset Register
31
30
29
28
27
26
25
24
23
22
21
20
19
18
17
16
15
14
13
12
11
10
9
8
7
6
5
4
3
2
1
0
0x5000 RAM_PROTR1 Memory page protection 1[31:0]
Reset value 00000000000000000000000000000000
0x5004 RAM_PROTR2 Memory page protection 2[31:0]
Reset value 00000000000000000000000000000000
0x5008 RAM_PROTR3 Memory page protection 3[31:0]
Reset value 00000000000000000000000000000000
0x500C RAM_PROTR4 Memory protection 4[31:0]
Reset value 00000000000000000000000000000000
0x5010 RAM_PROTR5 Memory protection 5[31:0]
Reset value 00000000000000000000000000000000
0x5014 RAM_PROTR6 Memory protection 6[31:0]
Reset value 00000000000000000000000000000000
0x5018 RAM_PROTR7 Memory protection 7[31:0]
Reset value 00000000000000000000000000000000
0x501C RAM_PROTR8 Memory protection 8[31:0]
Reset value 00000000000000000000000000000000
0x5020 DMA_PROTR1 Offset[18:0] Address[11:0]
Res.
Reset value 0010000000000000000000000000000
0x5024 DMA_PROTR2
Res.
Res.
Res.
Res.
Res.
Res.
Res.
Res.
Res.
Res.
Res.
Res.
Res.
Res.
Res.
Res.
Res.
Res.
Res.
Res.
Res.
Res.
Res.
Res.
Res.
Res.
Res.
Res.
Channel[2:0]
Reset value 0000
0x5028 RAM_CR
Res.
Res.
Res.
Res.
Res.
Res.
Res.
Res.
Res.
Res.
Res.
Res.
Res.
Res.
Res.
Res.
Res.
Res.
Res.
Res.
Res.
Res.
Res.
Res.
Res.
Res.
Res.
Res.
Res.
WEN
Res.
Res.
Reset value 0

Embedded memory STM32W108HB STM32W108CB STM32W108CC STM32W108CZ
42/289 DocID16252 Rev 16
4.4 Memory protection unit
The STM32W108xx includes the ARM® Cortex®-M3 Memory Protection Unit, or MPU. The
MPU controls access rights and characteristics of up to eight address regions, each of
which may be divided into eight equal sub-regions. Refer to the ARM® Cortex®-M3
Technical Reference Manual (DDI 0337A) for a detailed description of the MPU.
ST software configures the MPU in a standard configuration and application software should
not modify it. The configuration is designed for optimal detection of illegal instruction or data
accesses. If an illegal access is attempted, the MPU captures information about the access
type, the address being accessed, and the location of the offending software. This simplifies
software debugging and increases the reliability of deployed devices. As a consequence of
this MPU configuration, accessing RAM and register bit-band address alias regions is not
permitted, and generates a bus fault if attempted.

DocID16252 Rev 16 43/289
STM32W108HB STM32W108CB STM32W108CC STM32W108CZ Radio frequency module
286
5 Radio frequency module
The radio module consists of an analog front end and digital baseband as shown in
Figure 1: STM32W108xx block diagram.
5.1 Receive (Rx) path
The Rx path uses a low-IF, super-heterodyne receiver that rejects the image frequency
using complex mixing and polyphase filtering. In the analog domain, the input RF signal
from the antenna is first amplified and mixed down to a 4 MHz IF frequency. The mixers'
output is filtered, combined, and amplified before being sampled by a 12 Msps ADC. The
digitized signal is then demodulated in the digital baseband. The filtering within the Rx path
improves the STM32W108xx's co-existence with other 2.4 GHz transceivers such as IEEE
802.15.4, IEEE 802.11g, and Bluetooth radios. The digital baseband also provides gain
control of the Rx path, both to enable the reception of small and large wanted signals and to
tolerate large interferers.
5.1.1 Rx baseband
The STM32W108xx Rx digital baseband implements a coherent demodulator for optimal
performance. The baseband demodulates the O-QPSK signal at the chip level and
synchronizes with the IEEE 802.15.4-defined preamble. An automatic gain control (AGC)
module adjusts the analog gain continuously every ¼ symbol until the preamble is detected.
Once detected, the gain is fixed for the remainder of the packet. The baseband despreads
the demodulated data into 4-bit symbols. These symbols are buffered and passed to the
hardware-based MAC module for packet assembly and filtering.
In addition, the Rx baseband provides the calibration and control interface to the analog Rx
modules, including the LNA, Rx baseband filter, and modulation modules. The ST RF
software driver includes calibration algorithms that use this interface to reduce the effects of
silicon process and temperature variation.
5.1.2 RSSI and CCA
The STM32W108xx calculates the RSSI over every 8-symbol period as well as at the end of
a received packet. The linear range of RSSI is specified to be at least 40 dB over
temperature. At room temperature, the linear range is approximately 60 dB (-90 dBm to -30
dBm input signal).
The STM32W108xx Rx baseband provides support for the IEEE 802.15.4-2003 RSSI CCA
method, Clear channel reports busy medium if RSSI exceeds its threshold.

Radio frequency module STM32W108HB STM32W108CB STM32W108CC STM32W108CZ
44/289 DocID16252 Rev 16
5.2 Transmit (Tx) path
The STM32W108xx Tx path produces an O-QPSK-modulated signal using the analog front
end and digital baseband. The area- and power-efficient Tx architecture uses a two-point
modulation scheme to modulate the RF signal generated by the synthesizer. The modulated
RF signal is fed to the integrated PA and then out of the STM32W108xx.
5.2.1 Tx baseband
The STM32W108xx Tx baseband in the digital domain spreads the 4-bit symbol into its
IEEE 802.15.4-2003-defined 32-chip sequence. It also provides the interface for software to
calibrate the Tx module to reduce silicon process, temperature, and voltage variations.
5.2.2 TX_ACTIVE and nTX_ACTIVE signals
For applications requiring an external PA, two signals are provided called TX_ACTIVE and
nTX_ACTIVE. These signals are the inverse of each other. They can be used for external
PA power management and RF switching logic. In transmit mode the Tx baseband drives
TX_ACTIVE high, as described in Table 17: GPIO signal assignments on page 99. In
receive mode the TX_ACTIVE signal is low. TX_ACTIVE is the alternate function of PC5,
and nTX_ACTIVE is the alternate function of PC6. See Section 8: General-purpose
input/output on page 92 for details of the alternate GPIO functions.
5.3 Calibration
The ST RF software driver calibrates the radio using dedicated hardware resources.
5.4 Integrated MAC module
The STM32W108xx integrates most of the IEEE 802.15.4 MAC requirements in hardware.
This allows the ARM® Cortex®-M3 CPU to provide greater bandwidth to application and
network operations. In addition, the hardware acts as a first-line filter for unwanted packets.
The STM32W108xx MAC uses a DMA interface to RAM to further reduce the overall ARM®
Cortex®-M3 CPU interaction when transmitting or receiving packets.
When a packet is ready for transmission, the software configures the Tx MAC DMA by
indicating the packet buffer RAM location. The MAC waits for the backoff period, then
switches the baseband to Tx mode and performs channel assessment. When the channel is
clear the MAC reads data from the RAM buffer, calculates the CRC, and provides 4-bit
symbols to the baseband. When the final byte has been read and sent to the baseband, the
CRC remainder is read and transmitted.
The MAC is in Rx mode most of the time. In Rx mode various format and address filters
keep unwanted packets from using excessive RAM buffers, and prevent the CPU from
being unnecessarily interrupted. When the reception of a packet begins, the MAC reads 4-
bit symbols from the baseband and calculates the CRC. It then assembles the received data
for storage in a RAM buffer. Rx MAC DMA provides direct access to RAM. Once the packet
has been received additional data, which provides statistical information on the packet to the
software stack, is appended to the end of the packet in the RAM buffer space.

DocID16252 Rev 16 45/289
STM32W108HB STM32W108CB STM32W108CC STM32W108CZ Radio frequency module
286
The primary features of the MAC are:
•CRC generation, appending, and checking
•Hardware timers and interrupts to achieve the MAC symbol timing
•Automatic preamble and SFD pre-pending on Tx packets
•Address recognition and packet filtering on Rx packets
•Automatic acknowledgement transmission
•Automatic transmission of packets from memory
•Automatic transmission after backoff time if channel is clear (CCA)
•Automatic acknowledgement checking
•Time stamping received and transmitted messages
•Attaching packet information to received packets (LQI, RSSI, gain, time stamp, and
packet status)
•IEEE 802.15.4 timing and slotted/unslotted timing
5.5 Packet trace interface (PTI)
The STM32W108xx integrates a true PHY-level PTI for effective network-level debugging. It
monitors all the PHY Tx and Rx packets between the MAC and baseband modules without
affecting their normal operation. It cannot be used to inject packets into the PHY/MAC
interface. This 500 kbps asynchronous interface comprises the frame signal (PTI_EN, PA4)
and the data signal (PTI_DATA, PA5).
5.6 Random number generator
Thermal noise in the analog circuitry is digitized to provide entropy for a true random
number generator (TRNG). The TRNG produces 16-bit uniformly distributed numbers. The
Software can use the TRNG to seed a pseudo random number generator (PNRG). The
TRNG is also used directly for cryptographic key generation.

System modules STM32W108HB STM32W108CB STM32W108CC STM32W108CZ
46/289 DocID16252 Rev 16
6 System modules
System modules encompass power, resets, clocks, system timers, power management, and
encryption. Figure 6 shows these modules and how they interact.
Figure 6. System module block diagram
069
Q5(6(7
9''B3$'6
95(*B 287
9''B&25(
9''B0(0
325+9
325/9FRUH
325/9PHP
95(* B 9
95(* B 9
DOZD\VRQVXSSO\
PHPVXSSO\
FRUHVXSSO\ 325 /9
325 +9
5HVHW)LOWHU
5H V HW *HQ HU DW LR Q
([WHUQDO
5HJXODWRU
RSWLRQDO
FRQQHFWLRQVIRU
H[WHUQDOUHJXODWRU
/6,.
/6(26&
',9/6,.
/6(
26&B287
26&B,1
-567
DOZD\VRQGRPDLQ
325 (6 (7
6<6 5(6( 7
'$35(6(7
PHPGRPDLQ
&RU WH[ 0
'HEXJ
$+% $3
6<65(6(75(4
FRUHGRPDLQ
&RUWH[0
&38
)/,7)
R SWL R QE \ WH HU UR U
)ODVK
5$0
+6(26&
+6,
26&B287
26&B,1
FORFNVZLWFK
6&/.
&'%*5675(4
3RZHU0DQDJHPHQW
:DWFKGRJ6OHHS7LPHU ZDWFKGRJ
GHHSVOHHS
ZDNHXS
5(*B(1
UHFRPHQGHG
FRQQHFWLRQVIRU
LQWHUQDOUHJXODWRU
35(6(7 +9
35(6(7 /9
UHJLVWHUV
UHJLVWHUV
6HFXUL W\$FFHOHU DWRU
6:-
5HVHW5HFRUGLQJ
:DNHXS5HFRUGLQJ
*3,2ZDNHPRQLWRULQJ
3$
3%
,54'
VOHHSWLPHUFRPSDUHE
:$ .(B &2 5(
&'%*3:5835(4
&6 < 63 :5 8 3 5 (4
VOHHSWLPHUFRPSDUHD
VOHHSWLPHUZUDS

DocID16252 Rev 16 47/289
STM32W108HB STM32W108CB STM32W108CC STM32W108CZ System modules
286
6.1 Power domains
The STM32W108xx contains three power domains:
•An "always on domain" containing all logic and analog cells required to manage the
STM32W108xx's power modes, including the GPIO controller and sleep timer. This
domain must remain powered.
•A "core domain" containing the CPU, Nested Vectored Interrupt Controller (NVIC), and
peripherals. To save power, this domain can be powered down using a mode called
deep sleep.
•A "memory domain" containing the RAM and Flash memories. This domain is managed
by the power management controller. When in deep sleep, the RAM portion of this
domain is powered from the always-on domain supply to retain the RAM contents while
the regulators are disabled. During deep sleep the Flash portion is completely powered
down.
6.1.1 Internally regulated power
The preferred and recommended power configuration is to use the internal regulated power
supplies to provide power to the core and memory domains. The internal regulators
(VREG_1V25 and VREG_1V8) generate nominal 1.25 V and 1.8 V supplies. The 1.25 V
supply is internally routed to the core domain and to an external pin. The 1.8 V supply is
routed to an external pin where it can be externally routed back into the chip to supply the
memory domain. The internal regulators are described in Section 7: Integrated voltage
regulator on page 90.
When using the internal regulators, the always-on domain must be powered between 2.1 V
and 3.6 V at all four VDD_PADS pins.
When using the internal regulators, the VREG_1V8 regulator output pin (VREG_OUT) must
be connected to the VDD_MEM, VDD_PADSA, VDD_VCO, VDD_RF, VDD_IF, VDD_PRE,
and VDD_SYNTH pins.
When using the internal regulators, the VREG_1V25 regulator output and supply requires a
connection between both VDD_CORE pins.
6.1.2 Externally regulated power
Optionally, the on-chip regulators may be left unused, and the core and memory domains
may instead be powered from external supplies. For simplicity, the voltage for the core
domain can be raised to nominal 1.8 V, requiring only one external regulator. Note that if the
core domain is powered at a higher voltage (1.8 V instead of 1.25 V) then power
consumption increases. A regulator enable signal, REG_EN, is provided for control of
external regulators. This is an open-drain signal that requires an external pull-up resistor. If
REG_EN is not required to control external regulators it can be disabled (see Section 8.1.3:
Forced functions on page 95).
Using an external regulator requires the always-on domain to be powered between 1.8 V
and 3.6 V at all four VDD_PADS pins.
When using an external regulator, the VREG_1V8 regulator output pin (VREG_OUT) must
be left unconnected.
When using an external regulator, this external nominal 1.8 V supply has to be connected to
both VDD_CORE pins and to the VDD_MEM, VDD_PADSA, VDD_VCO, VDD_RF, VDD_IF,
VDD_PRE and VDD_SYNTH pins.

System modules STM32W108HB STM32W108CB STM32W108CC STM32W108CZ
48/289 DocID16252 Rev 16
6.2 Resets
The STM32W108xx resets are generated from a number of sources. Each of these reset
sources feeds into central reset detection logic that causes various parts of the system to be
reset depending on the state of the system and the nature of the reset event.
6.2.1 Reset sources
For power-on reset (POR HV and POR LV) thresholds, see Section 14.3.2: Operating
conditions at power-up on page 249.
Watchdog reset
The STM32W108xx contains a watchdog timer (see also the Watchdog Timer section) that
is clocked by the internal 1 kHz timing reference. When the timer expires it generates the
reset source WATCHDOG_RESET to the Reset Generation module.
Software reset
The ARM® Cortex®-M3 CPU can initiate a reset under software control. This is indicated
with the reset source SYSRESETREQ to the Reset Generation module.
Note: When using certain external debuggers, the chip may lock up require a pin reset or power
cycle if the debugger asserts SYSRESETREQ. It is recommended not to write to the
SCS_AIRCR register directly from application code. The ST software provides a reset
function that should be used instead. This reset function ensures that the chip is in a safe
clock mode prior to triggering the reset.
Option byte error
The Flash memory controller contains a state machine that reads configuration information
from the information blocks in the Flash at system start time. An error check is performed on
the option bytes that are read from Flash and, if the check fails, an error is signaled that
provides the reset source OPT_BYTE_ERROR to the Reset Generation module.
If an option byte error is detected, the system restarts and the read and check process is
repeated. If the error is detected again the process is repeated but stops on the 3rd failure.
The system is then placed into an emulated deep sleep where recovery is possible. In this
state, Flash memory readout protection is forced active to prevent secure applications from
being compromised.
Debug reset
The Serial Wire/JTAG Interface (SWJ) provides access to the SWJ Debug Port (SWJ-DP)
registers. By setting the register bit CDBGRSTREQ in the SWJ-DP, the reset source
CDBGRSTREQ is provided to the Reset Generation module.
JTAG reset
One of the STM32W108xx's pins can function as the JTAG reset, conforming to the
requirements of the JTAG standard. This input acts independently of all other reset sources
and, when asserted, does not reset any on-chip hardware except for the JTAG TAP. If the
STM32W108xx is in the Serial Wire mode or if the SWJ is disabled, this input has no effect.

DocID16252 Rev 16 49/289
STM32W108HB STM32W108CB STM32W108CC STM32W108CZ System modules
286
Deep sleep reset
The Power Management module informs the Reset Generation module of entry into and exit
from the deep sleep states. The deep sleep reset is applied in the following states: before
entry into deep sleep, while removing power from the memory and core domain, while in
deep sleep, while waking from deep sleep, and while reapplying power until reliable power
levels have been detect by POR LV.
The Power Management module allows a special emulated deep sleep state that retains
memory and core domain power while in deep sleep.
6.2.2 Reset recording
The STM32W108xx records the last reset condition that generated a restart to the system.
The reset conditions recorded are:
•PWRHV Always-on domain power supply failure
•PWRLV Core or memory domain power supply failure
•RSTB NRST pin asserted
•WDG Watchdog timer expired
•SWRST Software reset by SYSERSETREQ from ARM® Cortex®-M3
CPU
•WKUP Wake-up from deep sleep
•OBFAIL Error check failed when reading option bytes from Flash
memory
The Reset status register (RST_SR) is used to read back the last reset event. All bits are
mutually exclusive except the OBFAIL bit which preserves the original reset event when set.
Note: While CPU Lockup is marked as a reset condition in software, CPU Lockup is not
specifically a reset event. CPU Lockup is set to indicate that the CPU entered an
unrecoverable exception. Execution stops but a reset is not applied. This is so that a
debugger can interpret the cause of the error. We recommend that in a live application (i.e.
no debugger attached) the watchdog be enabled by default so that the STM32W108xx can
be restarted.

System modules STM32W108HB STM32W108CB STM32W108CC STM32W108CZ
50/289 DocID16252 Rev 16
6.2.3 Reset generation
The Reset Generation module responds to reset sources and generates the following reset
signals:
•PORESET Reset of the ARM® Cortex®-M3 CPU and ARM® Cortex®-M3
System Debug components (Flash Patch and Breakpoint,
Data Watchpoint and Trace, Instrumentation Trace Macrocell,
Nested Vectored Interrupt Controller). ARM defines
PORESET as the region that is reset when power is applied.
•SYSRESET Reset of the ARM® Cortex®-M3 CPU without resetting the
Core Debug and System Debug components, so that a live
system can be reset without disturbing the debug
configuration.
•DAPRESET Reset to the SWJ's AHB Access Port (AHB-AP).
•PRESETHV Peripheral reset for always-on power domain, for peripherals
that are required to retain their configuration across a deep
sleep cycle.
•PRESETLV Peripheral reset for core power domain, for peripherals that
are not required to retain their configuration across a deep
sleep cycle.
Table 6 shows which reset sources generate certain resets.
Table 6. Generated resets
Reset source Reset generation
PORESET SYSRESET DAPRESET PRESETHV PRESETLV
POR HV XXXXX
POR LV (in deep sleep) X X X - X
POR LV (not in deep
sleep) XXXXX
RSTB X X - X X
Watchdog reset - X - X X
Software reset - X - X X
Option byte error X X - - X
Normal deep sleep X X X - X
Emulated deep sleep - X - - X
Debug reset - X - - -

DocID16252 Rev 16 51/289
STM32W108HB STM32W108CB STM32W108CC STM32W108CZ System modules
286
6.2.4 Reset register
Reset status register (RST_SR)
Address offset: 0x4000 002C
Reset value: 0x0000 0001
31 30 29 28 27 26 25 24 23 22 21 20 19 18 17 16
Reserved
15 14 13 12 11 10 9 8 7 6 5 4 3 2 1 0
Reserved
LKUP OBFAIL WKUP SWRST WDG PIN PWRLV PWRHV
rr r rrrr r
Bits 31:8 Reserved, must be kept at reset value
Bit 7 LKUP:
When set to ‘1’, the reset is due to core lockup.
Bit 6 OBFAIL:
When set to ‘1’, the reset is due to an Option byte load failure (may be set with other bits).
Bit 5 WKUP:
When set to ‘1’, the reset is due to a wake-up from deep sleep.
Bit 4 SWRST:
When set to ‘1’, the reset is due to a software reset.
Bit 3 WDG:
When set to ‘1’, the reset is due to watchdog expiration.
Bit 2 PIN:
When set to ‘1’, the reset is due to an external reset pin signal.
Bit 1 PWRLV:
When set to ‘1’, the reset is due to the application of a Core power supply (or previously
failed).
Bit 0 PWRHV:
Always set to ‘1’, Normal power applied.

System modules STM32W108HB STM32W108CB STM32W108CC STM32W108CZ
52/289 DocID16252 Rev 16
Reset (RST) register map
Table 7 gives the RST register map and reset values.
Refer to Figure 4: STM32W108xB memory mapping, Figure 5: STM32W108CC and
STM32W108CZ memory mapping, and Table 3: STM32W108xx peripheral register
boundary addresses for the register boundary addresses of the peripherals available in all
STM32W108xx devices.
Table 7. RST register map and reset values
Offset Register
31
30
29
28
27
26
25
24
23
22
21
20
19
18
17
16
15
14
13
12
11
10
9
8
7
6
5
4
3
2
1
0
0x002C RST_SR
Res.
Res.
Res.
Res.
Res.
Res.
Res.
Res.
Res.
Res.
Res.
Res.
Res.
Res.
Res.
Res.
Res.
Res.
Res.
Res.
Res.
Res.
Res.
Res.
LKUP
OBFAIL
WKUP
SWRST
WDG
PIN
PWRLV
PWRHV
Reset value 00000000

DocID16252 Rev 16 53/289
STM32W108HB STM32W108CB STM32W108CC STM32W108CZ System modules
286
6.3 Clocks
The STM32W108xx integrates four oscillators:
•High frequency RC oscillator (HSI)
•24 MHz crystal oscillator (HSE)
•10 kHz LSI RC oscillator (LSI10K)
•32.768 kHz crystal oscillator (LSE)
Note: The LSI1K clock is generated from the 10 kHz LSI RC oscillator (LSI10K). The default value
is a divide by 10 for a nominal 1 kHz output clock.

System modules STM32W108HB STM32W108CB STM32W108CC STM32W108CZ
54/289 DocID16252 Rev 16
Figure 7 shows a block diagram of the clocks in the STM32W108xx. This simplified view
shows all the clock sources and the general areas of the chip to which they are routed.
Figure 7. Clocks block diagram
069
3&/.
/6(26&
EXV
3URGXFHV 0+]
RU0+]
6&/.
/6,. /6,.
RVFLOODWRU
)DLORYHUPRQLWRU
VHOHFWV5&ZKHQ
;7$/IDLOV
+6,
+6(26&
)&/. &38
EXV
5$0&75/ 5$0
EXV
EXV
)/,7) )ODVK
&/.B+6(&5B6:
6\V7LFNB&75/B&/.6285&(
6/3705 B&5B&/.6(/
&RUH'HEXJB'(0&5B75&(1$
7,0B60&5B606>@
7,0B25B(;75,*6(/>@
7,0[&/.
GLJLWDOLQ
0+]
+6,5&
0+]
+6(26&
N+]
/6,5&
N+]
GLJLWDOLQ
A1
RVFLOODWRU
&/.B6/((3&5B/6((1
N+]
/6(26&
0$&7LPHU
FRXQWHU
6&[
5$7(*(1
6\V7LFN
FRXQWHU
7,0[
FRXQWHU
$'&
6LJPD'HOWD
6OHHS7LPHU
FRXQWHU
:DWFKGRJ
FRXQWHU
$1'
75$&(&/.
GLJLWDORXW
6&[6&/.
GLJLWDOL R
1
QRPLQDO
6/3705B&5B36&>@
$'&B&5B&/.
&/.B+6(&5B(1
&/.B&5B6:

DocID16252 Rev 16 55/289
STM32W108HB STM32W108CB STM32W108CC STM32W108CZ System modules
286
6.3.1 High-frequency internal RC oscillator (HSI)
The high-frequency RC oscillator (HSI) is used as the default system clock source when
power is applied to the core domain. The nominal frequency coming out of reset is 12 MHz.
Most peripherals, excluding the radio peripheral, are fully functional using the HSI clock
source. Application software must be aware that peripherals are clocked at different speeds
depending on whether HSI or HSE OSC is being used. Since the frequency step of HSI is
0.5 MHz and the high-frequency crystal oscillator is used for calibration, the calibrated
accuracy of HSI is ±250 kHz ±40 ppm. The UART and ADC peripherals may not be usable
due to the lower accuracy of the HSI frequency.
See also Section 14.6.1: High frequency internal clock characteristics on page 259.
6.3.2 High-frequency crystal oscillator (HSE OSC)
The high-frequency crystal oscillator (HSE OSC) requires an external 24 MHz crystal with
an accuracy of ±40 ppm. Based upon the application's bill of materials and current
consumption requirements, the external crystal may cover a range of ESR requirements.
The crystal oscillator has a software-programmable bias circuit to minimize current
consumption. ST software configures the bias circuit for minimum current consumption.
All peripherals including the radio peripheral are fully functional using the HSE OSC clock
source. Application software must be aware that peripherals are clocked at different speeds
depending on whether HSI or HSE OSC is being used.
If the 24 MHz crystal fails, a hardware failover mechanism forces the system to switch back
to the high-frequency RC oscillator as the main clock source, and a non-maskable interrupt
(NMI) is signaled to the ARM® Cortex®-M3 NVIC.
See also Section 14.6.2: High frequency external clock characteristics on page 259.
6.3.3 Low-frequency internal RC oscillator (LSI10K)
A low-frequency RC oscillator (LSI10K) is provided as an internal timing reference. The
nominal frequency coming out of reset is 10 kHz, and ST software calibrates this clock to
10 kHz. From the tuned 10 kHz oscillator (LSI10K) ST software calibrates a fractional-N
divider to produce a 1 kHz reference clock, LSI1K.
See also Section 14.6.3: Low frequency internal clock characteristics on page 260.
6.3.4 Low-frequency crystal oscillator (LSE OSC)
A low-frequency 32.768 kHz crystal oscillator (LSE OSC) is provided as an optional timing
reference for on-chip timers. This oscillator is designed for use with an external watch
crystal.
See also Section 14.6.4: Low frequency external clock characteristics on page 260.

System modules STM32W108HB STM32W108CB STM32W108CC STM32W108CZ
56/289 DocID16252 Rev 16
6.3.5 Clock switching
The STM32W108xx has two switching mechanisms for the main system clock, providing
four clock modes.
The register bit SW1 in the CLK_HSECR2 register switches between the high-frequency RC
oscillator (HSI) and the high-frequency crystal oscillator (HSE OSC) as the main system
clock (SCLK). The peripheral clock (PCLK) is always half the frequency of SCLK.
The register bit SW2 in the CLK_CPUCR register switches between PCLK and SCLK to
produce the ARM® Cortex®-M3 CPU clock (FCLK). The default and preferred mode of
operation is to run the CPU at the lower PCLK frequency, 12 MHz, but the higher SCLK
frequency, 24 MHz, can be selected to give higher processing performance at the expense
of an increase in power consumption.
In addition to these modes, further automatic control is invoked by hardware when Flash
programming is enabled. To ensure accuracy of the Flash controller's timers, the FCLK
frequency is forced to 12 MHz during Flash programming and erase operations.
Table 8. System clock modes
SW1 CLK_CPUCR SCLK PCLK
fCLK
Flash
Program/
Erase Inactive
Flash
Program/
Erase Active
0 (HSI) 0 (Normal CPU) 12 MHz 6 MHz 6 MHz 12 MHz
0 (HSI) 1 (Fast CPU) 12 MHz 6 MHz 12 MHz 12 MHz
1 (HSE OSC) 0 (Normal CPU) 24 MHz 12 MHz 12 MHz 12 MHz
1 (HSE OSC) 1 (Fast CPU) 24 MHz 12 MHz 24 MHz 12 MHz

DocID16252 Rev 16 57/289
STM32W108HB STM32W108CB STM32W108CC STM32W108CZ System modules
286
6.3.6 Clock switching registers
Clock sleep mode control register (CLK_SLEEPCR)
The sleep timer controls the low power clock gated modes.
Clearing the LSI10KEN bit in the CLK_SLEEPCR register before executing WFI with the
SLEEPDEEP bit set to '1' in the SCB_SCR register (for more details refer to the Cortex-M3
Programming manual PM0056) causes deep sleep 2 mode to be entered. Setting the
LSI10KEN bit in the CLK_SLEEPCR register causes deep sleep 1 mode to be entered.
Address: 0x4000 0008
Reset value: 0x0000 0002
Low-speed internal 10 KHz clock (LSI10K) control register (CLK_LSI10KCR)
Address: 0x4000 000C
Reset value: 0x0000 0000
31 30 29 28 27 26 25 24 23 22 21 20 19 18 17 16
Reserved
15 14 13 12 11 10 9 8 7 6 5 4 3 2 1 0
Reserved
LSI10KEN LSEEN
rw rw
Bits 31:2 Reserved, must be kept at reset value
Bit 1 LSI10KEN:
1: Enables 10 kHz internal RC during deep sleep mode.
2: Disables 10 kHz internal RC during deep sleep mode
Bit 0 LSEEN:
1: Enables 32 kHz external oscillator during deep sleep mode.
2: Disables 32 kHz external oscillator during deep sleep mode.
31 30 29 28 27 26 25 24 23 22 21 20 19 18 17 16
Reserved
15 14 13 12 11 10 9 8 7 6 5 4 3 2 1 0
Reserved
TUNE[3:0]
rw rw rw rw
Bits 1:4 Reserved, must be kept at reset value
Bits 3:0 TUNE[3:0]:
Tunes the value for the HSI clock.

System modules STM32W108HB STM32W108CB STM32W108CC STM32W108CZ
58/289 DocID16252 Rev 16
Low-speed internal 1 KHz clock control register (CLK_LSI1KCR)
Address: 0x4000 0010
Reset value: 0x0000 5000
High-speed external clock control register 1 (CLK_HSECR1)
Address: 0x4000 4004
Reset value: 0x0000 000F
31 30 29 28 27 26 25 24 23 22 21 20 19 18 17 16
Reserved
15 14 13 12 11 10 9 8 7 6 5 4 3 2 1 0
CALINT[4:0] CLKFRAC[10:0]
rw rw rw rw rw rw rw rw rw rw rw rw rw rw rw rw
Bits 31:16 Reserved, must be kept at reset value
Bits 15:11 CALINT[4:0]:
Divider value integer portion.
Bits 10:0 CALINT[10:0]:
Divider value fractional portion.
31 30 29 28 27 26 25 24 23 22 21 20 19 18 17 16
Reserved
15 14 13 12 11 10 9 8 7 6 5 4 3 2 1 0
Reserved
BIASTRIM[3:0]
rw rw rw rw
Bits 31:4 Reserved, must be kept at reset value
Bits 3:0 BIASTRIM[3:0]:
Bias trim setting for 24-MHz oscillator. Reset to full bias power up. May be overwritten in
software.

DocID16252 Rev 16 59/289
STM32W108HB STM32W108CB STM32W108CC STM32W108CZ System modules
286
High-speed internal clock control register (CLK_HSICR)
Address: 0x4000 4008
Reset value: 0x0000 0017
High-speed external clock comparator register (CLK_HSECOMPR)
Address: 0x4000 400C
Reset value: 0x0000 0000
31 30 29 28 27 26 25 24 23 22 21 20 19 18 17 16
Reserved
15 14 13 12 11 10 9 8 7 6 5 4 3 2 1 0
Reserved
TUNE[4:0]
rw rw rw rw rw
Bits 31:5 Reserved, must be kept at reset value
Bits 4:0 TUNE[4:0]:
Frequency trim setting for the high-speed internal oscillator.
31 30 29 28 27 26 25 24 23 22 21 20 19 18 17 16
Reserved
15 14 13 12 11 10 9 8 7 6 5 4 3 2 1 0
Reserved
HLEVEL LLEVEL
rr
Bits 31:2 Reserved, must be kept at reset value
Bit 1 HLEVEL: High-level comparator output
1: High-level comparator output set.
0: High-level comparator output reset.
Bit 0 LLEVEL: Low-level comparator output
1: Low-level comparator output set.
0: Low-level comparator output reset.

System modules STM32W108HB STM32W108CB STM32W108CC STM32W108CZ
60/289 DocID16252 Rev 16
Clock period control register (CLK_PERIODCR)
Address: 0x4000 4010
Reset value: 0x0000 0000
Clock period status register (CLK_PERIODSR)
Address: 0x4000 4014
Reset value: 0x0000 0000
31 30 29 28 27 26 25 24 23 22 21 20 19 18 17 16
Reserved
15 14 13 12 11 10 9 8 7 6 5 4 3 2 1 0
Reserved
MODE[1:0]
rw rw
Bits 31:2 Reserved, must be kept at reset value
Bits 1:0 MODE[1:0]: Sets the clock to be measured by CLK_PERIOD
3: Not used
2: Measures TUNE_FILTER_RESULT
1: Measures HSI
0: Measures LSI
31 30 29 28 27 26 25 24 23 22 21 20 19 18 17 16
Reserved
15 14 13 12 11 10 9 8 7 6 5 4 3 2 1 0
PERIOD[15:0]
rrrrrrr r r r r rr r r r
Bits 31:16 Reserved, must be kept at reset value
Bits 15:0 PERIOD[15:0]: Measures the number of 12-MHz clock cycles in 16 or 256 periods (depending
on the MODE bits in the CLK_PERIODCR register) of the selected clock.
16 x 12 MHz clock period in LSI10K mode or 256 x 12 MHz clock period in HSI mode.

DocID16252 Rev 16 61/289
STM32W108HB STM32W108CB STM32W108CC STM32W108CZ System modules
286
Clock dither control register (CLK_DITHERCR)
Address: 0x4000 4018
Reset value: 0x0000 0000
High-speed external clock control register 2 (CLK_HSECR2)
Address: 0x4000 401C
Reset value: 0x0000 0000
31 30 29 28 27 26 25 24 23 22 21 20 19 18 17 16
Reserved
15 14 13 12 11 10 9 8 7 6 5 4 3 2 1 0
Reserved
DIS
rws
Bits 31:1 Reserved, must be kept at reset value
Bit 0 DIS: Dither disable
1: Dither enable
0: Dither disable
31 30 29 28 27 26 25 24 23 22 21 20 19 18 17 16
Reserved
15 14 13 12 11 10 9 8 7 6 5 4 3 2 1 0
Reserved
EN SW1
rws rws
Bits 31:2 Reserved, must be kept at reset value
Bit 1 EN: External high-speed clock enable
When set to “1”, the main clock is 24-MHz HSE OSC.
1: Enables the 24-MHz HSE OSC.
0: Disables the 24-MHz HSE OSC.
Bit 0 SW1: System clock switch
1: HSE (external high-speed clock) is selected.
0: HSI (internal high-speed clock) is selected.

System modules STM32W108HB STM32W108CB STM32W108CC STM32W108CZ
62/289 DocID16252 Rev 16
CPU clock control register (CLK_CPUCR)
Address: 0x4000 4020
Reset value: 0x0000 0000
Note: Clock selection determines if the RAM controller is running at the same speed as the PCLK
(SW2 = ‘1’) or double speed of PCLK (SW2 = ‘0’).
31 30 29 28 27 26 25 24 23 22 21 20 19 18 17 16
Reserved
15 14 13 12 11 10 9 8 7 6 5 4 3 2 1 0
Reserved
SW2
rws
Bits 31:1 Reserved, must be kept at reset value
Bit 0 SW2: Switch clock 2
1: 24-MHz CPU clock selected
0: 12-MHz CPU clock selected

DocID16252 Rev 16 63/289
STM32W108HB STM32W108CB STM32W108CC STM32W108CZ System modules
286
Clock switching (CLK) register map
Table 9 gives the CLK register map and reset values.
Refer to Figure 4: STM32W108xB memory mapping, Figure 5: STM32W108CC and
STM32W108CZ memory mapping, and Table 3: STM32W108xx peripheral register
boundary addresses for the register boundary addresses of the peripherals available in all
STM32W108xx devices.
Table 9. CLK register map and reset values
Offset Register
31
30
29
28
27
26
25
24
23
22
21
20
19
18
17
16
15
14
13
12
11
10
9
8
7
6
5
4
3
2
1
0
0x0008 CLK_SLEEPCR
Res.
Res.
Res.
Res.
Res.
Res.
Res.
Res.
Res.
Res.
Res.
Res.
Res.
Res.
Res.
Res.
Res.
Res.
Res.
Res.
Res.
Res.
Res.
Res.
Res.
Res.
Res.
Res.
Res.
Res.
LSI10KEN
LSEEN
Reset value 10
0x000C CLK_LSI10KCR
Res.
Res.
Res.
Res.
Res.
Res.
Res.
Res.
Res.
Res.
Res.
Res.
Res.
Res.
Res.
Res.
Res.
Res.
Res.
Res.
Res.
Res.
Res.
Res.
Res.
Res.
Res.
Res.
TUNE[3:0]
Reset value 0000
0x0010 CLK_LSI1KCR
Res.
Res.
Res.
Res.
Res.
Res.
Res.
Res.
Res.
Res.
Res.
Res.
Res.
Res.
Res.
Res.
CALINT[4:0] CLKFRAC[10:0]
Reset value 0101000000000000
0x0014-
0x4000
Res.
Res.
Res.
Res.
Res.
Res.
Res.
Res.
Res.
Res.
Res.
Res.
Res.
Res.
Res.
Res.
Res.
Res.
Res.
Res.
Res.
Res.
Res.
Res.
Res.
Res.
Res.
Res.
Res.
Res.
Res.
Res.
Res.
0x4004 CLK_HSECR1
Res.
Res.
Res.
Res.
Res.
Res.
Res.
Res.
Res.
Res.
Res.
Res.
Res.
Res.
Res.
Res.
Res.
Res.
Res.
Res.
Res.
Res.
Res.
Res.
Res.
Res.
Res.
Res.
BIASTRIM
[3:0]
Reset value 1111
0x4008 CLK_HSICR
Res.
Res.
Res.
Res.
Res.
Res.
Res.
Res.
Res.
Res.
Res.
Res.
Res.
Res.
Res.
Res.
Res.
Res.
Res.
Res.
Res.
Res.
Res.
Res.
Res.
Res.
Res.
TUNE[4:0]
Reset value 01111
0x400C CLK_HSECOMPR
Res.
Res.
Res.
Res.
Res.
Res.
Res.
Res.
Res.
Res.
Res.
Res.
Res.
Res.
Res.
Res.
Res.
Res.
Res.
Res.
Res.
Res.
Res.
Res.
Res.
Res.
Res.
Res.
Res.
Res.
HLEVEL
LLEVEL
Reset value 00
0x4010 CLK_PERIODCR
Res.
Res.
Res.
Res.
Res.
Res.
Res.
Res.
Res.
Res.
Res.
Res.
Res.
Res.
Res.
Res.
Res.
Res.
Res.
Res.
Res.
Res.
Res.
Res.
Res.
Res.
Res.
Res.
Res.
Res.
MODE[1:0]
Reset value 00
0x4014 CLK_PERIODSR
Res.
Res.
Res.
Res.
Res.
Res.
Res.
Res.
Res.
Res.
Res.
Res.
Res.
Res.
Res.
Res.
PERIOD[15:0]
Reset value 0000000000000000
0x4018 CLK_DITHERCR
Res.
Res.
Res.
Res.
Res.
Res.
Res.
Res.
Res.
Res.
Res.
Res.
Res.
Res.
Res.
Res.
Res.
Res.
Res.
Res.
Res.
Res.
Res.
Res.
Res.
Res.
Res.
Res.
Res.
Res.
Res.
DIS
Reset value 0
0x401C CLK_HSECR2
Res.
Res.
Res.
Res.
Res.
Res.
Res.
Res.
Res.
Res.
Res.
Res.
Res.
Res.
Res.
Res.
Res.
Res.
Res.
Res.
Res.
Res.
Res.
Res.
Res.
Res.
Res.
Res.
Res.
Res.
EN
SW1
Reset value 00
0x4020 CLK_CPUCR
Res.
Res.
Res.
Res.
Res.
Res.
Res.
Res.
Res.
Res.
Res.
Res.
Res.
Res.
Res.
Res.
Res.
Res.
Res.
Res.
Res.
Res.
Res.
Res.
Res.
Res.
Res.
Res.
Res.
Res.
Res.
SW2
Reset value 0

System modules STM32W108HB STM32W108CB STM32W108CC STM32W108CZ
64/289 DocID16252 Rev 16
6.4 System timers
6.4.1 MAC timer
The STM32W108 devices integrate a 20-bit counter (MACTMR_CNTR register) dedicated
to the MAC timer. The counting mode of the MAC timer is controlled using the
MACTMR_CR register. This register (MACTMR_CR) integrates two bits: one to enable the
counting mode and the other to reset the value of the counter (MACTMR_CNTR register).
6.4.2 Watchdog timer
The STM32W108xx integrates a watchdog timer which can be enabled to provide protection
against software crashes and ARM® Cortex®-M3 CPU lockup. By default, it is disabled at
power up of the always-on power domain. The watchdog timer uses the calibrated 1 kHz
clock (LSI1K) as its reference and provides a nominal 2.048 s timeout. A low water mark
interrupt occurs at 1.792 s and triggers an NMI to the ARM® Cortex®-M3 NVIC as an early
warning. When enabled, periodically reset the watchdog timer by writing to the
WDG_KICKSR register before it expires.
The watchdog timer can be paused when the debugger halts the ARM® Cortex®-M3. To
enable this functionality, set the bit DBGP bit in the SLPTMR_CR register.
If the low-frequency internal RC oscillator (LSI10K) is turned off during deep sleep, LSI1K
stops. As a consequence the watchdog timer stops counting and is effectively paused
during deep sleep.
The watchdog enable/disable bits are protected from accidental change by requiring a two
step process. To enable the watchdog timer the application must first write the enable code
0xEABE to the WDG_KR register and then set the WDGEN register bit. To disable the timer
the application must write the disable code 0xDEAD to the WDG_KR register and then set
the WDGDIS register bit.
6.4.3 Sleep timer
The STM32W108xx integrates a 32-bit timer dedicated to system timing and waking from
sleep at specific times. The sleep timer can use either the calibrated 1 kHz
reference(LSI1K), or the 32 kHz crystal clock (LSE). The default clock source is the internal
1 kHz clock. The sleep timer clock source is chosen with the CLKSEL bit in the
SLPTMR_CR register.
The sleep timer has a prescaler, a divider of the form 2^N, where N can be programmed
from 1 to 2^15. This divider allows for very long periods of sleep to be timed. The timer
provides two compare outputs and wrap detection, all of which can be used to generate an
interrupt or a wake up event.
The sleep timer is paused when the debugger halts the ARM® Cortex®-M3. No additional
register bit must be set.
To save current during deep sleep, the low-frequency internal RC oscillator (LSI10K) can be
turned off. If LSI10K is turned off during deep sleep and a low-frequency 32.768 kHz crystal
oscillator is not being used, then the sleep timer will not operate during deep sleep and
sleep timer wake events cannot be used to wakeup the STM32W108xx.

DocID16252 Rev 16 65/289
STM32W108HB STM32W108CB STM32W108CC STM32W108CZ System modules
286
6.4.4 Event timer
The SysTick timer is an ARM® standard system timer in the NVIC. The SysTick timer can be
clocked from either the FCLK (the clock going into the CPU) or the Sleep Timer clock. FCLK
is either the SCLK or PCLK as selected by CLK_CPUCR (see Section 6.3.5: Clock
switching on page 56).
6.4.5 Slow timer (MAC timer, Watchdog, and Sleeptimer) control and status
registers
These registers are powered from the always-on power domain.
All registers are only writable when in System mode
MACTimer counter register (MACTMR_CNTR)
Address: 0x4000 2038
Reset value: 0x0000 0000
MACTimer counter register (MACTMR_CR)
Address: 0x4000 208C
Reset value: 0x0000 0000
31 30 29 28 27 26 25 24 23 22 21 20 19 18 17 16
Reserved
CNT[19:16]
rw rw rw rw
15 14 13 12 11 10 9 8 7 6 5 4 3 2 1 0
CNT[15:0]
rw rw rw rw rw rw rw rw rw rw rw rw rw rw rw rw
Bits 31:20 Reserved, must be kept at reset value
Bits 19:0 CNT[19:0]: MAC timer counter value
31 30 29 28 27 26 25 24 23 22 21 20 19 18 17 16
Reserved
15 14 13 12 11 10 9 8 7 6 5 4 3 2 1 0
Reserved
RST EN
rw rw
Bits 31:2 Reserved, must be kept at reset value
Bit 1 RST: MAC timer reset
Bit 0 EN: MAC timer enable

System modules STM32W108HB STM32W108CB STM32W108CC STM32W108CZ
66/289 DocID16252 Rev 16
Watchdog control register (WDG_CR)
Register bits for general top level chip functions and protection.
Watchdog bits can only be written after first writing the appropriate code to the WDG_KR
register.
Address: 0x4000 6000
Reset value: 0x0000 0002
Watchdog key register (WDG_KR)
Requires magic number write to arm the watchdog enable or disable function.
Address: 0x4000 6004
Reset value: 0x0000 0000
31 30 29 28 27 26 25 24 23 22 21 20 19 18 17 16
Reserved
15 14 13 12 11 10 9 8 7 6 5 4 3 2 1 0
Reserved
WDG
DIS
WDG
EN
rw rw
Bits 31:2 Reserved, must be kept at reset value
Bit 1 WDGDIS: Watchdog disable
Bit 0 WDGEN: Watchdog enable
31 30 29 28 27 26 25 24 23 22 21 20 19 18 17 16
Reserved
15 14 13 12 11 10 9 8 7 6 5 4 3 2 1 0
KEY[15:0]
wwwwww w w w w w ww w w w
Bits 31:16 Reserved, must be kept at reset value
Bits 15:0 KEY[15:0]:
Write 0xDEAD to disable or 0xEABE to enable.

DocID16252 Rev 16 67/289
STM32W108HB STM32W108CB STM32W108CC STM32W108CZ System modules
286
Watchdog kick-start register (WDG_KICKSR)
Write any value to this register to kick-start the watchdog.
Address: 0x4000 6008
Reset value: 0x0000 0000
Sleep timer configuration register (SLPTMR_CR)
This register sets the various options for the Sleep timer.
Address: 0x4000 600C
Reset value: 0x0000 0400
31 30 29 28 27 26 25 24 23 22 21 20 19 18 17 16
Reserved
15 14 13 12 11 10 9 8 7 6 5 4 3 2 1 0
KS[15:0]
wwwwww w w w w w ww w w w
Bits 31:16 Reserved, must be kept at reset value
Bits 15:0 KS[15:0]:
Watchdog kick-start value: write any value to restart the watchdog.
31 30 29 28 27 26 25 24 23 22 21 20 19 18 17 16
Reserved
15 14 13 12 11 10 9 8 7 6 5 4 3 2 1 0
Reserved
REVERSE EN DBGP
Reserved
PSC[3:0]
Reserved
CLK
SEL
rw rw rw rw rw rw rw rw
Bits 31:13 Reserved, must be kept at reset value
Bit 12 REVERSE:
0: Count forward
1: Count backwards
Only changes when EN is set to ‘0’
Bit 11 EN:
0: Disable sleep timer
1: Enable sleep timer
To change other register bits (REVERSE, PSC, CLKSEL), this bit must be set to ‘0’.
Enabling/Disabling latency can be up 2 to 3 clock-periods of selected clock.

System modules STM32W108HB STM32W108CB STM32W108CC STM32W108CZ
68/289 DocID16252 Rev 16
Sleep timer count high register (SLPTMR_CNTH)
Address: 0x4000 6010
Reset value: 0x0000 0000
Bit 10 DBGP: Debug pause
0: The timer continues working in Debug mode.
1: The timer is paused in Debug mode when the CPU is halted.
Bits 9:8 Reserved, must be kept at reset value
Bits 7:4 PSC[3:0]: Sleep timer prescaler setting
Divides clock by 2N where N = 0 to 15.
Can only be changed when the EN is set to ‘0’.
Bits 3:1 Reserved, must be kept at reset value
Bit 0 CLKSEL: Clock select
0: Calibrated 1kHz RC clock (default); 1: 32kHz.
Can only be changed when the EN is set to ‘0’.
31 30 29 28 27 26 25 24 23 22 21 20 19 18 17 16
Reserved
15 14 13 12 11 10 9 8 7 6 5 4 3 2 1 0
CNTH[15:0]
rrrrrr r r r r r rr r r r
Bits 31:16 Reserved, must be kept at reset value
Bits 15:0 CNTH[15:0]: Sleep timer counter high value
Reading this register updates the SLEEP_CNTL for subsequent reads.

DocID16252 Rev 16 69/289
STM32W108HB STM32W108CB STM32W108CC STM32W108CZ System modules
286
Sleep timer count low register (SLPTMR_CNTL)
Address: 0x4000 6014
Reset value: 0x0000 0000
Sleep timer compare A high register (SLPTMR_CMPAH)
Address: 0x4000 6018
Reset value: 0x0000 FFFF
31 30 29 28 27 26 25 24 23 22 21 20 19 18 17 16
Reserved
15 14 13 12 11 10 9 8 7 6 5 4 3 2 1 0
CNTL[15:0]
rrrrrr r r r r r rr r r r
Bits 31:16 Reserved, must be kept at reset value
Bits 15:0 CNTL[15:0]: Sleep timer counter low value
This register is only valid following a read of the SLPTMR_CNTH register.
31 30 29 28 27 26 25 24 23 22 21 20 19 18 17 16
Reserved
15 14 13 12 11 10 9 8 7 6 5 4 3 2 1 0
CMPAH[15:0]
rw rw rw rw rw rw rw rw rw rw rw rw rw rw rw rw
Bits 31:16 Reserved, must be kept at reset value
Bits 15:0 CMPAH[15:0]: Sleep timer compare A high value
Sleep timer compare value - writing to this register updates the SLPTMR_CMPAH register
directly and updates the SLPTMR_CMPAL register from the hold register. This value can
only be changed when the sleep timer is disabled (EN bit set to 0 in the SLPTMR_CR
register). If the value is changed when the sleep timer is enabled (EN bit set to ‘1’ in the
SLPTMR_CR register), a spurious interrupt may be generated. Therefore it is recommended
to disable sleep timer interrupts before changing this register.

System modules STM32W108HB STM32W108CB STM32W108CC STM32W108CZ
70/289 DocID16252 Rev 16
Sleep timer compare A low register (SLPTMR_CMPAL)
Address: 0x4000 601C
Reset value: 0x0000 FFFF
Sleep timer compare B high register (SLPTMR_CMPBH)
Address: 0x4000 6020
Reset value: 0x0000 FFFF
31 30 29 28 27 26 25 24 23 22 21 20 19 18 17 16
Reserved
15 14 13 12 11 10 9 8 7 6 5 4 3 2 1 0
CMPAL[15:0]
rw rw rw rw rw rw rw rw rw rw rw rw rw rw rw rw
Bits 31:16 Reserved, must be kept at reset value
Bits 15:0 CMPAL[15:0]: Sleep timer compare A low value
Writing to this register puts the value in the hold register until a write to the SLPTMR_CMPAH
register. The value can only be changed when the sleep timer is disabled (EN bit set to ‘0’ in
the SLPTMR_CR register). If the value is changed when the sleep timer is enabled (EN bit
set to ‘1’ in the SLPTMR_CR register) a spurious interrupt may be generated. Therefore it is
recommended to disable interrupts before changing this register.
31 30 29 28 27 26 25 24 23 22 21 20 19 18 17 16
Reserved
15 14 13 12 11 10 9 8 7 6 5 4 3 2 1 0
CMPBH[15:0]
rw rw rw rw rw rw rw rw rw rw rw rw rw rw rw rw
Bits 31:16 Reserved, must be kept at reset value
Bits 15:0 CMPBH[15:0]: Sleep timer compare B high value
Sleep timer compare value - writing to this register updates the SLPTMR_CMPBH register
directly and updates the SLPTMR_CMPBL register from the hold register. This value can
only be changed when the EN (bit 11 of SLPTMR_CR register) is set to ‘0’. If the value is
changed when the EN bit is set to ‘1’, a spurious interrupt may be generated. Therefore it is
recommended to disable interrupts before changing this register.

DocID16252 Rev 16 71/289
STM32W108HB STM32W108CB STM32W108CC STM32W108CZ System modules
286
Sleep timer compare B low register (SLPTMR_CMPBL)
Address: 0x4000 6024
Reset value: 0x0000 FFFF
Sleep timer interrupt source register (SLPTMR_ISR)
Address: 0x4000 A014
Reset value: 0x0000 0000
31 30 29 28 27 26 25 24 23 22 21 20 19 18 17 16
Reserved
15 14 13 12 11 10 9 8 7 6 5 4 3 2 1 0
CMPBL[15:0]
rw rw rw rw rw rw rw rw rw rw rw rw rw rw rw rw
Bits 31:16 Reserved, must be kept at reset value
Bits 15:0 CMPBL[15:0]: Sleep timer compare B low value
Writing to this register puts the value in the hold register until a write to the SLPTMR_CMPBH
register. The value can only be changed when the sleep timer is enabled (EN bit set to ‘0’ in
the SLPTMR_CR register) is set to ‘0’. If the value is changed when the sleep timer is
enabled (EN bit set to ‘1’ in the SLPTMR_CR register), a spurious interrupt may be
generated. Therefore it is recommended to disable interrupts before changing this register.
31 30 29 28 27 26 25 24 23 22 21 20 19 18 17 16
Reserved
15 14 13 12 11 10 9 8 7 6 5 4 3 2 1 0
Reserved
CMPB CMPA WRAP
rw rw rw
Bits 31:3 Reserved, must be kept at reset value
Bit 2 CMPB: Sleep timer compare B
Bit 1 CMPA: Sleep timer compare A
Bit 0 WRAP: Sleep timer wrap

System modules STM32W108HB STM32W108CB STM32W108CC STM32W108CZ
72/289 DocID16252 Rev 16
Sleep timer force interrupt register (SLPTMR_IFR)
Address: 0x4000 A020
Reset value: 0x0000 0000
Sleep timer interrupt enable register (SLPTMR_IER)
Address: 0x4000 A054
Reset value: 0x0000 0000
31 30 29 28 27 26 25 24 23 22 21 20 19 18 17 16
Reserved
15 14 13 12 11 10 9 8 7 6 5 4 3 2 1 0
Reserved
CMPB CMPA WRAP
rw rw rw
Bits 31:3 Reserved, must be kept at reset value
Bit 2 CMPB: Force sleep timer compare B interrupt
Bit 1 CMPA: Force sleep timer compare A interrupt
Bit 0 WRAP: Force sleep timer wrap interrupt
31 30 29 28 27 26 25 24 23 22 21 20 19 18 17 16
Reserved
15 14 13 12 11 10 9 8 7 6 5 4 3 2 1 0
Reserved
CMPB CMPA WRAP
rw rw rw
Bits 31:3 Reserved, must be kept at reset value
Bit 2 CMPB: Sleep timer compare B
Bit 1 CMPA: Sleep timer compare A
Bit 0 WRAP: Sleep timer wrap

DocID16252 Rev 16 73/289
STM32W108HB STM32W108CB STM32W108CC STM32W108CZ System modules
286
MAC timer (MACTMR)/Watchdog (WDG)/Sleeptimer(SLPTMR) register map
Table 10 gives the MACTMR, WDG, and SLPTMR register map and reset values.
Table 10. MACTMR, WDG, and SLPTMR register map and reset values
Offset Register
31
30
29
28
27
26
25
24
23
22
21
20
19
18
17
16
15
14
13
12
11
10
9
8
7
6
5
4
3
2
1
0
0x2038 MACTMR_CNTR
Res.
Res.
Res.
Res.
Res.
Res.
Res.
Res.
Res.
Res.
Res.
Res.
CNT[19:0]
Reset value 00000000000000000000
0x208C MACTMR_CR
Res.
Res.
Res.
Res.
Res.
Res.
Res.
Res.
Res.
Res.
Res.
Res.
Res.
Res.
Res.
Res.
Res.
Res.
Res.
Res.
Res.
Res.
Res.
Res.
Res.
Res.
Res.
Res.
Res.
Res.
RST
EN
Reset value 00
0x6000 WDG_CR
Res.
Res.
Res.
Res.
Res.
Res.
Res.
Res.
Res.
Res.
Res.
Res.
Res.
Res.
Res.
Res.
Res.
Res.
Res.
Res.
Res.
Res.
Res.
Res.
Res.
Res.
Res.
Res.
Res.
Res.
WDGDIS
WDGEN
Reset value 10
0x6004 WDG_KR
Res.
Res.
Res.
Res.
Res.
Res.
Res.
Res.
Res.
Res.
Res.
Res.
Res.
Res.
Res.
Res.
KEY[15:0]
Reset value 0000000000000000
0x6008 WDG_KICKSR
Res.
Res.
Res.
Res.
Res.
Res.
Res.
Res.
Res.
Res.
Res.
Res.
Res.
Res.
Res.
Res.
KS[15:0]
Reset value 0000000000000000
0x600C SLPTMR_CR
Res.
Res.
Res.
Res.
Res.
Res.
Res.
Res.
Res.
Res.
Res.
Res.
Res.
Res.
Res.
Res.
Res.
Res.
Res.
REVERSE
EN
DBGP
Res.
Res.
PSC[3:0]
Res.
Res.
Res.
CLKSEL
Reset value 001 0000 0
0x6010 SLPTMR_CNTH
Res.
Res.
Res.
Res.
Res.
Res.
Res.
Res.
Res.
Res.
Res.
Res.
Res.
Res.
Res.
Res.
CNTH[15:0]
Reset value 0000000000000000
0x6014 SLPTMR_CNTL
Res.
Res.
Res.
Res.
Res.
Res.
Res.
Res.
Res.
Res.
Res.
Res.
Res.
Res.
Res.
Res.
CNTL[15:0]
Reset value 0000000000000000
0x6018 SLPTMR_CMPAH
Res.
Res.
Res.
Res.
Res.
Res.
Res.
Res.
Res.
Res.
Res.
Res.
Res.
Res.
Res.
Res.
CMPAH[15:0]
Reset value 0000000000000000
0x601C SLPTMR_CMPAL
Res.
Res.
Res.
Res.
Res.
Res.
Res.
Res.
Res.
Res.
Res.
Res.
Res.
Res.
Res.
Res.
CMPAL[15:0]
Reset value 0000000000000000
0x6020 SLPTMR_CMPBH
Res.
Res.
Res.
Res.
Res.
Res.
Res.
Res.
Res.
Res.
Res.
Res.
Res.
Res.
Res.
Res.
CMPBH[15:0]
Reset value 0000000000000000
0x6024 SLPTMR_CMPBL
Res.
Res.
Res.
Res.
Res.
Res.
Res.
Res.
Res.
Res.
Res.
Res.
Res.
Res.
Res.
Res.
CMPBL[15:0]
Reset value 0000000000000000
0xA014 SLPTMR_ISR
Res.
Res.
Res.
Res.
Res.
Res.
Res.
Res.
Res.
Res.
Res.
Res.
Res.
Res.
Res.
Res.
Res.
Res.
Res.
Res.
Res.
Res.
Res.
Res.
Res.
Res.
Res.
Res.
Res.
CMPB
CMPA
WRAP
Reset value 000
0xA020 SLPTMR_IFR
Res.
Res.
Res.
Res.
Res.
Res.
Res.
Res.
Res.
Res.
Res.
Res.
Res.
Res.
Res.
Res.
Res.
Res.
Res.
Res.
Res.
Res.
Res.
Res.
Res.
Res.
Res.
Res.
Res.
CMPB
CMPA
WRAP
Reset value 000

System modules STM32W108HB STM32W108CB STM32W108CC STM32W108CZ
74/289 DocID16252 Rev 16
Refer to Figure 4: STM32W108xB memory mapping, Figure 5: STM32W108CC and
STM32W108CZ memory mapping, and Table 3: STM32W108xx peripheral register
boundary addresses for the register boundary addresses of the peripherals available in all
STM32W108xx devices.
6.5 Power management
The STM32W108xx's power management system is designed to achieve the lowest deep
sleep current consumption possible while still providing flexible wakeup sources, timer
activity, and debugger operation. The STM32W108xx has four main sleep modes:
•Idle Sleep: Puts the CPU into an idle state where execution is suspended until any
interrupt occurs. All power domains remain fully powered and nothing is reset.
•Deep sleep 1: The primary deep sleep state. In this state, the core power domain is
fully powered down and the sleep timer is active
•Deep sleep 2: The same as deep sleep 1 except that the sleep timer is inactive to save
power. In this mode the sleep timer cannot wakeup the STM32W108xx.
•Deep sleep 0 (also known as emulated deep sleep): The chip emulates a true deep
sleep without powering down the core domain. Instead, the core domain remains
powered and all peripherals except the system debug components (ITM, DWT, FPB,
NVIC) are held in reset. The purpose of this sleep state is to allow STM32W108xx
software to perform a deep sleep cycle while maintaining debug configuration such as
breakpoints.
6.5.1 Wake sources
When in deep sleep the STM32W108xx can be returned to the running state in a number of
ways, and the wake sources are split depending on deep sleep 1 or deep sleep 2.
0xA054 SLPTMR_IER
Res.
Res.
Res.
Res.
Res.
Res.
Res.
Res.
Res.
Res.
Res.
Res.
Res.
Res.
Res.
Res.
Res.
Res.
Res.
Res.
Res.
Res.
Res.
Res.
Res.
Res.
Res.
Res.
Res.
CMPB
CMPA
WRAP
Reset value 000
Table 10. MACTMR, WDG, and SLPTMR register map and reset values (continued)
Offset Register
31
30
29
28
27
26
25
24
23
22
21
20
19
18
17
16
15
14
13
12
11
10
9
8
7
6
5
4
3
2
1
0

DocID16252 Rev 16 75/289
STM32W108HB STM32W108CB STM32W108CC STM32W108CZ System modules
286
The following wake sources are available in both deep sleep 1 and 2.
•Wake on GPIO activity: Wake due to change of state on any GPIO.
•Wake on serial controller 1: Wake due to a change of state on GPIO Pin PB2.
•Wake on serial controller 2: Wake due to a change of state on GPIO Pin PA2.
•Wake on IRQD: Wake due to a change of state on IRQD. Since IRQD can be
configured to point to any GPIO, this wake source is another means of waking on any
GPIO activity.
•Wake on setting of CDBGPWRUPREQ: Wake due to setting the CDBGPWRUPREQ
bit in the debug port in the SWJ.
•Wake on setting of CSYSPWRUPREQ: Wake due to setting the CSYSPWRUPREQ bit
in the debug port in the SWJ.
The following sources are only available in deep sleep 1 since the sleep timer is not active in
deep sleep 2.
•Wake on sleep timer compare A.
•Wake on sleep timer compare B.
•Wake on sleep timer wrap.
The following source is only available in deep sleep 0 since the SWJ is required to write
memory to set this wake source and the SWJ only has access to some registers in deep
sleep 0.
•Wake on write to the COREWAKE bit in the PWR_WAKECR2 register.
The Wakeup Recording module monitors all possible wakeup sources. More than one
wakeup source may be recorded because events are continually being recorded (not just in
deep-sleep), since another event may happen between the first wake event and when the
STM32W108xx wakes up.

System modules STM32W108HB STM32W108CB STM32W108CC STM32W108CZ
76/289 DocID16252 Rev 16
6.5.2 Basic sleep modes
The power management state diagram in Figure 8 shows the basic operation of the power
management controller.
Figure 8. Power management state diagram
069
'((36/((3 (08/$7('
'((36/((3
35( '((3
6/((3 5811,1*
,'/(6/((3
&'%*3:5835(4VHW
&'%*3:5835(4FOHDUHG
'HHSVOHHSUHTXHVWHG
:),LQVWUXFWLRQZLWK6/((3B'((3
,QWHUUXSW
6OHHSUHTXHVWHG
:)
,LQVWUXFWLRQZLWK6
/((3B'
((3
&6<63:5835(4,1+,%,7
&'%*3:5835(4
&6<63:5835(4
:DNHXSHYHQW
25&6<63:5835(4VHW
UHVHWVWKHSURFHVVRU
:DNHXSHYHQW
UHVHWVWKHSURFHVVRU
&'%*3:5835(4
&6<63:5835(4

DocID16252 Rev 16 77/289
STM32W108HB STM32W108CB STM32W108CC STM32W108CZ System modules
286
In normal operation an application may request one of two low power modes through
program execution:
•Idle Sleep is achieved by executing a WFI instruction whilst the SLEEPDEEP bit in the
Cortex System Control register (SCS_SCR) is clear (for more details refer to the
Cortex-M3 Programming manual PM0056). This puts the CPU into an idle state where
execution is suspended until an interrupt occurs. This is indicated by the state at the
bottom of the diagram. Power is maintained to the core logic of the STM32W108xx
during the Idle Sleeping state.
•Deep sleep is achieved by executing a WFI instruction whilst the SLEEPDEEP bit in
the Cortex System Control register (SCS_SCR) is set (for more details refer to the
Cortex-M3 Programming manual PM0056). This triggers the state transitions around
the main loop of the diagram, resulting in powering down the STM32W108xx's core
logic, and leaving only the always-on domain powered. Wake up is triggered when one
of the pre-determined events occurs.
If a deep sleep is requested the STM32W108xx first enters a pre-deep sleep state. This
state prevents any section of the chip from being powered off or reset until the SWJ goes
idle (by clearing CSYSPWRUPREQ). This pre-deep sleep state ensures debug operations
are not interrupted.
In the deep sleep state the STM32W108xx waits for a wake up event which will return it to
the running state. In powering up the core logic the ARM® Cortex®-M3 is put through a reset
cycle and ST software restores the stack and application state to the point where deep sleep
was invoked.
6.5.3 Further options for deep sleep
By default, the low-frequency internal RC oscillator (LSI10K) is running during deep sleep
(known as deep sleep 1).
To conserve power, LSI10K can be turned off during deep sleep. This mode is known as
deep sleep 2. Since the LSI10K is disabled, the sleep timer and watchdog timer do not
function and cannot wake the chip unless the low-frequency 32.768 kHz crystal oscillator is
used. Non-timer based wake sources continue to function. Once a wake event occurs, the
LSI10K restarts and becomes enabled.
6.5.4 Use of debugger with sleep modes
The debugger communicates with the STM32W108xx using the SWJ.
When the debugger is connected, the CDBGPWRUPREQ bit in the debug port in the SWJ
is set, the STM32W108xx will only enter deep sleep 0 (the emulated deep sleep state). The
CDBGPWRUPREQ bit indicates that a debug tool is connected to the chip and therefore
there may be debug state in the system debug components. To maintain the state in the
system debug components only deep sleep 0 may be used, since deep sleep 0 will not
cause a power cycle or reset of the core domain. The CSYSPWRUPREQ bit in the debug
port in the SWJ indicates that a debugger wants to access memory actively in the
STM32W108xx. Therefore, whenever the CSYSPWRUPREQ bit is set while the
STM32W108xx is awake, the STM32W108xx cannot enter deep sleep until this bit is
cleared. This ensures the STM32W108xx does not disrupt debug communication into
memory.

System modules STM32W108HB STM32W108CB STM32W108CC STM32W108CZ
78/289 DocID16252 Rev 16
Clearing both CSYSPWRUPREQ and CDBGPWRUPREQ allows the STM32W108xx to
achieve a true deep sleep state (deep sleep 1 or 2). Both of these signals also operate as
wake sources, so that when a debugger connects to the STM32W108xx and begins
accessing the chip, the STM32W108xx automatically comes out of deep sleep. When the
debugger initiates access while the STM32W108xx is in deep sleep, the SWJ intelligently
holds off the debugger for a brief period of time until the STM32W108xx is properly powered
and ready.
For more information regarding the SWJ and the interaction of debuggers with deep sleep,
contact ST support for Application Notes and ARM® CoreSight documentation.
6.5.5 Power management registers
Power deep sleep control register 1 (PWR_DSLEEPCR1)
Address: 0x4000 0004
Reset value: 0x0000 0000
31 30 29 28 27 26 25 24 23 22 21 20 19 18 17 16
Reserved
15 14 13 12 11 10 9 8 7 6 5 4 3 2 1 0
Reserved
LVFREEZ
EReserved
rw
Bits 31:2 Reserved, must be kept at reset value
Bit 1 LVFREEZE: LV freeze state
1: Enables LV freeze output states
0: Disables GPIO freeze
Bit 0 Reserved, must be kept at reset value

DocID16252 Rev 16 79/289
STM32W108HB STM32W108CB STM32W108CC STM32W108CZ System modules
286
Power deep sleep control register 2 (PWR_DSLEEPCR2)
Address: 0x4000 0014
Reset value: 0x0000 0001
Power voltage regulator control register (PWR_VREGCR)
Address: 0x4000 0018
Reset value: 0x0000 0204
31 30 29 28 27 26 25 24 23 22 21 20 19 18 17 16
Reserved
15 14 13 12 11 10 9 8 7 6 5 4 3 2 1 0
Reserved
MODE
rw
Bits 31:1 Reserved, must be kept at reset value
Bit 0 MODE: This bit is used only when the debugger is attached to enable deep sleep mode 0.
1: Enables deep sleep mode 0 when the debugger is attached (default condition).
0: Disables deep sleep mode 0 when the debugger is attached (the CPU is in deep sleep
mode 1 or 2).
31 30 29 28 27 26 25 24 23 22 21 20 19 18 17 16
Reserved
15 14 13 12 11 10 9 8 7 6 5 4 3 2 1 0
Reserved
1V8EN
Reserved
1V8TRIM[2:0]
Reserved
1V2EN
Reserved
1V2TRIM[2:0]
rws rw rw rw rws rw rw rw
Bits 31:12 Reserved, must be kept at reset value
Bit 11 1V8EN: 1V8 direct control of regulator on/off
1: 1V8 regulator on
0: 1V8 regulator off
Bit 10 Reserved, must be kept at reset value
Bits 9:7 1V8TRIM: 1V8 regulator trim value
Bits 6:5 Reserved, must be kept at reset value
Bit 4 1V2EN: 1V2 direct control of regulator on/off
1: 1V2 regulator on
0: 1V2 regulator off
Bit 3 Reserved, must be kept at reset value
Bits 2:0 1V2TRIM: 1V2 regulator trim value

System modules STM32W108HB STM32W108CB STM32W108CC STM32W108CZ
80/289 DocID16252 Rev 16
Power wakeup event control register 1 (PWR_WAKECR1)
Address: 0x4000 0020
Reset value: 0x0000 0200
31 30 29 28 27 26 25 24 23 22 21 20 19 18 17 16
Reserved
15 14 13 12 11 10 9 8 7 6 5 4 3 2 1 0
Reserved
CRYSP
WRUP
REQ
CPWR
RUP
REQ
CORE WRAP COMPB COMP
AIRQD SC2 SC1 WAK
EEN
rw rw rw rw rw rws rw rw rw rw
Bits 31:10 Reserved, must be kept at reset value
Bit 9 CSYSPWRUPREQ: Wakeup on the CSYSPWRUPREQ event (move to running from deep
sleep 0).
1: Enables wakeup on CSYSPWRUPREQ event
0: Disables Wakeup on CSYSPWRUPREQ event
Bit 8 CPWRRUPREQ: Wakeup on the CPWRUPREQ event (move to running from deep sleep 0)
1: Enables wakeup on CPWRUPREQ event
0: Disables wakeup on CPWRUPREQ event
Bit 7 CORE: Wakeup on write to WAKE_CORE bit
1: Enables wakeup on write to WAKE_CORE bit
0: Disables wakeup on write to WAKE_CORE bit
Bit 6 WRAP: Wakeup on sleep timer compare wrap/overflow event
1: Enables wakeup on sleep timer compare wrap/overflow event
0: Disables wakeup on sleep timer compare wrap/overflow event
Bit 5 COMPB: Wake up on sleep timer compare B event
1: Enables wakeup on sleep timer compare B event
0: Disables wakeup on sleep timer compare B event
Bit 4 COMPA: Wakeup on sleep timer compare A event
1: Enables wakeup on sleep timer compare A event
0: Disables wakeup on sleep timer compare A event
Bit 3 IRQD: Wakeup on IRQD event
1: Enables wakeup on IRQD event
0: Disables wakeup on IRQD event
Bit 2 SC2: Wakeup on SC2 event
1: Enables wakeup on SC2 event
0: Disables wakeup on SC2 event
Bit 1 SC1: Wakeup on SC1 event
1: Enables wakeup on SC1 event
0: Disables wakeup on SC1 event
Bit 0 WAKEEN: Enable GPIO wakeup monitoring
1: Enables GPIO wakeup monitoring
0: Disables GPIO wakeup monitoring

DocID16252 Rev 16 81/289
STM32W108HB STM32W108CB STM32W108CC STM32W108CZ System modules
286
Power wakeup event control register 2 (PWR_WAKECR2)
Address: 0x4000 0024
Reset value: 0x0000 0000
Power wakeup event status register (PWR_WAKESR)
Address: 0x4000 0028
Reset value: 0x0000 0000
31 30 29 28 27 26 25 24 23 22 21 20 19 18 17 16
Reserved
15 14 13 12 11 10 9 8 7 6 5 4 3 2 1 0
Reserved
CORE
WAKE Reserved
w
Bits 31:10 Reserved, must be kept at reset value
Bit 5 COREWAKE: Power-up controlled by debug port activity. Write to this bit to wake core from
deep sleep 0.
Bits 4:0 Reserved, must be kept at reset value
31 30 29 28 27 26 25 24 23 22 21 20 19 18 17 16
Reserved
15 14 13 12 11 10 9 8 7 6 5 4 3 2 1 0
Reserved
CRYSP
WRUP
REQ
CPWR
RUP
REQ
CORE WRAP COMPB COMP
AIRQD SC2 SC1 GPIO
PIN
rw rw rw rw rw rw rw rw rw rw
Bits 31:10 Reserved, must be kept at reset value
Bit 9 CSYSPWRUPREQ: Indicates that a Debug Access Port (DAP) access to the SYS registers
triggered the wake event.
0: Wakeup on CSYSPWRUPREQ event not detected
1: Wakeup on CSYSPWRUPREQ event detected
Bit 8 CPWRRUPREQ: Wake indicates that a DAP access to the DBG registers triggered the wake
event.
0: Wakeup on CPWRRUPREQ event not detected
1: Wakeup on CPWRRUPREQ event detected
Bit 7 CORE: Wakeup on debug port activity
0: Wakeup on CORE event not detected
1: Wakeup on CORE event detected

System modules STM32W108HB STM32W108CB STM32W108CC STM32W108CZ
82/289 DocID16252 Rev 16
Power CPWRUPREQ status register (PWR_CPWRUPREQSR)
Address: 0x4000 0034
Reset value: 0x0000 0000
Bit 6 WRAP: Sleep timer wrap
0: Wakeup on WRAP event not detected
1: Wakeup on WRAP event detected
Bit 5 COMPB: Sleep timer compare B
0: Wakeup on COMPB event not detected
1: Wakeup on COMPB event detected
Bit 4 COMPA: Sleep timer compare A
0: Wake up on COMPA event not detected
1: Wake up on COMPA event detected
Bit 3 IRQD: Change of GPIO pin for external interrupt IRQD
0: Wakeup on IRQD event not detected
1: Wakeup on IRQD event detected
Bit 2 SC2: Serial control 2
0: Wakeup on SC2 event not detected
1: Wakeup on SC2 event detected
Bit 1 SC1: Serial control 1
0: Wakeup on SC1 event not detected
1: Wakeup on SC1 event detected
Bit 0 GPIOPIN: Change of programmable GPIO pin (programmable with GPIO wakeup monitoring)
0: Wakeup on GPIO pin not detected
1: Wakeup on GPIO pin detected
31 30 29 28 27 26 25 24 23 22 21 20 19 18 17 16
Reserved
15 14 13 12 11 10 9 8 7 6 5 4 3 2 1 0
Reserved
REQ
r
Bits 31:1 Reserved, must be kept at reset value
Bit 0 REQ: Status of the SPWRUPREQ

DocID16252 Rev 16 83/289
STM32W108HB STM32W108CB STM32W108CC STM32W108CZ System modules
286
Power CSYSPWRUPREQ status register (PWR_CSYSPWRUPREQSR)
Address: 0x4000 0038
Reset value: 0x0000 0000
Power CSYSPWRUPACK status register (PWR_CSYSPWRUPACKSR)
Address: 0x4000 003C
Reset value: 0x0000 0000
31 30 29 28 27 26 25 24 23 22 21 20 19 18 17 16
Reserved
15 14 13 12 11 10 9 8 7 6 5 4 3 2 1 0
Reserved
REQ
r
Bits 31:1 Reserved, must be kept at reset value
Bit 0 REQ: Status of the CSYSPWRUPREQ
31 30 29 28 27 26 25 24 23 22 21 20 19 18 17 16
Reserved
15 14 13 12 11 10 9 8 7 6 5 4 3 2 1 0
Reserved
ACK
r
Bits 31:1 Reserved, must be kept at reset value
Bit 0 ACK: Status of the CSYSPWRUPACK

System modules STM32W108HB STM32W108CB STM32W108CC STM32W108CZ
84/289 DocID16252 Rev 16
Power CSYSPWRUPACK control register (PWR_CSYSPWRUPACKCR)
Address: 0x4000 0040
Reset value: 0x0000 0000
Power GPIO wakeup monitoring port A register (PWR_WAKEPAR)
Address: 0x4000 BC08
Reset value: 0x0000 0000
31 30 29 28 27 26 25 24 23 22 21 20 19 18 17 16
Reserved
15 14 13 12 11 10 9 8 7 6 5 4 3 2 1 0
Reserved
INHIBIT
rw
Bits 31:1 Reserved, must be kept at reset value
Bit 0 INHIBIT: Value of CSYSPWRUPACK_INHIBIT (cleared by the power management state
machine as part of power-down sequence).
1: Inhibits CSYSPWRUPACK
31 30 29 28 27 26 25 24 23 22 21 20 19 18 17 16
Reserved
15 14 13 12 11 10 9 8 7 6 5 4 3 2 1 0
Reserved
PA7 PA6 PA5 PA4 PA3 PA2 PA1 PA0
rw rw rw rw rw rw rw rw
Bits 31:8 Reserved, must be kept at reset value
Bit 7 PA7
1: Enables GPIO wakeup on pin GPIO[ 7] changing state
0: Disables GPIO wakeup on pin GPIO[ 7] changing state
Bit 6 PA6
1: Enables GPIO wakeup on pin GPIO[ 6] changing state
0: Disables GPIO wakeup on pin GPIO[ 6] changing state
Bit 5 PA5
1: Enables GPIO wakeup on pin GPIO[ 5] changing state
0: Disables GPIO wakeup on pin GPIO[ 5] changing state
Bit 4 PA4
1: Enables GPIO wakeup on pin GPIO[ 4] changing state
0: Disables GPIO wakeup on pin GPIO[ 4] changing state

DocID16252 Rev 16 85/289
STM32W108HB STM32W108CB STM32W108CC STM32W108CZ System modules
286
Power GPIO wakeup monitoring port B register (PWR_WAKEPBR)
Address: 0x4000 BC0C
Reset value: 0x0000 0000
Bit 3 PA3
1: Enables GPIO wakeup on pin GPIO[ 3] changing state
0: Disables GPIO wakeup on pin GPIO[ 3] changing state
Bit 2 PA2
1: Enables GPIO wakeup on pin GPIO[ 2] changing state
0: Disables GPIO wakeup on pin GPIO[ 2] changing state
Bit 1 PA1
1: Enables GPIO wakeup on pin GPIO[ 1] changing state
0: Disables GPIO wakeup on pin GPIO[ 1] changing state
Bit 0 PA0
1: Enables GPIO wakeup on pin GPIO[ 0] changing state
0: Disables GPIO wakeup on pin GPIO[ 0] changing state
31 30 29 28 27 26 25 24 23 22 21 20 19 18 17 16
Reserved
15 14 13 12 11 10 9 8 7 6 5 4 3 2 1 0
Reserved
PB7 PB6 PB5 PB4 PB3 PB2 PB1 PB0
rw rw rw rw rw rw rw rw
Bits 31:8 Reserved, must be kept at reset value
Bit 7 PB7
1: Enables GPIO wakeup on pin GPIO[ 7] changing state
0: Disables GPIO wakeup on pin GPIO[ 7] changing state
Bit 6 PB6
1: Enables GPIO wakeup on pin GPIO[ 6] changing state
0: Disables GPIO wakeup on pin GPIO[ 6] changing state
Bit 5 PB5
1: Enables GPIO wakeup on pin GPIO[ 5] changing state
0: Disables GPIO wakeup on pin GPIO[ 5] changing state
Bit 4 PB4
1: Enables GPIO wakeup on pin GPIO[ 4] changing state
0: Disables GPIO wakeup on pin GPIO[ 4] changing state
Bit 3 PB3
1: Enables GPIO wakeup on pin GPIO[ 3] changing state
0: Disables GPIO wakeup on pin GPIO[ 3] changing state
Bit 2 PB2
1: Enables GPIO wakeup on pin GPIO[ 2] changing state
0: Disables GPIO wakeup on pin GPIO[ 2] changing state

System modules STM32W108HB STM32W108CB STM32W108CC STM32W108CZ
86/289 DocID16252 Rev 16
Power GPIO wakeup monitoring port C register (PWR_WAKEPCR)
Address: 0x4000 BC10
Reset value: 0x0000 0000
Bit 1 PB1
1: Enables GPIO wakeup on pin GPIO[ 1] changing state
0: Disables GPIO wakeup on pin GPIO[ 1] changing state
Bit 0 PB0
1: Enables GPIO wakeup on pin GPIO[ 0] changing state
0: Disables GPIO wakeup on pin GPIO[ 0] changing state
31 30 29 28 27 26 25 24 23 22 21 20 19 18 17 16
Reserved
15 14 13 12 11 10 9 8 7 6 5 4 3 2 1 0
Reserved
PC7 PC6 PC5 PC4 PC3 PC2 PC1 PC0
rw rw rw rw rw rw rw rw
Bits 31:8 Reserved, must be kept at reset value
Bit 7 PC7
1: Enables GPIO wakeup on pin GPIO[ 7] changing state
0: Disables GPIO wakeup on pin GPIO[ 7] changing state
Bit 6 PC6
1: Enables GPIO wakeup on pin GPIO[ 6] changing state
0: Disables GPIO wakeup on pin GPIO[ 6] changing state
Bit 5 PC5
1: Enables GPIO wakeup on pin GPIO[ 5] changing state
0: Disables GPIO wakeup on pin GPIO[ 5] changing state
Bit 4 PC4
1: Enables GPIO wakeup on pin GPIO[ 4] changing state
0: Disables GPIO wakeup on pin GPIO[ 4] changing state
Bit 3 PC3
1: Enables GPIO wakeup on pin GPIO[ 3] changing state
0: Disables GPIO wakeup on pin GPIO[ 3] changing state
Bit 2 PC2
1: Enables GPIO wakeup on pin GPIO[ 2] changing state
0: Disables GPIO wakeup on pin GPIO[ 2] changing state
Bit 1 PC1
1: Enables GPIO wakeup on pin GPIO[ 1] changing state
0: Disables GPIO wakeup on pin GPIO[ 1] changing state
Bit 0 PC0
1: Enables GPIO wakeup on pin GPIO[ 0] changing state
0: Disables GPIO wakeup on pin GPIO[ 0] changing state

DocID16252 Rev 16 87/289
STM32W108HB STM32W108CB STM32W108CC STM32W108CZ System modules
286
Power wakeup filter register (PWR_WAKEFILTR)
Address: 0x4000 BC1C
Reset value: 0x0000 000F
Power management (PWR) register map
Table 11 gives the PWR register map and reset values.
31 30 29 28 27 26 25 24 23 22 21 20 19 18 17 16
Reserved
15 14 13 12 11 10 9 8 7 6 5 4 3 2 1 0
Reserved
IRQD SC2 SC1 GPIO
PIN
rw rw rw rw
Bits 31:4 Reserved, must be kept at reset value
Bit 3 IRQD_WAKE_FILTER: Enables filter on GPIO wakeup source IRQD
Bit 2 SC2_WAKE_FILTER: Enables filter on GPIO wakeup source SC2 (PA2)
Bit 1 SC1_WAKE_FILTER: Enables filter on GPIO wakeup source SC1 (PB2)
Bit 0 GPIO_WAKE_FILTER: Enables filter on GPIO wakeup sources enabled by the
PWR_WAKEPAR, PWR_WAKEPBR, and PWR_WAKEPCR registers.
Table 11. PWR register map and reset values
Offset Register
31
30
29
28
27
26
25
24
23
22
21
20
19
18
17
16
15
14
13
12
11
10
9
8
7
6
5
4
3
2
1
0
0x0004 PWR_DSLEEPCR1
Res.
Res.
Res.
Res.
Res.
Res.
Res.
Res.
Res.
Res.
Res.
Res.
Res.
Res.
Res.
Res.
Res.
Res.
Res.
Res.
Res.
Res.
Res.
Res.
Res.
Res.
Res.
Res.
Res.
Res.
LVFREEZE
Res.
Reset value 0
0x0008-
0x0010
Res.
Res.
Res.
Res.
Res.
Res.
Res.
Res.
Res.
Res.
Res.
Res.
Res.
Res.
Res.
Res.
Res.
Res.
Res.
Res.
Res.
Res.
Res.
Res.
Res.
Res.
Res.
Res.
Res.
Res.
Res.
Res.
Res.
0x0014 PWR_DSLEEPCR2
Res.
Res.
Res.
Res.
Res.
Res.
Res.
Res.
Res.
Res.
Res.
Res.
Res.
Res.
Res.
Res.
Res.
Res.
Res.
Res.
Res.
Res.
Res.
Res.
Res.
Res.
Res.
Res.
Res.
Res.
Res.
MODE
Reset value 0
0x0018 PWR_VREGCR
Res.
Res.
Res.
Res.
Res.
Res.
Res.
Res.
Res.
Res.
Res.
Res.
Res.
Res.
Res.
Res.
Res.
Res.
Res.
Res.
1V8EN
Res.
1V8TRIM
[2:0]
Res.
Res.
1V2EN
Res.
1V2TRIM
[2:0]
Reset value 0100 0111
0x001C
Res.
Res.
Res.
Res.
Res.
Res.
Res.
Res.
Res.
Res.
Res.
Res.
Res.
Res.
Res.
Res.
Res.
Res.
Res.
Res.
Res.
Res.
Res.
Res.
Res.
Res.
Res.
Res.
Res.
Res.
Res.
Res.
Res.

System modules STM32W108HB STM32W108CB STM32W108CC STM32W108CZ
88/289 DocID16252 Rev 16
0x0020 PWR_WAKECR1
Res.
Res.
Res.
Res.
Res.
Res.
Res.
Res.
Res.
Res.
Res.
Res.
Res.
Res.
Res.
Res.
Res.
Res.
Res.
Res.
Res.
Res.
CSYSPWRUPREQ
CPWRRUPREQ
CORE
WRAP
COMPB
COMPA
IRQD
SC2
SC1
WAKEEN
Reset value 1000000000
0x0024 PWR_WAKECR2
Res.
Res.
Res.
Res.
Res.
Res.
Res.
Res.
Res.
Res.
Res.
Res.
Res.
Res.
Res.
Res.
Res.
Res.
Res.
Res.
Res.
Res.
Res.
Res.
Res.
Res.
COREWAKE
Res.
Res.
Res.
Res.
Res.
Reset value 0
0x0028 PWR_WAKESR
Res.
Res.
Res.
Res.
Res.
Res.
Res.
Res.
Res.
Res.
Res.
Res.
Res.
Res.
Res.
Res.
Res.
Res.
Res.
Res.
Res.
Res.
CSYSPWRUPREQ
CPWRRUPREQ
CORE
WRAP
COMPB
COMPA
IRQD
SC2
SC1
GPIOPIN
Reset value 0000000000
0x002C-
0x0030
Res.
Res.
Res.
Res.
Res.
Res.
Res.
Res.
Res.
Res.
Res.
Res.
Res.
Res.
Res.
Res.
Res.
Res.
Res.
Res.
Res.
Res.
Res.
Res.
Res.
Res.
Res.
Res.
Res.
Res.
Res.
Res.
Res.
0x0034
PWR_CPWRUP
REQSR
Res.
Res.
Res.
Res.
Res.
Res.
Res.
Res.
Res.
Res.
Res.
Res.
Res.
Res.
Res.
Res.
Res.
Res.
Res.
Res.
Res.
Res.
Res.
Res.
Res.
Res.
Res.
Res.
Res.
Res.
Res.
REQ
Reset value 0
0x0038
PWR_CSYSPWRUP
REQSR
Res.
Res.
Res.
Res.
Res.
Res.
Res.
Res.
Res.
Res.
Res.
Res.
Res.
Res.
Res.
Res.
Res.
Res.
Res.
Res.
Res.
Res.
Res.
Res.
Res.
Res.
Res.
Res.
Res.
Res.
Res.
REQ
Reset value 0
0x003C
PWR_CSYSPWRUP
ACKSR
Res.
Res.
Res.
Res.
Res.
Res.
Res.
Res.
Res.
Res.
Res.
Res.
Res.
Res.
Res.
Res.
Res.
Res.
Res.
Res.
Res.
Res.
Res.
Res.
Res.
Res.
Res.
Res.
Res.
Res.
Res.
ACK
Reset value 0
0x0040
PWR_CSYSPWRUP
ACKCR
Res.
Res.
Res.
Res.
Res.
Res.
Res.
Res.
Res.
Res.
Res.
Res.
Res.
Res.
Res.
Res.
Res.
Res.
Res.
Res.
Res.
Res.
Res.
Res.
Res.
Res.
Res.
Res.
Res.
Res.
Res.
INHIBIT
Reset value 0
0x0044-
0xBC04
Res.
Res.
Res.
Res.
Res.
Res.
Res.
Res.
Res.
Res.
Res.
Res.
Res.
Res.
Res.
Res.
Res.
Res.
Res.
Res.
Res.
Res.
Res.
Res.
Res.
Res.
Res.
Res.
Res.
Res.
Res.
Res.
Res.
0xBC08 PWR_WAKEPAR
Res.
Res.
Res.
Res.
Res.
Res.
Res.
Res.
Res.
Res.
Res.
Res.
Res.
Res.
Res.
Res.
Res.
Res.
Res.
Res.
Res.
Res.
Res.
Res.
PA7
PA6
PA5
PA4
PA3
PA2
PA1
PA0
Reset value 00000000
0xBC0C PWR_WAKEPBR
Res.
Res.
Res.
Res.
Res.
Res.
Res.
Res.
Res.
Res.
Res.
Res.
Res.
Res.
Res.
Res.
Res.
Res.
Res.
Res.
Res.
Res.
Res.
Res.
PB7
PB6
PB5
PB4
PB3
PB2
PB1
PB0
Reset value 00000000
0xBC10 PWR_WAKEPCR
Res.
Res.
Res.
Res.
Res.
Res.
Res.
Res.
Res.
Res.
Res.
Res.
Res.
Res.
Res.
Res.
Res.
Res.
Res.
Res.
Res.
Res.
Res.
Res.
PC7
PC6
PC5
PC4
PC3
PC2
PC1
PC0
Reset value 00000000
0xBC14-
0xBC18
Res.
Res.
Res.
Res.
Res.
Res.
Res.
Res.
Res.
Res.
Res.
Res.
Res.
Res.
Res.
Res.
Res.
Res.
Res.
Res.
Res.
Res.
Res.
Res.
Res.
Res.
Res.
Res.
Res.
Res.
Res.
Res.
Res.
0xBC1C PWR_WAKEFILTR
Res.
Res.
Res.
Res.
Res.
Res.
Res.
Res.
Res.
Res.
Res.
Res.
Res.
Res.
Res.
Res.
Res.
Res.
Res.
Res.
Res.
Res.
Res.
Res.
Res.
Res.
Res.
Res.
IRQD
SC2
SC1
GPIOPIN
Reset value 0000
Table 11. PWR register map and reset values (continued)
Offset Register
31
30
29
28
27
26
25
24
23
22
21
20
19
18
17
16
15
14
13
12
11
10
9
8
7
6
5
4
3
2
1
0

DocID16252 Rev 16 89/289
STM32W108HB STM32W108CB STM32W108CC STM32W108CZ System modules
286
Refer to Figure 4: STM32W108xB memory mapping, Figure 5: STM32W108CC and
STM32W108CZ memory mapping, and Table 3: STM32W108xx peripheral register
boundary addresses for the register boundary addresses of the peripherals available in all
STM32W108xx devices.
6.6 Security accelerator
The STM32W108xx contains a hardware AES encryption engine accessible from the ARM®
Cortex®-M3. NIST-based CCM, CCM, CBC-MAC, and CTR modes are implemented in
hardware. These modes are described in the IEEE 802.15.4-2003 specification, with the
exception of CCM, which is described in the ZigBee Security Services Specification 1.0.

Integrated voltage regulator STM32W108HB STM32W108CB STM32W108CC STM32W108CZ
90/289 DocID16252 Rev 16
7 Integrated voltage regulator
The STM32W108xx integrates two low dropout regulators to provide 1.8 V and 1.25 V
power supplies. The 1V8 regulator supplies the analog and memories, and the 1V25
regulator supplies the digital core. In deep sleep the voltage regulators are disabled.
When enabled, the 1V8 regulator steps down the pads supply voltage (VDD_PADS) from a
nominal 3.0 V to 1.8 V. The regulator output pin (VREG_OUT) must be decoupled externally
with a suitable capacitor. VREG_OUT should be connected to the 1.8 V supply pins VDDA,
VDD_RF, VDD_VCO, VDD_SYNTH, VDD_IF, and VDD_MEM. The 1V8 regulator can
supply a maximum of 50 mA.
When enabled, the 1V25 regulator steps down VDD_PADS to 1.25 V. The regulator output
pin (VDD_CORE, (Pin 17) must be decoupled externally with a suitable capacitor. It should
connect to the other VDD_CORE pin (Pin 44). The 1V25 regulator can supply a maximum of
10 mA.
The regulators are controlled by the digital portion of the chip as described in Section 6:
System modules.
Table 12. 1.8 V integrated voltage regulator specifications
Parameter Min. Typ. Max. Units Comments
Supply range for regulator 2.1 3.6 V VDD_PADS
1V8 regulator output -5% 1.8 +5% V Regulator output after
initialization
1V8 regulator output after reset -5% 1.75 +5% V Regulator output after
reset
1V25 regulator output -5% 1.25 +5% V Regulator output after
initialization
1V25 regulator output after reset -5% 1.45 +5% V Regulator output after
reset
1V8 regulator capacitor - 2.2 - µF
Low ESR tantalum
capacitor
ESR greater than 2 Ω
ESR less than 10 Ω
De-coupling less than100
nF ceramic
1V25 regulator capacitor - 1.0 - µF Ceramic capacitor (0603)
1V8 regulator output current 0 - 50 mA Regulator output current
1V25 regulator output current 0 - 10 mA Regulator output current
No load current - 600 - µA No load current
(bandgap and regulators)
1V8 regulator current limit - 200 - mA Short circuit current limit
1V25 regulator current limit - 25 - mA Short circuit current limit

DocID16252 Rev 16 91/289
STM32W108HB STM32W108CB STM32W108CC STM32W108CZ Integrated voltage regulator
286
An external 1.8 V regulator may replace both internal regulators. The STM32W108xx can
control external regulators during deep sleep using open-drain GPIO PA7, as described in
Section 8: General-purpose input/output. The STM32W108xx drives PA7 low during deep
sleep to disable the external regulator and an external pull-up is required to release this
signal to indicate that supply voltage should be provided. Current consumption increases
approximately 2 mA when using an external regulator. When using an external regulator the
internal regulators should be disabled through software.
1V8 regulator start-up time - 50 - µs 0 V to POR threshold 2.2
µF capacitor
1V25 regulator start-up time - 50 - µs 0 V to POR threshold 1.0
µF capacitor
Table 12. 1.8 V integrated voltage regulator specifications (continued)
Parameter Min. Typ. Max. Units Comments

General-purpose input/output STM32W108HB STM32W108CB STM32W108CC STM32W108CZ
92/289 DocID16252 Rev 16
8 General-purpose input/output
The STM32W108xx has 24 multi-purpose GPIO pins that may be individually configured as:
•General purpose output
•General purpose open-drain output
•Alternate output controlled by a peripheral device
•Alternate open-drain output controlled by a peripheral device
•Analog
•General purpose input
•General purpose input with pull-up or pull-down resistor
The basic structure of a single GPIO is illustrated in Figure 9.
Figure 9. GPIO block diagram
A Schmitt trigger converts the GPIO pin voltage to a digital input value. The digital input
signal is then always routed to the GPIOx_IDR register; to the alternate inputs of associated
peripheral devices; to wake detection logic if wake detection is enabled; and, for certain
pins, to interrupt generation logic. Configuring a pin in analog mode disconnects the digital
input from the pin and applies a high logic level to the input of the Schmitt trigger.
Only one device at a time can control a GPIO output. The output is controlled in normal
output mode by the GPIOx_ODR register and in alternate output mode by a peripheral
device. When in input mode or analog mode, digital output is disabled.
*3,2[B2'5
*3,2[B%65
*3,2[B:$.(5
$OWHUQDWHRXWSXW
$QDORJ
IXQFWLRQV
:DNHGHWHFWLRQ
3,1
$OWHUQDWHLQSXW
9''B3$'6
*1'
9''B3$'6
*1'
2XWSXWFRQWURO
SXVKSXOO
RSHQGUDLQ RU
GLVDEOHG
6FKPLWWWULJJHU
9''B3$'6
*1'
3URWHFWLRQ
GLRGH
3URWHFWLRQ
GLRGH
3026
1026
*3,2[B&5+/
*3,2[B,'5
*3,2[B%55
069

DocID16252 Rev 16 93/289
STM32W108HB STM32W108CB STM32W108CC STM32W108CZ General-purpose input/output
286
8.1 Functional description
8.1.1 GPIO ports
The 24 GPIO pins are grouped into three ports: PA, PB, and PC. Individual GPIOs within a
port are numbered 0 to 7 according to their bit positions within the GPIO registers.
Note: Because GPIO port registers' functions are identical, the notation x is used here to refer to
A, B, or C. For example, GPIOx_IDR refers to the registers GPIOA_IDR, GPIOB_IDR, and
GPIOC_IDR.
Each of the three GPIO ports has the following registers whose low-order eight bits
correspond to the port's eight GPIO pins:
•GPIOx_IDR (input data register) returns the pin level (unless in analog mode).
•GPIOx_ODR (output data register) controls the output level in normal output mode.
•GPIOx_BRR (clear output data register) clears bits in GPIOx_ODR.
•GPIOx_BSR (set output data register) sets bits in GPIOx_ODR.
•PWR_WAKEPxR (wake monitor register) specifies the pins that can wake the
STM32W108xx.
In addition to these registers, each port has a pair of configuration registers, GPIOx_CRH
and GPIOx_CRL. These registers specify the basic operating mode for the port's pins.
GPIOx_CRL configures the pins CNFMODE3[3:0], CNFMODE2[3:0], CNFMODE1[3:0], and
CNFMODE0[3:0]. GPIOx_CRH configures the pins CNFMODE7[3:0], CNFMODE6[3:0],
CNFMODE5[3:0], and CNFMODE4[3:0]. Henceforth, the notation GPIOx_CRH/L is used to
refer to the pair of configuration registers.
Five GPIO pins (PA6, PA7, PB6, PB7 and PC0) can sink and source higher current than
standard GPIO outputs. Refer to Table 65: Digital I/O characteristics on page 266 for more
information.

General-purpose input/output STM32W108HB STM32W108CB STM32W108CC STM32W108CZ
94/289 DocID16252 Rev 16
8.1.2 Configuration
Each pin has a 4-bit configuration value in the GPIOx_CRH/L register. The various GPIO
modes and their 4 bit configuration values are shown in Table 13.
If a GPIO has two peripherals that can be the source of alternate output mode data, then
other registers in addition to GPIOx_CRH/L determine which peripheral controls the output.
Several GPIOs share an alternate output with Timer 2 and the Serial Controllers. Bits in
Timer 2's TIM2_OR register control routing Timer 2 outputs to different GPIOs. Bits in Timer
2's TIM2_CCER register enable Timer 2 outputs. When Timer 2 outputs are enabled they
override Serial Controller outputs. Table 14 indicates the GPIO mapping for Timer 2 outputs
depending on the bits in the register TIM2_OR. Refer to Section 10: General-purpose timers
on page 160 for complete information on timer configuration.
For outputs assigned to the serial controllers, the serial interface mode registers (SCx_CR)
determine how the GPIO pins are used.
Table 13. GPIO configuration modes
GPIO mode GPIOx_CRH/L Description
Analog 0x0 Analog input or output. When in analog mode, the
digital input (GPIOx_IDR) always reads 1.
Input (floating) 0x4 Digital input without an internal pull up or pull down.
Output is disabled.
Input (pull-up or pull-down) 0x8
Digital input with an internal pull up or pull down. A
set bit in GPIOx_ODR selects pull up and a cleared
bit selects pull down. Output is disabled.
Output (push-pull) 0x1 Push-pull output. GPIOx_ODR controls the output.
Output (open-drain) 0x5 Open-drain output. GPIOx_ODR controls the
output. If a pull up is required, it must be external.
Alternate Output (push-pull) 0x9 Push-pull output. An onboard peripheral controls
the output.
Alternate Output
(open-drain) 0xD
Open-drain output. An onboard peripheral controls
the output. If a pull up is required, it must be
external.
Alternate Output (push-pull)
SPI SCLK Mode 0xB Push-pull output mode only for SPI master mode
SCLK pins.
Table 14. Timer 2 output configuration controls
Timer 2 output Option register bit GPIO mapping selected by TIM2_OR bit
01
TIM2_CH1 TIM2_OR[4] PA0 PB1
TIM2_CH2 TIM2_OR[5] PA3 PB2
TIM2_CH3 TIM2_OR[6] PA1 PB3
TIM2_CH4 TIM2_OR[7] PA2 PB4

DocID16252 Rev 16 95/289
STM32W108HB STM32W108CB STM32W108CC STM32W108CZ General-purpose input/output
286
The alternate outputs of PA4 and PA5 can either provide packet trace data (PTI_EN and
PTI_DATA), or synchronous CPU trace data (TRACEDATA2 and TRACEDATA3).
If a GPIO does not have an associated peripheral in alternate output mode, its output is set
to 0.
8.1.3 Forced functions
For some GPIOs the GPIOx_CRH/L configuration may be overridden. Table 15 shows the
GPIOs that can have different functions forced on them regardless of the GPIOx_CRH/L
registers.
Note: The DEBUG_DIS bit in the GPIO_DBGCR register can disable the Serial Wire/JTAG
debugger interface. When this bit is set, all debugger-related pins (PC0, PC2, PC3, PC4)
behave as standard GPIO.
8.1.4 Reset
A full chip reset is one due to power on (low or high voltage), the NRST pin, the watchdog,
or the SYSRESETREQ bit. A full chip reset affects the GPIO configuration as follows:
•The GPIOx_CRH/L configurations of all pins are configured as floating inputs.
•The EXTREGEN bit is set in the GPIO_DBGCR register, which overrides the normal
configuration for PA7.
•The DBGDIS bit in the GPIO_DBGCR register is cleared, allowing Serial Wire/JTAG
access to override the normal configuration of PC0, PC2, PC3, and PC4.
Table 15. GPIO forced functions
GPIO Override condition Forced function Forced signal
PA7 EXTREGEN bit set in the GPIO_DBGCR
register Open-drain output REG_EN
PC0 Debugger interface is active in JTAG mode Input with pull up JRST
PC2 Debugger interface is active in JTAG mode Push-pull output JTDO
PC3 Debugger interface is active in JTAG mode Input with pull up JDTI
PC4 Debugger interface is active in JTAG mode Input with pull up JTMS
PC4 Debugger interface is active in Serial Wire
mode
Bidirectional (push-pull
output or floating input)
controlled by debugger
interface
SWDIO

General-purpose input/output STM32W108HB STM32W108CB STM32W108CC STM32W108CZ
96/289 DocID16252 Rev 16
8.1.5 nBOOTMODE
nBOOTMODE is a special alternate function of PA5 that is active only during a pin reset
(NRST) or a power-on-reset of the always-powered domain (POR_HV). If nBOOTMODE is
asserted (pulled or driven low) when coming out of reset, the processor starts executing an
embedded serial boot loader instead of its normal program.
While in reset and during the subsequent power-on-reset startup delay (512 high-frequency
RC oscillator periods), PA5 is automatically configured as an input with a pull-up resistor. At
the end of this time, the STM32W108xx samples nBOOTMODE: a high level selects normal
startup, and a low level selects the boot loader. After nBOOTMODE has been sampled, PA5
is configured as a floating input. The BOOTMODE bit in the GPIO_DBGSR register
captures the state of nBOOTMODE so that software may act on this signal if required.
Note: To avoid inadvertently asserting nBOOTMODE, PA5's capacitive load should not exceed
252 pF.
8.1.6 GPIO modes
Analog mode
Analog mode enables analog functions, and disconnects a pin from the digital input and
output logic. Only the following GPIO pins have analog functions:
•PA4, PA5, PB5, PB6, PB7, and PC1 can be analog inputs to the ADC.
•PB0 can be an external analog voltage reference input to the ADC, or it can output the
internal analog voltage reference from the ADC.
•PC6 and PC7 can connect to an optional 32.768 kHz crystal.
Note: When an external timing source is required, a 32.768 kHz crystal is commonly connected to
PC6 and PC7. Alternatively, when PC7 is configured as a digital input, PC7 can accept a
digital external clock input.
When configured in analog mode:
•The output drivers are disabled.
•The internal pull-up and pull-down resistors are disabled.
•The Schmitt trigger input is connected to a high logic level.
•Reading GPIOx_IDR returns a constant 1.
Input mode
Input mode is used both for general purpose input and for on-chip peripheral inputs. Input
floating mode disables the internal pull-up and pull-down resistors, leaving the pin in a high-
impedance state. Input pull-up or pull-down mode enables either an internal pull-up or pull-
down resistor based on the GPIOx_ODR register. Setting a bit to 0 in GPIOx_ODR enables
the pull-down and setting a bit to 1 enables the pull up.
When configured in input mode:
•The output drivers are disabled.
•An internal pull-up or pull-down resistor may be activated depending on GPIOx_CRH/L
and GPIOx_ODR.
•The Schmitt trigger input is connected to the pin.
•Reading GPIOx_IDR returns the input at the pin.
•The input is also available to on-chip peripherals.

DocID16252 Rev 16 97/289
STM32W108HB STM32W108CB STM32W108CC STM32W108CZ General-purpose input/output
286
Output mode
Output mode provides a general purpose output under direct software control. Regardless
of whether an output is configured as push-pull or open-drain, the GPIO's bit in the
GPIOx_ODR register controls the output. The GPIOx_BSR and GPIOx_BRR registers can
atomically set and clear bits within GPIOx_ODR register. These set and clear registers
simplify software using the output port because they eliminate the need to disable interrupts
to perform an atomic read-modify-write operation of GPIOx_ODR.
When configured in output mode:
•The output drivers are enabled and are controlled by the value written to GPIOx_ODR:
•In open-drain mode: 0 activates the N-MOS current sink; 1 tri-states the pin.
•In push-pull mode: 0 activates the N-MOS current sink; 1 activates the P-MOS current
source.
•The internal pull-up and pull-down resistors are disabled.
•The Schmitt trigger input is connected to the pin.
•Reading GPIOx_IDR returns the input at the pin.
•Reading GPIOx_ODR returns the last value written to the register.
Note: Depending on configuration and usage, GPIOx_ODR and GPIOx_IDR may not have the
same value.
Alternate output mode
In this mode, the output is controlled by an on-chip peripheral instead of GPIOx_ODR and
may be configured as either push-pull or open-drain. Most peripherals require a particular
output type - I2C requires an open-drain driver, for example - but since using a peripheral
does not by itself configure a pin, the GPIOx_CRH/L registers must be configured properly
for a peripheral's particular needs. As described in Section 8.1.2: Configuration on page 94,
when more than one peripheral can be the source of output data, registers in addition to
GPIOx_CRH/L determine which to use.
When configured in alternate output mode:
•The output drivers are enabled and are controlled by the output of an on-chip
peripheral:
•In open-drain mode: 0 activates the N-MOS current sink; 1 tri-states the pin.
•In push-pull mode: 0 activates the N-MOS current sink; 1 activates the P-MOS current
source.
•The internal pull-up and pull-down resistors are disabled.
•The Schmitt trigger input is connected to the pin.
•Reading GPIOx_IDR returns the input to the pin.
Note: Depending on configuration and usage, GPIOx_ODR and GPIOx_IDR may not have the
same value.
Alternate output SPI SCLK mode
SPI master mode SCLK outputs, PB3 (SC1SCLK) or PA2 (SC2SCLK), use a special output
push-pull mode reserved for those signals. Otherwise this mode is identical to alternate
output mode.

General-purpose input/output STM32W108HB STM32W108CB STM32W108CC STM32W108CZ
98/289 DocID16252 Rev 16
8.1.7 Wake monitoring
The PWR_WAKEPxR registers specify which GPIOs are monitored to wake the processor.
If a GPIO's wake enable bit is set in PWR_WAKEPxR, then a change in the logic value of
that GPIO causes the STM32W108xx to wake from deep sleep. The logic values of all
GPIOs are captured by hardware upon entering sleep. If any GPIO's logic value changes
while in sleep and that GPIO's PWR_WAKEPxR bit is set, then the STM32W108xx will
wake from deep sleep. (There is no mechanism for selecting a specific rising-edge, falling-
edge, or level on a GPIO: any change in logic value triggers a wake event.) Hardware
records the fact that GPIO activity caused a wake event, but not which specific GPIO was
responsible. Instead, software should read the state of the GPIOs on waking to determine
the cause of the event.
The register PWR_WAKEFILTR contains bits to enable digital filtering of the external
wakeup event sources: the GPIO pins, SC1 activity, SC2 activity, and IRQD. The digital filter
operates by taking samples based on the (nominal) 10 kHz LSI RC oscillator. If three
samples in a row all have the same logic value, and this sampled logic value is different from
the logic value seen upon entering sleep, the filter outputs a wakeup event.
In order to use GPIO pins to wake the STM32W108xx from deep sleep, the GPIO_SEL bit in
the EXTIx_CR register must be set. Waking up from GPIO activity does not work with pins
configured for analog mode since the digital logic input is always set to 1 when in analog
mode. Refer to Section 6: System modules on page 46 for information on the
STM32W108xx's power management and sleep modes.
8.2 External interrupts
The STM32W108xx can use up to four external interrupt sources (IRQA, IRQB, IRQC, and
IRQD), each with its own top level NVIC interrupt vector. Since these external interrupt
sources connect to the standard GPIO input path, an external interrupt pin may
simultaneously be used by a peripheral device or even configured as an output. Analog
mode is the only GPIO configuration that is not compatible with using a pin as an external
interrupt.
External interrupts have individual triggering and filtering options selected using the
registers EXTIA_TSR, EXTIB_TSR, EXTIC_TSR, and EXTID_TSR. The bit field INTMOD of
the EXTIx_TSR register enables IRQx's second level interrupt and selects the triggering
mode: 0 is disabled; 1 for rising edge; 2 for falling edge; 3 for both edges; 4 for active high
level; 5 for active low level. The minimum width needed to latch an unfiltered external
interrupt in both level- and edge-triggered mode is 80 ns. With the digital filter enabled (the
FILTEN bit in the EXTIx_TSR register is set), the minimum width needed is 450 ns.
The register EXTI_PR is the second-level interrupt flag register that indicates pending
external interrupts. Writing 1 to a bit in the EXTI_PR register clears the flag while writing 0
has no effect. If the interrupt is level-triggered, the flag bit is set again immediately after
being cleared if its input is still in the active state.
Two of the four external interrupts, IRQA and IRQB, have fixed pin assignments. The other
two external interrupts, IRQC and IRQD, can use any GPIO pin. The EXTIC_CR and
EXTID_CR registers specify the GPIO pins assigned to IRQC and IRQD, respectively.
Table 16 shows how the EXTIC_CR and EXTID_CR register values select the GPIO pin
used for the external interrupt.

DocID16252 Rev 16 99/289
STM32W108HB STM32W108CB STM32W108CC STM32W108CZ General-purpose input/output
286
In some cases, it may be useful to assign IRQC or IRQD to an input also in use by a
peripheral, for example to generate an interrupt from the slave select signal (nSSEL) in an
SPI slave mode interface.
Refer to Section 12: Interrupts on page 241 for further information regarding the
STM32W108xx interrupt system.
8.3 Debug control and status
Two GPIO registers are largely concerned with debugger functions. GPIO_DBGCR can
disable debugger operation, but has other miscellaneous control bits as well.
GPIO_DBGSR, a read-only register, returns status related to debugger activity
(FORCEDBG and SWEN), as well a flag (BOOTMODE) indicating whether nBOOTMODE
was asserted at the last power-on or NRST-based reset.
8.4 GPIO alternate functions
Table 17 lists the GPIO alternate functions.
Table 16. IRQC/D GPIO selection
EXTIx_CR GPIO EXTIx_CR GPIO EXTIx_CR GPIO
0 PA0 8 PB0 16 PC0
1 PA1 9 PB1 17 PC1
2 PA2 10 PB2 18 PC2
3 PA3 11 PB3 19 PC3
4 PA4 12 PB4 20 PC4
5 PA5 13 PB5 21 PC5
6 PA6 14 PB6 22 PC6
7 PA7 15 PB7 23 PC7
Table 17. GPIO signal assignments
GPIO Analog Alternate function Input Output current
drive
PA0 - TIM2_CH1(1),
SC2MOSI
TIM2_CH1(1),
SC2MOSI Standard
PA1 - TIM2_CH3(1),
SC2MISO, SC2SDA
TIM2_CH3(1),
SC2MISO, SC2SDA Standard
PA2 - TIM2_CH4(1),
SC2SCLK, SC2SCL
TIM2_CH4(1),
SC2SCLK Standard
PA3 - TIM2_CH2(1),
TRACECLK
TIM2_CH2(1),
SC2nSSEL Standard
PA4 ADC4 PTI_EN, TRACEDATA2 - Standard

General-purpose input/output STM32W108HB STM32W108CB STM32W108CC STM32W108CZ
100/289 DocID16252 Rev 16
PA5 ADC5 PTI_DATA,
TRACEDATA3 nBOOTMODE(2) Standard
PA6 - TIM1_CH3 TIM1_CH3 High
PA7 - TIM1_CH4, REG_EN
(3) TIM1_CH4 High
PB0 VREF TRACECLK TIM1CLK, TIM2MSK,
IRQA Standard
PB1 -
TIM2_CH1(4), SC1TXD,
SC1MOSI, SC1MISO,
SC1SDA
TIM2_CH1(4), SC1SDA Standard
PB2 - TIM2_CH2(4),
SC1SCLK
TIM2_CH2(4),
SC1MISO, SC1MOSI,
SC1SCL, SC1RXD
Standard
PB3 - TIM2_CH3(4),
SC1SCLK
TIM2_CH3(4),
SC1SCLK, UART_CTS Standard
PB4 - TIM2_CH4(4),
UART_RTS
TIM2_CH4(4),
SC1nSSEL Standard
PB5 ADC0 - TIM2CLK, TIM1MSK Standard
PB6 ADC1 TIM1_CH1 TIM1_CH1, IRQB High
PB7 ADC2 TIM1_CH2 TIM1_CH2 High
PC0 - TRACEDATA1 JRST(5) High
PC1 ADC3 TRACEDATA0, SWO - Standard
PC2 - JTDO(6), SWO - Standard
PC3 - - JTDI(5) Standard
PC4 - SWDIO(7) SWDIO(7), JTMS(5) Standard
PC5 - TX_ACTIVE - Standard
PC6 OSC32_IN nTX_ACTIVE - Standard
PC7 OSC32_OUT - OSC32_EXT Standard
1. Default signal assignment (not remapped).
2. Overrides during reset as an input with pull up.
3. Overrides after reset as an open-drain output.
4. Alternate signal assignment (remapped).
5. Overrides in JTAG mode as an input with pull up.
6. Overrides in JTAG mode as a push-pull output.
7. Overrides in Serial Wire mode as either a push-pull output, or a floating input, controlled by the debugger.
Table 17. GPIO signal assignments (continued)
GPIO Analog Alternate function Input Output current
drive

DocID16252 Rev 16 101/289
STM32W108HB STM32W108CB STM32W108CC STM32W108CZ General-purpose input/output
286
8.5 General-purpose input/output (GPIO) registers
8.5.1 Port x configuration register (Low) (GPIOx_CRL)
Address offset: 0xB000 (GPIOA_CRL), 0xB400 (GPIOB_CRL) and 0xB800 (GPIOC_CRL)
Reset value: 0x0000 4444
31 30 29 28 27 26 25 24 23 22 21 20 19 18 17 16
Reserved
15 14 13 12 11 10 9 8 7 6 5 4 3 2 1 0
CNFMODE3[3:0] CNFMODE2[3:0] CNFMODE1[3:0] CNFMODE0[3:0]
rw rw rw rw rw rw rw rw rw rw rw rw rw rw rw rw
Bits 31:16 Reserved, must be kept at reset value
Bits 15:12 CNFMODE3[3:0]: GPIO configuration control
0x0: Analog, input or output (GPIOx_IDR always reads 1)
0x1: Output, push-pull (GPIOx_ODR controls the output)
0x4: Input, floating
0x5: Output, open-drain (GPIOx_ODR controls the output)
0x8: Input, pulled up or down (selected by GPIOx_ODR: 0 = pull-down, 1 = pull-up)
0x9: Alternate output, push-pull (peripheral controls the output)
0xB: Alternate output SPI SCLK, push-pull (only for SPI master mode SCLK)
0xD: Alternate output, open-drain (peripheral controls the output)
Bits 11:8 CNFMODE2[3:0]: GPIO configuration control and mode
See CNFMODE3 above
Bits 7:4 CNFMODE1[3:0]: GPIO configuration control and mode
See CNFMODE3 above
Bits 3:0 CNFMODE0[3:0]: GPIO configuration control and mode
See CNFMODE3 above

General-purpose input/output STM32W108HB STM32W108CB STM32W108CC STM32W108CZ
102/289 DocID16252 Rev 16
8.5.2 Port x configuration register (High) (GPIOx_CRH)
Address offset: 0xB004 (GPIOA_CRH), 0xB404 (GPIOB_CRH) and 0xB804
(GPIOC_CRH)
Reset value: 0x0000 4444
31 30 29 28 27 26 25 24 23 22 21 20 19 18 17 16
Reserved
15 14 13 12 11 10 9 8 7 6 5 4 3 2 1 0
CNFMODE7[3:0] CNFMODE6[3:0] CNFMODE5[3:0] CNFMODE4[3:0]
rw rw rw rw rw rw rw rw rw rw rw rw rw rw rw rw
Bits 31:16 Reserved, must be kept at reset value
Bits 15:12 CNFMODE7[3:0]: GPIO configuration control
0x0: Analog, input or output (GPIOx_IDR always reads 1)
0x1: Output, push-pull (GPIOx_ODR controls the output)
0x4: Input, floating
0x5: Output, open-drain (GPIOx_ODR controls the output)
0x8: Input, pulled up or down (selected by GPIOx_ODR: 0 = pull-down, 1 = pull-up)
0x9: Alternate output, push-pull (peripheral controls the output)
0xB: Alternate output SPI SCLK, push-pull (only for SPI master mode SCLK)
0xD: Alternate output, open-drain (peripheral controls the output)
Bits 11:8 CNFMODE6[3:0]: GPIO configuration control and mode
See CNFMODE7 above
Bits 7:4 CNFMODE5[3:0]: GPIO configuration control and mode
See CNFMODE7 above
Bits 3:0 CNFMODE4[3:0]: GPIO configuration control and mode
See CNFMODE7 above

DocID16252 Rev 16 103/289
STM32W108HB STM32W108CB STM32W108CC STM32W108CZ General-purpose input/output
286
8.5.3 Port x input data register (GPIOx_IDR)
Address offset: 0xB008 (GPIOA_IDR), 0xB408 (GPIOB_IDR) and 0xB808 (GPIOC_IDR)
Reset value: 0x0000 0000
8.5.4 Port x output data register (GPIOx_ODR)
Address offset: 0xB00C (GPIOA_ODR), 0xB40C (GPIOB_ODR)
and 0xB80C (GPIOC_ODR)
Reset value: 0x0000 0000
31 30 29 28 27 26 25 24 23 22 21 20 19 18 17 16
Reserved
15 14 13 12 11 10 9 8 7 6 5 4 3 2 1 0
Reserved
IDRy[7:0]
rw rw rw rw rw rw rw rw
Bits 31:8 Reserved, must be kept at reset value
Bits 7:0 IDRy[7:0]: Port input data (y = 0...7)
31 30 29 28 27 26 25 24 23 22 21 20 19 18 17 16
Reserved
15 14 13 12 11 10 9 8 7 6 5 4 3 2 1 0
Reserved
ODRy[7:0]
rw rw rw rw rw rw rw rw
Bits 31:8 Reserved, must be kept at reset value
Bits 7:0 ODRy[7:0]: Port output data (y = 0...7)

General-purpose input/output STM32W108HB STM32W108CB STM32W108CC STM32W108CZ
104/289 DocID16252 Rev 16
8.5.5 Port x output set register (GPIOx_BSR)
Address offset: 0xB010 (GPIOA_BSR), 0xB410 (GPIOB_BSR)
and 0xB810 (GPIOC_BSR)
Reset value: 0x0000 0000
8.5.6 Port x output clear register (GPIOx_BRR)
Address offset: 0xB014 (GPIOA_BRR), 0xB414 (GPIOB_BRR)
and 0xB814 (GPIOC_BRR)
Reset value: 0x0000 0000
31 30 29 28 27 26 25 24 23 22 21 20 19 18 17 16
Reserved
15 14 13 12 11 10 9 8 7 6 5 4 3 2 1 0
Reserved
BSy[7:0]
rw rw rw rw rw rw rw rw
Bits 31:8 Reserved, must be kept at reset value
Bits 7:0 BSy[7:0]: Port x set bit y (y = 0...7)
0: No action on the corresponding ODRx bit
1: Reset the corresponding ODRx bit
31 30 29 28 27 26 25 24 23 22 21 20 19 18 17 16
Reserved
15 14 13 12 11 10 9 8 7 6 5 4 3 2 1 0
Reserved
BRy[7:0]
ww wwwwww
Bits 31:8 Reserved, must be kept at reset value
Bits 7:0 BRy[7:0]: Port x reset bit y (y = 0...7)
These bits are write-only and can only be accessed in Word mode.
0: No action on the corresponding ODRx bit
1: Reset the corresponding ODRx bit

DocID16252 Rev 16 105/289
STM32W108HB STM32W108CB STM32W108CC STM32W108CZ General-purpose input/output
286
8.5.7 External interrupt pending register (EXTI_PR)
Address offset: 0xA814
Reset value: 0x0000 0000
8.5.8 External interrupt x trigger selection register (EXTIx_TSR)
Address offset: 0xA860 (EXTIA_TSR), 0xA864 (EXTIB_TSR),
0xA868 (EXTIC_TSR) and 0xA86C (EXTID_TSR)
Reset value: 0x0000 0000
31 30 29 28 27 26 25 24 23 22 21 20 19 18 17 16
Reserved
15 14 13 12 11 10 9 8 7 6 5 4 3 2 1 0
Reserved
IRQDP IRQCP IRQBP IRQAP
rw rw rw rw
Bits 31:4 Reserved, must be kept at reset value
Bit 3 IRQDP: EXTI D pending flag
Bit 2 IRQCP: EXTI C pending flag
Bit 1 IRQBP: EXTI B pending flag
Bit 0 IRQAP: EXTI A pending flag
31 30 29 28 27 26 25 24 23 22 21 20 19 18 17 16
Reserved
15 14 13 12 11 10 9 8 7 6 5 4 3 2 1 0
Reserved
FILTE
NINTMOD[2:0]
Reserved
rw rw rw rw
Bits 31:9 Reserved, must be kept at reset value
Bit 8 FILTEN:
Set this bit to enable digital filtering on IRQx.
Bits 7:5 INTMOD[2:0]: EXTIx triggering mode
0x0: Disabled
0x1: Rising edge triggered
0x2: Falling edge triggered
0x3: Rising and falling edge triggered.
0x4: Active high level triggered
0x5: Active low level triggered
0x6, 0x7: Reserved, must be kept at reset
value
Bits 4:0 Reserved, must be kept at reset value

General-purpose input/output STM32W108HB STM32W108CB STM32W108CC STM32W108CZ
106/289 DocID16252 Rev 16
8.5.9 External interrupt x configuration register (EXTIx_CR)
Address offset: 0xBC14 (EXTIC_CR) and 0xBC18 (EXTID_CR)
Reset value: 0x0000 000F (EXTIC_CR) and 0x0000 0010 (EXTID_CR)
8.5.10 PC TRACE or debug select register (GPIO_PCTRACECR)
Address offset: 0x4000 4028
Reset value: 0x0000 0000
31 30 29 28 27 26 25 24 23 22 21 20 19 18 17 16
Reserved
15 14 13 12 11 10 9 8 7 6 5 4 3 2 1 0
Reserved
GPIO_SEL[4:0]
rw rw rw rw rw
Bits 31:5 Reserved, must be kept at reset value
Bits 4:0 GPIO_SEL[4:0]: Pin assigned to EXTIx
0x00: PA0
0x01: PA1
0x02: PA2
0x03: PA3
0x04: PA4
0x05: PA5
0x06: PA6
0x07: PA7
0x08: PB0
0x09: PB1
0x0A: PB2
0x0B: PB3
0x0C: PB4
0x0D: PB5
0x0E: PB6
0x0F: PB7
0x10: PC0
0x11: PC1
0x12: PC2
0x13: PC3
0x14: PC4
0x15: PC5
0x16: PC6
0x17: PC7
0x18 - 0x1F: Reserved, must be kept at reset value
31 30 29 28 27 26 25 24 23 22 21 20 19 18 17 16
Reserved
15 14 13 12 11 10 9 8 7 6 5 4 3 2 1 0
Reserved
SEL
rws
Bits 31:1 Reserved, must be kept at reset value
Bit 0 SEL: Channel encoding
1: PC trace
0: BB debug

DocID16252 Rev 16 107/289
STM32W108HB STM32W108CB STM32W108CC STM32W108CZ General-purpose input/output
286
8.5.11 GPIO debug configuration register (GPIO_DBGCR)
Address offset: 0xBC00
Reset value: 0x0000 0010
8.5.12 GPIO debug status register (GPIO_DBGSR)
Address offset: 0xBC04
Reset value: 0x0000 0000
31 30 29 28 27 26 25 24 23 22 21 20 19 18 17 16
Reserved
15 14 13 12 11 10 9 8 7 6 5 4 3 2 1 0
Reserved
DBGDIS EXTR
EGEN
PAD
DRIVE Reserved
rw rw rw
Bit 31:6 Reserved, must be kept at reset value
Bit 5 DBGDIS: Disable debug interface override of normal GPIO configuration
0: Permits debug interface to be active.
1: Disables debug interface (if it is not already active).
Bit 4 EXTREGEN: Disable REG_EN override of PA7's normal GPIO configuration
0: Enable override
1: Disable override
Bit 3 PADDRIVE: Global pad drive strength
0: Disables the pad drive strength
1: Enables the pad drive strength
Bit 2:0 Reserved, must be kept at reset value
31 30 29 28 27 26 25 24 23 22 21 20 19 18 17 16
Reserved
15 14 13 12 11 10 9 8 7 6 5 4 3 2 1 0
Reserved
BOOT
MODE Reserved
FORCE
DBG SWEN
rrr
Bit 31:4 Reserved, must be kept at reset value
Bit 3 BOOTMODE: The state of the nBOOTMODE signal sampled at the end of reset
0: nBOOTMODE was not asserted (it read high)
1: nBOOTMODE was asserted (it read low)

General-purpose input/output STM32W108HB STM32W108CB STM32W108CC STM32W108CZ
108/289 DocID16252 Rev 16
8.5.13 General-purpose input/output (GPIO) register map
Table 18 gives the GPIO register map and reset values.
Bit 2 Reserved, must be kept at reset value
Bit 1 FORCEDBG: Status of debugger interface
0: Debugger interface not forced active
1: Debugger interface forced active by debugger cable
Bit 0 SWEN: Status of Serial Wire interface
0: Not enabled by SWJ-DP
1: Enabled by SWJ-DP
Table 18. GPIO register map and reset values
Offset
GPIO
A/B/C/D Register
31
30
29
28
27
26
25
24
23
22
21
20
19
18
17
16
15
14
13
12
11
10
9
8
7
6
5
4
3
2
1
0
0x00 GPIOA_CRL
Res.
Res.
Res.
Res.
Res.
Res.
Res.
Res.
Res.
Res.
Res.
Res.
Res.
Res.
Res.
Res.
CNFMODE3
[3:0]
CNFMODE2
[3:0]
CNFMODE1
[3:0]
CNFMODE0
[3:0]
Reset value 0100010001000100
0x04 GPIOx_CRH
Res.
Res.
Res.
Res.
Res.
Res.
Res.
Res.
Res.
Res.
Res.
Res.
Res.
Res.
Res.
Res.
CNFMODE7
[3:0]
CNFMODE6
[3:0]
CNFMODE5
[3:0]
CNFMODE4
[3:0]
Reset value 0100010001000100
0x08 GPIOx_IDR
Res.
Res.
Res.
Res.
Res.
Res.
Res.
Res.
Res.
Res.
Res.
Res.
Res.
Res.
Res.
Res.
Res.
Res.
Res.
Res.
Res.
Res.
Res.
Res.
IDR7
IDR6
IDR5
IDR4
IDR3
IDR2
IDR1
IDR0
Reset value 00000000
0x0C GPIOx_ODR
Res.
Res.
Res.
Res.
Res.
Res.
Res.
Res.
Res.
Res.
Res.
Res.
Res.
Res.
Res.
Res.
Res.
Res.
Res.
Res.
Res.
Res.
Res.
Res.
ODR7
ODR6
ODR5
ODR4
ODR3
ODR2
ODR1
ODR0
Reset value 00000000
0x10 GPIOx_BSR
Res.
Res.
Res.
Res.
Res.
Res.
Res.
Res.
Res.
Res.
Res.
Res.
Res.
Res.
Res.
Res.
Res.
Res.
Res.
Res.
Res.
Res.
Res.
Res.
BS7
BS6
BS5
BS4
BS3
BS2
BS1
BS0
Reset value 00000000
0x14 GPIOx_BRR
Res.
Res.
Res.
Res.
Res.
Res.
Res.
Res.
Res.
Res.
Res.
Res.
Res.
Res.
Res.
Res.
Res.
Res.
Res.
Res.
Res.
Res.
Res.
Res.
BR7
BR6
BR5
BR4
BR3
BR2
BR1
BR0
Reset value 00000000
0xA814 EXTI_PR
Res.
Res.
Res.
Res.
Res.
Res.
Res.
Res.
Res.
Res.
Res.
Res.
Res.
Res.
Res.
Res.
Res.
Res.
Res.
Res.
Res.
Res.
Res.
Res.
Res.
Res.
Res.
Res.
IRQDP
IRQCP
IRQBP
IRQAP
Reset value 0000
0xA818-
0xA85C
Res.
Res.
Res.
Res.
Res.
Res.
Res.
Res.
Res.
Res.
Res.
Res.
Res.
Res.
Res.
Res.
Res.
Res.
Res.
Res.
Res.
Res.
Res.
Res.
Res.
Res.
Res.
Res.
Res.
Res.
Res.
Res.
Res.
0xA860 EXTIA_TSR
Res.
Res.
Res.
Res.
Res.
Res.
Res.
Res.
Res.
Res.
Res.
Res.
Res.
Res.
Res.
Res.
Res.
Res.
Res.
Res.
Res.
Res.
Res.
FILTEN
INT
MODE
[3:0]
Res.
Res.
Res.
Res.
Res.
Reset value 0000
0xA864 EXTIB_TSR
Res.
Res.
Res.
Res.
Res.
Res.
Res.
Res.
Res.
Res.
Res.
Res.
Res.
Res.
Res.
Res.
Res.
Res.
Res.
Res.
Res.
Res.
Res.
FILTEN
INT
MODE
[3:0]
Res.
Res.
Res.
Res.
Res.
Reset value 0000
0xA868 EXTIC_TSR
Res.
Res.
Res.
Res.
Res.
Res.
Res.
Res.
Res.
Res.
Res.
Res.
Res.
Res.
Res.
Res.
Res.
Res.
Res.
Res.
Res.
Res.
Res.
FILTEN
INT
MODE
[3:0]
Res.
Res.
Res.
Res.
Res.
Reset value 0000

DocID16252 Rev 16 109/289
STM32W108HB STM32W108CB STM32W108CC STM32W108CZ General-purpose input/output
286
Refer to Figure 4: STM32W108xB memory mapping, Figure 5: STM32W108CC and
STM32W108CZ memory mapping, and Table 3: STM32W108xx peripheral register
boundary addresses for the register boundary addresses of the peripherals available in all
STM32W108xx devices.
0xA86C EXTID_TSR
Res.
Res.
Res.
Res.
Res.
Res.
Res.
Res.
Res.
Res.
Res.
Res.
Res.
Res.
Res.
Res.
Res.
Res.
Res.
Res.
Res.
Res.
Res.
FILTEN
INT
MODE
[3:0]
Res.
Res.
Res.
Res.
Res.
Reset value 0000
0xA870-
0xBC10
Res.
Res.
Res.
Res.
Res.
Res.
Res.
Res.
Res.
Res.
Res.
Res.
Res.
Res.
Res.
Res.
Res.
Res.
Res.
Res.
Res.
Res.
Res.
Res.
Res.
Res.
Res.
Res.
Res.
Res.
Res.
Res.
Res.
0xBC14 EXTIC_CR
Res.
Res.
Res.
Res.
Res.
Res.
Res.
Res.
Res.
Res.
Res.
Res.
Res.
Res.
Res.
Res.
Res.
Res.
Res.
Res.
Res.
Res.
Res.
Res.
Res.
Res.
Res.
GPIO_SEL
[4:0]
Reset value 01111
0xBC18 EXTID_CR
Res.
Res.
Res.
Res.
Res.
Res.
Res.
Res.
Res.
Res.
Res.
Res.
Res.
Res.
Res.
Res.
Res.
Res.
Res.
Res.
Res.
Res.
Res.
Res.
Res.
Res.
Res.
GPIO_SEL
[4:0]
Reset value 01111
0x4028
GPIO_PCTRACE
CR
Res.
Res.
Res.
Res.
Res.
Res.
Res.
Res.
Res.
Res.
Res.
Res.
Res.
Res.
Res.
Res.
Res.
Res.
Res.
Res.
Res.
Res.
Res.
Res.
Res.
Res.
Res.
Res.
Res.
Res.
Res.
SEL
Reset value 0
0x402C-
0xBBFC
Res.
Res.
Res.
Res.
Res.
Res.
Res.
Res.
Res.
Res.
Res.
Res.
Res.
Res.
Res.
Res.
Res.
Res.
Res.
Res.
Res.
Res.
Res.
Res.
Res.
Res.
Res.
Res.
Res.
Res.
Res.
Res.
Res.
0xBC00 GPIO_DBGCR
Res.
Res.
Res.
Res.
Res.
Res.
Res.
Res.
Res.
Res.
Res.
Res.
Res.
Res.
Res.
Res.
Res.
Res.
Res.
Res.
Res.
Res.
Res.
Res.
Res.
Res.
DBGDIS
EXTREGEN
PADDRIVE
Res.
Res.
Res.
Reset value 010
0xBC04 GPIO_DBGSR
Res.
Res.
Res.
Res.
Res.
Res.
Res.
Res.
Res.
Res.
Res.
Res.
Res.
Res.
Res.
Res.
Res.
Res.
Res.
Res.
Res.
Res.
Res.
Res.
Res.
Res.
Res.
Res.
BOOTMODE
Res.
FORCEDBG
SWEN
Reset value 000
Table 18. GPIO register map and reset values (continued)
Offset
GPIO
A/B/C/D Register
31
30
29
28
27
26
25
24
23
22
21
20
19
18
17
16
15
14
13
12
11
10
9
8
7
6
5
4
3
2
1
0

Serial interfaces STM32W108HB STM32W108CB STM32W108CC STM32W108CZ
110/289 DocID16252 Rev 16
9 Serial interfaces
9.1 Functional description
The STM32W108xx has two serial controllers, SC1 and SC2, which provide several options
for full-duplex synchronous and asynchronous serial communications.
•SPI (Serial Peripheral Interface), master or slave
•I2C (Inter-Integrated Circuit), master only
•UART (Universal Asynchronous Receiver/Transmitter), SC1 only
•Receive and transmit FIFOs and DMA channels, SPI and UART modes
Receive and transmit FIFOs allow faster data speeds using byte-at-a-time interrupts. For
the highest SPI and UART speeds, dedicated receive and transmit DMA channels reduce
CPU loading and extend the allowable time to service a serial controller interrupt. Polled
operation is also possible using direct access to the serial data registers. Figure 10 shows
the components of the serial controllers.
Note: The notation SCx means that either SC1 or SC2 may be substituted to form the name of a
specific register or field within a register.

DocID16252 Rev 16 111/289
STM32W108HB STM32W108CB STM32W108CC STM32W108CZ Serial interfaces
286
Figure 10. Serial controller block diagram
9.2 Configuration
Before using a serial controller, it should be configured and initialized as follows:
1. Set up the parameters specific to the operating mode (master/slave for SPI, baud rate
for UART, etc.).
2. Configure the GPIO pins used by the serial controller as shown in Table 19 and
Table 20. Section 8.1.2: Configuration on page 94 shows how to configure GPIO
069
6&B8$5765
6&[B63,65
6&[B63,&5
6&[B,&65
6&[B,&&5
6&[B,&&5
6&[B&556&[B&55
6&B8$57%556&B8$57%55 %DXG*HQHUDWRU
&ORFN*HQHUDWRU
8$57
&RQWUROOHU
,&0DVWHU
&RQWUROOHU
6&[B'5
63,0DVWHU
&RQWUROOHU
8$57
63,
,&
2))
6&[B&5
Q576
Q&76
6&/.
026,
0,62
6'$
7;'
5;'
5;),)2
7;),)2
6&[B'0$65
6&[B'0$&5
6&[B'0$5;(55$56&[B'0$5;(55%5
'0$
&RQWUROOHU
6&/
6&[B,65
6&[B,(5
6&B8$57&5
6&[,QWHUUXSW
6&[7; '0$
FKDQQHO
6&[5; '0$
FKDQQHO
63,6ODYH
&RQWUROOHU
Q66(/
6&[B'0$5;&176$9('5
6&
RQO\
6&[B'0$7;&175
6&[B'0$5;&17$5
6&[B'0$5;&17%5
6&[B'0$5;%(*$''$5
6&[B'0$5;%(*$''%5
6&[B'0$7;%(*$''$5
6&[B'0$7;%(*$''% 5
6&[B'0$5;(1'$''$5
6&[B'0$7;(1'$''$5
6&[B'0$5;(1'$''%5
6&[B'0$7;(1'$''% 5

Serial interfaces STM32W108HB STM32W108CB STM32W108CC STM32W108CZ
112/289 DocID16252 Rev 16
pins."If using DMA, set up the DMA and buffers. This is described fully in Section 9.12:
Serial controller: Direct memory access (DMA) registers on page 145.
3. If using interrupts, select edge- or level-triggered interrupts with the SCx_ICR register,
enable the desired second-level interrupt sources in the SCx_IER register, and finally
enable the top-level SCx interrupt in the NVIC.
4. Write the serial interface operating mode - SPI, I2C, or UART - to the SCx_CR register.
9.3 SPI master mode
The SPI master controller has the following features:
•Full duplex operation
•Programmable clock frequency (6 MHz max. for STM32W108xB and 12 MHz max for
STM32W108CC and STM32W108CZ)
•Programmable clock polarity and phase
•Selectable data shift direction (either LSB or MSB first)
•Receive and transmit FIFOs
•Receive and transmit DMA channels
Table 19. SC1 GPIO usage and configuration
Interface PB1 PB2 PB3 PB4
SPI - Master SC1MOSI alternate
output (push-pull) SC1MISO input
SC1SCLK alternate
output (push-pull);
special SCLK mode
(not used)
SPI - Slave SC1MISO alternate
output (push-pull) SC1MOSI input SC1SCLK input SC1nSSEL input
I2C - Master SC1SDA alternate
output (open-drain)
SC1SCL alternate
output (open-drain) (not used) (not used)
UART TXD alternate
output (push-pull) RXD input nCTS input (1)
1. used if RTS/CTS hardware flow control is enabled.
nRTS alternate
output (push-pull)
(1)
Table 20. SC2 GPIO usage and configuration
Interface PA0 PA1 PA2 PA3
SPI - Master
SC2MOSI
Alternate Output
(push-pull)
SC2MISO Input
SC2SCLK
Alternate Output
(push-pull), special
SCLK mode
(not used)
SPI - Slave
SC2MOSI
Alternate Output
(push-pull)
SC2MISO Input SC2SCLK Input SC2nSSEL Input
I2C - Master (not used) SC2SDA Alternate
Output (open-drain)
SC2SCL Alternate
Output (open-drain) (not used)

DocID16252 Rev 16 113/289
STM32W108HB STM32W108CB STM32W108CC STM32W108CZ Serial interfaces
286
The SPI master controller uses the three signals:
•MOSI (Master Out, Slave In) - outputs serial data from the master
•MISO (Master In, Slave Out) - inputs serial data from a slave
•SCLK (Serial Clock) - outputs the serial clock used by MOSI and MISO
The GPIO pins used for these signals are shown in Table 21. Additional outputs may be
needed to drive the nSSEL signals on slave devices.
9.3.1 Setup and configuration
Both serial controllers, SC1 and SC2, support SPI master mode. SPI master mode is
enabled by the following register settings:
•The serial controller mode register (SCx_CR) is ‘2’.
•The MSTR bit in the SPI configuration register (SCx_SPICR) is ‘1’.
•The ACK bit in the I2C control register (SCx_I2CCR2) is ‘1’.
The SPI serial clock (SCLK) is produced by a programmable clock generator. The serial
clock is produced by dividing down 12 MHz according to this equation:
EXP is the value written to the SCx_CRR2 register and LIN is the value written to the
SCx_CRR1 register. The SPI master mode clock may not exceed 6 Mbps, so EXP and LIN
cannot both be zero.
The SPI master controller supports various frame formats depending upon the clock polarity
(CPOL), clock phase (CPHA), and direction of data (LSBFIRST) (see SPI master mode
formats on page 114). The bits CPOL, CPHA, and LSBFIRST are defined within the
SCx_SPICR register.
Table 21. SPI master GPIO usage
Parameter MOSI MISO SCLK
Direction Output Input Output
GPIO
configuration
Alternate Output
(push-pull) Input Alternate Output (push-pull)
Special SCLK mode
SC1 pin PB1 PB2 PB3
SC2 pin PA0 PA1 PA2
Rate 12MHz
LIN 1+()x2EXP
-----------------------------------------=

Serial interfaces STM32W108HB STM32W108CB STM32W108CC STM32W108CZ
114/289 DocID16252 Rev 16
9.3.2 Operation
Characters transmitted and received by the SPI master controller are buffered in transmit
and receive FIFOs that are both 4 entries deep. When software writes a character to the
SCx_DR register, the character is pushed onto the transmit FIFO. Similarly, when software
reads from the SCx_DR register, the character returned is pulled from the receive FIFO. If
the transmit and receive DMA channels are used, they also write to and read from the
transmit and receive FIFOs.
When the transmit FIFO and the serializer are both empty, writing a character to the transmit
FIFO clears the IDLE bit in the SCx_SPISR register. This indicates that some characters
have not yet been transmitted. If characters are written to the transmit FIFO until it is full, the
TXE bit in the SCx_SPISR register is cleared. Shifting out a character to the MOSI pin sets
the TXE bit in the SCx_SPISR register. When the transmit FIFO empties and the last
character has been shifted out, the IDLE bit in the SCx_SPISR register is set.
Table 22. SPI master mode formats
SCx_SPICR
Frame formats
MSTR LSB
FIRST CPHA CPOL
1000
1001
1010
1011
1 1 - - Same as above except data is sent LSB first instead of MSB first.
SCLK
out
MOSI
out
MISO
in
RX[7]
TX[7]
RX[6]
TX[6]
RX[5]
TX[ 5]
RX[4]
TX[4]
RX[3]
TX[3]
RX[2]
TX[2]
RX[1]
TX[ 1]
RX[0]
TX[0]
MOSI
out
MISO
in
RX[7]
TX[7]
RX[6]
TX[6]
RX[5]
TX[5]
RX[4]
TX[4]
RX[3]
TX[3]
RX[2]
TX[ 2]
RX[1]
TX[1]
RX[0]
TX[0]
SCLK
out
MOSI
out
MISO
in
RX[7]
TX[7]
RX[6]
TX[6]
RX[5]
TX[5]
RX[4]
TX[4]
RX[3]
TX[3]
RX[2]
TX[2]
RX[1]
TX[1]
RX[0]
TX[0]
SCLK
out
MOSI
out
MISO
in
RX[7]
TX[7]
RX[6]
TX[6]
RX[5]
TX[5]
RX[4]
TX[4]
RX[3]
TX [3]
RX[2]
TX[2]
RX[1]
TX[1]
RX[0]
TX[0]
SCLK
out

DocID16252 Rev 16 115/289
STM32W108HB STM32W108CB STM32W108CC STM32W108CZ Serial interfaces
286
Characters received are stored in the receive FIFO. Receiving characters sets the RXNE bit
in the SCx_SPISR register, indicating that characters can be read from the receive FIFO.
Characters received while the receive FIFO is full are dropped, and the OVF bit in the
SCx_SPISR register is set. The receive FIFO hardware generates the OVR, but the DMA
register will not indicate the error condition until the receive FIFO is drained. Once the DMA
marks a receive error, two conditions will clear the error indication: setting the appropriate
TXRST/RXRST bit in the SCx_DMACR register, or loading the appropriate DMA buffer after
it has unloaded.
To receive a character, you must transmit a character. If a long stream of receive characters
is expected, a long sequence of dummy transmit characters must be generated. To avoid
software or transmit DMA initiating these transfers and consuming unnecessary bandwidth,
the SPI serializer can be instructed to retransmit the last transmitted character or to transmit
a busy token (0xFF), which is determined by the RPTEN bit in the SCx_SPICR register. This
functionality can only be enabled or disabled when the transmit FIFO is empty and the
transmit serializer is idle, indicated by a cleared IDLE bit in the SCx_SPISR register.
Every time an automatic character transmission starts, a transmit underrun is detected as
there is no data in transmit FIFO, and the UDR bit in the SC2_ISR register is set. After
automatic character transmission is disabled, no more new characters are received. The
receive FIFO holds characters just received.
Note: The Receive DMA complete event does not always mean the receive FIFO is empty.
The DMA Channels section describes how to configure and use the serial receive and
transmit DMA channels.
9.3.3 Interrupts
SPI master controller second level interrupts are generated by the following events:
•Transmit FIFO empty and last character shifted out (depending on SCx_ICR, either the
0 to 1 transition or the high level of IDLE)
•Transmit FIFO changed from full to not full (depending on SCx_ICR, either the 0 to 1
transition or the high level of TXE)
•Receive FIFO changed from empty to not empty (depending on SCx_ICR, either the 0
to 1 transition or the high level of RXNE)
•Transmit DMA buffer A/B complete (1 to 0 transition of TXAACK/TXBACK)
•Receive DMA buffer A/B complete (1 to 0 transition of RXAACK/RXBACK)
•Received and lost character while receive FIFO was full (receive overrun error)
•Transmitted character while transmit FIFO was empty (transmit underrun error)
To enable CPU interrupts, set the desired interrupt bits in the SCx_IER register.

Serial interfaces STM32W108HB STM32W108CB STM32W108CC STM32W108CZ
116/289 DocID16252 Rev 16
9.4 SPI slave mode
Both SC1 and SC2 SPI controllers include a SPI slave controller with these features:
•Full duplex operation
•Up to 5 Mbps data transfer rate
•Programmable clock polarity and clock phase
•Selectable data shift direction (either LSB or MSB first)
•Slave select input
The SPI slave controller uses four signals:
•MOSI (Master Out, Slave In) - inputs serial data from the master
•MISO (Master In, Slave Out) - outputs serial data to the master
•SCLK (Serial Clock) - clocks data transfers on MOSI and MISO
•nSSEL (Slave Select) - enables serial communication with the slave
The GPIO pins that can be assigned to these signals are shown in Table 23.
9.4.1 Setup and configuration
Both serial controllers, SC1 and SC2, support SPI slave mode. SPI slave mode is enabled
by the following register settings:
•The serial controller mode register, SCx_CR, is ‘2’.
•The MSTR bit in the SPI configuration register, SCx_SPICR, is ‘0’.
The SPI slave controller receives its clock from an external SPI master device and supports
rates up to 5 Mbps.
The SPI slave controller supports various frame formats depending upon the clock polarity
(CPOL), clock phase (CPHA), and direction of data (LSBFIRST). The CPOL, CPHA, and
LSBFIRST bits are defined within the SCx_SPICR register.
Table 23. SPI slave GPIO usage
Parameter MOSI MISO SCLK nSSEL
Direction Input Output Input Input
GPIO
configuration Input Alternate Output
(push-pull) Input Input
SC1 pin PB2 PB1 PB3 PB4
SC2 pin PA0 PA1 PA2 PA3

DocID16252 Rev 16 117/289
STM32W108HB STM32W108CB STM32W108CC STM32W108CZ Serial interfaces
286
9.4.2 Operation
When the slave select (nSSEL) signal is asserted by the master, SPI transmit data is driven
to the output pin MISO, and SPI data is received from the input pin MOSI. The nSSEL pin
has to be asserted to enable the transmit serializer to drive data to the output signal MISO.
A falling edge on nSSEL resets the SPI slave shift registers.
Characters transmitted and received by the SPI slave controller are buffered in the transmit
and receive FIFOs that are both 4 entries deep. When software writes a character to the
SCx_DR register, it is pushed onto the transmit FIFO. Similarly, when software reads from
the SCx_DR register, the character returned is pulled from the receive FIFO. If the transmit
and receive DMA channels are used, the DMA channels also write to and read from the
transmit and receive FIFOs.
Table 24. SPI slave mode formats
SCx_SPICR
Frame format
MSTR LSB
FIRST CPHA CPOL
0000
0001
0010
0011
0 1 - - Same as above except LSB first instead of MSB first.
TX[ 7]
RX[7]
TX[6]
RX[6]
TX[5]
RX[5]
TX[4]
RX[4]
TX[3]
RX[3]
TX[2]
RX[2]
TX[1]
RX[1]
TX[0]
RX[0]
nSSEL
SCLK
in
MOSI
in
MISO
out
TX[7]
RX[7]
TX[6]
RX[6]
TX[5]
RX[5]
TX[4]
RX[4]
TX[3]
RX[3]
TX[2]
RX[2]
TX[1]
RX[1]
TX[0]
RX[0]
SCLK
in
MOSI
in
MISO
out
TX[7]
RX[7]
TX[6]
RX[6]
TX[5]
RX[5]
TX[ 4]
RX[4]
TX[3]
RX[3]
TX[2]
RX[2]
TX[1]
RX[1]
TX[0]
RX[0]
nSSEL
SCLKin
MOSIin
MISOout
TX[ 7]
RX[7]
TX[6]
RX[6]
TX[5]
RX[5]
TX[4]
RX[4]
TX[3]
RX[3]
TX[2]
RX[2]
TX[1]
RX[1]
TX[ 0]
RX[0]
nSSEL
MOSI
in
MISO
out
SCLK
in

Serial interfaces STM32W108HB STM32W108CB STM32W108CC STM32W108CZ
118/289 DocID16252 Rev 16
Characters received are stored in the receive FIFO. Receiving characters sets the RXNE bit
in the SCx_SPISR register, to indicate that characters can be read from the receive FIFO.
Characters received while the receive FIFO is full are dropped, and the OVF bit in the
SCx_SPISR register is set. The receive FIFO hardware generates the OVR interrupt, but
the DMA register will not indicate the error condition until the receive FIFO is drained. Once
the DMA marks a receive error, two conditions will clear the error indication: setting the
appropriate TXRST/RXRST bit in the SCx_DMACR register, or loading the appropriate
DMA buffer after it has unloaded.
Receiving a character causes the serial transmission of a character pulled from the transmit
FIFO. When the transmit FIFO is empty, a transmit underrun is detected (no data in transmit
FIFO) and the UDR bit in the SCx_ISR register is set. Because no character is available for
serialization, the SPI serializer retransmits the last transmitted character or a busy token
(0xFF), determined by the RPTEN bit in the SCx_SPICR register.
When the transmit FIFO and the serializer are both empty, writing a character to the transmit
FIFO clears the IDLE bit in the SCx_SPISR register. This indicates that not all characters
have been transmitted. If characters are written to the transmit FIFO until it is full, the TXE
bit in the SCx_SPISR register is cleared. Shifting out a transmit character to the MISO pin
causes the TXE bit in the SCx_SPISR register to get set. When the transmit FIFO empties
and the last character has been shifted out, the IDLE bit in the SCx_SPISR register is set.
The SPI slave controller must guarantee that there is time to move new transmit data from
the transmit FIFO into the hardware serializer. To provide sufficient time, the SPI slave
controller inserts a byte of padding at the start of every new string of transmit data. After
slave select asserts and the RXNE bit in the SCx_SPISR register gets set at least once, the
following operation holds true until slave select deasserts. Whenever the transmit FIFO is
empty and data is placed into the transmit FIFO, either manually or through DMA, the SPI
hardware inserts a byte of padding onto the front of the transmission as if this byte was
placed there by software. The value of the byte of padding that is inserted is selected by the
RPTEN bit in the SCx_SPICR register.
9.4.3 DMA
The DMA Channels section describes how to configure and use the serial receive and
transmit DMA channels.
When using the receive DMA channel and nSSEL transitions to the high (deasserted) state,
the active buffer's receive DMA count register (SCx_DMARXCNTAR/SCx_DMARXCNTBR)
is saved in the SCx_DMARXCNTSAVEDR register. SCx_DMARXCNTSAVEDR is only
written the first time nSSEL goes high after a buffer has been loaded. Subsequent rising
edges set a status bit but are otherwise ignored. The 3-bit field NSSS in the SCx_DMASR
register records what, if anything, was saved to the SCx_DMARXCNTSAVEDR register, and
whether or not another rising edge occurred on nSSEL.

DocID16252 Rev 16 119/289
STM32W108HB STM32W108CB STM32W108CC STM32W108CZ Serial interfaces
286
9.4.4 Interrupts
SPI slave controller second level interrupts are generated on the following events:
•Transmit FIFO empty and last character shifted out (depending on SCx_ICR, either the
0 to 1 transition or the high level of IDLE)
•Transmit FIFO changed from full to not full (depending on SCx_ICR, either the 0 to 1
transition or the high level of TXE)
•Receive FIFO changed from empty to not empty (depending on SCx_ICR, either the 0
to 1 transition or the high level of RXNE)
•Transmit DMA buffer A/B complete (1 to 0 transition of TXAACK/TXBACK)
•Receive DMA buffer A/B complete (1 to 0 transition of RXAACK/RXBACK)
•Received and lost character while receive FIFO was full (receive overrun error)
•Transmitted character while transmit FIFO was empty (transmit underrun error)
To enable CPU interrupts, set desired interrupt bits in the second level SCx_IER register.
9.5 Inter-integrated circuit interfaces (I2C)
Both STM32W108xx serial controllers SC1 and SC2 include an Inter-integrated circuit
interface (I2C) master controller with the following features:
•Uses only two bidirectional GPIO pins
•Programmable clock frequency (up to 400 kHz)
•Supports both 7-bit and 10-bit addressing
•Compatible with Philips' I2C-bus slave devices
The I2C master controller uses just two signals:
•SDA (Serial Data) - bidirectional serial data
•SCL (Serial Clock) - bidirectional serial clock
Table 25 lists the GPIO pins used by the SC1 and SC2 I2C master controllers. Because the
pins are configured as open-drain outputs, they require external pull-up resistors.
Table 25. I2C Master GPIO Usage
Parameter SDA SCL
Direction Input / Output Input / Output
GPIO configuration Alternate Output
(open drain)
Alternate Output
(open drain)
SC1 pin PB1 PB2
SC2 pin PA1 PA2

Serial interfaces STM32W108HB STM32W108CB STM32W108CC STM32W108CZ
120/289 DocID16252 Rev 16
9.5.1 Setup and configuration
The I2C controller is enabled by writing 3 to the SCx_CR register. The I2C controller
operates only in master mode and supports both Standard (100 kbps) and Fast (400 kbps)
I2C modes. Address arbitration is not implemented, so multiple master applications are not
supported.
The I2C master controller's serial clock (SCL) is produced by a programmable clock
generator. SCL is produced by dividing down 12 MHz according to this equation:
EXP is the value written to the SCx_CRR2 register and LIN is the value written to the
SCx_CRR1 register. I2C clock rate programming on page 120 shows the rate settings for
Standard-Mode I2C (100 kbps) and Fast-Mode I2C (400 kbps) operation.
Note: At 400 kbps, the Philips I2C Bus specification requires the minimum low period of SCL to be
1.3 µs, but on the STM32W108 it is 1.25 µs. If a slave device requires strict compliance with
SCL timing, the clock rate must be lowered to 375 kbps.
9.5.2 Constructing frames
The I2C master controller supports generating various frame segments by means of the
START, STOP, BTE, and BRE bits in the SCx_I2CCR1 registers. Figure 27 summarizes
these frames.
Table 26. I2C clock rate programming
Clock rate SCx_CRR1 SCx_CRR2
100 kbps 14 3
375 kbps 15 1
400 kbps 14 1
Rate 12MHz
LIN 1+()x2EXP
-----------------------------------------=

DocID16252 Rev 16 121/289
STM32W108HB STM32W108CB STM32W108CC STM32W108CZ Serial interfaces
286
Table 27. I2C master frame segments
SCx_12CCR1 Frame segments
START BTE BRE STOP
1000
0100
0010
0001
0 0 0 0 No pending frame segment
1
-
-
1
1
1
-
-
-
1
1
-
-
-
1
1
Illegal
TWI re-start segment - after transmit or frame with NACK
SDA
out
SDA
outSLAVE
SCL
outSLAVE
SCL
out
TWI start segment
SDA
out
SDA
outSLAVE
SCL
outSLAVE
SCL
out
SCL
out
TX[7]TX[6]TX[5]TX[4]TX[3]TX[2]TX[1]TX[0]
SDA
out
SDA
outSLAVE
SCL
outSLAVE
(N)ACK
TWI transmit segment - after (re-)start frame
SCL
out
TX[7]TX[6]TX[5]TX[4]TX[3]TX[2]TX[1]TX[0]
SDA
out
SDA
outSLAVE
SCL
outSLAVE
(N)ACK
TWI transmit segment – after transmit with ACK
SCL
out
RX[7]RX[6]RX[5]RX[4]RX[3]RX[2]RX[1]RX[0]
SDA
out
SDA
outSLAVE
SCL
outSLAVE
(N)ACK
TWI receive segment – transmit with ACK
SCL
out
RX[7]RX[6]RX[5]RX[4]RX[3]RX[2]RX[1]RX[0]
SDA
out
SDA
outSLAVE
SCL
outSLAVE
(N)ACK
TWI receive segment - after receive with ACK
TWI stop segment - after frame with NACK or stop
SDA
out
SDA
outSLAVE
SCL
outSLAVE
SCL
out

Serial interfaces STM32W108HB STM32W108CB STM32W108CC STM32W108CZ
122/289 DocID16252 Rev 16
Full I2C frames have to be constructed by software from individual I2C segments. All
necessary segment transitions are shown in Figure 11. ACK or NACK generation of an I2C
receive frame segment is determined with the ACK bit in the SCx_I2CCR2 register.
Figure 11. I2C segment transitions
Generation of a 7-bit address is accomplished with one transmit segment. The upper 7 bits
of the transmitted character contain the 7-bit address. The remaining lower bit contains the
command type ("read" or "write").
Generation of a 10-bit address is accomplished with two transmit segments. The upper 5
bits of the first transmit character must be set to 0x1E. The next 2 bits are for the 2 most
significant bits of the 10-bit address. The remaining lower bit contains the command type
("read" or "write"). The second transmit segment is for the remaining 8 bits of the 10-bit
address.
Transmitted and received characters are accessed through the SCx_DR register.
To initiate (re)start and stop segments, set the START or STOP bit in the SCx_I2CCR1
register, then wait until the bit is clear. Alternatively, the CMDFIN bit in the SCx_I2CSR can
be used for waiting.
To initiate a transmit segment, write the data to the SCx_DR data register, then set the BTE
bit in the SCx_I2CCR1 register, and finally wait until the bit is clear. Alternatively the BTF bit
in the SCx_I2CSR register can be used for waiting.
To initiate a receive segment, set the BRE bit in the SCx_I2CCR1 register, wait until it is
clear, and then read from the SCx_DR register. Alternatively, the BRF bit in the SCx_
register can be used for waiting. Now the NACK bit in the SCx_I2CSR register indicates if a
NACK or ACK was received from an I2C slave device.
RECEIVE Segment
with NACK
RECEIVE Segment
with ACK
IDLE
STAR T Segment
STOP Segment TRAN SMIT Segment
received ACK ?
NO
YES

DocID16252 Rev 16 123/289
STM32W108HB STM32W108CB STM32W108CC STM32W108CZ Serial interfaces
286
9.5.3 Interrupts
I2C master controller interrupts are generated on the following events:
•Bus command (START/STOP) completed (0 to 1 transition of CMDFIN)
•Character transmitted and slave device responded with NACK
•Character transmitted (0 to 1 transition of BTF)
•Character received (0 to 1 transition of BRF)
•Received and lost character while receive FIFO was full (receive overrun error)
•Transmitted character while transmit FIFO was empty (transmit underrun error)
To enable CPU interrupts, set the desired interrupt bits in the second level SCx_IER
register.
9.6 Universal asynchronous receiver/transmitter (UART)
The SC1 UART is enabled by writing 1 to SC1_CR. The SC2 serial controller does not
include UART functions.
The UART supports the following features:
•Flexible baud rate clock (300 bps to 921.6 bps)
•Data bits (7 or 8)
•Parity bits (none, odd, or even)
•Stop bits (1 or 2)
•False start bit and noise filtering
•Receive and transmit FIFOs
•Optional RTS/CTS flow control
•Receive and transmit DMA channels
The UART uses two signals to transmit and receive serial data:
•TXD (Transmitted Data) - serial data received by the STM32W108xx
•RXD (Received Data) - serial data sent by the STM32W108xx
If RTS/CTS flow control is enabled, these two signals are also used:
•nRTS (Request To Send) - indicates the STM32W108xx is able to receive data RXD
•nCTS (Clear To Send) - inhibits sending data from the STM32W108xx if not asserted
The GPIO pins assigned to these signals are shown in Table 28.
Table 28. UART GPIO usage
Parameter TXD RXD nCTS(1)
1. Only used if RTS/CTS hardware flow control is enabled.
nRTS(1)
Direction Output Input Input Output
GPIO configuration Alternate Output
(push-pull) Input Input Alternate Output
(push-pull)
SC1 pin PB1 PB2 PB3 PB4

Serial interfaces STM32W108HB STM32W108CB STM32W108CC STM32W108CZ
124/289 DocID16252 Rev 16
9.6.1 Setup and configuration
The UART baud rate clock is produced by a programmable baud generator starting from the
24 Hz clock:
The integer portion of the divisor, N, is written to the SC1_UARTBRR1 register and the
fractional part, F, to the SC1_UARTBRR2 register. Table 29 shows the values used to
generate some common baud rates and their associated clock frequency error. The UART
requires an internal clock that is at least eight times the baud rate clock, so the minimum
allowable setting for SC1_UARTBRR1 is ‘8’.
Note: The UART may receive corrupt bytes if the interbyte gap is long or there is a baud rate
mismatch between receive and transmit. The UART may detect a parity and/or framing error
on the corrupt byte, but there will not necessarily be any error detected. As a result, the
device should be operated in systems where the other side of the communication link also
uses a crystal as its timing reference, and baud rates should be selected to minimize the
baud rate mismatch to the crystal tolerance. UART protocols should contain some form of
error checking (e.g. CRC) at the packet level to detect, and retry in the event of errors.
The UART character frame format is determined by three bits in the SC1_UARTCR register:
•STOP selects the number of stop bits in transmitted characters. (Only one stop bit is
ever required in received characters.) If this bit is clear, characters are transmitted with
one stop bit; if set, characters are transmitted with two stop bits.
•PCE controls whether or not received and transmitted characters include a parity bit. If
PCE is clear, characters do not contain a parity bit, otherwise, characters do contain a
parity bit.
•PS specifies whether transmitted and received parity bits contain odd or even parity. If
this bit is clear, the parity bit is even, and if set, the parity bit is odd. Even parity is the
exclusive-or of all of the data bits, and odd parity is the inverse of the even parity value.
PS has no effect if PCE is clear.
Table 29. UART baud rate divisors for common baud rates
Baud rate (bits/sec) SC1_UARTBRR1 SC1_UARTBRR2 Baud rate error (%)
300 40000 0 0
2400 5000 0 0
4800 2500 0 0
9600 1250 0 0
19200 625 0 0
38400 312 1 0
57600 208 1 - 0.08
115200 104 0 + 0.16
230400 52 0 + 0.16
460800 26 0 + 0.16
921600 13 0 + 0.16
FN
MHz
baud +
=2
24

DocID16252 Rev 16 125/289
STM32W108HB STM32W108CB STM32W108CC STM32W108CZ Serial interfaces
286
A UART character frame contains, in sequence:
•The start bit
•The least significant data bit
•The remaining data bits
•If parity is enabled, the parity bit
•The stop bit, or bits, if 2 stop bits are selected.
Figure 12 shows the UART character frame format, with optional bits indicated. Depending
on the options chosen for the character frame, the length of a character frame ranges from 9
to 12 bit times.
Note that asynchronous serial data may have arbitrarily long idle periods between
characters. When idle, serial data (TXD or RXD) is held in the high state. Serial data
transitions to the low state in the start bit at the beginning of a character frame.
Figure 12. UART character frame format
9.6.2 FIFOs
Characters transmitted and received by the UART are buffered in the transmit and receive
FIFOs that are both 4 entries deep (see Figure 13). When software writes a character to the
SC1_DR register, it is pushed onto the transmit FIFO. Similarly, when software reads from
the SC1_DR register, the character returned is pulled from the receive FIFO. If the transmit
and receive DMA channels are used, the DMA channels also write to and read from the
transmit and receive FIFOs.
Figure 13. UART FIFOs
Idle time Start
Bit
Data
Bit 0
Data
Bit 1
Data
Bit 2
Data
Bit 3
Data
Bit 4
Data
Bit 5
Data
Bit 6
Data
Bit 7 Parity
Bit Stop
Bit
Stop
Bit
Next
Start Bit
or
IdleTime
UART Character Fr ame For mat
(opti onal sections ar e i n itali cs )
TXD
or
RXD
069
5HFHLYH6KLIW5HJLVWHU
6&B'$7$UHDG
7UDQVPLW6KLIW5HJLVWHU
6&B'$7$ZULWH
5;' 7;'
5HFHLYH),)2
7UD QV P LW ) ,)2
&38DQG'0$
&KDQQHO$FFHVV
6&B'5UHDG 6&B'5ZULWH
3DULW\)UDPHHUURUV
6&B8$5765

Serial interfaces STM32W108HB STM32W108CB STM32W108CC STM32W108CZ
126/289 DocID16252 Rev 16
9.6.3 RTS/CTS flow control
RTS/CTS flow control, also called hardware flow control, uses two signals (nRTS and
nCTS) in addition to received and transmitted data (see Figure 14). Flow control is used by
a data receiver to prevent buffer overflow, by signaling an external device when it is and is
not allowed to transmit.
Figure 14. RTS/CTS flow control connections
The UART RTS/CTS flow control options are selected by the HFCE and AHFCE bits in the
SC1_UARTCR register (see Table 30). Whenever the HFCE bit is set, the UART will not
start transmitting a character unless nCTS is low (asserted). If nCTS transitions to the high
state (deasserts) while a character is being transmitted, transmission of that character
continues until it is complete.
If the AHFCE bit is set, nRTS is controlled automatically by hardware: nRTS is put into the
low state (asserted) when the receive FIFO has room for at least two characters, otherwise
is it in the high state (unasserted). If AHFCE is clear, software controls the nRTS output by
setting or clearing the nRTS bit in the SC1_UARTCR register. Software control of nRTS is
useful if the external serial device cannot stop transmitting characters promptly when nRTS
is set to the high state (deasserted).
Other Device
UART Receiver
UART Transmitter
STM32W108
UART Transmitter
UART Receiver
RXD TXD
nRTS nCTS
TXD RXD
nCTS nRTS
Table 30. UART RTS/CTS flow control configurations
SC1_UARTCR
Pins used Operating modeSC1_UARTxxx(1)
HFCE AHFCE nRTS
0 - - TXD, RXD No RTS/CTS flow control
100/1
TXD, RXD,
nCTS, nRTS
Flow control using RTS/CTS with software control of nRTS:
nRTS controlled by nRTS bit in SC1_UARTCR register
11-
TXD, RXD,
nCTS, nRTS
Flow control using RTS/CTS with hardware control of nRTS:
nRTS is asserted if room for at least 2 characters in receive FIFO
1. The notation xxx means that the corresponding column header below is inserted to form the field name.

DocID16252 Rev 16 127/289
STM32W108HB STM32W108CB STM32W108CC STM32W108CZ Serial interfaces
286
9.6.4 DMA
The DMA Channels section describes how to configure and use the serial receive and
transmit DMA channels.
The receive DMA channel has special provisions to record UART receive errors. When the
DMA channel transfers a character from the receive FIFO to a buffer in memory, it checks
the stored parity and frame error status flags. When an error is flagged, the
SC1_DMARXERRAR/SC1_DMARXERRBR register is updated, marking the offset to the
first received character with a parity or frame error. Similarly if a receive overrun error
occurs, the SC1_DMARXERRAR/SC1_DMARXERRBR registers mark the error offset. The
receive FIFO hardware generates the OVR interrupt and DMA status register indicates the
error immediately, but in this case the error offset is 4 characters ahead of the actual
overflow at the input to the receive FIFO. Two conditions will clear the error indication:
setting the appropriate RXRST bit in the SC1_DMACR register, or loading the appropriate
DMA buffer after it has unloaded.
9.6.5 Interrupts
UART interrupts are generated on the following events:
•Transmit FIFO empty and last character shifted out (depending on SCx_ICR, either the
0 to 1 transition or the high level of SC1_UARTTXIDLE)
•Transmit FIFO changed from full to not full (depending on SCx_ICR, either the 0 to 1
transition or the high level of SC1_UARTTXFREE)
•Receive FIFO changed from empty to not empty (depending on SCx_ICR, either the 0
to 1 transition or the high level of SC1_UARTRXVAL)
•Transmit DMA buffer A/B complete (1 to 0 transition of TXAACK/TXBACK)
•Receive DMA buffer A/B complete (1 to 0 transition of RXAACK/RXBACK)
•Character received with parity error
•Character received with frame error
•Character received and lost when receive FIFO was full (receive overrun error)
To enable CPU interrupts, set the desired interrupt bits in the second level SCx_IER
register.
9.7 Direct memory access (DMA) channels
The STM32W108xx serial DMA channels enable efficient, high-speed operation of the SPI
and UART controllers by reducing the load on the CPU as well as decreasing the frequency
of interrupts that it must service. The transmit and receive DMA channels can transfer data
between the transmit and receive FIFOs and the DMA buffers in main memory as quickly as
it can be transmitted or received. Once software defines, configures, and activates the
DMA, it only needs to handle an interrupt when a transmit buffer has been emptied or a
receive buffer has been filled. The DMA channels each support two memory buffers, labeled
A and B, and can alternate ("ping-pong") between them automatically to allow continuous
communication without critical interrupt timing.

Serial interfaces STM32W108HB STM32W108CB STM32W108CC STM32W108CZ
128/289 DocID16252 Rev 16
Note: DMA memory buffer terminology:
•
load - make a buffer available for the DMA channel to use
•
pending - a buffer loaded but not yet active
•
active - the buffer that will be used for the next DMA transfer
•
unload - DMA channel action when it has finished with a buffer
•
idle - a buffer that has not been loaded, or has been unloaded
To use a DMA channel, software should follow these steps:
•Reset the DMA channel by setting the TXRST (or RXRST) bit in the SCx_DMACR
register.
•Set up the DMA buffers. The two DMA buffers, A and B, are defined by writing the start
address to SCx_DMATXBEGADDAR/SCx_DMATXBEGADDBR (or
SCx_DMARXBEGADDAR/SCx_DMARXBEGADDBR) and the (inclusive) end address
to SCx_DMATXENDADDAR/SCx_DMATXENDADDBR (or
SCx_DMARXENDADDAR/SCx_DMARXENDADDBR). Note that DMA buffers must be
in RAM.
•Configure and initialize SCx for the desired operating mode.
•Enable second level interrupts triggered when DMA buffers unload by setting the
TXULODA/B (or RXULODA/B) bits in the SCx_ISR register.
•Start the DMA by loading the DMA buffers by setting the TXLODA/TXLODB (or
RXLODA/RXLODB) bits in the SCx_DMACR register.
A DMA buffer's end address, SCx_DMATXENDADDAR/SCx_DMATXENDADDBR (or
SCx_DMARXENDADDAR/SCx_DMARXENDADDBR), can be written while the buffer is
loaded or active. This is useful for receiving messages that contain an initial byte count,
since it allows software to set the buffer end address at the last byte of the message.
As the DMA channel transfers data between the transmit or receive FIFO and a memory
buffer, the DMA count register contains the byte offset from the start of the buffer to the
address of the next byte that will be written or read. A transmit DMA channel has a single
DMA count register (SCx_DMATXCNTR) that applies to whichever transmit buffer is active,
but a receive DMA channel has two DMA count registers
(SCx_DMARXCNTAR/SCx_DMARXCNTBR), one for each receive buffer. The DMA count
register contents are preserved until the corresponding buffer, or either buffer in the case of
the transmit DMA count, is loaded, or until the DMA is reset.
The receive DMA count register may be written while the corresponding buffer is loaded. If
the buffer is not loaded, writing the DMA count register also loads the buffer while
preserving the count value written. This feature can simplify handling UART receive errors.
The DMA channel stops using a buffer and unloads it when the following is true:
(DMA buffer start address + DMA buffer count) > DMA buffer end address
Typically a transmit buffer is unloaded after all its data has been sent, and a receive buffer is
unloaded after it is filled with data, but writing to the buffer end address or buffer count
registers can also cause a buffer to unload early.
Serial controller DMA channels include additional features specific to the SPI and UART
operation and are described in those sections.

DocID16252 Rev 16 129/289
STM32W108HB STM32W108CB STM32W108CC STM32W108CZ Serial interfaces
286
9.8 Serial controller common registers
9.8.1 Serial controller interrupt status register (SCx_ISR)
Address offset: 0xA808 (SC1_ISR) and 0xA80C (SC2_ISR)
Reset value: 0x0000 0000
31 30 29 28 27 26 25 24 23 22 21 20 19 18 17 16
Reserved
15 14 13 12 11 10 9 8 7 6 5 4 3 2 1 0
Reserved
PE FE TXUL
ODB
TXUL
ODA
RXUL
ODB
RXUL
ODA NACK CMD
FIN BTF BRF UDR OVR IDLE TXE RXNE
rw rw rw rw rw rw rw rw rw rw rw rw rw rw rw
Bit 31:15 Reserved, must be kept at reset value
Bit 14 PE: Parity error pending interrupt
This bit is set by hardware when a parity error occurs in receiver mode.
0: No parity error pending interrupt
1: Parity error pending interrupt
Note: Not used in SC2
Bit 13 FE: Framing error pending interrupt
This bit is set by hardware when a desynchronization or excessive noise is detected.
0: No framing error detected pending interrupt
1: Framing error pending interrupt
Note: Not used in SC2
Bit 12 TXULODB: DMA transmit buffer B unloaded pending interrupt
This bit is set by hardware when DMA load error is detected during transmission.
0: No DMA transmit buffer B unloaded error pending interrupt
1: DMA transmit buffer B unloaded pending interrupt
Bit 11 TXULODA: DMA transmit buffer A unloaded pending interrupt
This bit is set by hardware when DMA load error is detected during transmission.
0: No DMA transmit buffer A unloaded error pending interrupt
1: DMA transmit buffer A unloaded error pending interrupt.
Bit 10 RXULODB: DMA receive buffer B unloaded pending interrupt
This bit is set by hardware when DMA load error is detected during reception.
0: No DMA receive buffer B unloaded error pending interrupt
1: DMA receive buffer B unloaded error pending interrupt
Bit 9 RXULODA: DMA receive buffer A unloaded pending interrupt
This bit is set by hardware when DMA load error is detected during reception.
0: No DMA receive buffer A unloaded error pending interrupt
1: DMA receive buffer A unloaded error pending interrupt
Bit 8 NACK: I2C not acknowledge received pending interrupt
This bit is set by hardware when a NACK is received after a byte transmission.
0: No NACK detected pending interrupt
1: NACK detected pending interrupt

Serial interfaces STM32W108HB STM32W108CB STM32W108CC STM32W108CZ
130/289 DocID16252 Rev 16
Bit 7 CMDFIN: I2C command complete detection pending interrupt
This bit is set by hardware when a STOP or START command is generated correctly by the
master. It is cleared by software writing it to 0.
0: No CMDFIN detected pending interrupt
1: CMDFIN detected pending interrupt
Bit 6 BTF: I2C byte transmit finished pending interrupt
This bit is set by hardware when the transmit operation is completed.
0: Data byte transmit not done pending interrupt
1: Data byte transmit succeeded pending interrupt
Bit 5 BRF: I2C byte receive finished pending interrupt
This bit is set by hardware when the receive operation is completed.
0: Data byte receive not done pending interrupt
1: Data byte receive succeeded pending interrupt
Bit 4 UDR: Underrun pending interrupt
This bit is set by hardware when data are transmitted and the previous data have not yet left
the SCx_DR register.
0: No underrun error pending interrupt
1: Underrun error pending interrupt
Bit 3 OVR: Overrun pending interrupt
This bit is set by hardware when data are received and the previous data have not yet been
read from SCx_DR. As a result, the incoming data are lost.
0: No overrun error pending interrupt
1: Overrun error pending interrupt
Bit 2 IDLE: Idle line detected pending interrupt
This bit is set by hardware when an idle line is detected.
0: No idle line detected pending interrupt
1: Idle line detected pending interrupt
Bit 1 TXE: Transmit data register empty (transmitters)
This bit is set by hardware when the SCx_DR register is empty in transmission.
0: Data register not empty pending interrupt
1: Data register empty pending interrupt
Bit 0 RXNE: Data register not empty pending interrupt (receivers)
This bit is set by hardware when the SCx_DR register is not empty in receiver mode.
0: Data is not received pending interrupt
1: Received data is ready to be read pending interrupt

DocID16252 Rev 16 131/289
STM32W108HB STM32W108CB STM32W108CC STM32W108CZ Serial interfaces
286
9.8.2 Serial controller interrupt enable register (SCx_IER)
Address offset: 0xA848 (SC1_IER) and 0xA84C (SC2_IER)
Reset value: 0x0000 0000
31 30 29 28 27 26 25 24 23 22 21 20 19 18 17 16
Reserved
15 14 13 12 11 10 9 8 7 6 5 4 3 2 1 0
Reserved
PEIE FEIE TXUL
ODRIE
TXUL
ODAIE
RXUL
ODBIE
RXUL
ODAIE
NACK
IE
CMD
FINIE BTFIE BRFIE UDRIE OVRIE IDLEIE TXEIE RXNEIE
rw rw rw rw rw rw rw rw rw rw rw rw rw rw rw
Bit 31:15 Reserved, must be kept at reset value
Bit 14 PEIE: Parity error interrupt enable
This bit is set and cleared by software.
0: Interrupt is inhibited
1: A UART interrupt is generated whenever PE=1 in the SC1_UARTSR register.
Note: Not used in SC2
Bit 13 FEIE: Frame error interrupt enable
This bit is set and cleared by software.
0: Interrupt is inhibited
1: A UART interrupt is generated whenever PE=1 in the SC1_UARTSR register
Note: Not used in SC2
Bit 12 TXULODRIE: DMA transmit buffer B unloaded interrupt enable
This bit is set and cleared by software.
0: Interrupt is inhibited
1: A DMA transmit buffer B unloaded error interrupt is generated whenever TXULOADB=1 in
the SC1_UARTSR register.
Bit 11 TXULODAIE: DMA transmit buffer A unloaded interrupt enable
This bit is set and cleared by software.
0: Interrupt is inhibited
1: A DMA transmit buffer A unloaded error interrupt is generated whenever TXULOADA=1 in
the SC1_UARTSR register.
Bit 10 RXULODBIE: DMA receive buffer B unloaded interrupt enable
This bit is set and cleared by software.
0: Interrupt is inhibited
1: A DMA receive buffer B unloaded error interrupt is generated whenever RXULOADB=1 in
the SCx_ISR register.
Bit 9 RXULODAIE: DMA receive buffer A unloaded interrupt enable
This bit is set and cleared by software.
0: Interrupt is inhibited
1: A DMA receive buffer A unloaded error interrupt is generated whenever RXULOADA=1 in
the SCx_ISR register.

Serial interfaces STM32W108HB STM32W108CB STM32W108CC STM32W108CZ
132/289 DocID16252 Rev 16
Bit 8 NACKIE: I2C not acknowledge received interrupt enable
This bit is set and cleared by software.
0: Interrupt is inhibited
1: An I2C not acknowledge interrupt is generated whenever NACK=1 in the SCx_I2CSR
register.
Bit 7 CMDFINIE: I2C command complete detection interrupt enable
This bit is set and cleared by software.
0: Interrupt is inhibited
1: An I2C command complete interrupt is generated whenever CMDFIN=1 in the SCx_I2CSR
register.
Bit 6 BTFIE: I2C byte transmit finished interrupt enable
This bit is set and cleared by software.
0: Interrupt is inhibited
1: An I2C byte transmit complete interrupt is generated whenever BTF=1 in the SCx_I2CSR
register.
Bit 5 BRFIE: I2C byte receive finished interrupt enable
This bit is set and cleared by software.
0: Interrupt is inhibited
1: An I2C byte receive complete interrupt is generated whenever BRF=1 in the SCx_I2CSR
register.
Bit 4 UDRIE: Underrun interrupt enable
This bit is set and cleared by software.
0: Interrupt is inhibited
1: An underrun interrupt is generated whenever UND=1 in the SCx_ISR register
Bit 3 OVRIE: Overrun interrupt enable
This bit is set and cleared by software.
0: Interrupt is inhibited
1: An overrun interrupt is generated whenever OVR=1 in the SCx_SPISR register or OVR=1
in the SCx_UARTSR register or OVRA/OVRB in the SCx_DMASR register.
Bit 2 IDLEIE: Line detected interrupt enable
This bit is set and cleared by software.
0: Interrupt is inhibited
1: An idle line detect interrupt is generated whenever IDLE=1 in the SCx_SPISR register or
IDLE=1 in the SCx_UARTSR register.
Bit 1 TXEIE: Transmit data register empty interrupt enable
This bit is set and cleared by software.
0: Interrupt is inhibited
1: A transmit data register empty interrupt is generated whenever TXE=1 in the SCx_SPISR
register or TXE=1 in the SCx_UARTSR register.
Bit 0 RXNEIE: Data register not empty interrupt enable
This bit is set and cleared by software.
0: Interrupt is inhibited
1: A data register not empty interrupt is generated whenever RXNE=1 in the SCx_SPISR
register or RXNE=1 in the SCx_UARTSR register.

DocID16252 Rev 16 133/289
STM32W108HB STM32W108CB STM32W108CC STM32W108CZ Serial interfaces
286
9.8.3 Serial controller interrupt control register 1 (SCx_ICR)
Address offset: 0xA854 (SC1_ICR) and 0xA858 (SC2_ICR)
Reset value: 0x0000 0000
31 30 29 28 27 26 25 24 23 22 21 20 19 18 17 16
Reserved
15 14 13 12 11 10 9 8 7 6 5 4 3 2 1 0
Reserved
IDLE
LEVEL
TXE
LEVEL
RXNE
LEVEL
rw rw rw
Bits 31:3 Reserved, must be kept at reset value
Bit 2 IDLELEVEL: Trigger event configuration to generate the IDLE interrupt
This bit is set and cleared by software.
0: Idle interrupt is generated on edge
1: Idle interrupt is generated on level
Bit 1 TXELEVEL: Trigger event configuration to generate the TXE interrupt
This bit is set and cleared by software.
0: TXE interrupt is generated on edge
1: TXE interrupt is generated on level
Bit 0 RNXNELEVEL: Trigger event configuration to generate the RXNE interrupt
This bit is set and cleared by software.
0: RXNE interrupt is generated on edge
1: RXNE interrupt is generated on level

Serial interfaces STM32W108HB STM32W108CB STM32W108CC STM32W108CZ
134/289 DocID16252 Rev 16
9.8.4 Serial controller data register (SCx_DR)
Address offset: 0xC83C (SC1_DR) and 0xC03C (SC2_DR)
Reset value: 0x0000 0000
9.8.5 Serial controller control register 2 (SCx_CR)
Address offset: 0xC854 (SC1_CR) and 0xC054 (SC2_CR)
Reset value: 0x0000 0000
31 30 29 28 27 26 25 24 23 22 21 20 19 18 17 16
Reserved
15 14 13 12 11 10 9 8 7 6 5 4 3 2 1 0
Reserved
DR[7:0]
rw rw rw rw rw rw rw rw
Bits 31:8 Reserved, must be kept at reset value
Bits 7:0 DR[7:0]: Transmit and receive data register
Writing to this register adds a byte to the transmit FIFO. Reading from this register takes the
next byte from the receive FIFO and clears the overrun error bit if it was set. In UART mode
(SC1 only), reading from this register loads the UART status register with the parity and
frame error status of the next byte in the FIFO, and clears these bits if the FIFO is empty.
31 30 29 28 27 26 25 24 23 22 21 20 19 18 17 16
Reserved
15 14 13 12 11 10 9 8 7 6 5 4 3 2 1 0
Reserved
MODE[1:0]
rw rw
Bits 31:2 Reserved, must be kept at reset value
Bits 1:0 MODE[1:0]: Serial controller mode selection
This bit-field specifies the serial control operating mode
00: No mode selected
01: UART mode
10: SPI mode
11: I2C mode
Note: If the UART mode is supported only by SC1

DocID16252 Rev 16 135/289
STM32W108HB STM32W108CB STM32W108CC STM32W108CZ Serial interfaces
286
9.8.6 Serial controller clock rate register 1 (SCx_CRR1)
Address offset: 0xC860 (SC1_CRR1) and 0xC060 (SC2_CRR1)
Reset value: 0x0000 0000
9.8.7 Serial controller clock rate register 2 (SCx_CRR2)
Address offset: 0xC864 (SC1_CRR2) and 0xC064 (SC2_CRR2)
Reset value: 0x0000 0000
31 30 29 28 27 26 25 24 23 22 21 20 19 18 17 16
Reserved
15 14 13 12 11 10 9 8 7 6 5 4 3 2 1 0
Reserved
LIN[3:0]
rw rw rw rw
Bits 31:4 Reserved, must be kept at reset value
Bits 3:0 LIN[3:0]: The linear component of the clock rate in the equation:
Rate = 12 MHz / ( (LIN + 1) * (2^EXP) )
31 30 29 28 27 26 25 24 23 22 21 20 19 18 17 16
Reserved
15 14 13 12 11 10 9 8 7 6 5 4 3 2 1 0
Reserved
EXP[3:0]
rw rw rw rw
Bits 31:4 Reserved, must be kept at reset value
Bits 3:0 EXP[3:0]: The exponential component of the clock rate in the equation:
Rate = 12 MHz / ( (LIN + 1) * (2^EXP) )

Serial interfaces STM32W108HB STM32W108CB STM32W108CC STM32W108CZ
136/289 DocID16252 Rev 16
9.9 Serial controller: Serial peripheral interface (SPI) registers
9.9.1 Serial controller SPI status register (SCx_SPISR)
Address offset: 0xC840 (SC1_SPISR) and 0xC040 (SC2_SPISR)
Reset value: 0x0000 0000
31 30 29 28 27 26 25 24 23 22 21 20 19 18 17 16
Reserved
15 14 13 12 11 10 9 8 7 6 5 4 3 2 1 0
Reserved
IDLE TXE RXNE OVF
rrrr
Bits 31:4 Reserved, must be kept at reset value
Bit 3 IDLE: Idle line detected flag
This bit is set by hardware when both the transmit FIFO and the transmit serializer are empty.
An interrupt is generated if IDLEIE=1 in the SCx_IER register.
0: No SPI idle line is detected
1: SPI idle line is detected
Bit 2 TXE: Transmit data register empty flag (transmitters)
This bit is set by hardware when the transmit FIFO has space to accept at least one byte. An
interrupt is generated if TXEIE = 1 in the SCx_IER register.
0: SPI FIFO registers not empty
1: SPI FIFO registers empty
Bit 1 RXNE: Data register not empty flag (receivers)
This bit is set by hardware when the receiver FIFO contains at least one byte. An interrupt is
generated if RXNEIE=1 in the SCx_IER register.
0: Data is not received
1: Received data is ready to be read
Bit 0 OVF: Overrun flag
This flag is set by hardware when data are received and the receiver FIFO is full. As a result,
the incoming data are lost. It is cleared by software reading the SCx_DR register. An interrupt
is generated if OVRIE=1 in the SCx_IER register.
0: No overrun error occurred
1: Overrun error occurred

DocID16252 Rev 16 137/289
STM32W108HB STM32W108CB STM32W108CC STM32W108CZ Serial interfaces
286
9.9.2 Serial controller SPI control register (SCx_SPICR)
Address offset: 0xC858 (SC1_SPICR) and 0xC058 (SC2_SPICR)
Reset value: 0x0000 0000
31 30 29 28 27 26 25 24 23 22 21 20 19 18 17 16
Reserved
15 14 13 12 11 10 9 8 7 6 5 4 3 2 1 0
Reserved
RX
MODE MSTR RP
TEN
LSB
FIRST CPHA CPOL
rw rw rw rw rw rw
Bits 31:6 Reserved, must be kept at reset value
Bit 5 RXMODE: Receiver-driven mode selection bit (SPI master mode only)
0: Initiate transactions when transmit data is available.
1: Initiate transactions when the receive buffer (FIFO or DMA) has space. Force immediate
transmission of busy token or resend last byte (depending on RPTEN) and receive data into
FIFO until the FIFO is full.
Bit 4 MSTR: Master selection
0: Slave configuration
1: Master configuration
Bit 3 RPTEN: Repeat enable
This bit controls behavior on a transmit buffer underrun condition in slave mode. Clear this bit
to send the BUSY token (0xFF) and set this bit to repeat the last byte. Changes to this bit
take effect when the transmit FIFO is empty and the transmit serializer is idle.
Bit 2 LSBFIRST: Frame format
0: Most significant bit transmitted first
1: Least significant bit transmitted first
Bit 1 CPHA: Clock phase
0: The first clock transition is the first data capture edge
1: The second clock transition is the first data capture edge
Bit 0 CPOL: Clock polarity
0: CK to 0 when idle
1: CK to 1 when idle

Serial interfaces STM32W108HB STM32W108CB STM32W108CC STM32W108CZ
138/289 DocID16252 Rev 16
9.10 Serial controller: Inter-integrated circuit (I2C) registers
9.10.1 Serial controller I2C status register (SCx_I2CSR)
Address offset: 0xC844 (SC1_I2CSR) and 0xC044 (SC2_I2CSR)
Reset value: 0x0000 0000
31 30 29 28 27 26 25 24 23 22 21 20 19 18 17 16
Reserved
15 14 13 12 11 10 9 8 7 6 5 4 3 2 1 0
Reserved
CMD
FIN BRF BTF NACK
rrrr
Bits 31:4 Reserved, must be kept at reset value
Bit 3 CMDFIN: Command finished flag
This bit is set when a START or STOP command completes. It is cleared on the next I2C bus
activity.
0: START/ STOP command transmission not done
1: START/ STOP command transmission succeeded
Bit 2 BRF: Byte receive finished flag
This bit is set when a byte is received. It clears on the next I2C bus activity.
0: Data byte reception not done
1: Data byte reception succeeded
Bit 1 BTF: Byte transfer finished flag
This bit is set when a byte is transmitted. It clears on the next I2C bus activity.
0: Data byte transmission not done
1: Data byte transmission succeeded
Bit 0 NACK: Not acknowledge flag
This bit is set when a NACK is received from the slave. It clears on the next I2C bus activity.
0: No NACK received
1: NACK receive succeeded

DocID16252 Rev 16 139/289
STM32W108HB STM32W108CB STM32W108CC STM32W108CZ Serial interfaces
286
9.10.2 Serial controller I2C control register 1 (SCx_I2CCR1)
Address offset: 0xC84C (SC1_I2CCR1) and 0xC04C (SC2_I2CCR1)
Reset value: 0x0000 0000
31 30 29 28 27 26 25 24 23 22 21 20 19 18 17 16
Reserved
15 14 13 12 11 10 9 8 7 6 5 4 3 2 1 0
Reserved
STOP START BTE BRE
rw rw rw rw
Bits 31:4 Reserved, must be kept at reset value
Bit 3 STOP: Stop generation
Setting this bit sends the STOP command. It clears when the command completes.
0: No stop condition generation
1: Stop condition generation after current byte transfer
Bit 2 START: Start generation
Setting this bit sends the START or repeated START command. It clears when the command
completes.
0: No start generation.
1: Restart/Start generation.
Bit 1 BTE: Byte transmit enable
Setting this bit transmits a byte. It clears when the command completes.
0: Data byte transmission disables
1: Data byte transmission enables
Bit 0 BRE: Byte receive enable
Setting this bit receives a byte. It clears when the command completes.
0: Data byte reception disables
1: Data byte reception enables

Serial interfaces STM32W108HB STM32W108CB STM32W108CC STM32W108CZ
140/289 DocID16252 Rev 16
9.10.3 Serial controller I2C control register 2 (SCx_I2CCR2)
Address offset: 0xC850 (SC1_I2CCR2) and 0xC050 (SC2_I2CCR2)
Reset value: 0x0000 0000
31 30 29 28 27 26 25 24 23 22 21 20 19 18 17 16
Reserved
15 14 13 12 11 10 9 8 7 6 5 4 3 2 1 0
Reserved
ACK
rw
Bits 31:1 Reserved, must be kept at reset value
Bit 0 ACK: Not acknowledge generation
0: A NACK is sent after current received byte
1: An ACK is sent after current received byte

DocID16252 Rev 16 141/289
STM32W108HB STM32W108CB STM32W108CC STM32W108CZ Serial interfaces
286
9.11 Serial controller: Universal asynchronous receiver/
transmitter (UART) registers
9.11.1 Serial controller UART status register (SC1_UARTSR)
Address offset: 0xC848
Reset value: 0x0000 0040
31 30 29 28 27 26 25 24 23 22 21 20 19 18 17 16
Reserved
15 14 13 12 11 10 9 8 7 6 5 4 3 2 1 0
Reserved
IDLE PE FE OVR TXE RXNE CTS
rrrrrrr
Bits 31:7 Reserved, must be kept at reset value
Bit 6 IDLE: Idle line detected flag
This bit is set by hardware when both the transmit FIFO and the transmit serializer are empty.
An interrupt is generated if IDLEIE=1 in the SCx_IER register.
0: No UART idle line is detected
1: UART idle line is detected
Bit 5 PE: Parity error flag
This bit is set when the byte in the data register is received with a parity error. This bit is
updated when the data register is read, and is cleared if the receive FIFO is empty. An
interrupt is generated if PEIE=1 in the SCx_IER register.
0: No UART parity error
1: UART parity error
Bit 4 FE: Frame error flag
This bit is set when the byte in the data register is received with a frame error. This bit is
updated when the data register is read, and is cleared if the receive FIFO is empty. An
interrupt is generated if FEIE=1 in the SCx_IER register.
0: No UART frame error
1: UART frame error
Bit 3 OVR: Overrun error flag
This bit is set when the receive FIFO has been overrun. This occurs if a byte is received
when the receive FIFO is full. This bit is cleared by reading the data register. An interrupt is
generated if OVRIE=1 in the SCx_IER register.
0: No overrun error occurred
1: Overrun error occurred

Serial interfaces STM32W108HB STM32W108CB STM32W108CC STM32W108CZ
142/289 DocID16252 Rev 16
9.11.2 Serial controller UART control register (SC1_UARTCR)
Address offset: 0xC85C
Reset value: 0x0000 0000
Bit 2 TXE: Transmit data register empty flag (transmitters)
This bit is set when the transmit FIFO has space for at least one byte. An interrupt is
generated if TXEIE=1 in the SCx_IER register.
0: UART FIFO registers not empty
1: UART FIFO registers empty
Bit 1 RXNE: Receive data register not empty flag (receivers)
This bit is set when the receive FIFO contains at least one byte. An interrupt is generated if
RXNEIE=1 in the SCx_IER register.
0: Data is not received
1: Received data is ready to be read
Bit 0 CTS: Clear to send flag
This bit is set by hardware when the nCTS input toggles.
0: No change occurred on the nCTS status line
1: A change occurred on the nCTS status line
31 30 29 28 27 26 25 24 23 22 21 20 19 18 17 16
Reserved
15 14 13 12 11 10 9 8 7 6 5 4 3 2 1 0
Reserved
AHFCE HFCE PS PCE STOP M nRTS
rw rw rw rw rw rw rw
Bits 31:7 Reserved, must be kept at reset value
Bit 6 AHFCE: Automatic hardware flow control enable
It is set and cleared by software.
0: Automatic hardware flow control disabled
1: Automatic hardware flow control enabled
Bit 5 HFCE: Hardware flow control enable
It is set and cleared by software.
0: Hardware flow control disabled
1: Hardware flow control enabled
Bit 4 PS: Parity selection
This bit selects the odd or even parity when the parity generation/detection is enabled (PCE
bit set). It is set and cleared by software.
0: Even parity
1: Odd parity

DocID16252 Rev 16 143/289
STM32W108HB STM32W108CB STM32W108CC STM32W108CZ Serial interfaces
286
9.11.3 Serial controller UART baud rate register 1 (SC1_UARTBRR1)
Address offset: 0xC868
Reset value: 0x0000 0000
Bit 3 PCE: Parity control enable
This bit selects the hardware parity control (generation and detection). When the parity
control is enabled, the computed parity is inserted at the MSB position (9th bit if M=1; 8th bit
if M=0) and parity is checked on the received data. This bit is set and cleared by software.
0: Parity control disabled.
1: Parity control enabled.
Bit 2 STOP: Number of stop bits t
This bit is used for programming the stop bits.
0: 1 stop bit
1: 2 stop bits
Bit 1 M: Word length
This bit determines the word length. It is set or cleared by software.
0: 1 start bit, 7 data bits, parity bit if enabled, n stop bit
1: 1 start bit, 8 data bits, parity bit if enabled, n stop bit
Bit 0 nRTS: Request to send
This bit controls the flow of the serial data received from another device. This bit directly
controls the output at the nRTS pin (HFCE bit must be set and AHFCE bit must be cleared).
It is set or cleared by software.
0: nRTS is deasserted (pin is high, 'XOFF', RS232 negative voltage); the other device's
transmission is inhibited.
1: nRTS is asserted (pin is low, 'XON', RS232 positive voltage); the other device's
transmission is enabled.
31 30 29 28 27 26 25 24 23 22 21 20 19 18 17 16
Reserved
15 14 13 12 11 10 9 8 7 6 5 4 3 2 1 0
N[15:0]
rw rw rw rw rw rw rw rw rw rw rw rw rw rw rw rw
Bit 31:16 Reserved, must be kept at reset value
Bits 15:0 N[15:0]: The integer part of baud rate period (N) in the equation:
Rate = 24 MHz / ( (2 * N) + F )

Serial interfaces STM32W108HB STM32W108CB STM32W108CC STM32W108CZ
144/289 DocID16252 Rev 16
9.11.4 Serial controller UART baud rate register 2 (SC1_UARTBRR2)
Address offset: 0xC86C
Reset value: 0x0000 0000
31 30 29 28 27 26 25 24 23 22 21 20 19 18 17 16
Reserved
15 14 13 12 11 10 9 8 7 6 5 4 3 2 1 0
Reserved
F
rw
Bits 31:1 Reserved, must be kept at reset value
Bit 0 F: The fractional part of the baud rate period (F) in the equation:
Rate = 24 MHz / ( (2 * N) + F )

DocID16252 Rev 16 145/289
STM32W108HB STM32W108CB STM32W108CC STM32W108CZ Serial interfaces
286
9.12 Serial controller: Direct memory access (DMA) registers
9.12.1 Serial controller receive DMA begin address channel A register
(SCx_DMARXBEGADDAR)
Address offset: 0xC800 (SC1_DMARXBEGADDAR) and 0xC000
(SC2_DMARXBEGADDAR)
Reset value: 0x2000 0000
9.12.2 Serial controller receive DMA end address channel A register
(SCx_DMARXENDADDAR)
Address offset: 0xC804 (SC1_DMARXENDADDAR) and 0xC004
(SC2_DMARXENDADDAR)
Reset value: 0x0000 0000
31 30 29 28 27 26 25 24 23 22 21 20 19 18 17 16
Reserved
15 14 13 12 11 10 9 8 7 6 5 4 3 2 1 0
Reserved
ADD[12:0]
rw rw rw rw rw rw rw rw rw rw rw rw rw
Bits 31:13 Reserved, must be kept at reset value
Bits 12:0 ADD[12:0]: DMA receive buffer A start address
31 30 29 28 27 26 25 24 23 22 21 20 19 18 17 16
Reserved
15 14 13 12 11 10 9 8 7 6 5 4 3 2 1 0
Reserved
ADD[12:0]
rw rw rw rw rw rw rw rw rw rw rw rw rw
Bits 31:13 Reserved, must be kept at reset value
Bits 12:0 ADD[12:0]:
Address of the last byte that is written in the DMA receive buffer A.

Serial interfaces STM32W108HB STM32W108CB STM32W108CC STM32W108CZ
146/289 DocID16252 Rev 16
9.12.3 Serial controller receive DMA begin address channel B register
(SCx_ DMARXBEGADDBR)
Address offset: 0xC808 (SC1_DMARXBEGADDBR) and 0xC008
(SC2_DMARXBEGADDBR)
Reset value: 0x2000 0000
9.12.4 Serial controller receive DMA end address channel B register
(SCx_DMARXENDADDBR)
Address offset: 0xC80C (SC1_DMARXENDADDBR) and 0xC00C
(SC2_DMARXENDADDBR)
Reset value: 0x2000 0000
31 30 29 28 27 26 25 24 23 22 21 20 19 18 17 16
Reserved
15 14 13 12 11 10 9 8 7 6 5 4 3 2 1 0
Reserved
ADD[12:0]
rw rw rw rw rw rw rw rw rw rw rw rw rw
Bits 31:13 Reserved, must be kept at reset value
Bits 12:0 ADD[12:0]: DMA receive buffer B start address
31 30 29 28 27 26 25 24 23 22 21 20 19 18 17 16
Reserved
15 14 13 12 11 10 9 8 7 6 5 4 3 2 1 0
Reserved
ADD[12:0]
rw rw rw rw rw rw rw rw rw rw rw rw rw
Bits 31:13 Reserved, must be kept at reset value
Bits 12:0 ADD[12:0]:
Address of the last byte that is written in the DMA receive buffer B.

DocID16252 Rev 16 147/289
STM32W108HB STM32W108CB STM32W108CC STM32W108CZ Serial interfaces
286
9.12.5 Serial controller transmit DMA begin address channel A register
(SCx_DMATXBEGADDAR)
Address offset: 0xC810 (SC1_DMATXBEGADDAR) and 0xC010
(SC2_DMATXBEGADDAR)
Reset value: 0x2000 0000
9.12.6 Serial controller transmit DMA end address channel A register
(SCx_DMATXENDADDAR)
Address offset: 0xC814 (SC1_DMATXENDADDAR) and 0xC014
(SC2_DMATXENDADDAR)
Reset value: 0x2000 0000
31 30 29 28 27 26 25 24 23 22 21 20 19 18 17 16
Reserved
15 14 13 12 11 10 9 8 7 6 5 4 3 2 1 0
Reserved
ADD[12:0]
rw rw rw rw rw rw rw rw rw rw rw rw rw
Bits 31:13 Reserved, must be kept at reset value
Bits 12:0 ADD[12:0]: DMA transmit buffer A start address
31 30 29 28 27 26 25 24 23 22 21 20 19 18 17 16
Reserved
15 14 13 12 11 10 9 8 7 6 5 4 3 2 1 0
Reserved
ADD[12:0]
rw rw rw rw rw rw rw rw rw rw rw rw rw
Bits 31:13 Reserved, must be kept at reset value
Bits 12:0 ADD[12:0]: Address of the last byte that is read from the DMA transmit buffer A

Serial interfaces STM32W108HB STM32W108CB STM32W108CC STM32W108CZ
148/289 DocID16252 Rev 16
9.12.7 Serial controller transmit DMA begin address channel B register
(SCx_DMATXBEGADDBR)
Address offset: 0xC818 (SC1_DMATXBEGADDBR) and 0xC018
(SC2_DMATXBEGADDBR)
Reset value: 0x2000 0000
9.12.8 Serial controller transmit DMA end address channel B register
(SCx_DMATXENDADDBR)
Address offset: 0xC81C (SC1_DMATXENDADDBR) and 0xC01C
(SC2_DMATXENDADDBR)
Reset value: 0x2000 0000
31 30 29 28 27 26 25 24 23 22 21 20 19 18 17 16
Reserved
15 14 13 12 11 10 9 8 7 6 5 4 3 2 1 0
Reserved
ADD[12:0]
rw rw rw rw rw rw rw rw rw rw rw rw rw
Bits 31:13 Reserved, must be kept at reset value
Bits 12:0 ADD[12:0]: DMA transmit buffer B start address
31 30 29 28 27 26 25 24 23 22 21 20 19 18 17 16
Reserved
15 14 13 12 11 10 9 8 7 6 5 4 3 2 1 0
Reserved
ADD[12:0]
rw rw rw rw rw rw rw rw rw rw rw rw rw
Bits 31:13 Reserved, must be kept at reset value
Bits 12:0 ADD[12:0]: Address of the last byte that is read from the DMA transmit buffer B

DocID16252 Rev 16 149/289
STM32W108HB STM32W108CB STM32W108CC STM32W108CZ Serial interfaces
286
9.12.9 Serial controller receive DMA counter channel A register
(SCx_DMARXCNTAR)
Address offset: 0xC820 (SC1_DMARXCNTAR) and 0xC020 (SC2_DMARXCNTAR)
Reset value: 0x0000 0000
9.12.10 Serial controller receive DMA count channel B register
(SCx_DMARXCNTBR)
Address offset: 0xC824 (SC1_DMARXCNTBR) and 0xC024 (SC2_DMARXCNTBR)
Reset value: 0x0000 0000
31 30 29 28 27 26 25 24 23 22 21 20 19 18 17 16
Reserved
15 14 13 12 11 10 9 8 7 6 5 4 3 2 1 0
Reserved
CNT[12:0]
rw rw rw rw rw rw rw rw rw rw rw rw rw
Bits 31:13 Reserved, must be kept at reset value
Bits 12:0 CNT[12:0]:
The offset from the start of DMA receive buffer A at which the next byte is written. This
register is set to zero when the buffer is loaded and when the DMA is reset. If this register is
written when the buffer is not loaded, the buffer is loaded.
31 30 29 28 27 26 25 24 23 22 21 20 19 18 17 16
Reserved
15 14 13 12 11 10 9 8 7 6 5 4 3 2 1 0
Reserved
CNT[12:0]
rw rw rw rw rw rw rw rw rw rw rw rw rw
Bits 31:13 Reserved, must be kept at reset value
Bits 12:0 CNT[12:0]:
The offset from the start of DMA receive buffer B at which the next byte is written. This
register is set to zero when the buffer is loaded and when the DMA is reset. If this register is
written when the buffer is not loaded, the buffer is loaded.

Serial interfaces STM32W108HB STM32W108CB STM32W108CC STM32W108CZ
150/289 DocID16252 Rev 16
9.12.11 Serial controller transmit DMA counter register
(SCx_DMATXCNTR)
Address offset: 0xC828 (SC1_DMATXCNTR) and 0xC028 (SC2_DMATXCNTR)
Reset value: 0x0000 0000
31 30 29 28 27 26 25 24 23 22 21 20 19 18 17 16
Reserved
15 14 13 12 11 10 9 8 7 6 5 4 3 2 1 0
Reserved
CNT[12:0]
rrr r r r r r rr r r r
Bits 31:13 Reserved, must be kept at reset value
Bits 12:0 CNT[12:0]:
The offset from the start of the active DMA transmit buffer from which the next byte is read.
This register is set to zero when the buffer is loaded and when the DMA is reset.

DocID16252 Rev 16 151/289
STM32W108HB STM32W108CB STM32W108CC STM32W108CZ Serial interfaces
286
9.12.12 Serial controller DMA status register (SCx_DMASR)
Address offset: 0xC82C (SC1_DMASR) and 0xC02C (SC2_DMASR)
Reset value: 0x0000 0000
31 30 29 28 27 26 25 24 23 22 21 20 19 18 17 16
Reserved
15 14 13 12 11 10 9 8 7 6 5 4 3 2 1 0
Reserved
NSSS FEB FEA PEB PEA OVRB OVRA TX
BACK
TX
AACK
RX
BACK
RX
AACK
rrr r r r r r rr r r r
Bits 31:13 Reserved, must be kept at reset value
Bits 12:10 NSSS:
Status of the receive count saved in SCx_DMARXCNTSAVEDR (SPI slave mode) when
nSSEL deasserts. Cleared when a receive buffer is loaded and when the receive DMA is
reset.
0: No count was saved because nSSEL did not deassert
2: Buffer A's count was saved, nSSEL deasserted once
3: Buffer B's count was saved, nSSEL deasserted once
6: Buffer A's count was saved, nSSEL deasserted more than once
7: Buffer B's count was saved, nSSEL deasserted more than once
1, 4, 5: Reserved, must be kept at reset value
Bit 9 FEB: Frame error B flag
This bit is set when DMA receive buffer B reads a byte with a frame error from the receive
FIFO. It is cleared the next time buffer B is loaded or when the receive DMA is reset.
0: No DMA buffer B frame error
1: DMA buffer B frame error
Note: Not used in SC2
Bit 8 FEA: Frame error A flag
This bit is set when DMA receive buffer A reads a byte with a frame error from the receive
FIFO. It is cleared the next time buffer A is loaded or when the receive DMA is reset.
0: No DMA buffer A frame error
1: DMA buffer A frame error
Note: Not used in SC2
Bit 7 PEB: Parity error B flag
This bit is set when DMA receive buffer B reads a byte with a parity error from the receive
FIFO. It is cleared the next time buffer B is loaded or when the receive DMA is reset.
0: No DMA buffer B parity error
1: DMA buffer B parity error
Note: Not used in SC2
Bit 6 PEA: Parity error A flag
This bit is set when DMA receive buffer A reads a byte with a parity error from the receive
FIFO. It is cleared the next time buffer A is loaded or when the receive DMA is reset.
0: No DMA buffer A parity error
1: DMA buffer A parity error
Note: Not used in SC2

Serial interfaces STM32W108HB STM32W108CB STM32W108CC STM32W108CZ
152/289 DocID16252 Rev 16
Bit 5 OVRB: DMA buffer B overrun flag
This bit is set when DMA receive buffer B is passed an overrun error from the receive FIFO.
Neither receive buffer is capable of accepting any more bytes (unloaded), and the FIFO fills
up. Buffer B is the next buffer to load, and when it drains the FIFO the overrun error is passed
up to the DMA and flagged with this bit. It is cleared the next time buffer B is loaded and when
the receive DMA is reset.
0: No DMA receive buffer B overrun
1: DMA receive buffer B overrun
Bit 4 OVRA: DMA buffer A overrun flag
This bit is set when DMA receive buffer A is passed an overrun error from the receive FIFO.
Neither receive buffer is capable of accepting any more bytes (unloaded), and the FIFO fills
up. Buffer A is the next buffer to load, and when it drains the FIFO the overrun error is passed
up to the DMA and flagged with this bit. It is cleared the next time buffer A is loaded and when
the receive DMA is reset.
0: No DMA receive buffer A overrun
1: DMA receive buffer A overrun
Bit 3 TXBACK: DMA transmit buffer B acknowledge flag
This bit is set/reset by hardware when DMA transmit buffer B is active.
0: DMA transmit buffer B not active
1: DMA transmit buffer B active
Bit 2 TXAACK: DMA transmit buffer A acknowledge flag
This bit is set/reset by hardware when DMA transmit buffer A is active.
0: DMA transmit buffer A not active
1: DMA transmit buffer A active
Bit 1 RXBACK: DMA receive buffer B acknowledge flag
This bit is set/reset by hardware when DMA receive buffer B is active.
0: DMA receive buffer B not active
1: DMA receive buffer B active
Bit 0 RXBACK: DMA receive buffer A acknowledge flag
This bit is set/reset by hardware when DMA receive buffer A is active.
0: DMA receive buffer B not active
1: DMA receive buffer B active

DocID16252 Rev 16 153/289
STM32W108HB STM32W108CB STM32W108CC STM32W108CZ Serial interfaces
286
9.12.13 Serial controller DMA control register (SCx_DMACR)
Address offset: 0xC830 (SC1_DMACR) and 0xC030 (SC2_DMACR)
Reset value: 0x0000 0000
31 30 29 28 27 26 25 24 23 22 21 20 19 18 17 16
Reserved
15 14 13 12 11 10 9 8 7 6 5 4 3 2 1 0
Reserved
TXRST RXRST TX
LODB
TX
LODA
RX
LODB
RX
LODA
w w rw rw rw rw
Bits 31:6 Reserved, must be kept at reset value
Bit 5 TXRST:
Setting this bit resets the transmit DMA. This bit clears automatically.
Bit 4 RXRST:
Setting this bit resets the receive DMA. This bit clears automatically.
Bit 3 TXLODB:
Setting this bit loads DMA transmit buffer B addresses and allows the DMA controller to start
processing transmit buffer B. If both buffer A and B are loaded simultaneously, buffer A is
used first. This bit is cleared when DMA completes. Writing a zero to this bit has no effect.
Reading this bit returns DMA buffer status:
0: DMA processing is complete or idle
1: DMA processing is active or pending
Bit 2 TXLODA:
Setting this bit loads DMA transmit buffer A addresses and allows the DMA controller to start
processing transmit buffer A. If both buffer A and B are loaded simultaneously, buffer A is
used first. This bit is cleared when DMA completes. Writing a zero to this bit has no effect.
Reading this bit returns DMA buffer status:
0: DMA processing is complete or idle
1: DMA processing is active or pending
Bit 1 RXLODB:
Setting this bit loads DMA receive buffer B addresses and allows the DMA controller to start
processing receive buffer B. If both buffer A and B are loaded simultaneously, buffer A is
used first. This bit is cleared when DMA completes. Writing a zero to this bit has no effect.
Reading this bit returns DMA buffer status:
0: DMA processing is complete or idle
1: DMA processing is active or pending
Bit 0 RXLODA:
Setting this bit loads DMA receive buffer A addresses and allows the DMA controller to start
processing receive buffer A. If both buffer A and B are loaded simultaneously, buffer A is
used first. This bit is cleared when DMA completes. Writing a zero to this bit has no effect.
Reading this bit returns DMA buffer status:
0: DMA processing is complete or idle
1: DMA processing is active or pending

Serial interfaces STM32W108HB STM32W108CB STM32W108CC STM32W108CZ
154/289 DocID16252 Rev 16
9.12.14 Serial controller receive DMA channel A first error register
(SCx_DMARXERRAR)
Address offset: 0xC834 (SC1_DMARXERRAR) and 0xC034 (SC2_DMARXERRAR)
Reset value: 0x0000 0000
9.12.15 Serial controller receive DMA channel B first error register
(SCx_DMARXERRBR)
Address offset: 0xC838 (SC1_DMARXERRBR) and 0xC038 (SC2_DMARXERRBR)
Reset value: 0x0000 0000
31 30 29 28 27 26 25 24 23 22 21 20 19 18 17 16
Reserved
15 14 13 12 11 10 9 8 7 6 5 4 3 2 1 0
Reserved
ADD[12:0]
rrr r r r r r rr r r r
Bits 31:13 Reserved, must be kept at reset value
Bits 12:0 ADD[12:0]:
The offset from the start of DMA receive buffer A of the first byte received with a parity, frame,
or overflow error. Note that an overflow error occurs at the input to the receive FIFO, so this
offset is 4 bytes before the overflow position. If there is no error, it reads zero. This register is
not updated by subsequent errors until the buffer unloads and is reloaded, or the receive
DMA is reset.
31 30 29 28 27 26 25 24 23 22 21 20 19 18 17 16
Reserved
15 14 13 12 11 10 9 8 7 6 5 4 3 2 1 0
Reserved
ADD[12:0]
rrr r r r r r rr r r r
Bits 31:13 Reserved, must be kept at reset value
Bits 12:0 ADD[12:0]:
The offset from the start of DMA receive buffer B of the first byte received with a parity, frame,
or overflow error. Note that an overflow error occurs at the input to the receive FIFO, so this
offset is 4 bytes before the overflow position. If there is no error, it reads zero. This register is
not updated by subsequent errors until the buffer unloads and is reloaded, or the receive
DMA is reset.

DocID16252 Rev 16 155/289
STM32W108HB STM32W108CB STM32W108CC STM32W108CZ Serial interfaces
286
9.12.16 Serial controller receive DMA saved counter channel B register
(SCx_DMARXCNTSAVEDR)
Address offset: 0xC870 (SC1_DMARXCNTSAVEDR) and 0xC070
(SC2_DMARXCNTSAVEDR)
Reset value: 0x0000 0000
9.12.17 Serial interface (SC1/SC2) register map
Table 31 gives the SC1/SC2 register map and reset values.
31 30 29 28 27 26 25 24 23 22 21 20 19 18 17 16
Reserved
15 14 13 12 11 10 9 8 7 6 5 4 3 2 1 0
Reserved
CNT[12:0]
rrr r r r r r rr r r r
Bits 31:13 Reserved, must be kept at reset value
Bits 12:0 CNT[12:0]:
Receive DMA count saved in SPI slave mode when nSSEL deasserts. The count is only
saved the first time nSSEL deasserts.
Table 31. SC1/SC2 register map and reset values
Offset Register
31
30
29
28
27
26
25
24
23
22
21
20
19
18
17
16
15
14
13
12
11
10
9
8
7
6
5
4
3
2
1
0
0xA808 SC1_ISR
Res.
Res.
Res.
Res.
Res.
Res.
Res.
Res.
Res.
Res.
Res.
Res.
Res.
Res.
Res.
Res.
Res.
PE
FE
TXULODB
TXULODA
RXULODB
RXULODA
NACK
CMDFIN
BTF
BRF
UDR
OVR
IDLE
TXE
RXNE
Reset value 000000000000000
0xA848 SC1_IER
Res.
Res.
Res.
Res.
Res.
Res.
Res.
Res.
Res.
Res.
Res.
Res.
Res.
Res.
Res.
Res.
Res.
PEIE
FEIE
TXULODRIE
TXULODAIE
RXULODBIE
RXULODAIE
NACKIE
CMDFINIE
BTFIE
BRFIE
UDRIE
OVRIE
IDLEIE
TXEIE
RXNEIE
Reset value 000000000000000
0xA854 SC1_ICR
Res.
Res.
Res.
Res.
Res.
Res.
Res.
Res.
Res.
Res.
Res.
Res.
Res.
Res.
Res.
Res.
Res.
Res.
Res.
Res.
Res.
Res.
Res.
Res.
Res.
Res.
Res.
Res.
Res.
IDLELEVEL
TXELEVEL
RXNELEVEL
Reset value 000
0xC83C SC1_DR
Res.
Res.
Res.
Res.
Res.
Res.
Res.
Res.
Res.
Res.
Res.
Res.
Res.
Res.
Res.
Res.
Res.
Res.
Res.
Res.
Res.
Res.
Res.
Res.
DR[7:0]
Reset value 00000000

Serial interfaces STM32W108HB STM32W108CB STM32W108CC STM32W108CZ
156/289 DocID16252 Rev 16
0xC854 SC1_CR
Res.
Res.
Res.
Res.
Res.
Res.
Res.
Res.
Res.
Res.
Res.
Res.
Res.
Res.
Res.
Res.
Res.
Res.
Res.
Res.
Res.
Res.
Res.
Res.
Res.
Res.
Res.
Res.
Res.
Res.
MODE[1:0]
Reset value 00
0xC860 SC1_CRR1
Res.
Res.
Res.
Res.
Res.
Res.
Res.
Res.
Res.
Res.
Res.
Res.
Res.
Res.
Res.
Res.
Res.
Res.
Res.
Res.
Res.
Res.
Res.
Res.
Res.
Res.
Res.
LIN[3:0]
Reset value 00000
0xC864 SC1_CRR2
Res.
Res.
Res.
Res.
Res.
Res.
Res.
Res.
Res.
Res.
Res.
Res.
Res.
Res.
Res.
Res.
Res.
Res.
Res.
Res.
Res.
Res.
Res.
Res.
Res.
Res.
Res.
EXP[3:0]
Reset value 00000
0xC840 SC1_SPISR
Res.
Res.
Res.
Res.
Res.
Res.
Res.
Res.
Res.
Res.
Res.
Res.
Res.
Res.
Res.
Res.
Res.
Res.
Res.
Res.
Res.
Res.
Res.
Res.
Res.
Res.
Res.
Res.
IDLE
TXE
RXNE
OVF
Reset value 0000
0xC858 SC1_SPICR
Res.
Res.
Res.
Res.
Res.
Res.
Res.
Res.
Res.
Res.
Res.
Res.
Res.
Res.
Res.
Res.
Res.
Res.
Res.
Res.
Res.
Res.
Res.
Res.
Res.
Res.
RXMODE
MSTR
RPTEN
LSBFIRST
CPHA
CPOL
Reset value 000000
0xC844 SC1_I2CSR
Res.
Res.
Res.
Res.
Res.
Res.
Res.
Res.
Res.
Res.
Res.
Res.
Res.
Res.
Res.
Res.
Res.
Res.
Res.
Res.
Res.
Res.
Res.
Res.
Res.
Res.
Res.
Res.
CMDFIN
BRF
BTF
NACK
Reset value 0000
0xC84C SC1_I2CRR1
Res.
Res.
Res.
Res.
Res.
Res.
Res.
Res.
Res.
Res.
Res.
Res.
Res.
Res.
Res.
Res.
Res.
Res.
Res.
Res.
Res.
Res.
Res.
Res.
Res.
Res.
Res.
Res.
STOP
START
BTE
BRE
Reset value 0000
0xC850 SC1_I2CRR2
Res.
Res.
Res.
Res.
Res.
Res.
Res.
Res.
Res.
Res.
Res.
Res.
Res.
Res.
Res.
Res.
Res.
Res.
Res.
Res.
Res.
Res.
Res.
Res.
Res.
Res.
Res.
Res.
Res.
Res.
Res.
ACK
Reset value 0
0xC848 SC1_UARTSR
Res.
Res.
Res.
Res.
Res.
Res.
Res.
Res.
Res.
Res.
Res.
Res.
Res.
Res.
Res.
Res.
Res.
Res.
Res.
Res.
Res.
Res.
Res.
Res.
Res.
IDLE
PE
FE
OVR
TXE
RXNE
CTS
Reset value 1000000
0xC85C SC1_UARTCR
Res.
Res.
Res.
Res.
Res.
Res.
Res.
Res.
Res.
Res.
Res.
Res.
Res.
Res.
Res.
Res.
Res.
Res.
Res.
Res.
Res.
Res.
Res.
Res.
Res.
AHFCE
HFCE
PS
PCE
STOP
M
nRTS
Reset value 0000000
0xC868 SC1_UARTBRR1
Res.
Res.
Res.
Res.
Res.
Res.
Res.
Res.
Res.
Res.
Res.
Res.
Res.
Res.
Res.
Res.
N[15:0]
Reset value 0000000000000000
0xC86C SC1_UARTBRR2
Res.
Res.
Res.
Res.
Res.
Res.
Res.
Res.
Res.
Res.
Res.
Res.
Res.
Res.
Res.
Res.
Res.
Res.
Res.
Res.
Res.
Res.
Res.
Res.
Res.
Res.
Res.
Res.
Res.
Res.
Res.
F
Reset value 0
0xC800
SC1_DMARX
BEGADDAR
Res.
Res.
Res.
Res.
Res.
Res.
Res.
Res.
Res.
Res.
Res.
Res.
Res.
Res.
Res.
Res.
Res.
Res.
Res.
ADD[12:0]
Reset value 0000000000000
0xC804
SC1_DMARX
ENDADDAR
Res.
Res.
Res.
Res.
Res.
Res.
Res.
Res.
Res.
Res.
Res.
Res.
Res.
Res.
Res.
Res.
Res.
Res.
Res.
ADD[12:0]
Reset value 0000000000000
0xC808
SC1_DMARX
BEGADDBR
Res.
Res.
Res.
Res.
Res.
Res.
Res.
Res.
Res.
Res.
Res.
Res.
Res.
Res.
Res.
Res.
Res.
Res.
Res.
ADD[12:0]
Reset value 0000000000000
Table 31. SC1/SC2 register map and reset values (continued)
Offset Register
31
30
29
28
27
26
25
24
23
22
21
20
19
18
17
16
15
14
13
12
11
10
9
8
7
6
5
4
3
2
1
0

DocID16252 Rev 16 157/289
STM32W108HB STM32W108CB STM32W108CC STM32W108CZ Serial interfaces
286
0xC80C
SC1_DMARX
ENDADDBR
Res.
Res.
Res.
Res.
Res.
Res.
Res.
Res.
Res.
Res.
Res.
Res.
Res.
Res.
Res.
Res.
Res.
Res.
Res.
ADD[12:0]
Reset value 0000000000000
0xC810
SC1_DMATX
BEGADDAR
Res.
Res.
Res.
Res.
Res.
Res.
Res.
Res.
Res.
Res.
Res.
Res.
Res.
Res.
Res.
Res.
Res.
Res.
Res.
ADD[12:0]
Reset value 0000000000000
0xC814
SC1_DMATX
ENDADDAR
Res.
Res.
Res.
Res.
Res.
Res.
Res.
Res.
Res.
Res.
Res.
Res.
Res.
Res.
Res.
Res.
Res.
Res.
Res.
ADD[12:0]
Reset value 0000000000000
0xC818
SC1_DMATX
BEGADDBR
Res.
Res.
Res.
Res.
Res.
Res.
Res.
Res.
Res.
Res.
Res.
Res.
Res.
Res.
Res.
Res.
Res.
Res.
Res.
ADD[12:0]
Reset value 0000000000000
0xC81C
SC1_DMATX
ENDADDBR
Res.
Res.
Res.
Res.
Res.
Res.
Res.
Res.
Res.
Res.
Res.
Res.
Res.
Res.
Res.
Res.
Res.
Res.
Res.
ADD[12:0]
Reset value 0000000000000
0xC820
SC1_DMARX
CNTAR
Res.
Res.
Res.
Res.
Res.
Res.
Res.
Res.
Res.
Res.
Res.
Res.
Res.
Res.
Res.
Res.
Res.
Res.
Res.
CNT[12:0]
Reset value 0000000000000
0xC824
SC1_DMARX
CNTBR
Res.
Res.
Res.
Res.
Res.
Res.
Res.
Res.
Res.
Res.
Res.
Res.
Res.
Res.
Res.
Res.
Res.
Res.
Res.
CNT[12:0]
Reset value 0000000000000
0xC828
SC1_DMATX
CNTR
Res.
Res.
Res.
Res.
Res.
Res.
Res.
Res.
Res.
Res.
Res.
Res.
Res.
Res.
Res.
Res.
Res.
Res.
Res.
CNT[12:0]
Reset value 0000000000000
0xC82C SC1_DMASR
Res.
Res.
Res.
Res.
Res.
Res.
Res.
Res.
Res.
Res.
Res.
Res.
Res.
Res.
Res.
Res.
Res.
Res.
Res.
NSSS
[2:0]
FEB
FEA
PEB
PEA
OVRB
OVRA
TXBACK
TXAACK
RXBACK
RXAACK
Reset value 0000000000000
0xC830 SC1_DMACR
Res.
Res.
Res.
Res.
Res.
Res.
Res.
Res.
Res.
Res.
Res.
Res.
Res.
Res.
Res.
Res.
Res.
Res.
Res.
Res.
Res.
Res.
Res.
Res.
Res.
Res.
TXRST
RXRST
TXLODB
TXLODA
RXLODB
RXLODA
Reset value 000000
0xC834
SC1_DMARX
ERRAR
Res.
Res.
Res.
Res.
Res.
Res.
Res.
Res.
Res.
Res.
Res.
Res.
Res.
Res.
Res.
Res.
Res.
Res.
Res.
ADD[12:0]
Reset value 0000000000000
0xC838
SC1_DMARX
ERRBR
Res.
Res.
Res.
Res.
Res.
Res.
Res.
Res.
Res.
Res.
Res.
Res.
Res.
Res.
Res.
Res.
Res.
Res.
Res.
ADD[12:0]
Reset value 0000000000000
0xC870
SC1_DMARX
CNTSAVEDR
Res.
Res.
Res.
Res.
Res.
Res.
Res.
Res.
Res.
Res.
Res.
Res.
Res.
Res.
Res.
Res.
Res.
Res.
Res.
CNT[12:0]
Reset value 0000000000000
0xA80C SC2_ISR
Res.
Res.
Res.
Res.
Res.
Res.
Res.
Res.
Res.
Res.
Res.
Res.
Res.
Res.
Res.
Res.
Res.
PE
FE
TXULODB
TXULODA
RXULODB
RXULODA
NACK
CMDFIN
BTF
BRF
UDR
OVR
IDLE
TXE
RXNE
Reset value 000000000000000
0xA84C SC2_IER
Res.
Res.
Res.
Res.
Res.
Res.
Res.
Res.
Res.
Res.
Res.
Res.
Res.
Res.
Res.
Res.
Res.
PEIE
FEIE
TXULODRIE
TXULODAIE
RXULODBIE
RXULODAIE
NACKIE
CMDFINIE
BTFIE
BRFIE
UDRIE
OVRIE
IDLEIE
TXEIE
RXNEIE
Reset value 000000000000000
Table 31. SC1/SC2 register map and reset values (continued)
Offset Register
31
30
29
28
27
26
25
24
23
22
21
20
19
18
17
16
15
14
13
12
11
10
9
8
7
6
5
4
3
2
1
0

Serial interfaces STM32W108HB STM32W108CB STM32W108CC STM32W108CZ
158/289 DocID16252 Rev 16
0xA858 SC2_ICR
Res.
Res.
Res.
Res.
Res.
Res.
Res.
Res.
Res.
Res.
Res.
Res.
Res.
Res.
Res.
Res.
Res.
Res.
Res.
Res.
Res.
Res.
Res.
Res.
Res.
Res.
Res.
Res.
Res.
IDLELEVEL
TXELEVEL
RXNELEVEL
Reset value 000
0xC03C SC2_DR
Res.
Res.
Res.
Res.
Res.
Res.
Res.
Res.
Res.
Res.
Res.
Res.
Res.
Res.
Res.
Res.
Res.
Res.
Res.
Res.
Res.
Res.
Res.
Res.
DR[7:0]
Reset value 00000000
0xC054 SC2_CR
Res.
Res.
Res.
Res.
Res.
Res.
Res.
Res.
Res.
Res.
Res.
Res.
Res.
Res.
Res.
Res.
Res.
Res.
Res.
Res.
Res.
Res.
Res.
Res.
Res.
Res.
Res.
Res.
Res.
Res.
MODE[1:0]
Reset value 00
0xC060 SC2_CRR1
Res.
Res.
Res.
Res.
Res.
Res.
Res.
Res.
Res.
Res.
Res.
Res.
Res.
Res.
Res.
Res.
Res.
Res.
Res.
Res.
Res.
Res.
Res.
Res.
Res.
Res.
Res.
LIN[3:0]
Reset value 00000
0xC064 SC2_CRR2
Res.
Res.
Res.
Res.
Res.
Res.
Res.
Res.
Res.
Res.
Res.
Res.
Res.
Res.
Res.
Res.
Res.
Res.
Res.
Res.
Res.
Res.
Res.
Res.
Res.
Res.
Res.
EXP[3:0]
Reset value 00000
0xC040 SC2_SPISR
Res.
Res.
Res.
Res.
Res.
Res.
Res.
Res.
Res.
Res.
Res.
Res.
Res.
Res.
Res.
Res.
Res.
Res.
Res.
Res.
Res.
Res.
Res.
Res.
Res.
Res.
Res.
Res.
IDLE
TXE
RXNE
OVF
Reset value 0000
0xC058 SC2_SPICR
Res.
Res.
Res.
Res.
Res.
Res.
Res.
Res.
Res.
Res.
Res.
Res.
Res.
Res.
Res.
Res.
Res.
Res.
Res.
Res.
Res.
Res.
Res.
Res.
Res.
Res.
RXMODE
MSTR
RPTEN
LSBFIRST
CPHA
CPOL
Reset value 000000
0xC044 SC2_I2CSR
Res.
Res.
Res.
Res.
Res.
Res.
Res.
Res.
Res.
Res.
Res.
Res.
Res.
Res.
Res.
Res.
Res.
Res.
Res.
Res.
Res.
Res.
Res.
Res.
Res.
Res.
Res.
Res.
CMDFIN
BRF
BTF
NACK
Reset value 0000
0xC04C SC2_I2CRR1
Res.
Res.
Res.
Res.
Res.
Res.
Res.
Res.
Res.
Res.
Res.
Res.
Res.
Res.
Res.
Res.
Res.
Res.
Res.
Res.
Res.
Res.
Res.
Res.
Res.
Res.
Res.
Res.
STOP
START
BTE
BRE
Reset value 0000
0xC050 SC2_I2CRR2
Res.
Res.
Res.
Res.
Res.
Res.
Res.
Res.
Res.
Res.
Res.
Res.
Res.
Res.
Res.
Res.
Res.
Res.
Res.
Res.
Res.
Res.
Res.
Res.
Res.
Res.
Res.
Res.
Res.
Res.
Res.
ACK
Reset value 0
0xC000
SC2_DMARX
BEGADDAR
Res.
Res.
Res.
Res.
Res.
Res.
Res.
Res.
Res.
Res.
Res.
Res.
Res.
Res.
Res.
Res.
Res.
Res.
Res.
ADD[12:0]
Reset value 0000000000000
0xC004
SC2_DMARX
ENDADDAR
Res.
Res.
Res.
Res.
Res.
Res.
Res.
Res.
Res.
Res.
Res.
Res.
Res.
Res.
Res.
Res.
Res.
Res.
Res.
ADD[12:0]
Reset value 0000000000000
0xC008
SC2_DMARX
BEGADDBR
Res.
Res.
Res.
Res.
Res.
Res.
Res.
Res.
Res.
Res.
Res.
Res.
Res.
Res.
Res.
Res.
Res.
Res.
Res.
ADD[12:0]
Reset value 0000000000000
0xC00C
SC2_DMARX
ENDADDBR
Res.
Res.
Res.
Res.
Res.
Res.
Res.
Res.
Res.
Res.
Res.
Res.
Res.
Res.
Res.
Res.
Res.
Res.
Res.
ADD[12:0]
Reset value 0000000000000
Table 31. SC1/SC2 register map and reset values (continued)
Offset Register
31
30
29
28
27
26
25
24
23
22
21
20
19
18
17
16
15
14
13
12
11
10
9
8
7
6
5
4
3
2
1
0

DocID16252 Rev 16 159/289
STM32W108HB STM32W108CB STM32W108CC STM32W108CZ Serial interfaces
286
Refer to Figure 4: STM32W108xB memory mapping, Figure 5: STM32W108CC and
STM32W108CZ memory mapping, and Table 3: STM32W108xx peripheral register
boundary addresses for the register boundary addresses of the peripherals available in all
STM32W108xx devices.
0xC010
SC2_DMATX
BEGADDAR
Res.
Res.
Res.
Res.
Res.
Res.
Res.
Res.
Res.
Res.
Res.
Res.
Res.
Res.
Res.
Res.
Res.
Res.
Res.
ADD[12:0]
Reset value 0000000000000
0xC014
SC2_DMATX
ENDADDAR
Res.
Res.
Res.
Res.
Res.
Res.
Res.
Res.
Res.
Res.
Res.
Res.
Res.
Res.
Res.
Res.
Res.
Res.
Res.
ADD[12:0]
Reset value 0000000000000
0xC018
SC2_DMATX
BEGADDBR
Res.
Res.
Res.
Res.
Res.
Res.
Res.
Res.
Res.
Res.
Res.
Res.
Res.
Res.
Res.
Res.
Res.
Res.
Res.
ADD[12:0]
Reset value 0000000000000
0xC01C
SC2_DMATX
ENDADDBR
Res.
Res.
Res.
Res.
Res.
Res.
Res.
Res.
Res.
Res.
Res.
Res.
Res.
Res.
Res.
Res.
Res.
Res.
Res.
ADD[12:0]
Reset value 0000000000000
0xC020
SC2_DMARX
CNTAR
Res.
Res.
Res.
Res.
Res.
Res.
Res.
Res.
Res.
Res.
Res.
Res.
Res.
Res.
Res.
Res.
Res.
Res.
Res.
CNT[12:0]
Reset value 0000000000000
0xC024
SC2_DMARX
CNTBR
Res.
Res.
Res.
Res.
Res.
Res.
Res.
Res.
Res.
Res.
Res.
Res.
Res.
Res.
Res.
Res.
Res.
Res.
Res.
CNT[12:0]
Reset value 0000000000000
0xC028
SC2_DMATX
CNTR
Res.
Res.
Res.
Res.
Res.
Res.
Res.
Res.
Res.
Res.
Res.
Res.
Res.
Res.
Res.
Res.
Res.
Res.
Res.
CNT[12:0]
Reset value 0000000000000
0xC02C SC2_DMASR
Res.
Res.
Res.
Res.
Res.
Res.
Res.
Res.
Res.
Res.
Res.
Res.
Res.
Res.
Res.
Res.
Res.
Res.
Res.
NSSS
[2:0]
FEB
FEA
PEB
PEA
OVRB
OVRA
TXBACK
TXAACK
RXBACK
RXAACK
Reset value 0000000000000
0xC030 SC2_DMACR
Res.
Res.
Res.
Res.
Res.
Res.
Res.
Res.
Res.
Res.
Res.
Res.
Res.
Res.
Res.
Res.
Res.
Res.
Res.
Res.
Res.
Res.
Res.
Res.
Res.
Res.
TXRST
RXRST
TXLODB
TXLODA
RXLODB
RXLODA
Reset value 000000
0xC034
SC2_DMARX
ERRAR
Res.
Res.
Res.
Res.
Res.
Res.
Res.
Res.
Res.
Res.
Res.
Res.
Res.
Res.
Res.
Res.
Res.
Res.
Res.
ADD[12:0]
Reset value 0000000000000
0xC038
SC2_DMARX
ERRBR
Res.
Res.
Res.
Res.
Res.
Res.
Res.
Res.
Res.
Res.
Res.
Res.
Res.
Res.
Res.
Res.
Res.
Res.
Res.
ADD[12:0]
Reset value 0000000000000
0xC070
SC2_DMARX
CNTSAVEDR
Res.
Res.
Res.
Res.
Res.
Res.
Res.
Res.
Res.
Res.
Res.
Res.
Res.
Res.
Res.
Res.
Res.
Res.
Res.
CNT[12:0]
Reset value 0000000000000
Table 31. SC1/SC2 register map and reset values (continued)
Offset Register
31
30
29
28
27
26
25
24
23
22
21
20
19
18
17
16
15
14
13
12
11
10
9
8
7
6
5
4
3
2
1
0

General-purpose timers STM32W108HB STM32W108CB STM32W108CC STM32W108CZ
160/289 DocID16252 Rev 16
10 General-purpose timers
Each of the STM32W108xx's two general-purpose timers consists of a 16-bit auto-reload
counter driven by a programmable prescaler. They may be used for a variety of purposes,
including measuring the pulse lengths of input signals (input capture) or generating output
waveforms (output compare and PWM). Pulse lengths and waveform periods can be
modulated from a few microseconds to several milliseconds using the timer prescaler. The
timers are completely independent, and do not share any resources. They can be
synchronized together as described in Section 10.1.14: Timer synchronization on page 190.
The two general-purpose timers, TIM1 and TIM2, have the following features:
•16-bit up, down, or up/down auto-reload counter.
•Programmable prescaler to divide the counter clock by any power of two from 1
through 32768.
•4 independent channels for:
– Input capture
– Output compare
•PWM generation (edge- and center-aligned mode)
•One-pulse mode output
•Synchronization circuit to control the timer with external signals and to interconnect the
timers.
•Flexible clock source selection:
– Peripheral clock (PCLK at 6 or 12 MHz)
– 32 kHz HSE OSC (if available)
– 1 kHz clock
•GPIO input
•Interrupt generation on the following events:
– Update: counter overflow/underflow, counter initialization (software or
internal/external trigger)
– Trigger event (counter start, stop, initialization or count by internal/external trigger)
•Input capture
•Output compare
•Supports incremental (quadrature) encoders and Hall sensors for positioning
applications.
•Trigger input for external clock or cycle-by-cycle current management.
Note: Because the two timers are identical, the notation TIMx refers to either TIM1 or TIM2. For
example, TIMx_PSC refers to both TIM1_PSC and TIM2_PSC. Similarly, "y" refers to any of
the four channels of a given timer, so for example, OCy refers to OC1, OC2, OC3, and OC4.

DocID16252 Rev 16 161/289
STM32W108HB STM32W108CB STM32W108CC STM32W108CZ General-purpose timers
286
Figure 15. General-purpose timer block diagram
Note: The internal signals shown in Figure 15 are described in Section 10.1.15: Timer signal
descriptions on page 196 and are used throughout the text to describe how the timer
components are interconnected.

General-purpose timers STM32W108HB STM32W108CB STM32W108CC STM32W108CZ
162/289 DocID16252 Rev 16
10.1 Functional description
The timers can optionally use GPIOs in the PA and PB ports for external inputs or outputs.
As with all STM32W108xx digital inputs, a GPIO used as a timer input can be shared with
other uses of the same pin. Available timer inputs include an external timer clock, a clock
mask, and four input channels. Any GPIO used as a timer output must be configured as an
alternate output and is controlled only by the timer.
Many of the GPIOs that can be assigned as timer outputs can also be used by another on-
chip peripheral such as a serial controller. Use as a timer output takes precedence over
another peripheral function, as long as the channel is configured as an output in the
TIMx_CCMR1 register and is enabled in the TIMx_CCER register.
The GPIOs that can be used by Timer 1 are fixed, but the GPIOs that can be used as Timer
2 channels can be mapped to either of two pins, as shown in Table 32. The Timer 2 Option
Register (TIM2_OR) has four single bit fields (REMAPCy) that control whether a Timer 2
channel is mapped to its default GPIO in port PA, or remapped to a GPIO in PB.
Table 32 specifies the pins that may be assigned to Timer 1 and Timer 2 functions.
The TIMxCLK and TIMxMSK inputs can be used only in the external clock modes: refer to
the External Clock Source Mode 1 and External Clock Source Mode 2 sections for details
concerning their use.
10.1.1 Time-base unit
The main block of the general purpose timer is a 16-bit counter with its related auto-reload
register. The counter can count up, down, or alternate up and down. The counter clock can
be divided by a prescaler.
The counter, the auto-reload register, and the prescaler register can be written to or read by
software. This is true even when the counter is running.
The time-base unit includes:
•Counter register (TIMx_CNT)
•Prescaler register (TIMx_PSC)
•Auto-reload register (TIMx_ARR)
Some timer registers cannot be directly accessed by software, which instead reads and
writes a "buffer register". The internal registers actually used for timer operations are called
"shadow registers".
Table 32. Timer GPIO use
Signal (direction) TIMxC1
(in or out) TIMxC2
(in or out) TIMxC3
(in or out) TIMxC4
(in or out) TIMxCLK
(in) TIMxMSK
(in)
Timer 1 PB6 PB7 PA6 PA7 PB0 PB5
Timer 2
(REMAPCy = 0) PA0 PA3 PA1 PA2 PB5 PB0
Timer 2
(REMAPCy = 1) PB1 PB2 PB3 PB4 PB5 PB0

DocID16252 Rev 16 163/289
STM32W108HB STM32W108CB STM32W108CC STM32W108CZ General-purpose timers
286
The auto-reload register is buffered. Writing to or reading from the auto-reload register
accesses the buffer register. The contents of the buffer register are transferred into the
shadow register permanently or at each update event (UEV), depending on the auto-reload
buffer enable bit (ARPE) in the TIMx_CR1 register. The update event is generated when
both the counter reaches the overflow (or underflow when down-counting) and when the
UDIS bit equals 0 in the TIMx_CR1 register. It can also be generated by software. Update
event generation is described in detail for each configuration.
The counter is clocked by the prescaler output CK_CNT, which is enabled only when the
counter enable bit (CEN) in the TIMx_CR1 register is set. Refer also to the slave mode
controller description in the Timers and External Trigger Synchronization section to get more
details on counter enabling.
Note that the actual counter enable signal CNT_EN is set one clock cycle after CEN.
Note: When the STM32W108xx enters debug mode and the ARM® Cortex®-M3 core is halted, the
counters continue to run normally.
Prescaler
The prescaler can divide the counter clock frequency by power of two from 1 through 32768.
It is based on a 16-bit counter controlled through the 4-bit PSC[3:0] in the TIMx_PSC
register. The factor by which the internal timer clock frequency (fCK_PSC) is divided is two
raised to the power PSC[3:0]:
It can be changed on the fly as this control register is buffered. The new prescaler ratio is
used starting at the next update event.
Figure 16 gives an example of the counter behavior when the prescaler ratio is changed on
the fly.
Figure 16. Counter timing diagram with prescaler division change from 1 to 4
CK_CNT fCK_PSC 2 ^ PSC[3:0]()⁄=

General-purpose timers STM32W108HB STM32W108CB STM32W108CC STM32W108CZ
164/289 DocID16252 Rev 16
10.1.2 Counter modes
Up-counting mode
In up-counting mode, the counter counts from 0 to the auto-reload value (contents of the
TIMx_ARR register), then restarts from 0 and generates a counter overflow event.
An update event can be generated at each counter overflow, by setting the UG bit in the
TIMx_EGR register, or by using the slave mode controller.
Software can disable the update event by setting the UDIS bit in the TIMx_CR1 register, to
avoid updating the shadow registers while writing new values in the buffer registers. No
update event will occur until the UDIS bit is written to 0. Both the counter and the prescalar
counter restart from 0, but the prescale rate does not change. In addition, if the URS bit in
the TIMx_CR1 register is set, setting the UG bit generates an update event but without
setting the UIF flag. Thus no interrupt request is sent. This avoids generating both update
and capture interrupts when clearing the counter on the capture event.
When an update event occurs, the update flag (the UIF bit in the TIMx_SR register) is set
(depending on the URS bit in the TIMx_CR1 register) and the following registers are
updated:
•The buffer of the prescaler is reloaded with the buffer value (contents of the TIMx_PSC
register).
•The auto-reload shadow register is updated with the buffer value (TIMx_ARR).
Figure 17, Figure 18, Figure 19, and Figure 20 show some examples of the counter
behavior for different clock frequencies when TIMx_ARR = 0x36.
Figure 17. Counter timing diagram, internal clock divided by 1
#+?).4
#.4?%.
4IMERCLOCK#+?#.4
#OUNTERREGISTER
#OUNTEROVERFLOW
5PDATEEVENT5%6
5PDATEINTERRUPTFLAG
-36
5)&

DocID16252 Rev 16 165/289
STM32W108HB STM32W108CB STM32W108CC STM32W108CZ General-purpose timers
286
Figure 18. Counter timing diagram, internal clock divided by 4
Figure 19. Counter timing diagram, update event when ARPE = 0
(TIMx_ARR not buffered)
#+?).4
#.4?%.
4IMERCLOCK#+?#.4
#OUNTERREGISTER
#OUNTEROVERFLOW
5PDATEEVENT5%6
5PDATEINTERRUPTFLAG
-36
5)&
00
CNT_EN
Timer clock = CK_CNT
Counter register
Update interrupt flag (UIF)
Counter overflow
Update event (UEV)
01 02 03 04 05 06 0732 33 34 35
36
31
Auto-reload register FF 36
Write a new value in TIMx_ARR
CK_INT

General-purpose timers STM32W108HB STM32W108CB STM32W108CC STM32W108CZ
166/289 DocID16252 Rev 16
Figure 20. Counter timing diagram, update event when ARPE = 1 (TIMx_ARR
buffered)
Down-counting mode
In down-counting mode, the counter counts from the auto-reload value (contents of the
TIMx_ARR register) down to 0, then restarts from the auto-reload value and generates a
counter underflow event.
An update event can be generated at each counter underflow, by setting the UG bit in the
TIMx_EGR register, or by using the slave mode controller). Software can disable the update
event by setting the UDIS bit in the TIMx_CR1 register, to avoid updating the shadow
registers while writing new values in the buffer registers. No update event occurs until the
UDIS bit is written to 0. However, the counter restarts from the current auto-reload value,
whereas the prescalar's counter restarts from 0, but the prescale rate doesn't change.
In addition, if the URS bit in the TIMx_CR1 register is set, setting the UG bit generates an
update event, but without setting the UIF flag. Thus no interrupt request is sent. This avoids
generating both update and capture interrupts when clearing the counter on the capture
event.
When an update event occurs, the update flag (the UIF bit in the TIMx_SR register) is set
(depending on the URS bit in the TIMx_CR1 register) and the following registers are
updated:
•The prescaler shadow register is reloaded with the buffer value (contents of the
TIMx_PSC register).
•The auto-reload active register is updated with the buffer value (contents of the
TIMx_ARR register). The auto-reload is updated before the counter is reloaded, so that
the next period is the expected one.
Figure 21 and Figure 22 show some examples of the counter behavior for different clock
frequencies when TIMx_ARR = 0x36.
00
CNT_EN
Timer clock = CK_CNT
Counter register
Update interrupt flag (UIF)
Counter overflow
Update event (UEV)
01 02 03 04 05 06 07F1 F2 F3 F4 F5F0
Auto-reload buffer register F5 36
Auto-reload shadow register F5 36
Write a new value in TIMx_ARR
CK_PSC

DocID16252 Rev 16 167/289
STM32W108HB STM32W108CB STM32W108CC STM32W108CZ General-purpose timers
286
Figure 21. Counter timing diagram, internal clock divided by 1
Figure 22. Counter timing diagram, internal clock divided by 4
Center-aligned mode (up/down counting)
In center-aligned mode, the counter counts from 0 to the auto-reload value (contents of the
TIMx_ARR register) - 1 and generates a counter overflow event, then counts from the
autoreload value down to 1 and generates a counter underflow event. Then it restarts
counting from 0.
In this mode, the direction bit (DIR in the TIMx_CR1 register) cannot be written. It is updated
by hardware and gives the current direction of the counter.
The update event can be generated at each counter overflow and at each counter
underflow. Setting the UG bit in the TIMx_EGR register by software or by using the slave
mode controller also generates an update event. In this case, the both the counter and the
prescalar's counter restart counting from 0.
Software can disable the update event by setting the UDIS bit in the TIMx_CR1 register.
This avoids updating the shadow registers while writing new values in the buffer registers.
Then no update event occurs until the UDIS bit has been written to 0. However, the counter
continues counting up and down, based on the current auto-reload value.
CK_INT
36
CNT_EN
Timer clock = CK_CNT
Counter register
Update interrupt flag (UIF)
Counter underflow (cnt_udf)
Update event (UEV)
35 34 33 32 31 30 2F04 03 02 01 0005
0036 0035
CNT_EN
Timer clock = CK_CNT
Counter register
Update interrupt flag (UIF)
0001 0000
Counter underflow
Update event (UEV)
CK_INT

General-purpose timers STM32W108HB STM32W108CB STM32W108CC STM32W108CZ
168/289 DocID16252 Rev 16
In addition, if the URS bit in the TIMx_CR1 register is set, setting the UG bit generates an
update event, but without setting the UIF flag. Thus no interrupt request is sent. This avoids
generating both update and capture interrupt when clearing the counter on the capture
event.
When an update event occurs, the update flag (the UIF bit in the TIMx_SR register) is set
(depending on the URS bit in the TIMx_CR1 register) and the following registers are
updated:
•The prescaler shadow register is reloaded with the buffer value (contents of the
TIMx_PSC register).
•The auto-reload active register is updated with the buffer value (contents of the
TIMx_ARR register). If the update source is a counter overflow, the auto-reload is
updated before the counter is reloaded, so that the next period is the expected one.
The counter is loaded with the new value.
The following figures show some examples of the counter behavior for different clock
frequencies.
Figure 23. Counter timing diagram, internal clock divided by 1, TIMx_ARR = 0x6
CK_INT
02
CNT_EN
Timer clock = CK_CNT
Counter register
Update interrupt flag (UIF)
Counter underflow
Update event (UEV)
03 04 05 06 05 04 0303 02 01 00 0104
Counter overflow

DocID16252 Rev 16 169/289
STM32W108HB STM32W108CB STM32W108CC STM32W108CZ General-purpose timers
286
Figure 24. Counter timing diagram, update event with ARPE = 1
(counter underflow)
Figure 25. Counter timing diagram, update event with ARPE = 1
(counter overflow)
00
CNT_EN
Timer clock = CK_CNT
Counter register
Update interrupt flag (UIF)
Counter underflow
Update event (UEV)
01 02 03 04 05 06 0705 04 03 02 0106
Auto-reload buffer register FD 36
Write a new value in TIMx_ARR
Auto-reload shadow register FD 36
CK_INT
36
CNT_EN
Timer clock = CK_CNT
Counter register
Update interrupt flag (UIF)
Counter overflow
Update event (UEV)
35 34 33 32 31 30 2FF8 F9 FA FB FCF7
Auto-reload buffer register FD 36
Write a new value in TIMx_ARR
Auto-reload shadow register FD 36
CK_INT

General-purpose timers STM32W108HB STM32W108CB STM32W108CC STM32W108CZ
170/289 DocID16252 Rev 16
10.1.3 Clock selection
The counter clock can be provided by the following clock sources:
•Internal clock (PCLK)
•External clock mode 1: external input pin (TIy)
•External clock mode 2: external trigger input (ETR)
•Internal trigger input (ITR0): using the other timer as prescaler. Refer to the Using one
timer as prescaler for the other timer for more details.
Internal clock source (CK_INT)
The internal clock is selected when the slave mode controller is disabled (SMS = 000 in the
TIMx_SMCR register). In this mode, the CEN, DIR (in the TIMx_CR1 register), and UG bits
(in the TIMx_EGR register) are actual control bits and can be changed only by software,
except for UG, which remains cleared automatically. As soon as the CEN bit is written to 1,
the prescaler is clocked by the internal clock CK_INT.
Figure 26 shows the behavior of the control circuit and the up-counter in normal mode,
without prescaling.
Figure 26. Control circuit in Normal mode, internal clock divided by 1
External clock source mode 1
This mode is selected when SMS = 111 in the TIMx_SMCR register. The counter can count
at each rising or falling edge on a selected input.
CK_INT
00
Counter clock = CK_CNT = CK_PSC
COUNTER REGISTER 01 02 03 04 05 06 0732 33 34 35 3631
CEN=CNT_EN
UG
CNT_INIT

DocID16252 Rev 16 171/289
STM32W108HB STM32W108CB STM32W108CC STM32W108CZ General-purpose timers
286
Figure 27. TI2 external clock connection example
For example, to configure the up-counter to count in response to a rising edge on the TI2
input, use the following procedure:
1. Configure channel 2 to detect rising edges on the TI2 input by writing CC2S = 01 in the
TIMx_CCMR1 register.
2. Configure the input filter duration by writing the IC2F bits in the TIMx_CCMR1 register
(if no filter is needed, keep IC2F = 0000).
Note: The capture prescaler is not used for triggering, so it does not need to be configured.
3. Select rising edge polarity by writing CC2P = 0 in the TIMx_CCER register.
4. Configure the timer in external clock mode 1 by writing SMS = 111 in the TIMx_SMCR
register.
5. Select TI2 as the input source by writing TS = 110 in the TIMx_SMCR register.
6. Enable the counter by writing CEN = 1 in the TIMx_CR1 register.
When a rising edge occurs on TI2, the counter counts once and the TIE flag is set.
The delay between the rising edge on TI2 and the actual clock of the counter is due to the
resynchronization circuit on the TI2 input.
Figure 28. Control circuit in External Clock mode 1
CK_INT
Encoder
mode
External clock
mode 1
External clock
mode 2
Internal clock
mode
ETRF
TRGI
TI1F
TI2F or
or
CK_PSC
TIMx_SMCR
SMS[2:0]
ITRx
TI1F_ED
TI1FP1
TI2FP2
ETRF
TIMx_SMCR
TS[2:0]
TI2 0
1
TIMx_CCER
CC2P
Filter
IC2F[3:0]
TIMx_CCMR1
Edge
detector
TI2F_rising
TI2F_falling 110
001
100
101
111
(Internal clock)
or
ECE
Counter clock = CK_CNT = CK_PSC
Counter register 35 3634
TI2
CNT_EN
TIE
Write UIE=0

General-purpose timers STM32W108HB STM32W108CB STM32W108CC STM32W108CZ
172/289 DocID16252 Rev 16
External clock source mode 2
This mode is selected by writing ECE = 1 in the TIMx_SMCR register. The counter can
count at each rising or falling edge on the external trigger input ETR.
The EXTRIGSEL bits in the TIMx_OR register select a clock signal that drives ETR, as
shown in Table 33.
Figure 29 gives an overview of the external trigger input block.
Figure 29. External trigger input block
For example, to configure the up-counter to count each 2 rising edges on ETR, use the
following procedure:
•As no filter is needed in this example, write ETF = 0000 in the TIMx_SMCR register.
•Set the prescaler by writing ETPS = 01 in the TIMx_SMCR register.
•Select rising edge detection on ETR by writing ETP = 0 in the TIMx_SMCR register.
•Enable external clock mode 2 by writing ECE = 1 in the TIMx_SMCR register.
•Enable the counter by writing CEN = 1 in the TIMx_CR1 register.
The counter counts once each 2 ETR rising edges.
The delay between the rising edge on ETR and the actual clock of the counter is due to the
resynchronization circuit on the ETRP signal.
Table 33. EXTRIGSEL clock signal selection
EXTRIGSEL bits Clock signal selection
00
PCLK (peripheral clock). When running from the 24 MHz HSE OSC, the
PCLK frequency is 12 MHz. When the 12 MHz HSI RC oscillator is in use,
the frequency is 6 MHz.
01 Calibrated 1 kHz internal RC oscillator
10 Optional 32 kHz HSE OSC
11 TIMxCLK pin. If the CLKMSKEN bit in the TIMx_OR register is set, this
signal is AND'ed with the TIMxMSK pin providing a gated clock input.
ETR 0
1
TIMx_SMCR
divider
/1, /2, /4, /8
ETRP filter
downcounter
CK_INT
TIMx_SMCR
TIMx_SMCR
CK_INT
Encoder
mode
External clock
mode 1
External clock
mode 2
Internal clock
mode
ETRF
TRGI
TI1F
TI2F or
or
or
(Internal clock)
CK_PSC
TIMx_SMCR
SMS[2:0]
ETR
ECE
ETF[3:0]
ETPS[1:0]
ETP

DocID16252 Rev 16 173/289
STM32W108HB STM32W108CB STM32W108CC STM32W108CZ General-purpose timers
286
Figure 30. Control circuit in external clock mode 2
10.1.4 Capture/compare channels
Each capture/compare channel is built around a capture/compare register including a
shadow register, an input stage for capture with digital filter, multiplexing and prescaler, and
an output stage with comparator and output control.
Figure 31 gives an overview of one capture/compare channel. The input stage samples the
corresponding TIy input to generate a filtered signal (TIyF). Then an edge detector with
polarity selection generates a signal (TIyFPy) which can be used either as trigger input by
the slave mode controller or as the capture command. It is prescaled before the capture
register (ICyPS).
Figure 31. Capture/compare channel (example: channel 1 input stage)
The output stage generates an intermediate reference signal, OCyREF, which is only used
internally. OCyREF is always active high, but it may be inverted to create the output signal,
OCy, that controls a GPIO output.
Counter clock = CK_CNT = CK_PSC
Counter register 35 3634
ETR
CNT_EN
f
MASTER
ETRP
ETRF
TI1
TIMx_CCER
CC1P
divider
/1, /2, /4, /8
IC1PSC[1:0]
TI1F_ED
filter
IC1F[3:0]
downcounter
TIMx_CCMR1
Edge
Detector
TI1F_rising
TI1F_falling
To the slave mode controller
TI1FP1
11
01
TIMx_CCMR1
CC1S[1:0]
IC1
TI2FP1
TRC
(from channel 2)
(from slave mode
controller)
10
f
DTS
TIMx_CCER
IC1PS
TI1F
TI2F_rising
TI2F_falling
(from channel 2) CCIE

General-purpose timers STM32W108HB STM32W108CB STM32W108CC STM32W108CZ
174/289 DocID16252 Rev 16
Figure 32. Capture/compare channel 1 main circuit
Figure 33. Output stage of capture/compare channel (channel 1)
The capture/compare block is made of a buffer register and a shadow register. Writes and
reads always access the buffer register.
In capture mode, captures are first written to the shadow register, then copied into the buffer
register.
In compare mode, the content of the buffer register is copied into the shadow register which
is compared to the counter.
CC1E
Capture/Compare Shadow Register
Comparator
Capture/Compare Buffer Register
Counter
IC1PSC[1:0]
CC1S
CC1S
Capture
Input
mode
S
R
Read CCR1[31:16]
Read CCR1[15:0]
Read_in_progress
Capture_transfer CC1S
CC1S
S
R
Write CCR1[31:16]
Write CCR1[15:0]
Write_in_progress
Output
mode
UEV
OC1PE
(From time
Compare_transfer
APB Bus
88
High
Low
(If 16-bit)
MCU-peripheral interface
TIMx_CCMR1
OC1PE
base unit)
TIMx_CNT>TIMx_CCR1
TIMx_EGR
CC1G TIMx_CNT=TIMx_CCR1
069
2XWSXWPRGH
7,0[B&17!7,0[B&&5
FRQWUROOHU
7,0[B&&05
2&0>@
RFUHI
7,0[B&&(5
2XWSXW
(QDEOH
&LUFXLW
2&
7,0[B&&(5
7RWKHPDVWHUPRGH
FRQWUROOHU
(75)
&&3
&&(
7,0[B&17 7,0[B&&5

DocID16252 Rev 16 175/289
STM32W108HB STM32W108CB STM32W108CC STM32W108CZ General-purpose timers
286
10.1.5 Input capture mode
In input capture mode, a capture/compare register (TIMx_CCRy) latches the value of the
counter after a transition is detected by the corresponding ICy signal. When a capture
occurs, the corresponding CCyIF flag in the TIMx_SR register is set, and an interrupt
request is sent if enabled.
If a capture occurs when the CCyIF flag is already high, then the missed capture flag CCyIM
in the TIMx_MISSR register is set. CCyIF can be cleared by software writing a 1 to its bit or
reading the captured data stored in the TIMx_CCRy register. To clear the CCyIF bit, write a
1 to it.
The following example shows how to capture the counter value in the TIMx_CCR1 when the
TI1 input rises.
•Select the active input: TIMx_CCR1 must be linked to the TI1 input, so write the CC1S
bits to 01 in the TIMx_CCMR1 register. As soon as CC1S becomes different from 00,
the channel is configured in input and the TIMx_CCR1 register becomes read-only.
•Program the required input filter duration with respect to the signal connected to the
timer, when the input is one of the TIy (ICyF bits in the TIMx_CCMR1 register).
Consider a situation in which, when toggling, the input signal is unstable during at most
5 internal clock cycles. The filter duration must be longer than these 5 clock cycles. The
transition on TI1 can be validated when 8 consecutive samples with the new level have
been detected (sampled at PCLK frequency). To do this, write the IC1F bits to 0011 in
the TIMx_CCMR1 register.
•Select the edge of the active transition on the TI1 channel by writing the CC1P bit to 0
in the TIMx_CCER register (rising edge in this case).
•Program the input prescaler: In this example, the capture is to be performed at each
valid transition, so the prescaler is disabled (write the IC1PSC bits to 00 in the
TIMx_CCMR1 register).
•Enable capture from the counter into the capture register by setting the CC1E bit in the
TIMx_CCER register.
•If needed, enable the related interrupt request by setting the CC1IE bit in the TIMx_IER
register.
•When an input capture occurs:
– The TIMx_CCR1 register gets the value of the counter on the active transition.
–CC1IF flag is set (capture/compare interrupt flag). The missed capture/compare
flag CC1IM in TIMx_MISSR is also set if another capture occurs before the CC1IF
flag is cleared.
– An interrupt may be generated if enabled by the CC1IF bit.
To detect missed captures reliably, read captured data in TIMx_CCRy before checking the
missed capture/compare flag. This sequence avoids missing a capture that could happen
after reading the flag and before reading the data.
Note: Software can generate IC interrupt requests by setting the corresponding CCyG bit in the
TIMx_EGR register.

General-purpose timers STM32W108HB STM32W108CB STM32W108CC STM32W108CZ
176/289 DocID16252 Rev 16
10.1.6 PWM input mode
This mode is a particular case of input capture mode. The procedure is the same except:
•Two ICy signals are mapped on the same TIy input.
•These two ICy signals are active on edges with opposite polarity.
•One of the two TIyFP signals is selected as trigger input and the slave mode controller
is configured in reset mode.
For example, to measure the period in the TIMx_CCR1 register and the duty cycle in the
TIMx_CCR2 register of the PWM applied on TI1, use the following procedure depending on
CK_INT frequency and prescaler value:
•Select the active input for TIMx_CCR1: write the CC1S bits to 01 in the TIMx_CCMR1
register (TI1 selected).
•Select the active polarity for TI1FP1, used both for capture in the TIMx_CCR1 and
counter clear, by writing the CC1P bit to 0 (active on rising edge).
•Select the active input for TIMx_CCR2 by writing the CC2S bits to 10 in the
TIMx_CCMR1 register (TI1 selected).
•Select the active polarity for TI1FP2 (used for capture in the TIMx_CCR2) by writing
the CC2P bit to 1 (active on falling edge).
•Select the valid trigger input by writing the TS bits to 101 in the TIMx_SMCR register
(TI1FP1 selected).
•Configure the slave mode controller in reset mode by writing the SMS bits to 100 in the
TIMx_SMCR register.
•Enable the captures by writing the CC1E and CC2E bits to 1 in the TIMx_CCER
register.
Figure 34. PWM input mode timing
4)
4)-X?#.4
4)-X?##2
4)-X?##2
)#CAPTURE
)#CAPTURE
RESETCOUNTER
)#CAPTURE
PULSEWI DTH
)#CAPTURE
PERIOD
MEASUREMENT
MEASUREMENT
AIB

DocID16252 Rev 16 177/289
STM32W108HB STM32W108CB STM32W108CC STM32W108CZ General-purpose timers
286
10.1.7 Forced output mode
In output mode (CCyS bits = 00 in the TIMx_CCMR1 register), software can force each
output compare signal (OCyREF and then OCy) to an active or inactive level independently
of any comparison between the output compare register and the counter.
To force an output compare signal (OCyREF/OCy) to its active level, write 101 in the OCyM
bits in the corresponding TIMx_CCMR1 register. OCyREF is forced high (OCyREF is
always active high) and OCy gets the opposite value to the CCyP polarity bit. For example,
CCyP = 0 defines OCy as active high, so when OCyREF is active, OCy is also set to a high
level.
The OCyREF signal can be forced low by writing the OCyM bits to 100 in the TIMx_CCMR1
register.
The comparison between the TIMx_CCRy shadow register and the counter is still performed
and allows the CCyIF flag to be set. Interrupt requests can be sent accordingly. This is
described in Section 10.1.8: Output compare mode on page 177.
10.1.8 Output compare mode
This mode is used to control an output waveform or to indicate when a period of time has
elapsed.
When a match is found between the capture/compare register and the counter, the output
compare function:
•Assigns the corresponding output pin to a programmable value defined by the output
compare mode (the OCyM bits in the TIMx_CCMR1 register) and the output polarity
(the CCyP bit in the TIMx_CCER register). The output can remain unchanged
(OCyM = 000), be set active (OCyM = 001), be set inactive (OCyM = 010), or can
toggle (OCyM = 011) on the match.
•Sets a flag in the interrupt flag register (the CCyIF bit in the TIMx_SR register).
•Generates an interrupt if the corresponding interrupt mask is set (the CCyIE bit in the
TIMx_IER register).
The TIMx_CCRy registers can be programmed with or without buffer registers using the
OCyPE bit in the TIMx_CCMR1 register.
In output compare mode, the update event has no effect on OCyREF or the OCy output.
The timing resolution is one count of the counter. Output compare mode can also be used to
output a single pulse (in one pulse mode).
Procedure:
1. Select the counter clock (internal, external, and prescaler).
2. Write the desired data in the TIMx_ARR and TIMx_CCRy registers.
3. Set the CCyIE bit in TIMx_IER if an interrupt request is to be generated.
4. Select the output mode. For example, you must write OCyM = 011, OCyPE = 0,
CCyP = 0 and CCyE = 1 to toggle the OCy output pin when TIMx_CNT matches
TIMx_CCRy, TIMx_CCRy buffer is not used, OCy is enabled and active high.
5. Enable the counter by setting the CEN bit in the TIMx_CR1 register.

General-purpose timers STM32W108HB STM32W108CB STM32W108CC STM32W108CZ
178/289 DocID16252 Rev 16
To control the output waveform, software can update the TIMx_CCRy register at any time,
provided that the buffer register is not enabled (OCyPE = 0). Otherwise TIMx_CCRy
shadow register is updated only at the next update event. An example is given in Figure 35.
Figure 35. Output compare mode, toggle on OC1
10.1.9 PWM mode
Pulse width modulation mode allows you to generate a signal with a frequency determined
by the value of the TIMx_ARR register, and a duty cycle determined by the value of the
TIMx_CCRy register.
PWM mode can be selected independently on each channel (one PWM per OCy output) by
writing 110 (PWM mode 1) or 111 (PWM mode 2) in the OCyM bits in the TIMx_CCMR1
register. The corresponding buffer register must be enabled by setting the OCyPE bit in the
TIMx_CCMR1 register. Finally, in up-counting or center-aligned mode the auto-reload buffer
register must be enabled by setting the ARPE bit in the TIMx_CR1 register.
Because the buffer registers are only transferred to the shadow registers when an update
event occurs, before starting the counter initialize all the registers by setting the UG bit in the
TIMx_EGR register.
OCy polarity is software programmable using the CCyP bit in the TIMx_CCER register. It
can be programmed as active high or active low. OCy output is enabled by the CCyE bit in
the TIMx_CCER register. Refer to the TIMx_CCER register description in the Registers
section for more details.
In PWM mode (1 or 2), TIMx_CNT and TIMx_CCRy are always compared to determine
whether TIMx_CCRy ≤ TIMx_CNT or TIMx_CNT ≤ TIMx_CCRy,depending on the direction of
the counter. The OCyREF signal is asserted only:
•When the result of the comparison changes, or
•When the output compare mode (OCyM bits in the TIMx_CCMR1 register) switches
from the "frozen" configuration (no comparison, OCyM = 000) to one of the PWM
modes (OCyM = 110 or 111).
OC1REF=OC1
TIMx_CNT B200 B201
0039
TIMx_CCR1 003A
Write B201h in the TIMx_CCR1 register
Match detected on TIMx_CCR1
Interrupt generated if enabled
003B
B201
003A

DocID16252 Rev 16 179/289
STM32W108HB STM32W108CB STM32W108CC STM32W108CZ General-purpose timers
286
This allows software to force a PWM output to a particular state while the timer is running.
The timer is able to generate PWM in edge-aligned mode or center-aligned mode
depending on the CMS bits in the TIMx_CR1 register.
PWM edge-aligned mode: up-counting configuration
Up-counting is active when the DIR bit in the TIMx_CR1 register is low. Refer to Up-
counting mode on page 164.
The following example uses PWM mode 1. The reference PWM signal OCyREF is high as
long as TIMx_CNT < TIMx_CCRy, otherwise it becomes low. If the compare value in
TIMx_CCRy is greater than the auto-reload value in TIMx_ARR, then OCyREF is held at 1.
If the compare value is 0, then OCyREF is held at 0. Figure 36 shows some edge-aligned
PWM waveforms in an example, where TIMx_ARR = 8.
Figure 36. Edge-aligned PWM waveforms (ARR = 8)
PWM edge-aligned mode: down-counting configuration
Down-counting is active when the DIR bit in the TIMx_CR1 register is high. Refer to Down-
counting mode on page 166 for more information.
In PWM mode 1, the reference signal OCyREF is low as long as TIMx_CNT > TIMx_CCRy,
otherwise it becomes high. If the compare value in TIMx_CCRy is greater than the auto-
reload value in TIMx_ARR, then OCyREF is held at 1. Zero-percent PWM is not possible in
this mode.
PWM center-aligned mode
Center-aligned mode is active except when the CMS bits in the TIMx_CR1 register are 00
(all configurations where CMS is non-zero have the same effect on the OCyREF/OCy
signals). The compare flag is set when the counter counts up, when it counts down, or when
it counts up and down, depending on the CMS bits configuration. The direction bit (DIR) in
the TIMx_CR1 register is updated by hardware and must not be changed by software. Refer
to Center-aligned mode (up/down counting) on page 167 for more information.
Counter register
‘1
01234567801
‘0
OCxREF
CCyIE
OCxREF
CCyIE
OCxREF
OCxREF
TIMx_CCRy=4
TIMx_CCRy=8
CCyIE
CCyIE
TIMx_CCRy>8
TIMx_CCRy=0

General-purpose timers STM32W108HB STM32W108CB STM32W108CC STM32W108CZ
180/289 DocID16252 Rev 16
Figure 37 shows some center-aligned PWM waveforms in an example where:
•TIMx_ARR = 8,
•PWM mode is the PWM mode 1,
•The output compare flag is set when the counter counts down corresponding to the
center-aligned mode 1 selected for CMS = 01 in the TIMx_CR1 register.
Figure 37. Center-aligned PWM waveforms (ARR = 8)
##Y)%
#OUNTERREGISTER
4)-X?##2Y
/#Y2%&
#-3;=
#-3;=
#-3;=
##Y)%
4)-X?##2Y
/#Y2%&
#-3;=OR
##Y)%
4)-X?##2Y
/#Y2%&
#-3;=
#-3;=
#-3;=
gg
##Y)%
4)-X?##2Y
/#Y2%&
#-3;=
#-3;=
#-3;=
gg
##Y)%
4)-X?##2Y
/#Y2%&
#-3;=
#-3;=
#-3;=
gg
AIC

DocID16252 Rev 16 181/289
STM32W108HB STM32W108CB STM32W108CC STM32W108CZ General-purpose timers
286
Hints on using center-aligned mode:
•When starting in center-aligned mode, the current up-down configuration is used. This
means that the counter counts up or down depending on the value written in the DIR bit
in the TIMx_CR1 register. The DIR and CMS bits must not be changed at the same
time by the software.
•Writing to the counter while running in center-aligned mode is not recommended as it
can lead to unexpected results. In particular:
•The direction is not updated the value written to the counter that is greater than the
auto-reload value (TIMx_CNT > TIMx_ARR). For example, if the counter was counting
up, it continues to count up.
•The direction is updated if when 0 or the TIMx_ARR value is written to the counter, but
no update event is generated.
•The safest way to use center-aligned mode is to generate an update by software
(setting the UG bit in the TIMx_EGR register) just before starting the counter, and not to
write the counter while it is running.
10.1.10 One-pulse mode
One-pulse mode (OPM) is a special case of the previous modes. It allows the counter to be
started in response to a stimulus and to generate a pulse with a programmable length after
a programmable delay.
Starting the counter can be controlled through the slave mode controller. Generating the
waveform can be done in output compare mode or PWM mode. Select OPM by setting the
OPM bit in the TIMx_CR1 register. This makes the counter stop automatically at the next
update event.
A pulse can be correctly generated only if the compare value is different from the counter
initial value. Before starting (when the timer is waiting for the trigger), the configuration must
be:
•In up-counting: TIMx_CNT < TIMx_CCRy ≤ TIMx_ARR (in particular, 0 < TIMx_CCRy),
•In down-counting: TIMx_CNT > TIMx_CCRy.

General-purpose timers STM32W108HB STM32W108CB STM32W108CC STM32W108CZ
182/289 DocID16252 Rev 16
Figure 38. Example of one pulse mode
For example, to generate a positive pulse on OC1 with a length of tPULSE and after a delay
of tDELAY as soon as a rising edge is detected on the TI2 input pin, using TI2FP2 as trigger
1:
•Map TI2FP2 on TI2 by writing IC2S = 01 in the TIMx_CCMR1 register.
•TI2FP2 must detect a rising edge. Write CC2P = 0 in the TIMx_CCER register.
•Configure TI2FP2 as trigger for the slave mode controller (TRGI) by writing TS = 110 in
the TIMx_SMCR register.
•TI2FP2 is used to start the counter by writing SMS to 110 in the TIMx_SMCR register
(trigger mode).
•The OPM waveform is defined: Write the compare registers, taking into account the
clock frequency and the counter prescaler.
The tDELAY is defined by the value written in the TIMx_CCR1 register.
The tPULSE is defined by the difference between the auto-reload value and the compare
value (TIMx_ARR - TIMx_CCR1).
To build a waveform with a transition from 0 to 1 when a compare match occurs and a
transition from 1 to 0 when the counter reaches the auto-reload value, enable PWM mode 2
by writing OC1M = 111 in the TIMx_CCMR1 register. Optionally, enable the buffer registers
by writing OC1PE = 1 in the TIMx_CCMR1 register and ARPE in the TIMx_CR1 register. In
this case, also write the compare value in the TIMx_CCR1 register, the auto-reload value in
the TIMx_ARR register, generate an update by setting the UG bit, and wait for external
trigger event on TI2. CC1P is written to 0 in this example.
In the example, the DIR and CMS bits in the TIMx_CR1 register should be low.
Since only one pulse is desired, software should set the OPM bit in the TIMx_CR1 register
to stop the counter at the next update event (when the counter rolls over from the auto-
reload value back to 0).

DocID16252 Rev 16 183/289
STM32W108HB STM32W108CB STM32W108CC STM32W108CZ General-purpose timers
286
A special case: OCy fast enable
In one-pulse mode, the edge detection on the TIy input sets the CEN bit, which enables the
counter. Then the comparison between the counter and the compare value toggles the
output. However, several clock cycles are needed for this operation, and it limits the
minimum delay (tDELAY min) achievable.
To output a waveform with the minimum delay, set the OCyFE bit in the TIMx_CCMR1
register. Then OCyREF (and OCy) is forced in response to the stimulus, without taking the
comparison into account. Its new level is the same as if a compare match had occurred.
OCyFE acts only if the channel is configured in PWM mode 1 or 2.
10.1.11 Encoder interface mode
To select encoder interface mode, write SMS = 001 in the TIMx_SMCR register to count
only TI2 edges, SMS = 010 to count only TI1 edges, and SMS = 011 to count both TI1 and
TI2 edges.
Select the TI1 and TI2 polarity by programming the CC1P and CC2P bits in the TIMx_CCER
register. If needed, program the input filter as well.
The two inputs TI1 and TI2 are used to interface to an incremental encoder (see Table 34).
Assuming that it is enabled, (the CEN bit in the TIMx_CR1 register written to 1) the counter
is clocked by each valid transition on TI1FP1 or TI2FP2 (TI1 and TI2 after input filter and
polarity selection, TI1FP1 = TI1 if not filtered and not inverted, TI2FP2 = TI2 if not filtered
and not inverted.) The sequence of transitions of the two inputs is evaluated, and generates
count pulses as well as the direction signal. Depending on the sequence, the counter counts
up or down, and hardware modifies the DIR bit in the TIMx_CR1 register accordingly. The
DIR bit is calculated at each transition on any input (TI1 or TI2), whether the counter is
counting on TI1 only, TI2 only, or both TI1 and TI2.
Encoder interface mode acts simply as an external clock with direction selection. This
means that the counter just counts continuously between 0 and the auto-reload value in the
TIMx_ARR register (0 to TIMx_ARR or TIMx_ARR down to 0 depending on the direction),
so TIMx_ARR must be configured before starting. In the same way, the capture, compare,
prescaler, and trigger output features continue to work as normal.
In this mode the counter is modified automatically following the speed and the direction of
the incremental encoder, and therefore its contents always represent the encoder's position.
The count direction corresponds to the rotation direction of the connected sensor. Table 34
summarizes the possible combinations, assuming TI1 and TI2 do not switch at the same
time.

General-purpose timers STM32W108HB STM32W108CB STM32W108CC STM32W108CZ
184/289 DocID16252 Rev 16
An external incremental encoder can be connected directly to the MCU without external
interface logic. However, comparators are normally used to convert an encoder's differential
outputs to digital signals, and this greatly increases noise immunity. If a third encoder output
indicates the mechanical zero (or index) position, it may be connected to an external
interrupt input and can trigger a counter reset.
Figure 39 gives an example of counter operation, showing count signal generation and
direction control. It also shows how input jitter is compensated for when both inputs are
used for counting. This might occur if the sensor is positioned near one of the switching
points. This example assumes the following configuration:
•CC1S = 01 (TIMx_CCMR1 register, IC1FP1 mapped on TI1).
•CC2S = 01 (TIMx_CCMR2 register, IC2FP2 mapped on TI2).
•CC1P = 0 (TIMx_CCER register, IC1FP1 non-inverted, IC1FP1 = TI1).
•CC2P = 0 (TIMx_CCER register, IC2FP2 non-inverted, IC2FP2 = TI2).
•SMS = 011 (TIMx_SMCR register, both inputs are active on both rising and falling
edges).
•CEN = 1 (TIMx_CR1 register, counter is enabled).
Figure 39. Example of counter operation in encoder interface mode
Table 34. Counting direction versus encoder signals
Active
edges
Level on opposite
signal (TI1FP1 for
TI2, TI2FP2 for
TI1)
TI1FP1 signal TI2FP2 signal
Rising Falling Rising Falling
Counting on
TI1 only
High Down Up No Count No Count
Low Up Down No Count No Count
Counting on
TI2 only
High No Count No Count Up Down
Low No Count No Count Down Up
Counting on
TI1 and TI2
High Down Up Up Down
Low Up Down Down Up

DocID16252 Rev 16 185/289
STM32W108HB STM32W108CB STM32W108CC STM32W108CZ General-purpose timers
286
Figure 40 gives an example of counter behavior when IC1FP1 polarity is inverted (same
configuration as above except CC1P = 1).
Figure 40. Example of encoder interface mode with IC1FP1 polarity inverted
The timer configured in encoder interface mode provides information on a sensor's current
position. To obtain dynamic information (speed, acceleration/deceleration), measure the
period between two encoder events using a second timer configured in capture mode. The
output of the encoder that indicates the mechanical zero can be used for this purpose.
Depending on the time between two events, the counter can also be read at regular times.
Do this by latching the counter value into a third input capture register. (In this case the
capture signal must be periodic and can be generated by another timer).
10.1.12 Timer input XOR function
The TI1S bit in the TIM1_CR2 register allows the input filter of channel 1 to be connected to
the output of a XOR gate that combines the three input pins TIMxC2 to TIMxC4.
The XOR output can be used with all the timer input functions such as trigger or input
capture. It is especially useful to interface to Hall effect sensors.

General-purpose timers STM32W108HB STM32W108CB STM32W108CC STM32W108CZ
186/289 DocID16252 Rev 16
10.1.13 Timers and external trigger synchronization
The timers can be synchronized with an external trigger in several modes: Reset mode,
Gated mode, and Trigger mode.
Slave mode: Reset mode
Reset mode reinitializes the counter and its prescaler in response to an event on a trigger
input. Moreover, if the URS bit in the TIMx_CR1 register is low, an update event is
generated. Then all the buffered registers (TIMx_ARR, TIMx_CCRy) are updated.
In the following example, the up-counter is cleared in response to a rising edge on the TI1
input:
•Configure the channel 1 to detect rising edges on TI1: Configure the input filter
duration. In this example, no filter is required so IC1F = 0000. The capture prescaler is
not used for triggering, so it is not configured. The CC1S bits select the input capture
source only, CC1S = 01 in the TIMx_CCMR1 register. Write CC1P = 0 in the
TIMx_CCER register to validate the polarity, and detect rising edges only.
•Configure the timer in Reset mode by writing SMS = 100 in the TIMx_SMCR register.
Select TI1 as the input source by writing TS = 101 in the TIMx_SMCR register.
•Start the counter by writing CEN = 1 in the TIMx_CR1 register.
The counter starts counting on the internal clock, then behaves normally until the TI1 rising
edge. When TI1 rises, the counter is cleared and restarts from 0. In the meantime, the
trigger flag is set (the TIE bit in the TIMx_SR register) and an interrupt request can be sent if
enabled (depending on the TIE bit in the TIMx_IER register).
Figure 41 shows this behavior when the auto-reload register TIMx_ARR = 0x36. The delay
between the rising edge on TI1 and the actual reset of the counter is due to the
resynchronization circuit on the TI1 input.
Figure 41. Control circuit in Reset mode
00
Counter clock = CK_CNT = CK_PSC
Counter register 01 02 03 00 01 02 0332 33 34 35 36
UG
TI1
3130
TIE

DocID16252 Rev 16 187/289
STM32W108HB STM32W108CB STM32W108CC STM32W108CZ General-purpose timers
286
Slave mode: Gated mode
In Gated mode the counter is enabled depending on the level of a selected input.
In the following example, the up-counter counts only when the TI1 input is low:
•Configure channel 1 to detect low levels on TI1 Configure the input filter duration. In
this example, no filter is required, so IC1F = 0000. The capture prescaler is not used for
triggering, so it is not configured. The CC1S bits select the input capture source only,
CC1S = 01 in the TIMx_CCMR1 register. Write CC1P = 1 in the TIMx_CCER register to
validate the polarity (and detect low level only).
•Configure the timer in Gated mode by writing SMS = 101 in the TIMx_SMCR register.
Select TI1 as the input source by writing TS = 101 in the TIMx_SMCR register.
•Enable the counter by writing CEN = 1 in the TIMx_CR1 register. In Gated mode, the
counter does not start if CEN = 0, regardless of the trigger input level.
The counter starts counting on the internal clock as long as TI1 is low and stops as soon as
TI1 becomes high. The TIE flag in the TIMx_SR register is set when the counter starts and
when it stops.
The delay between the rising edge on TI1 and the actual stop of the counter is due to the
resynchronization circuit on the TI1 input.
Figure 42. Control circuit in Gated mode
Counter clock = CK_CNT = CK_PSC
Counter register 35 36 37 3832 33 34
TI1
3130
CNT_EN
TIE
Clear TIE

General-purpose timers STM32W108HB STM32W108CB STM32W108CC STM32W108CZ
188/289 DocID16252 Rev 16
Slave mode: Trigger mode
In Trigger mode the counter starts in response to an event on a selected input.
In the following example, the up-counter starts in response to a rising edge on the TI2 input:
•Configure channel 2 to detect rising edges on TI2 Configure the input filter duration. In
this example, no filter is required so IC2F = 0000. The capture prescaler is not used for
triggering, so it is not configured. The CC2S bits select the input capture source only,
CC2S = 01 in the TIMx_CCMR1 register. Write CC2P = 0 in the TIMx_CCER register to
validate the polarity and detect high level only.
•Configure the timer in Trigger mode by writing SMS = 110 in the TIMx_SMCR register.
Select TI2 as the input source by writing TS = 110 in the TIMx_SMCR register.
When a rising edge occurs on TI2, the counter starts counting on the internal clock and the
TIE flag is set.
The delay between the rising edge on TI2 and the actual start of the counter is due to the
resynchronization circuit on the TI2 input.
Figure 43. Control circuit in Trigger mode
Counter clock = CK_CNT = CK_PSC
Counter register 35 36 37 3834
TI2
CNT_EN
TIE

DocID16252 Rev 16 189/289
STM32W108HB STM32W108CB STM32W108CC STM32W108CZ General-purpose timers
286
Slave mode: External clock mode 2 + Trigger mode
External clock mode 2 can be used in combination with another slave mode (except external
clock mode 1 and encoder mode). In this case, the ETR signal is used as external clock
input, and another input can be selected as trigger input when operating in reset mode,
gated mode or trigger mode. It is not recommended to select ETR as TRGI through the TS
bits of TIMx_SMCR register.
In the following example, the up-counter is incremented at each rising edge of the ETR
signal as soon as a rising edge of TI1 occurs:
•Configure the external trigger input circuit by programming the TIMx_SMCR register as
follows:
– ETF = 0000: no filter.
– ETPS = 00: prescaler disabled.
– ETP = 0: detection of rising edges on ETR and ECE = 1 to enable the external
clock mode 2.
•Configure the channel 1 as follows, to detect rising edges on TI:
– IC1F = 0000: no filter.
– The capture prescaler is not used for triggering and does not need to be
configured.
– CC1S = 01in the TIMx_CCMR1 register to select only the input capture source.
– CC1P = 0 in the TIMx_CCER register to validate the polarity (and detect rising
edge only).
•Configure the timer in Trigger mode by writing SMS = 110 in the TIMx_SMCR register.
Select TI1 as the input source by writing TS = 101 in the TIMx_SMCR register.
A rising edge on TI1 enables the counter and sets the TIE flag. The counter then counts on
ETR rising edges.
The delay between the rising edge of the ETR signal and the actual reset of the counter is
due to the resynchronization circuit on ETRP input.
Figure 44. Control circuit in External clock mode 2 + Trigger mode
Counter clock = CK_CNT = CK_PSC
Counter register 35 3634
ETR
CEN/CNT_EN
TIE
TI1

General-purpose timers STM32W108HB STM32W108CB STM32W108CC STM32W108CZ
190/289 DocID16252 Rev 16
10.1.14 Timer synchronization
The two timers can be linked together internally for timer synchronization or chaining. A
timer configured in Master mode can reset, start, stop or clock the counter of the other timer
configured in Slave mode.
Figure 45 presents an overview of the trigger selection and the master mode selection
blocks.
Using one timer as prescaler for the other timer
For example, to configure Timer 1 to act as a prescaler for Timer 2 (see Figure 45):
•Configure Timer 1 in Master mode so that it outputs a periodic trigger signal on each
update event. Writing MMS = 010 in the TIM1_CR2 register causes a rising edge to be
output on TRGO each time an update event is generated.
•To connect the TRGO output of Timer 1 to Timer 2, configure Timer 2 in slave mode
using ITR0 as an internal trigger. Select this through the TS bits in the TIM2_SMCR
register (writing TS = 000).
•Put the slave mode controller in external clock mode 1 (write SMS = 111 in the
TIM2_SMCR register). This causes Timer 2 to be clocked by the rising edge of the
periodic Timer 1 trigger signal (which corresponds to the Timer 1 counter overflow).
•Finally both timers must be enabled by setting their respective CEN bits (TIMx_CR1
register).
Note: If OCy is selected on Timer 1 as trigger output (MMS = 1xx), its rising edge is used to clock
the counter of Timer 2.
Figure 45. Master/slave timer example
TRGO1
UEV
ITR1
Prescaler Counter
SMSTSMMS
TIMER 1 TIMER 2
Master
mode
control
Slave
mode
control
CK_PSC
Prescaler Counter
Clock
Input
selection
trigger

DocID16252 Rev 16 191/289
STM32W108HB STM32W108CB STM32W108CC STM32W108CZ General-purpose timers
286
Using one timer to enable the other timer
In this example, the enable of Timer 2 is controlled with the output compare 1 of Timer 1.
Refer to Figure 45 for connections. Timer 2 counts on the divided internal clock only when
OC1REF of Timer 1 is high. Both counter clock frequencies are divided by 3 by the
prescaler compared to CK_INT (fCK_CNT = fCK_INT /3).
•Configure Timer 1 in master mode to send its Output Compare Reference (OC1REF)
signal as trigger output (MMS = 100 in the TIM1_CR2 register).
•Configure the Timer 1 OC1REF waveform (TIM1_CCMR1 register).
•Configure Timer 2 to get the input trigger from Timer 1 (TS = 000 in the TIM2_SMCR
register).
•Configure Timer 2 in Gated mode (SMS = 101 in the TIM2_SMCR register).
•Enable Timer 2 by writing 1 in the CEN bit (TIM2_CR1 register).
•Start Timer 1 by writing 1 in the CEN bit (TIM1_CR1 register).
Note: The counter 2 clock is not synchronized with counter 1, this mode only affects the Timer 2
counter enable signal.
Figure 46. Gating Timer 2 with OC1REF of Timer 1
In the example in Figure 46, the Timer 2 counter and prescaler are not initialized before
being started. So they start counting from their current value. It is possible to start from a
given value by resetting both timers before starting Timer 1, then writing the desired value in
the timer counters. The timers can easily be reset by software using the UG bit in the
TIMx_EGR registers.
TIE
Write TIE=0
FC FD FE FF 00
3045 3047 3048
CK_INT
TIMER1-OC1REF
TIM1-CNT
TIM2-CNT
01
3046

General-purpose timers STM32W108HB STM32W108CB STM32W108CC STM32W108CZ
192/289 DocID16252 Rev 16
The next example, synchronizes Timer 1 and Timer 2. Timer 1 is the master and starts from
0. Timer 2 is the slave and starts from 0xE7. The prescaler ratio is the same for both timers.
Timer 2 stops when Timer 1 is disabled by writing 0 to the CEN bit in the TIM1_CR1 register:
•Configure Timer 1 in master mode to send its Output Compare Reference (OC1REF)
signal as trigger output (MMS = 100 in the TIM1_CR2 register).
•Configure the Timer 1 OC1REF waveform (TIM1_CCMR1 register).
•Configure Timer 2 to get the input trigger from Timer 1 (TS = 000 in the TIM2_SMCR
register).
•Configure Timer 2 in gated mode (SMS = 101 in the TIM2_SMCR register).
•Reset Timer 1 by writing 1 in the UG bit (TIM1_EGR register).
•Reset Timer 2 by writing 1 in the UG bit (TIM2_EGR register).
•Initialize Timer 2 to 0xE7 by writing 0xE7 in the Timer 2 counter (TIM2_CNTL).
•Enable Timer 2 by writing 1 in the CEN bit (TIM2_CR1 register).
•Start Timer 1 by writing 1 in the CEN bit (TIM1_CR1 register).
•Stop Timer 1 by writing 0 in the CEN bit (TIM1_CR1 register).
Figure 47. Gating Timer 2 with enable of Timer 1
TIE
Clear TIE
75 00 01
CK_INT
TIM1_CR1 CEN=1
TIM2-CNT
02
TIM1_CNT
AB 00 E7 E8 E9
TIMER2-CNT_INIT
TIMER2
write CNT[15:0]
TIMER1-CNT_INIT

DocID16252 Rev 16 193/289
STM32W108HB STM32W108CB STM32W108CC STM32W108CZ General-purpose timers
286
Using one timer to start the other timer
In this example, the enable of Timer 2 is set with the update event of Timer 1. Refer to
Figure 45 for connections. Timer 2 starts counting from its current value (which can be non-
zero) on the divided internal clock as soon as Timer 1 generates the update event.
When Timer 2 receives the trigger signal its CEN bit is automatically set and the counter
counts until 0 is written to the CEN bit in the TIM2_CR1 register. Both counter clock
frequencies are divided by 3 by the prescaler compared to CK_INT (fCK_CNT =
fCK_INT/3).
•Configure Timer 1 in master mode to send its update event as trigger output (MMS =
010 in the TIM1_CR2 register).
•Configure the Timer 1 period (TIM1_ARR register).
•Configure Timer 2 to get the input trigger from Timer 1 (TS = 000 in the TIM2_SMCR
register).
•Configure Timer 2 in trigger mode (SMS = 110 in the TIM2_SMCR register).
•Start Timer 1: Write 1 in the CEN bit (TIM1_CR1 register).
Figure 48. Triggering timer 2 with update of Timer 1
As in the previous example, both counters can be initialized before starting counting.
Figure 47 shows the behavior with the same configuration shown in Figure 48, but in trigger
mode instead of gated mode (SMS = 110 in the TIM2_SMCR register).
TIE
Clear TIE
FD FE FF 00 01
45 47 48
CK_INT
TIMER1-UEV
TIM1-CNT
TIM2-CNT
02
46
TIM2_CR1 CEN=1

General-purpose timers STM32W108HB STM32W108CB STM32W108CC STM32W108CZ
194/289 DocID16252 Rev 16
Figure 49. Triggering Timer 2 with enable of Timer 1
Starting both timers synchronously in response to an external trigger
This example, sets the enable of Timer 1 when its TI1 input rises, and the enable of Timer 2
with the enable of Timer 1. Refer to Figure 45 for connections. To ensure the counters are
aligned, Timer 1 must be configured in master/slave mode (slave with respect to TI1, master
with respect to Timer 2):
•Configure Timer 1 in master mode to send its Enable as trigger output (MMS = 001 in
the TIM1_CR2 register).
•Configure Timer 1 slave mode to get the input trigger from TI1 (TS = 100 in the
TIM1_SMCR register).
•Configure Timer 1 in trigger mode (SMS = 110 in the TIM1_SMCR register).
•Configure the Timer 1 in master/slave mode by writing MSM = 1 (TIM1_SMCR
register).
•Configure Timer 2 to get the input trigger from Timer 1 (TS = 000 in the TIM2_SMCR
register).
•Configure Timer 2 in trigger mode (SMS = 110 in the TIM2_SMCR register).
When a rising edge occurs on TI1 (Timer 1), both counters start counting synchronously on
the internal clock and both timers' TIE flags are set.
Note: In this example both timers are initialized before starting by setting their respective UG bits.
Both counters starts from 0, but an offset can be inserted between them by writing any of the
counter registers (TIMx_CNT). The master/slave mode inserts a delay between CNT_EN
and CK_PSC on Timer 1.
TIE
Clear TIE
75 00 01
CK_INT
TIM1_CR1 CEN=1
TIM1_CNT
TIM2-CNT
02
TIMER1-CNT_INIT
CD 00 E7 E8 EA
TIMER2-CNT_INIT
TIMER2
write CNT[15:0]
E9

DocID16252 Rev 16 195/289
STM32W108HB STM32W108CB STM32W108CC STM32W108CZ General-purpose timers
286
Figure 50. Triggering Timers 1 and 2 with Timer 1 TI1 input
00 01
CK_INT
TIM1_CR1 CEN=1
TIM1-CNT
TIMER 1-TI1
TIMER 1-CK_PSC
02 03 04 05 06 07 08 09
TIE
00 01
TIM2_CR1 CEN=1
TIM2_CNT
TIMER 2-CK_PSC
02 03 04 05 06 07 08 09
TIE

General-purpose timers STM32W108HB STM32W108CB STM32W108CC STM32W108CZ
196/289 DocID16252 Rev 16
10.1.15 Timer signal descriptions
Table 35. Timer signal descriptions
Signal Internal/external Description
CK_INT Internal Internal clock source: connects to STM32W108xx peripheral
clock (PCLK) in internal clock mode.
CK_PSC Internal Input to the clock prescaler.
ETR Internal External trigger input (used in external timer mode 2): a clock
selected by EXTRIGSEL in TIMx_OR.
ETRF Internal External trigger: ETRP after filtering.
ETRP Internal External trigger: ETR after polarity selection, edge detection
and prescaling.
ICy External Input capture or clock: TIy after filtering and edge detection.
ICyPS Internal Input capture signal after filtering, edge detection and
prescaling: input to the capture register.
ITR0 Internal Internal trigger input: connected to the other timer's output,
TRGO.
OCy External Output compare: TIMxCy when used as an output. Same as
OCyREF but includes possible polarity inversion.
OCyREF Internal Output compare reference: always active high, but may be
inverted to produce OCy.
PCLK External
Peripheral clock connects to CK_INT and used to clock input
filtering. Its frequency is 12 MHz if using the 24 MHz HSE
OSC and 6 Mhz if using the 12 MHz HSI RC oscillator.
TIy Internal Timer input: TIMxCy when used as a timer input.
TIyFPy Internal Timer input after filtering and polarity selection.
TIMxCy Internal Timer channel at a GPIO pin: can be a capture input (ICy) or
a compare output (OCy).
TIMxCLK External Clock input (if selected) to the external trigger signal (ETR).
TIMxMSK External Clock mask (if enabled) AND'ed with the other timer's
TIMxCLK signal.
TRGI Internal Trigger input for slave mode controller.

DocID16252 Rev 16 197/289
STM32W108HB STM32W108CB STM32W108CC STM32W108CZ General-purpose timers
286
10.2 Interrupts
Several kinds of timer events can generate a timer interrupt, and each has a status flag in
the TIMx_SR register to identify the reason(s) for the interrupt:
•TIE - set by a rising edge on an external trigger, either edge in gated mode
•CCyIF - set by a channel y input capture or output compare event
•UIF - set by an update event
Clear bits in TIMx_SR by writing a 1 to their bit position. When a channel is in capture mode,
reading the TIMx_CCRy register will also clear the CCyIF bit.
The TIMx_IER register controls whether or not the TIMx_SR bits actually request an ARM®
Cortex®-M3 timer interrupt. Only the events whose bits are set to 1 in TIMx_IER can do so.
If an input capture or output compare event occurs and its CCyIM is already set, the
corresponding capture/compare missed flag is set in the TIMx_MISSR register. Clear a bit in
the TIMx_MISSR register by writing a 1 to it.
10.3 General-purpose timers 1 and 2 registers
10.3.1 Timer x interrupt and status register (TIMx_ISR)
Address offset: 0xA800 (TIM1) and 0xA804 (TIM2)
Reset value: 0x0000 0000
31 30 29 28 27 26 25 24 23 22 21 20 19 18 17 16
Reserved
15 14 13 12 11 10 9 8 7 6 5 4 3 2 1 0
Reserved
RSVD[3:0]
Reserved
TIF
Reserved
CC4IF CC3IF CC2IF CC1IF UIF
rrrr rw rwrwrwrwrw
Bits 31:13] Reserved, must be kept at reset value
Bits 12:9] RSVD[3:0]: May change during normal operation
Bits 8:7] Reserved, must be kept at reset value
Bit 6 TIF: Trigger interrupt
Bit 5 Reserved, must be kept at reset value
Bit 4 CC4IF: Capture or compare 4 interrupt pending
Bit 3 CC3IF: Capture or compare 3 interrupt pending
Bit 2 CC2IF: Capture or compare 2 interrupt pending
Bit 1 CC1IF: Capture or compare 1 interrupt pending
Bit 0 UIF: Update interrupt pending

General-purpose timers STM32W108HB STM32W108CB STM32W108CC STM32W108CZ
198/289 DocID16252 Rev 16
10.3.2 Timer x interrupt missed register (TIMx_MISSR)
Address offset: 0xA818 (TIM1) and 0xA81C (TIM2)
Reset value: 0x0000 0000
10.3.3 Timer x interrupt enable register (TIMx_IER)
Address offset: 0xA840 (TIM1) and 0xA844 (TIM2)
Reset value: 0x0000 0000
31 30 29 28 27 26 25 24 23 22 21 20 19 18 17 16
Reserved
15 14 13 12 11 10 9 8 7 6 5 4 3 2 1 0
Reserved
CC4IM CC3IM CC2IM CC1IM
Reserved
RSVD[6:0]
rw rw rw rw r r r r r r r
Bits 31:13] Reserved, must be kept at reset value
Bit 12 CC4IM: Capture or compare 4 interrupt missed
Bit 11 CC3IM: Capture or compare 3 interrupt missed
Bit 10 CC2IM: Capture or compare 2 interrupt missed
Bit 9 CC1IM: Capture or compare 1 interrupt missed
Bits 8:7] Reserved, must be kept at reset value
Bits 6:0] RSVD[6:0]: May change during normal operation
31 30 29 28 27 26 25 24 23 22 21 20 19 18 17 16
Reserved
15 14 13 12 11 10 9 8 7 6 5 4 3 2 1 0
Reserved
TIE
Reserved
CC4IE CC3IE CC2IE CC1IE UIE
rw rw rw rw rw rw
Bits 31:7] Reserved, must be kept at reset value
Bit 6 TIE: Trigger interrupt enable
Bit 4 CC4IE: Capture or compare 4 interrupt enable
Bit 3 CC3IE: Capture or compare 3 interrupt enable
Bit 2 CC2IE: Capture or compare 2 interrupt enable
Bit 1 CC1IE: Capture or compare 1 interrupt enable
Bit 0 UIE: Update interrupt enable

DocID16252 Rev 16 199/289
STM32W108HB STM32W108CB STM32W108CC STM32W108CZ General-purpose timers
286
10.3.4 Timer x control register 1 (TIMx_CR1)
Address offset: 0xE000 (TIM1) and 0xF000 (TIM2)
Reset value: 0x0000 0000
31 30 29 28 27 26 25 24 23 22 21 20 19 18 17 16
Reserved
15 14 13 12 11 10 9 8 7 6 5 4 3 2 1 0
Reserved
ARPE CMS[1:0] DIR OPM URS UDIS CEN
rw rw rw rw rw rw rw rw
Bits 31:8] Reserved, must be kept at reset value
Bit 7 ARPE: Auto-Reload Preload Enable
0: TIMx_ARR register is not buffered
1: TIMx_ARR register is buffered
Bits 6:5] CMS[1:0]: Center-aligned Mode Selection
00: Edge-aligned mode. The counter counts up or down depending on the direction bit (DIR).
01: Center-aligned mode 1. The counter counts up and down alternatively.
Output compare interrupt flags of configured output channels (CCyS=00 in TIMx_CCMRy
register) are set only when the counter is counting down.
10: Center-aligned mode 2. The counter counts up and down alternatively.
Output compare interrupt flags of configured output channels (CCyS=00 in TIMx_CCMRy
register) are set only when the counter is counting up.
11: Center-aligned mode 3. The counter counts up and down alternatively.
Output compare interrupt flags of configured output channels (CCyS=00 in TIMx_CCMRy
register) are set both when the counter is counting up or down.
Note: Software may not switch from edge-aligned mode to center-aligned mode when the
counter is enabled (CEN=1).
Bit 4 DIR: Direction
0: Counter used as up-counter
1: Counter used as down-counter
Bit 3 OPM: One Pulse Mode
0: Counter does not stop counting at the next update event.
1: Counter stops counting at the next update event (and clears the bit CEN).
Bit 2 URS: Update Request Source
0: When enabled, update interrupt requests are sent as soon as registers are updated
(counter overflow/underflow, setting the UG bit, or update generation through the slave mode
controller).
1: When enabled, update interrupt requests are sent only when the counter reaches overflow
or underflow.

General-purpose timers STM32W108HB STM32W108CB STM32W108CC STM32W108CZ
200/289 DocID16252 Rev 16
Bit 1 UDIS: Update Disable
0: An update event is generated as soon as a counter overflow occurs, a software update is
generated, or a hardware reset is generated by the slave mode controller. Shadow registers
are then loaded with their buffer register values.
1: An update event is not generated and shadow registers keep their value (TIMx_ARR,
TIMx_PSC, TIMx_CCRy). The counter and the prescaler are reinitialized if the UG bit is set or
if a hardware reset is received from the slave mode controller.
Bit 0 CEN: Counter Enable
0: Counter disabled
1: Counter enabled
Note: External clock, gated mode and encoder mode can work only if the CEN bit has been
previously set by software. Trigger mode sets the CEN bit automatically through hardware.

DocID16252 Rev 16 201/289
STM32W108HB STM32W108CB STM32W108CC STM32W108CZ General-purpose timers
286
10.3.5 Timer x control register 2 (TIMx_CR2)
Address offset: 0xE004 (TIM1) and 0xF004 (TIM2)
Reset value: 0x0000 0000
31 30 29 28 27 26 25 24 23 22 21 20 19 18 17 16
Reserved
15 14 13 12 11 10 9 8 7 6 5 4 3 2 1 0
Reserved
TI1S MMS[2:0]
Reserved
rw rw rw rw
Bits 31:8 Reserved, must be kept at reset value
Bit 7 TI1S: TI1 Selection
0: TI1M (input of the digital filter) is connected to TI1 input.
1: TI1M is connected to the TI_HALL inputs (XOR combination).
Bits 6:4 MMS[2:0]: Master Mode Selection
This selects the information to be sent in master mode to a slave timer for synchronization
using the trigger output (TRGO).
000: Reset - the UG bit in the TIMx_EGR register is trigger output.
If the reset is generated by the trigger input (slave mode controller configured in reset mode),
then the signal on TRGO is delayed compared to the actual reset.
001: Enable - counter enable signal CNT_EN is trigger output.
This mode is used to start both timers at the same time or to control a window in which a
slave timer is enabled. The counter enable signal is generated by either the CEN control bit
or the trigger input when configured in gated mode. When the counter enable signal is
controlled by the trigger input there is a delay on TRGO except if the master/slave mode is
selected (see the MSM bit description in TIMx_SMCR register).
010: Update - update event is trigger output
This mode allows a master timer to be a prescaler for a slave timer.
011: Compare Pulse
The trigger output sends a positive pulse when the CC1IF flag is to be set (even if it was
already high) as soon as a capture or a compare match occurs.
100: Compare - OC1REF signal is trigger output
101: Compare - OC2REF signal is trigger output
110: Compare - OC3REF signal is trigger output
111: Compare - OC4REF signal is trigger output
Bits 3:0] Reserved, must be kept at reset value

General-purpose timers STM32W108HB STM32W108CB STM32W108CC STM32W108CZ
202/289 DocID16252 Rev 16
10.3.6 Timer x slave mode control register (TIMx_SMCR)
Address offset: 0xE008 (TIM1) and 0xF008 (TIM2)
Reset value: 0x0000 0000
31 30 29 28 27 26 25 24 23 22 21 20 19 18 17 16
Reserved
15 14 13 12 11 10 9 8 7 6 5 4 3 2 1 0
ETP ECE ETPS[1:0] ETF[3:0] MSM TS[2:0]
Reserved
SMS[2:0]
rw rw rw rw rw rw rw rw rw rw rw rw rw rw rw
Bits 31:16 Reserved, must be kept at reset value
Bit 15 ETP: External Trigger Polarity
This bit selects whether ETR or the inverse of ETR is used for trigger operations.
0: ETR is non-inverted, active at a high level or rising edge
1: ETR is inverted, active at a low level or falling edge
Bit 14 ECE: External Clock Enable
This bit enables external clock mode 2.
0: External clock mode 2 disabled
1: External clock mode 2 enabled. The counter is clocked by any active edge on the ETRF
signal.
Note: Setting the ECE bit has the same effect as selecting external clock mode 1 with TRGI
connected to ETRF (SMS=111 and TS=111). It is possible to use this mode simultaneously
with the following slave modes: reset mode, gated mode and trigger mode. TRGI must not be
connected to ETRF in this case (the TS bits must not be 111). If external clock mode 1 and
external clock mode 2 are enabled at the same time, the external clock input will be ETRF.
Bits 13:12 ETPS[1:0]: External Trigger Prescaler
External trigger signal ETRP frequency must be at most 1/4 of CK frequency. A prescaler can
be enabled to reduce ETRP frequency. It is useful with fast external clocks.
00: ETRP prescaler off
01: Divide ETRP frequency by 2
10: Divide ETRP frequency by 4
11: Divide ETRP frequency by 8

DocID16252 Rev 16 203/289
STM32W108HB STM32W108CB STM32W108CC STM32W108CZ General-purpose timers
286
Bits 11:8 ETF[3:0]: External Trigger Filter
This defines the frequency used to sample the ETRP signal, fSampling, and the length of the
digital filter applied to ETRP. The digital filter is made of an event counter in which N events
are needed to validate a transition on the output:
0000: fSampling = PCLK, no filtering
0001: fSampling = PCLK, N=2
0010: fSampling = PCLK, N=4
0011: fSampling = PCLK, N=8
0100: fSampling = PCLK/2, N=
0101: fSampling = PCLK/2, N=8
0110: fSampling = PCLK/4, N=6
0111: fSampling = PCLK/4, N=8
1111: fSampling = PCLK/32, N=8
1110: fSampling = PCLK/32, N=6
1101: fSampling = PCLK/32, N=5
1100: fSampling = PCLK/16, N=8
1011: fSampling = PCLK/16, N=6
1010: fSampling = PCLK/16, N=5
1001: fSampling = PCLK/8, N=8
1000: fSampling = PCLK/8, N=6
Note: PCLK is 12 MHz when the STM32W108xx is using the 24 MHz HSE OSC, and 6 MHz
if using the 12 MHz HSI RC oscillator.
Bit 7 MSM: Master/Slave Mode
0: No action
1: The effect of an event on the trigger input (TRGI) is delayed to allow exact synchronization
between the current timer and the slave (through TRGO). It is useful for synchronizing timers
on a single external event.
Bits 6:4 TS[2:0]: Trigger Selection
This bit field selects the trigger input used to synchronize the counter.
000: Internal Trigger 0 (ITR0)
100: TI1 Edge Detector (TI1F_ED)
101: Filtered Timer Input 1 (TI1FP1)
110: Filtered Timer Input 2 (TI2FP2)
111: External Trigger input (ETRF)
Note: These bits must be changed only when they are not used (when SMS=000) to avoid
detecting spurious edges during the transition.
Bit 3 Reserved, must be kept at reset value

General-purpose timers STM32W108HB STM32W108CB STM32W108CC STM32W108CZ
204/289 DocID16252 Rev 16
Bits 2:0 SMS[2:0]: Slave Mode Selection
When external signals are selected the active edge of the trigger signal (TRGI) is linked to
the polarity selected on the external input.
000: Slave mode disabled.
If CEN = 1 then the prescaler is clocked directly by the internal clock.
001: Encoder mode 1. Counter counts up/down on TI1FP1 edge depending on TI2FP2 level.
010: Encoder mode 2. Counter counts up/down on TI2FP2 edge depending on TI1FP1 level.
011: Encoder mode 3. Counter counts up/down on both TI1FP1 and TI2FP2 edges
depending on the level of the other input.
100: Reset Mode. Rising edge of the selected trigger signal (TRGI) >reinitializes the counter
and generates an update of the registers.
101: Gated Mode. The counter clock is enabled when the trigger signal (TRGI) is high. The
counter stops (but is not reset) as soon as the trigger becomes low. Both starting and
stopping the counter are controlled.
110: Trigger Mode. The counter starts at a rising edge of the trigger TRGI (but it is not reset).
Only starting the counter is controlled.
111: External Clock Mode 1. Rising edges of the selected trigger (TRGI) clock the counter.
Note: Gated mode must not be used if TI1F_ED is selected as the trigger input (TS=100).
TI1F_ED outputs 1 pulse for each transition on TI1F, whereas gated mode checks the level
of the trigger signal.

DocID16252 Rev 16 205/289
STM32W108HB STM32W108CB STM32W108CC STM32W108CZ General-purpose timers
286
10.3.7 Timer x event generation register (TIMx_EGR)
Address offset: 0xE014 (TIM1) and 0xF014 (TIM2)
Reset value: 0x0000 0000
31 30 29 28 27 26 25 24 23 22 21 20 19 18 17 16
Reserved
15 14 13 12 11 10 9 8 7 6 5 4 3 2 1 0
Reserved
TG
Reserved
CC4G CC3G CC2G CC1G UG
wwwwww
Bits 31:7 Reserved, must be kept at reset value
Bit 6 TG: Trigger Generation
0: Does nothing
1: Sets the TIM_TIF flag in the TIMx_SR register
Bit 5 Reserved, must be kept at reset value
Bit 4 CC4G: Capture/Compare 4 Generation
0: Does nothing
1: If CC4 configured as output channel, the CC4IF flag is set. If CC4 configured as input
channel, the CC4IF flag is set. The CC4IM flag is set if the CC4IF flag was already high. The
current value of the counter is captured in TIMx_CCR4 register.
Bit 3 CC3G: Capture/Compare 3 Generation
0: Does nothing
1: If CC3 configured as output channel, the CC3IF flag is set. If CC3 configured as input
channel, the CC3IF flag is set. The CC3IM flag is set if the CC3IF flag was already high. The
current value of the counter is captured in TIMx_CCR3 register.
Bit 2 CC2G: Capture/Compare 2 Generation
0: Does nothing
1: If CC2 configured as output channel, the CC2IF flag is set. If CC2 configured as input
channel, the CC2IF flag is set. The CC2IM flag is set if the CC2IF flag was already high. The
current value of the counter is captured in TIMx_CCR2 register.
Bit 1 CC1G: Capture/Compare 1 Generation
0: Does nothing
1: If CC1 configured as output channel, the CC1IF flag is set. If CC1 configured as input
channel, the CC1IF flag is set. The CC1IM flag is set if the CC1IF flag was already high. The
current value of the counter is captured in TIMx_CCR1 register.
Bit 0 UG: Update Generation
0: Does nothing
1: Re-initializes the counter and generates an update of the registers. This also clears the
prescaler counter but the prescaler ratio is not affected. The counter is cleared if center-
aligned mode is selected or if DIR=0 (up-counting), otherwise it takes the auto-reload value
(TIM1_ARR) if DIR=1 (down-counting).

General-purpose timers STM32W108HB STM32W108CB STM32W108CC STM32W108CZ
206/289 DocID16252 Rev 16
10.3.8 Timer x capture/compare mode register 1 (TIMx_CCMR1)
Address offset: 0xE018 (TIM1) and 0xF018 (TIM2)
Reset value: 0x0000 0000
The timer channels can be programmed as inputs (capture mode) or outputs (compare
mode). The direction of a channel “y” is defined by configuring the corresponding CCyS bits
in this register. All other bits have different functions in input and in output mode. For a given
bit:
•OCxy describes its function when the channel is configured as an output (CCyS = 0)
•ICxy describes its function when the channel is configured as an input (CCyS > 0)
In short, the same bit can have a different meaning for the input stage and for the output
stage. Care should be taken.
Output compare mode
31 30 29 28 27 26 25 24 23 22 21 20 19 18 17 16
Reserved
15 14 13 12 11 10 9 8 7 6 5 4 3 2 1 0
Reserved
OC2M[2:0] OC2PE OC2FE CC2S[1:0]
Reserved
OC1M[2:0] OC1PE OC1FE CC1S[1:0]
rw rw rw rw rw rw rw rw rw rw rw rw rw rw
Bits 31:15 Reserved, must be kept at reset value
Bits 14:12 OC2M[2:0]: Output Compare 2 Mode
Defines the behavior of the output reference signal OC2REF from which OC2 derives.
OC2REF is active high whereas OC2''s active level depends on the CC2P bit.
000: Frozen - The comparison between the output compare register TIMx_CCR2 and the
counter TIMx_CNT has no effect on the outputs.
001: Set OC2REF to active on match. The OC2REF signal is forced high when the counter
TIMx_CNT matches the capture/compare register 2 (TIMx_CCR2).
010: Set OC2REF to inactive on match. OC2REF signal is forced low when the counter
TIMx_CNT matches the capture/compare register 2 (TIMx_CCR2).
011: Toggle - OC2REF toggles when TIMx_CNT = TIMx_CCR2
100: Force OC2REF inactive
101: Force OC2REF active
110: PWM mode 1 - In up-counting, OC2REF is active as long as TIMx_CNT < TIMx_CCR2,
otherwise OC2REF is inactive. In down-counting, OC2REF is inactive if
TIMx_CNT > TIMx_CCR2, otherwise OC2REF is active.
111: PWM mode 2 - In up-counting, OC2REF is inactive if TIMx_CNT < TIMx_CCR2,
otherwise OC2REF is active. In down-counting, OC2REF is active if
TIMx_CNT > TIMx_CCR2, otherwise it is inactive.
Note: In PWM mode 1 or 2, the OC2REF level changes only when the result of the
comparison changes or when the output compare mode switches from “frozen” mode to
“PWM” mode.

DocID16252 Rev 16 207/289
STM32W108HB STM32W108CB STM32W108CC STM32W108CZ General-purpose timers
286
Bit 11 OC2PE: Output Compare 2 Preload Enable
0: Buffer register for TIMx_CCR2 is disabled. TIMx_CCR2 can be written at anytime, the new
value is used by the shadow register immediately.
1: Buffer register for TIMx_CCR2 is enabled. Read/write operations access the buffer
register. TIMx_CCR2 buffer value is loaded in the shadow register at each update event.
Note: The PWM mode can be used without enabling the buffer register only in one pulse
mode (OPM bit set in the TIMx_CR2 register), otherwise the behavior is undefined.
Bit 10 OC2FE: Output Compare 2 Fast Enable
This bit speeds the effect of an event on the trigger in input on the OC2 output.
0: OC2 behaves normally depending on the counter and CCR2 values even when the trigger
is ON. The minimum delay to activate OC2 when an edge occurs on the trigger input is 5
clock cycles.
1: An active edge on the trigger input acts like a compare match on the OC2 output. OC2 is
set to the compare level independently from the result of the comparison. Delay to sample
the trigger input and to activate OC2 output is reduced to 3 clock cycles. OC2FE acts only if
the channel is configured in PWM 1 or PWM 2 mode.
Bits 9:8 CC2S[1:0]: Capture / Compare 1 Selection
This configures the channel as an output or an input. If an input, it selects the input source.
00: Channel is an output
01: Channel is an input and is mapped to TI2
10: Channel is an input and is mapped to TI1
11: Channel is an input and is mapped to TRGI. This mode requires an internal trigger input
selected by the TS bit in the TIMx_SMCR register.
Note: CC2S may be written only when the channel is off (CC2E = 0 in the TIMx_CCER
register).
Bit 7 Reserved, must be kept at reset value
Bits 6:4 OC1M[2:0]: Output Compare 1 Mode
See OC2M description above
Bit 3 OC1PE: Output Compare 1 Preload Enable
See OC2PE description above
Bit 2 OC1FE: Output Compare 1 Fast Enable
See OC2FE description above
Bits 1:0 CC1S[1:0]: Capture / Compare 1 Selection
This configures the channel as an output or an input. If an input, it selects the input source.
00: Channel is an output
01: Channel is an input and is mapped to TI1
10: Channel is an input and is mapped to TI2
11: Channel is an input and is mapped to TRGI. This requires an internal trigger input
selected by the TS bit in the TIMx_SMCR register.
Note: CC1S may be written only when the channel is off (CC1E = 0 in the TIMx_CCER
register).

General-purpose timers STM32W108HB STM32W108CB STM32W108CC STM32W108CZ
208/289 DocID16252 Rev 16
Input capture mode
31 30 29 28 27 26 25 24 23 22 21 20 19 18 17 16
Reserved
15 14 13 12 11 10 9 8 7 6 5 4 3 2 1 0
IC2F[3:0] IC2PSC[1:0] CC2S[1:0] IC1F[3:0] IC1PSC[1:0] CC1S[1:0]
rw rw rw rw rw rw rw rw rw rw rw rw rw rw rw rw
Bits 31:16 Reserved, must be kept at reset value
Bits 15:12 IC2F[3:0]: Input Capture 1 Filter
This defines the frequency used to sample the TI2 input, Fsampling, and the length of the
digital filter applied to TI2. The digital filter requires N consecutive samples in the same state
before being output.
0000: Fsampling=PCLK, no filtering
0001: Fsampling=PCLK, N=2
0010: Fsampling=PCLK, N=4
0011: Fsampling=PCLK, N=8
0100: Fsampling=PCLK/2, N=6
0101: Fsampling=PCLK/2, N=8
0110: Fsampling=PCLK/4, N=6
0111: Fsampling=PCLK/4, N=8
1000: Fsampling=PCLK/8, N=6
1001: Fsampling=PCLK/8, N=8
1010: Fsampling=PCLK/16, N=5
1011: Fsampling=PCLK/16, N=6
1100: Fsampling=PCLK/16, N=8
1101: Fsampling=PCLK/32, N=5
1110: Fsampling=PCLK/32, N=6
1111: Fsampling=PCLK/32, N=8
Note: PCLK is 12 MHz when using the 24 MHz HSE OSC, and 6 MHz using the
12 MHz HSI RC oscillator.
Bits 11:10 IC2PSC[1:0]: Input Capture 1 Prescaler
00: No prescaling, capture each time an edge is detected on the capture input
01: Capture once every 2 events
10: Capture once every 4 events
11: Capture once every 6 events
Bits 9:8 CC2S[1:0]: Capture / Compare 1 Selection
This configures the channel as an output or an input. If an input, it selects the input source.
00: Channel is an output
01: Channel is an input and is mapped to TI2
10: Channel is an input and is mapped to TI1
11: Channel is an input and is mapped to TRGI. This mode requires an internal trigger input
selected by the TS bit in the TIMx_SMCR register.
Note: CC2S may be written only when the channel is off (CC2E = 0 in the TIMx_CCER
register).

DocID16252 Rev 16 209/289
STM32W108HB STM32W108CB STM32W108CC STM32W108CZ General-purpose timers
286
Bits 7:4 IC1F[3:0]: Input Capture 1 Filter
See IC2F description above
Bits 3:2 IC1PSC[1:0]: Input Capture 1 Prescaler
See IC2PSC description above
Bits 1:0 CC1S[1:0]: Capture / Compare 1 Selection
This configures the channel as an output or an input. If an input, it selects the input source.
00: Channel is an output
01: Channel is an input and is mapped to TI1
10: Channel is an input and is mapped to TI2
11: Channel is an input and is mapped to TRGI. This requires an internal trigger input
selected by the TS bit in the TIMx_SMCR register.
Note: CC1S may be written only when the channel is off (CC1E = 0 in the TIMx_CCER
register).

General-purpose timers STM32W108HB STM32W108CB STM32W108CC STM32W108CZ
210/289 DocID16252 Rev 16
10.3.9 Timer x capture/compare mode register 2 (TIMx_CCMR2)
Address offset: 0xE01C (TIM1) and 0xF01C (TIM2)
Reset value: 0x0000 0000
The timer channels can be programmed as inputs (capture mode) or outputs (compare
mode). The direction of a channel “y” is defined by configuring the corresponding CCyS bits
in this register. All other bits have different functions in input and in output mode. For a given
bit:
•OCxy describes its function when the channel is configured as an output (CCyS = 0)
•ICxy describes its function when the channel is configured as an input (CCyS > 0)
In short, the same bit can have a different meaning for the input stage and for the output
stage. Care should be taken.
Output compare mode
31 30 29 28 27 26 25 24 23 22 21 20 19 18 17 16
Reserved
15 14 13 12 11 10 9 8 7 6 5 4 3 2 1 0
Reserved
OC4M[2:0] OC4PE OC4FE CC4S[1:0]
Reserved
OC3M[2:0] OC3PE OC3FE CC3S[1:0]
rw rw rw rw rw rw rw rw rw rw rw rw rw rw
Bits 31:15 Reserved, must be kept at reset value
Bits 14:12 OC4M[2:0]: Output Compare 4 Mode
Define the behavior of the output reference signal OC4REF from which OC4 derives.
OC4REF is active high whereas OC4’s active level depends on the CC4P bit.
000: Frozen - The comparison between the output compare register TIMx_CCR4 and the
counter TIMx_CNT has no effect on the outputs.
001: Set OC4REF to active on match. The OC4REF signal is forced high when the counter
TIMx_CNT matches the capture/compare register 4 (TIMx_CCR4).
010: Set OC4REF to inactive on match. OC4REF signal is forced low when the counter
TIMx_CNT matches the capture/compare register 4 (TIMx_CCR4).
011: Toggle - OC4REF toggles when TIMx_CNT = TIMx_CCR4
100: Force OC4REF inactive
101: Force OC4REF active
110: PWM mode 1 - In up-counting, OC4REF is active as long as TIMx_CNT < TIMx_CCR4,
otherwise OC4REF is inactive. In down-counting, OC4REF is inactive if
TIMx_CNT > TIMx_CCR4, otherwise OC4REF is active.
111: PWM mode 2 - In up-counting, OC4REF is inactive if TIMx_CNT < TIMx_CCR4,
otherwise OC4REF is active. In down-counting, OC4REF is active if
TIMx_CNT > TIMx_CCR4, otherwise it is inactive.
Note: In PWM mode 1 or 2, the OC4REF level changes only when the result of the
comparison changes or when the output compare mode switches from “frozen” mode to
“PWM” mode.

DocID16252 Rev 16 211/289
STM32W108HB STM32W108CB STM32W108CC STM32W108CZ General-purpose timers
286
Bit 11 OC4PE: Output Compare 4 Preload Enable
0: Buffer register for TIMx_CCR4 is disabled. TIMx_CCR4 can be written at anytime, the new
value is used by the shadow register immediately.
1: Buffer register for TIMx_CCR4 is enabled. Read/write operations access the buffer
register. TIMx_CCR4 buffer value is loaded in the shadow register at each update event.
Note: The PWM mode can be used without enabling the buffer register only in one pulse
mode (OPM bit set in the TIMx_CR2 register), otherwise the behavior is undefined.
Bit 10 OC4FE: Output Compare 4 Fast Enable
This bit speeds the effect of an event on the trigger in input on the OC4 output.
0: OC4 behaves normally depending on the counter and CCR4 values even when the trigger
is ON. The minimum delay to activate OC4 when an edge occurs on the trigger input is 5
clock cycles.
1: An active edge on the trigger input acts like a compare match on the OC4 output. OC4 is
set to the compare level independently from the result of the comparison. Delay to sample
the trigger input and to activate OC4 output is reduced to 3 clock cycles. OC4FE acts only if
the channel is configured in PWM 1 or PWM 2 mode.
Bits 9:8 CC4S[1:0]: Capture / Compare 1 Selection
This configures the channel as an output or an input. If an input, it selects the input source.
00: Channel is an output
01: Channel is an input and is mapped to TI4
10: Channel is an input and is mapped to TI3
11: Channel is an input and is mapped to TRGI. This mode requires an internal trigger input
selected by the TS bit in the TIMx_SMCR register.
Note: CC2S may be written only when the channel is off (CC2E = 0 in the TIMx_CCER
register).
Bit 7 Reserved, must be kept at reset value
Bits 6:4 OC3M[2:0]: Output Compare 1 Mode
See OC4M description above
Bit 3 OC3PE: Output Compare 3 Preload Enable
See OC4PE description above
Bit 2 OC3FE: Output Compare 3 Fast Enable
See OC4FE description above
Bits 1:0 CC3S[1:0]: Capture / Compare 3 Selection
This configures the channel as an output or an input. If an input, it selects the input source.
00: Channel is an output
01: Channel is an input and is mapped to TI3
10: Channel is an input and is mapped to TI4
11: Channel is an input and is mapped to TRGI. This requires an internal trigger input
selected by the TS bit in the TIMx_SMCR register.
Note: CC3S may be written only when the channel is off (CC3E = 0 in the TIMx_CCER
register).

General-purpose timers STM32W108HB STM32W108CB STM32W108CC STM32W108CZ
212/289 DocID16252 Rev 16
Input capture mode
31 30 29 28 27 26 25 24 23 22 21 20 19 18 17 16
Reserved
15 14 13 12 11 10 9 8 7 6 5 4 3 2 1 0
IC4F[3:0] IC4PSC[1:0] CC4S[1:0] IC3F[3:0] IC3PSC[1:0] CC3S[1:0]
rw rw rw rw rw rw rw rw rw rw rw rw rw rw rw rw
Bits 31:16 Reserved, must be kept at reset value
Bits 15:12 IC4F[3:0]: Input Capture 1 Filter
This defines the frequency used to sample the TI4 input, fSampling, and the length of the digital
filter applied to TI4. The digital filter requires N consecutive samples in the same state before
being output.
0000: fSampling = PCLK, no filtering
0001: fSampling = PCLK, N=2
0010: fSampling = PCLK, N=4
0011: fSampling = PCLK, N=8
0100: fSampling = PCLK/2, N=6
0101: fSampling = PCLK/2, N=8
0110: fSampling = PCLK/4, N=6
0111: fSampling = PCLK/4, N=8
1000: fSampling = PCLK/8, N=6
1001: fSampling = PCLK/8, N=8
1010: fSampling = PCLK/16, N=5
1011: fSampling = PCLK/16, N=6
1100: fSampling = PCLK/16, N=8.
1101: fSampling = PCLK/32, N=5
1110: fSampling = PCLK/32, N=6
1111: fSampling = PCLK/32, N=8
Note: PCLK is 12 MHz when using the 24 MHz HSE OSC, and 6 MHz using the
12 MHz HSI RC oscillator.
Bits 11:10 IC4PSC[1:0]: Input Capture 1 Prescaler
00: No prescaling, capture each time an edge is detected on the capture input
01: Capture once every 2 events
10: Capture once every 4 events
11: Capture once every 6 events
Bits 9:8 CC4S[1:0]: Capture / Compare 1 Selection
This configures the channel as an output or an input. If an input, it selects the input source.
00: Channel is an output
01: Channel is an input and is mapped to TI4
10: Channel is an input and is mapped to TI3
11: Channel is an input and is mapped to TRGI. This mode requires an internal trigger input
selected by the TS bit in the TIMx_SMCR register.
Note: CC2S may be written only when the channel is off (CC2E = 0 in the TIMx_CCER
register).

DocID16252 Rev 16 213/289
STM32W108HB STM32W108CB STM32W108CC STM32W108CZ General-purpose timers
286
Bits 7:4 IC3F[3:0]: Input Capture 1 Filter
See IC4F description above
Bits 3:2 IC3PSC[1:0]: Input Capture 1 Prescaler
See IC4PSC description above
Bits 1:0 CC3S[1:0]: Capture / Compare 3 Selection
This configures the channel as an output or an input. If an input, it selects the input source.
00: Channel is an output
01: Channel is an input and is mapped to TI3
10: Channel is an input and is mapped to TI4
11: Channel is an input and is mapped to TRGI. This requires an internal trigger input
selected by the TS bit in the TIMx_SMCR register.
Note: CC3S may be written only when the channel is off (CC3E = 0 in the TIMx_CCER
register).

General-purpose timers STM32W108HB STM32W108CB STM32W108CC STM32W108CZ
214/289 DocID16252 Rev 16
10.3.10 Timer x capture/compare enable register (TIMx_CCER)
Address offset: 0xE020 (TIM1) and 0xF020 (TIM2)
Reset value: 0x0000 0000
31 30 29 28 27 26 25 24 23 22 21 20 19 18 17 16
Reserved
15 14 13 12 11 10 9 8 7 6 5 4 3 2 1 0
Reserved
CC4P CC4E
Reserved
CC3P CC3E
Reserved
CC2P CC2E
Reserved
CC1P CC1E
rw rw rw rw rw rw rw rw
Bits 31:14 Reserved, must be kept at reset value
Bit 13 CC4P: Capture/Compare 4 output Polarity
If CC4 is configured as an output channel:
0: OC4 is active high
1: OC4 is active low.
If CC4 configured as an input channel:
0: IC4 is not inverted. Capture occurs on a rising edge of IC4. When used as an external
trigger, IC4 is not inverted.
0: IC4 is inverted. Capture occurs on a falling edge of IC4. When used as an external trigger,
IC4 is inverted.
1: Capture is enabled
Bit 12 CC4E: Capture/Compare 4 output Enable
If CC4 is configured as an output channel:
0: OC4 is disabled
1: OC4 is enabled
If CC4 configured as an input channel:
0: Capture is disabled
1: Capture is enabled
Bits 11:10 Reserved, must be kept at reset value
Bit 9 CC3P: Refer to the CC4P description above
Bit 8 CC3E: Refer to the CC4E description above
Bits 7:6 Reserved, must be kept at reset value
Bit 5 CC2P: Refer to the CC4P description above
Bit 4 CC2E: Refer to the CC4E description above
Bits 3:2 Reserved, must be kept at reset value
Bit 1 CC1P: Refer to the CC4P description above
Bit 0 CC1E: Refer to the CC4E description above

DocID16252 Rev 16 215/289
STM32W108HB STM32W108CB STM32W108CC STM32W108CZ General-purpose timers
286
10.3.11 Timer x counter register (TIMx_CNT)
Address offset: 0xE024 (TIM1) and 0xF024 (TIM2)
Reset value: 0x0000 0000
10.3.12 Timer x prescaler register (TIMx_PSC)
Address offset: 0xE028 (TIM1) and 0xF028 (TIM2)
Reset value: 0x0000 0000
31 30 29 28 27 26 25 24 23 22 21 20 19 18 17 16
Reserved
15 14 13 12 11 10 9 8 7 6 5 4 3 2 1 0
CNT[15:0]
rw rw rw rw rw rw rw rw rw rw rw rw rw rw rw rw
Bits 31:16 Reserved, must be kept at reset value
Bits 15:0 CNT[15:0]: Counter value
31 30 29 28 27 26 25 24 23 22 21 20 19 18 17 16
Reserved
15 14 13 12 11 10 9 8 7 6 5 4 3 2 1 0
Reserved
PSC[3:0]
rw rw rw rw
Bits 31:4 Reserved, must be kept at reset value
Bits 3:0 PSC[3:0]: Prescaler value
The prescaler divides the internal timer clock frequency. The counter clock frequency
CK_CNT is equal to fCK_PSC / (2 ^ PSC[3:0]). Clock division factors can range from 1
through 32768. The division factor is loaded into the shadow prescaler register at each
update event (including when the counter is cleared through UG bit of TIM1_EGR register or
through the trigger controller when configured in reset mode).

General-purpose timers STM32W108HB STM32W108CB STM32W108CC STM32W108CZ
216/289 DocID16252 Rev 16
10.3.13 Timer x auto-reload register (TIMx_ARR)
Address offset: 0xE02C (TIM1) and 0xF02C (TIM2)
Reset value: 0x0000 0000
10.3.14 Timer x capture/compare 1 register (TIMx_CCR1)
Address offset: 0xE034 (TIM1) and 0xF034 (TIM2)
Reset value: 0x0000 0000
31 30 29 28 27 26 25 24 23 22 21 20 19 18 17 16
Reserved
15 14 13 12 11 10 9 8 7 6 5 4 3 2 1 0
ARR[15:0]
rw rw rw rw rw rw rw rw rw rw rw rw rw rw rw rw
Bits 31:16] Reserved, must be kept at reset value
Bits 15:0 ARR[15:0]: Auto-reload value
ARR[15:0] is the value to be loaded in the shadow auto-reload register.
The auto-reload register is buffered. Writing or reading the auto-reload register accesses the
buffer register. The content of the buffer register is transferred in the shadow register
permanently or at each update event UEV, depending on the auto-reload buffer enable bit
(ARPE) in TIMx_CR1 register. The update event is sent when the counter reaches the
overflow point (or underflow point when down-counting) and if the UDIS bit equals 0 in the
TIMx_CR1 register. It can also be generated by software. The counter is blocked while the
auto-reload value is 0.
31 30 29 28 27 26 25 24 23 22 21 20 19 18 17 16
Reserved
15 14 13 12 11 10 9 8 7 6 5 4 3 2 1 0
CCR[15:0]
rw rw rw rw rw rw rw rw rw rw rw rw rw rw rw rw
Bits 31:16 Reserved, must be kept at reset value
Bits 15:0 CCR[15:0]: Capture/compare value
If the CC1 channel is configured as an output (CC1S = 0):
CCR1 is the buffer value to be loaded in the actual capture/compare 1 register. It is loaded
permanently if the preload feature is not selected in the TIM1_CCMR1 register (bit OC1PE).
Otherwise the buffer value is copied to the shadow capture/compare 1 register when an
update event occurs. The active capture/compare register contains the value to be compared
to the counter TIM1_CNT and signaled on the OC1 output. If the CC1 channel is configured
as an input (CC1S is not 0): CCR1 is the counter value transferred by the last input capture 1
event (IC1).

DocID16252 Rev 16 217/289
STM32W108HB STM32W108CB STM32W108CC STM32W108CZ General-purpose timers
286
10.3.15 Timer x capture/compare 2 register (TIMx_CCR2)
Address offset: 0xE038 (TIM1) and 0xF038 (TIM2)
Reset value: 0x0000 0000
10.3.16 Timer x capture/compare 3 register (TIMx_CCR3)
Address offset: 0xE03C (TIM1) and 0xF03C (TIM2)
Reset value: 0x0000 0000
31 30 29 28 27 26 25 24 23 22 21 20 19 18 17 16
Reserved
15 14 13 12 11 10 9 8 7 6 5 4 3 2 1 0
CCR[15:0]
rw rw rw rw rw rw rw rw rw rw rw rw rw rw rw rw
Bits 31:16 Reserved, must be kept at reset value
Bits 15:0 See description in the TIMx_CCR1 register
31 30 29 28 27 26 25 24 23 22 21 20 19 18 17 16
Reserved
15 14 13 12 11 10 9 8 7 6 5 4 3 2 1 0
CCR[15:0]
rw rw rw rw rw rw rw rw rw rw rw rw rw rw rw rw
Bits 31:16 Reserved, must be kept at reset value
Bits 15:0 See description in the TIMx_CCR1 register

General-purpose timers STM32W108HB STM32W108CB STM32W108CC STM32W108CZ
218/289 DocID16252 Rev 16
10.3.17 Timer x capture/compare 4 register (TIMx_CCR4)
Address offset: 0xE040 (TIM1) and 0xF040 (TIM2)
Reset value: 0x0000 0000
10.3.18 Timer 1 option register (TIM1_OR)
Address offset: 0xE050
Reset value: 0x0000 0000
31 30 29 28 27 26 25 24 23 22 21 20 19 18 17 16
Reserved
15 14 13 12 11 10 9 8 7 6 5 4 3 2 1 0
CCR[15:0]
rw rw rw rw rw rw rw rw rw rw rw rw rw rw rw rw
Bits 31:16 Reserved, must be kept at reset value
Bits 15:0 See description in the TIMx_CCR1 register
31 30 29 28 27 26 25 24 23 22 21 20 19 18 17 16
Reserved
15 14 13 12 11 10 9 8 7 6 5 4 3 2 1 0
Reserved
OR
RSVD
CLK
MSKEN EXTRIGSEL[1:0]
rw rw rw rw
Bits 31:4 Reserved, must be kept at reset value
Bit 3 ORRSVD
Reserved: this bit must always be set to 0
Bit 2 CLKMSKEN
Enables TIM1MSK when TIM1CLK is selected as the external trigger: 0 = TIM1MSK not
used, 1 = TIM1CLK is ANDed with the TIM1MSK input.
Bits 1:0 EXTRIGSEL[1:0]:
Selects the external trigger used in external clock mode 2: 0 = PCLK, 1 = calibrated 1 kHz
clock, 2 = 32 kHz reference clock (if available), 3 = TIM1CLK pin.

DocID16252 Rev 16 219/289
STM32W108HB STM32W108CB STM32W108CC STM32W108CZ General-purpose timers
286
10.3.19 Timer 2 option register (TIM2_OR)
Address offset: 0xF050
Reset value: 0x0000 0000
31 30 29 28 27 26 25 24 23 22 21 20 19 18 17 16
Reserved
15 14 13 12 11 10 9 8 7 6 5 4 3 2 1 0
Reserved
RE
MAPC4
RE
MAPC3
RE
MAPC2
RE
MAPC1
OR
RSVD
CLK
MSKEN EXTRIGSEL[1:0]
rw rw rw rw rw rw rw rw
Bits 31:8 Reserved, must be kept at reset value
Bit 7 REMAPC4
Selects the GPIO used for TIM2_CH4: 0 = PA2, 1 = PB4
Bit 6 REMAPC3
Selects the GPIO used for TIM2_CH3: 0 = PA1, 1 = PB3
Bit 5 REMAPC2
Selects the GPIO used for TIM2_CH2: 0 = PA3, 1 = PB2
Bit 4 REMAPC1
Selects the GPIO used for TIM2_CH1: 0 = PA0, 1 = PB1
Bit 3 ORRSVD
Reserved: this bit must always be set to 0
Bit 2 CLKMSKEN
Enables TIM2MSK when TIM2CLK is selected as the external trigger: 0 = TIM2MSK not
used, 1 = TIM2CLK is ANDed with the TIM2MSK input.
Bits 1:0 EXTRIGSEL[1:0]:
Selects the external trigger used in external clock mode 2: 0 = PCLK, 1 = calibrated 1 kHz
clock, 2 = 32 kHz reference clock (if available), 3 = TIM2CLK pin.

General-purpose timers STM32W108HB STM32W108CB STM32W108CC STM32W108CZ
220/289 DocID16252 Rev 16
10.3.20 General-purpose timers 1 and 2 (TIM1/TIM2) register map
Table 36 gives the TIM1/TIM2 register map and reset values.
Table 36. TIM1/TIM2 register map and reset values
Offset Register
31
30
29
28
27
26
25
24
23
22
21
20
19
18
17
16
15
14
13
12
11
10
9
8
7
6
5
4
3
2
1
0
0xA800 TIM1_ISR
Res.
Res.
Res.
Res.
Res.
Res.
Res.
Res.
Res.
Res.
Res.
Res.
Res.
Res.
Res.
Res.
Res.
Res.
Res.
RSVD[3:0]
Res.
Res.
TIP
Res.
CC4IP
CC3IP
CC2IP
CC1IP
UIP
Reset value 0000 0 00000
0xA804-
0xA814
Res.
Res.
Res.
Res.
Res.
Res.
Res.
Res.
Res.
Res.
Res.
Res.
Res.
Res.
Res.
Res.
Res.
Res.
Res.
Res.
Res.
Res.
Res.
Res.
Res.
Res.
Res.
Res.
Res.
Res.
Res.
Res.
Res.
0xA818 TIM1_MISSR
Res.
Res.
Res.
Res.
Res.
Res.
Res.
Res.
Res.
Res.
Res.
Res.
Res.
Res.
Res.
Res.
Res.
Res.
Res.
CC4IM
CC3IM
CC2IM
CC1IM
Res.
Res.
RSVD[6:0]
Reset value 0000 0000000
0xA81C-
0xA83C
Res.
Res.
Res.
Res.
Res.
Res.
Res.
Res.
Res.
Res.
Res.
Res.
Res.
Res.
Res.
Res.
Res.
Res.
Res.
Res.
Res.
Res.
Res.
Res.
Res.
Res.
Res.
Res.
Res.
Res.
Res.
Res.
Res.
0xA840 TIM1_IER
Res.
Res.
Res.
Res.
Res.
Res.
Res.
Res.
Res.
Res.
Res.
Res.
Res.
Res.
Res.
Res.
Res.
Res.
Res.
Res.
Res.
Res.
Res.
Res.
Res.
TIE
Res.
CC4IE
CC3IE
CC2IE
CC1IE
UIE
Reset value 0 00000
0xA844-
0xDFFC
Res.
Res.
Res.
Res.
Res.
Res.
Res.
Res.
Res.
Res.
Res.
Res.
Res.
Res.
Res.
Res.
Res.
Res.
Res.
Res.
Res.
Res.
Res.
Res.
Res.
Res.
Res.
Res.
Res.
Res.
Res.
Res.
Res.
0xE000 TIM1_CR1
Res.
Res.
Res.
Res.
Res.
Res.
Res.
Res.
Res.
Res.
Res.
Res.
Res.
Res.
Res.
Res.
Res.
Res.
Res.
Res.
Res.
Res.
Res.
Res.
ARPE
CMS[1:0]
DIR
OPM
URS
UDIS
CEN
Reset value 00000000
0xE004 TIM1_CR2
Res.
Res.
Res.
Res.
Res.
Res.
Res.
Res.
Res.
Res.
Res.
Res.
Res.
Res.
Res.
Res.
Res.
Res.
Res.
Res.
Res.
Res.
Res.
Res.
TI1S
MMS[2:0]
Res.
Res.
Res.
Res.
Reset value 0000
0xE008 TIM1_SMCR
Res.
Res.
Res.
Res.
Res.
Res.
Res.
Res.
Res.
Res.
Res.
Res.
Res.
Res.
Res.
Res.
ETP
ECE
ETPS
[1:0] ETF[3:0]
MSM
TS[2:0]
Res.
SMS[2:0]
Reset value 000000000000 000
0xE014 TIM1_EGR
Res.
Res.
Res.
Res.
Res.
Res.
Res.
Res.
Res.
Res.
Res.
Res.
Res.
Res.
Res.
Res.
Res.
Res.
Res.
Res.
Res.
Res.
Res.
Res.
Res.
TG
Res.
CC4G
CC3G
CC2G
CC1G
UG
Reset value 0 00000
0xE018
TIM1_CCMR1
Output compare
mode
Res.
Res.
Res.
Res.
Res.
Res.
Res.
Res.
Res.
Res.
Res.
Res.
Res.
Res.
Res.
Res.
Res.
OC2M
[2:0]
OC2PE
OC2FE
CC2S
[1:0]
Res.
OC1M
[2:0]
OC1PE
OC1FE
CC1S
[1:0]
Reset value 0000000 0000000
TIM1_CCMR1
Input capture
mode
Res.
Res.
Res.
Res.
Res.
Res.
Res.
Res.
Res.
Res.
Res.
Res.
Res.
Res.
Res.
Res.
IC2F
[3:0]
IC2
PSC
[1:0]
CC2S
[1:0]
IC1F
[3:0]
IC1
PSC
[1:0]
CC1S
[1:0]
Reset value 0000000000000000
0xE01C
TIM1_CCMR2
Output compare
mode
Res.
Res.
Res.
Res.
Res.
Res.
Res.
Res.
Res.
Res.
Res.
Res.
Res.
Res.
Res.
Res.
Res.
OC4M
[2:0]
OC4PE
OC4FE
CC4S
[1:0]
Res.
OC3M
[2:0]
OC3PE
OC3FE
CC3S
[1:0]
Reset value 0000000 0000000
TIM1_CCMR2
Input capture
mode
Res.
Res.
Res.
Res.
Res.
Res.
Res.
Res.
Res.
Res.
Res.
Res.
Res.
Res.
Res.
Res.
IC4F
[3:0]
IC4
PSC
[1:0]
CC4S
[1:0]
IC3F
[3:0]
IC3
PSC
[1:0]
CC3S
[1:0]
Reset value 0000000000000000
0xE020 TIM1_CCER
Res.
Res.
Res.
Res.
Res.
Res.
Res.
Res.
Res.
Res.
Res.
Res.
Res.
Res.
Res.
Res.
Res.
Res.
CC4P
CC4E
Res.
Res.
CC3P
CC3E
Res.
Res.
CC2P
CC2E
Res.
Res.
CC1P
CC1E
Reset value 00000000

DocID16252 Rev 16 221/289
STM32W108HB STM32W108CB STM32W108CC STM32W108CZ General-purpose timers
286
0xE024 TIM1_CNT
Res.
Res.
Res.
Res.
Res.
Res.
Res.
Res.
Res.
Res.
Res.
Res.
Res.
Res.
Res.
Res.
CNT[15:0]
Reset value 0000000000000000
0xE028 TIM1_PSC
Res.
Res.
Res.
Res.
Res.
Res.
Res.
Res.
Res.
Res.
Res.
Res.
Res.
Res.
Res.
Res.
PSC[15:0]
Reset value 0000000000000000
0xE02C TIM1_ARR
Res.
Res.
Res.
Res.
Res.
Res.
Res.
Res.
Res.
Res.
Res.
Res.
Res.
Res.
Res.
Res.
ARR[15:0]
Reset value 0000000000000000
0xE030
Res.
Res.
Res.
Res.
Res.
Res.
Res.
Res.
Res.
Res.
Res.
Res.
Res.
Res.
Res.
Res.
Res.
Res.
Res.
Res.
Res.
Res.
Res.
Res.
Res.
Res.
Res.
Res.
Res.
Res.
Res.
Res.
Res.
0xE034 TIM1_CCR1
Res.
Res.
Res.
Res.
Res.
Res.
Res.
Res.
Res.
Res.
Res.
Res.
Res.
Res.
Res.
Res.
CCR[15:0]
Reset value 0000000000000000
0xE038 TIM1_CCR2
Res.
Res.
Res.
Res.
Res.
Res.
Res.
Res.
Res.
Res.
Res.
Res.
Res.
Res.
Res.
Res.
CCR[15:0]
Reset value 0000000000000000
0xE03C TIM1_CCR3
Res.
Res.
Res.
Res.
Res.
Res.
Res.
Res.
Res.
Res.
Res.
Res.
Res.
Res.
Res.
Res.
CCR[15:0]
Reset value 0000000000000000
0xE040 TIM1_CCR4
Res.
Res.
Res.
Res.
Res.
Res.
Res.
Res.
Res.
Res.
Res.
Res.
Res.
Res.
Res.
Res.
CCR[15:0]
Reset value 0000000000000000
0xE044-
0xE04C
Res.
Res.
Res.
Res.
Res.
Res.
Res.
Res.
Res.
Res.
Res.
Res.
Res.
Res.
Res.
Res.
Res.
Res.
Res.
Res.
Res.
Res.
Res.
Res.
Res.
Res.
Res.
Res.
Res.
Res.
Res.
Res.
Res.
0xE050 TIM1_OR
Res.
Res.
Res.
Res.
Res.
Res.
Res.
Res.
Res.
Res.
Res.
Res.
Res.
Res.
Res.
Res.
Res.
Res.
Res.
Res.
Res.
Res.
Res.
Res.
Res.
Res.
Res.
Res.
ORRSVD
CLKMSKEN
EXT
RIG
SEL
[1:0]
Reset value 0000
0xA804 TIM2_ISR
Res.
Res.
Res.
Res.
Res.
Res.
Res.
Res.
Res.
Res.
Res.
Res.
Res.
Res.
Res.
Res.
Res.
Res.
Res.
RSVD[3:0]
Res.
Res.
TIP
Res.
CC4IP
CC3IP
CC2IP
CC1IP
UIP
Reset value 0000 0 00000
0xA808-
0xA810
Res.
Res.
Res.
Res.
Res.
Res.
Res.
Res.
Res.
Res.
Res.
Res.
Res.
Res.
Res.
Res.
Res.
Res.
Res.
Res.
Res.
Res.
Res.
Res.
Res.
Res.
Res.
Res.
Res.
Res.
Res.
Res.
Res.
0xA81C TIM2_MISSR
Res.
Res.
Res.
Res.
Res.
Res.
Res.
Res.
Res.
Res.
Res.
Res.
Res.
Res.
Res.
Res.
Res.
Res.
Res.
CC4IM
CC3IM
CC2IM
CC1IM
Res.
Res.
RSVD[6:0]
Reset value 0000 0000000
0xA820-
0xA840
Res.
Res.
Res.
Res.
Res.
Res.
Res.
Res.
Res.
Res.
Res.
Res.
Res.
Res.
Res.
Res.
Res.
Res.
Res.
Res.
Res.
Res.
Res.
Res.
Res.
Res.
Res.
Res.
Res.
Res.
Res.
Res.
Res.
0xA844 TIM2_IER
Res.
Res.
Res.
Res.
Res.
Res.
Res.
Res.
Res.
Res.
Res.
Res.
Res.
Res.
Res.
Res.
Res.
Res.
Res.
Res.
Res.
Res.
Res.
Res.
Res.
TIE
Res.
CC4IE
CC3IE
CC2IE
CC1IE
UIE
Reset value 0 00000
0xA848-
0xEFFC
Res.
Res.
Res.
Res.
Res.
Res.
Res.
Res.
Res.
Res.
Res.
Res.
Res.
Res.
Res.
Res.
Res.
Res.
Res.
Res.
Res.
Res.
Res.
Res.
Res.
Res.
Res.
Res.
Res.
Res.
Res.
Res.
Res.
0xF000 TIM2_CR1
Res.
Res.
Res.
Res.
Res.
Res.
Res.
Res.
Res.
Res.
Res.
Res.
Res.
Res.
Res.
Res.
Res.
Res.
Res.
Res.
Res.
Res.
Res.
Res.
ARPE
CMS[1:0]
DIR
OPM
URS
UDIS
CEN
Reset value 00000000
Table 36. TIM1/TIM2 register map and reset values (continued)
Offset Register
31
30
29
28
27
26
25
24
23
22
21
20
19
18
17
16
15
14
13
12
11
10
9
8
7
6
5
4
3
2
1
0

General-purpose timers STM32W108HB STM32W108CB STM32W108CC STM32W108CZ
222/289 DocID16252 Rev 16
0xF004 TIM2_CR2
Res.
Res.
Res.
Res.
Res.
Res.
Res.
Res.
Res.
Res.
Res.
Res.
Res.
Res.
Res.
Res.
Res.
Res.
Res.
Res.
Res.
Res.
Res.
Res.
TI1S
MMS[2:0]
Res.
Res.
Res.
Res.
Reset value 0000
0xF008 TIM2_SMCR
Res.
Res.
Res.
Res.
Res.
Res.
Res.
Res.
Res.
Res.
Res.
Res.
Res.
Res.
Res.
Res.
ETP
ECE
ETPS
[1:0] ETF[3:0]
MSM
TS[2:0]
Res.
SMS[2:0]
Reset value 000000000000 000
0xF014 TIM2_EGR
Res.
Res.
Res.
Res.
Res.
Res.
Res.
Res.
Res.
Res.
Res.
Res.
Res.
Res.
Res.
Res.
Res.
Res.
Res.
Res.
Res.
Res.
Res.
Res.
Res.
TG
Res.
CC4G
CC3G
CC2G
CC1G
UG
Reset value 0 00000
0xF018
TIM2_CCMR1
Output compare
mode
Res.
Res.
Res.
Res.
Res.
Res.
Res.
Res.
Res.
Res.
Res.
Res.
Res.
Res.
Res.
Res.
Res.
OC2M
[2:0]
OC2PE
OC2FE
CC2S
[1:0]
Res.
OC1M
[2:0]
OC1PE
OC1FE
CC1S
[1:0]
Reset value 0000000 0000000
TIM2_CCMR1
Input capture
mode
Res.
Res.
Res.
Res.
Res.
Res.
Res.
Res.
Res.
Res.
Res.
Res.
Res.
Res.
Res.
Res.
IC2F
[3:0]
IC2
PSC
[1:0]
CC2S
[1:0]
IC1F
[3:0]
IC1
PSC
[1:0]
CC1S
[1:0]
Reset value 0000000000000000
0xF01C
TIM2_CCMR2
Output compare
mode
Res.
Res.
Res.
Res.
Res.
Res.
Res.
Res.
Res.
Res.
Res.
Res.
Res.
Res.
Res.
Res.
Res.
OC4M
[2:0]
OC4PE
OC4FE
CC4S
[1:0]
Res.
OC3M
[2:0]
OC3PE
OC3FE
CC3S
[1:0]
Reset value 0000000 0000000
TIM2_CCMR2
Input capture
mode
Res.
Res.
Res.
Res.
Res.
Res.
Res.
Res.
Res.
Res.
Res.
Res.
Res.
Res.
Res.
Res.
IC4F
[3:0]
IC4
PSC
[1:0]
CC4S
[1:0]
IC3F
[3:0]
IC3
PSC
[1:0]
CC3S
[1:0]
Reset value 0000000000000000
0xF020 TIM2_CCER
Res.
Res.
Res.
Res.
Res.
Res.
Res.
Res.
Res.
Res.
Res.
Res.
Res.
Res.
Res.
Res.
Res.
Res.
CC4P
CC4E
Res.
Res.
CC3P
CC3E
Res.
Res.
CC2P
CC2E
Res.
Res.
CC1P
CC1E
Reset value 00000000
0xF024 TIM2_CNT
Res.
Res.
Res.
Res.
Res.
Res.
Res.
Res.
Res.
Res.
Res.
Res.
Res.
Res.
Res.
Res.
CNT[15:0]
Reset value 0000000000000000
0xF028 TIM2_PSC
Res.
Res.
Res.
Res.
Res.
Res.
Res.
Res.
Res.
Res.
Res.
Res.
Res.
Res.
Res.
Res.
PSC[15:0]
Reset value 0000000000000000
0xF02C TIM2_ARR
Res.
Res.
Res.
Res.
Res.
Res.
Res.
Res.
Res.
Res.
Res.
Res.
Res.
Res.
Res.
Res.
ARR[15:0]
Reset value 0000000000000000
0xF030
Res.
Res.
Res.
Res.
Res.
Res.
Res.
Res.
Res.
Res.
Res.
Res.
Res.
Res.
Res.
Res.
Res.
Res.
Res.
Res.
Res.
Res.
Res.
Res.
Res.
Res.
Res.
Res.
Res.
Res.
Res.
Res.
Res.
0xF034 TIM2_CCR1
Res.
Res.
Res.
Res.
Res.
Res.
Res.
Res.
Res.
Res.
Res.
Res.
Res.
Res.
Res.
Res.
CCR[15:0]
Reset value 0000000000000000
0xF038 TIM2_CCR2
Res.
Res.
Res.
Res.
Res.
Res.
Res.
Res.
Res.
Res.
Res.
Res.
Res.
Res.
Res.
Res.
CCR[15:0]
Reset value 0000000000000000
0xF03C TIM2_CCR3
Res.
Res.
Res.
Res.
Res.
Res.
Res.
Res.
Res.
Res.
Res.
Res.
Res.
Res.
Res.
Res.
CCR[15:0]
Reset value 0000000000000000
0xF040 TIM2_CCR4
Res.
Res.
Res.
Res.
Res.
Res.
Res.
Res.
Res.
Res.
Res.
Res.
Res.
Res.
Res.
Res.
CCR[15:0]
Reset value 0000000000000000
Table 36. TIM1/TIM2 register map and reset values (continued)
Offset Register
31
30
29
28
27
26
25
24
23
22
21
20
19
18
17
16
15
14
13
12
11
10
9
8
7
6
5
4
3
2
1
0

DocID16252 Rev 16 223/289
STM32W108HB STM32W108CB STM32W108CC STM32W108CZ General-purpose timers
286
Refer to Figure 4: STM32W108xB memory mapping, Figure 5: STM32W108CC and
STM32W108CZ memory mapping, and Table 3: STM32W108xx peripheral register
boundary addresses for the register boundary addresses of the peripherals available in all
STM32W108xx devices.
0xF044-
0xF04C
Res.
Res.
Res.
Res.
Res.
Res.
Res.
Res.
Res.
Res.
Res.
Res.
Res.
Res.
Res.
Res.
Res.
Res.
Res.
Res.
Res.
Res.
Res.
Res.
Res.
Res.
Res.
Res.
Res.
Res.
Res.
Res.
Res.
0xF050 TIM2_OR
Res.
Res.
Res.
Res.
Res.
Res.
Res.
Res.
Res.
Res.
Res.
Res.
Res.
Res.
Res.
Res.
Res.
Res.
Res.
Res.
Res.
Res.
Res.
Res.
REMAPC4
REMAPC3
REMAPC2
REMAPC1
ORRSVD
CLKMSKEN
EXT
RIG
SEL
[1:0]
Reset value 00000000
Table 36. TIM1/TIM2 register map and reset values (continued)
Offset Register
31
30
29
28
27
26
25
24
23
22
21
20
19
18
17
16
15
14
13
12
11
10
9
8
7
6
5
4
3
2
1
0

Analog-to-digital converter STM32W108HB STM32W108CB STM32W108CC STM32W108CZ
224/289 DocID16252 Rev 16
11 Analog-to-digital converter
The STM32W108xx analog-to-digital converter (ADC) is a first-order sigma-delta converter
with the following features:
•Resolution of up to 12 bits
•Sample times as fast as 5.33 µs (188 kHz)
•Differential and single-ended conversions from six external and four internal sources
•Two voltage ranges (differential): -VREF to +VREF, and –VDD_PADS to +VDD_PADS
•Choice of internal or external VREF: internal VREF may be output
•Digital offset and gain correction
•Dedicated DMA channel with one-shot and continuous operating modes
Figure 51 shows the basic ADC structure.
Figure 51. ADC block diagram
1. For the STM32W108CC and STM32108CZ devices, the input range selection block is not present on the N
Input.
While the ADC Module supports both single-ended and differential inputs, the ADC input
stage always operates in differential mode. Single-ended conversions are performed by
connecting one of the differential inputs to VREF/2 while fully differential operation uses two
external inputs.
Note: This note only applies to STM32W108xB. In high voltage mode, input buffers (with 0.25 gain
only) may experience long term drift of its input offset voltage that affects ADC accuracy. In
these cases, only the 1.2V input range mode of the ADC should be used. If measurement of
signals >1.2V is required, then external attenuation should be added.
Note: For STM32W108CC and STM32108CZ, high voltage mode is supported only in single
mode. It is also required by the software to periodically set to 1 bit HVSELN in the register
ADC_CR.

DocID16252 Rev 16 225/289
STM32W108HB STM32W108CB STM32W108CC STM32W108CZ Analog-to-digital converter
286
11.1 Functional description
11.1.1 Setup and configuration
To use the ADC follow this procedure, described in more detail in the next sections:
•Configure any GPIO pins to be used by the ADC in analog mode.
•Configure the voltage reference (internal or external).
•Set the offset and gain values.
•Reset the ADC DMA, define the DMA buffer, and start the DMA in the proper transfer
mode.
•If interrupts will be used, configure the primary ADC interrupt and specific mask bits.
•Write the ADC configuration register to define the inputs, voltage range, sample time,
and start the conversions.
11.1.2 GPIO usage
A GPIO pin used by the ADC as an input or voltage reference must be configured in analog
mode by writing 0 to its 4-bit field in the proper GPIOx_CRH/L register. Note that a GPIO pin
in analog mode cannot be used for any digital functions, and software always reads it as 1.
See Section 8: General-purpose input/output on page 92 for more information about how to
configure the GPIO pins.
11.1.3 Voltage reference
The ADC voltage reference (VREF), may be internally generated or externally sourced from
PB0. If internally generated, it may optionally be output on PB0.
To use an external reference, an ST system function must be called after reset and after
waking from deep sleep. PB0 must also be configured in analog mode using
GPIOB_CRH[3:0]. See the STM32W108xx HAL documentation for more information on the
system functions required to use an external reference.
Table 37. ADC GPIO pin usage
Analog Signal GPIO Configuration control
ADC0 input PB5 GPIOB_CRH[7:4]
ADC1 input PB6 GPIOB_CRH[11:8]
ADC2 input PB7 GPIOB_CRH[15:12]
ADC3 input PC1 GPIOC_CRH[7:4]
ADC4 input PA4 GPIOA_CRH[3:0]
ADC5 input PA5 GPIOA_CRH[7:4]
VREF input or output PB0 GPIOB_CRH[3:0]

Analog-to-digital converter STM32W108HB STM32W108CB STM32W108CC STM32W108CZ
226/289 DocID16252 Rev 16
11.1.4 Offset/gain correction
When a conversion is complete, the 16-bit converted data is processed by offset/gain
correction logic:
•The basic ADC conversion result is added to the 16-bit signed (two’s complement)
value of the ADC offset register (ADC_OFFSETR).
•The offset-corrected data is multiplied by the 16-bit ADC gain register, ADC_GAINR, to
produce a 16-bit signed result. If the product is greater than 0x7FFF (32767), or less
than 0x8000 (-32768), it is limited to that value and the SAT bit is set in the ADC_ISR
register.
•The offset/gain corrected value is divided by two to produce the final result.
ADC_GAINR is an unsigned scaled 16-bit value: GAIN[15] is the integer part of the gain
factor and GAIN[14:0] is the fractional part. As a result, ADC_GAINR values can represent
gain factors from 0 through (2 – 2-15).
Reset initializes the offset to zero (ADC_OFFSETR = 0) and gain factor to one
(ADC_GAINR = 0x8000).
For the STM32W108CC and STM32108CZ devices, a software mechanism is used to
measure and cancel the HV buffer offset.
The HV offset calculation requires two measurements with respectively CHOP = 1 and
CHOP = 0.
The HV offset values is then calculated as follows:
where:
(HV_buf_out)0 and (HV_buf_out)1 are the outputs of the HV buffer (input of the ADC).
11.1.5 DMA
The ADC DMA channel writes converted data, which incorporates the offset/gain correction,
into a DMA buffer in RAM.
The ADC DMA buffer is defined by two registers:
•ADC_DMAMSAR is the start address of the buffer and must be even.
•ADC_DMANDTR specifies the size of the buffer in 16-bit samples, or half its length in
bytes.
To prepare the DMA channel for operation, reset it by writing the RST bit in the
ADC_DMACR register, then start the DMA in either linear or auto wrap mode by setting the
LOAD bit in the ADC_DMACR register. The AUTOWRAP bit in the ADC_DMACR register
selects the DMA mode: 0 for linear mode, 1 for auto wrap mode.
•In linear mode the DMA writes to the buffer until the number of samples given by
ADC_DMANDTR has been output. Then the DMA stops and sets the DMABF bit in the
ADC_ISR register. If another ADC conversion completes before the DMA is reset or the
ADC is disabled, the DMAOVF bit in the ADC_ISR register is set.
•In auto wrap mode the DMA writes to the buffer until it reaches the end, then resets its
pointer to the start of the buffer and continues writing samples. The DMA transfers
continue until the ADC is disabled or the DMA is reset.
2 HV_buf_out()
0HV_buf_out()
1
–()×

DocID16252 Rev 16 227/289
STM32W108HB STM32W108CB STM32W108CC STM32W108CZ Analog-to-digital converter
286
When the DMA fills the lower and upper halves of the buffer, it sets the DMABHF and
DMABF bits, respectively, in the ADC_ISR register. The current location to which the DMA is
writing can also be determined by reading the ADC_DMAMNAR register.
11.1.6 ADC configuration register
The ADC configuration register (ADC_CR) sets up most of the ADC operating parameters.
Input
The analog input of the ADC can be chosen from various sources. The analog input is
configured with the CHSELP[3:0] and CHSELN[3:0] bits within the ADC_CR register.
Table 38 shows the possible input selections.
Table 38. ADC inputs
CHSELP[3:0]/
CHSELN[3:0] (1)
1. Denotes bits CHSELP[3:0] or CHSELN[3:0] in register ADC_CR.
Analog source at ADC GPIO pin Purpose
0 ADC0 PB5 -
1 ADC1 PB6 -
2 ADC2 PB7 -
3 ADC3 PC0 -
4ADC4 PA4 -
5ADC5 PA5 -
6 No connection - -
7 No connection - -
8 GND Internal connection Calibration
9 VREF/2 Internal connection Calibration
10 VREF Internal connection Calibration
11 1V8 VREG/2 Internal connection Supply monitoring and calibration
12 No connection - -
13 No connection - -
14 No connection - -
15 No connection - -

Analog-to-digital converter STM32W108HB STM32W108CB STM32W108CC STM32W108CZ
228/289 DocID16252 Rev 16
Table 39 shows the typical configurations of ADC inputs.
Input range
ADC inputs can be routed through input buffers to expand the input voltage range. The input
buffers have a fixed 0.25 gain and the converted data is scaled by that factor.
With the input buffers disabled the single-ended input range is 0 to VREF and the differential
input range is -VREF to +VREF. With the input buffers enabled the single-ended range is 0
to VDD_PADS and the differential range is -VDD_PADS to +VDD_PADS.
The input buffers are enabled for the ADC P and N inputs by setting the HVSELP and
HVSELN bits respectively, in the ADC_CR register. The ADC accuracy is reduced when the
input buffer is selected.
Sample time
ADC sample time is programmed by selecting the sampling clock and the clocks per
sample.
•The sampling clock may be either 1 MHz or 6 MHz. If the CLK bit in the ADC_CR
register is clear, the 6 MHz clock is used; if it is set, the 1 MHz clock is selected. The 6
MHz sample clock offers faster conversion times but the ADC resolution is lower than
that achieved with the 1 MHz clock.
•The number of clocks per sample is determined by the SMP[2:0] bits in the ADC_CR
register. SMP[2:0] values select from 32 to 4096 sampling clocks in powers of two.
Longer sample times produce more significant bits. Regardless of the sample time,
converted samples are always 16-bits in size with the significant bits left-aligned within
the value.
Table 39. Typical ADC input configurations
ADC P input ADC N input CHSELP[3:0] CHSELN[3:0] Purpose
ADC0 VREF/2 0 9 Single-ended
ADC1 VREF/2 1 9 Single-ended
ADC2 VREF/2 2 9 Single-ended
ADC3 VREF/2 3 9 Single-ended
ADC4 VREF/2 4 9 Single-ended
ADC5 VREF/2 5 9 Single-ended
ADC1 ADC0 1 0 Differential(1)
1. The differential is only in LV mode.
ADC3 ADC2 3 2 Differential(1)
ADC5 ADC4 5 4 Differential(1)
GND VREF/2 8 9 Calibration
VREF VREF/2 10 9 Calibration
VDD_PADSA/2 VREF/2 11 9 Calibration

DocID16252 Rev 16 229/289
STM32W108HB STM32W108CB STM32W108CC STM32W108CZ Analog-to-digital converter
286
Table 40 shows the options for ADC sample times and the significant bits in the conversion
results.
Note: ADC sample timing is the same whether the STM32W108xx is using the 24 MHz HSE OSC
or the 12 MHz HSI RC oscillator. This facilitates using the ADC soon after the CPU wakes
from deep sleep, before switching to the crystal oscillator.
11.1.7 Operation
Setting the ADC_EN bit in the ADC_CR register enables the ADC; once enabled, it
performs conversions continuously until it is disabled. If the ADC had previously been
disabled, a 21 µs analog startup delay is imposed before the ADC starts conversions. The
delay timing is performed in hardware and is simply added to the time until the first
conversion result is output.
When the ADC is first enabled, and or if any change is made to ADC_CR after it is enabled,
the time until a result is output is double the normal sample time. This is because the ADC’s
internal design requires it to discard the first conversion after startup or a configuration
change. This is done automatically and is hidden from software except for the longer timing.
Switching the processor clock between the RC and crystal oscillator also causes the ADC to
go through this startup cycle. If the ADC was newly enabled, the analog delay time is added
to the doubled sample time.
If the DMA is running when ADC_CR is modified, the DMA does not stop, so the DMA buffer
may contain conversion results from both the old and new configurations.
Table 40. ADC sample times
SMP[2:0] Sample
clocks
Sample time (µs) Sample frequency (kHz) Significant
bits
1 MHz clock 6 MHz clock 1 MHz clock 6 MHz clock
032325.3331.3188 5
1 64 64 10.7 15.6 93.8 6
2 128 128 21.3 7.81 46.9 7
3 256 256 42.7 3.91 23.4 8
4 512 512 85.3 1.95 11.7 9
5 1024 1024 170 0.977 5.86 10
6 2048 2048 341 0.488 2.93 11
7 4096 4096 682 0.244 1.47 12

Analog-to-digital converter STM32W108HB STM32W108CB STM32W108CC STM32W108CZ
230/289 DocID16252 Rev 16
The following procedure illustrates a simple polled method of using the ADC. After
completing the procedure, the latest conversion results is available in the location written to
by the DMA. This assumes that any GPIOs and the voltage reference have already been
configured.
1. Allocate a 16-bit signed variable, for example analogData, to receive the ADC output.
(Make sure that analogData is half-word aligned – that is, at an even address.)
2. Disable all ADC interrupts – write 0 to ADC_IER.
3. Set up the DMA to output conversion results to the variable, analogData.
Reset the DMA – set the RST bit in ADC_DMACR.
Define a one sample buffer – write analogData’s address to ADC_DMAMSAR, set
ADC_DMANDTR to 1.
4. Write the desired offset and gain correction values to the ADC_OFFSETR and
ADC_GAINR registers.
5. Start the ADC and the DMA.
Write the desired conversion configuration, with the ADC_EN bit set, to ADC_CR.
Clear the ADC buffer full flag – write DMABF to ADC_ISR.
Start the DMA in auto wrap mode – set the AUTOWRAP and LOAD bits in
ADC_DMACR.
6. Wait until the DMABF bit is set in ADC_ISR, then read the result from analogData.
To convert multiple inputs using this approach, repeat Steps 4 through 6, loading the desired
input configurations to ADC_CR in Step 5. If the inputs can use the same offset/gain
correction, just repeat Steps 5 and 6.
11.1.8 Calibration
Sampling of internal connections GND, VREF/2, and VREF allow for offset and gain
calibration of the ADC in applications where absolute accuracy is important. Offset error is
calculated from the minimum input and gain error is calculated from the full scale input
range. Correction using VREF is recommended because VREF is calibrated by the ST
software against VDD_PADSA. The VDD_PADSA regulator is trimmed to 1.80 V ± 50 mV. If
better absolute accuracy is required, the ADC can be configured to use an external
reference. The ADC calibrates as a single-ended measurement. Differential signals require
correction of both their inputs.
Table 41 shows the equations used to calculate the gain and offset correction values.

DocID16252 Rev 16 231/289
STM32W108HB STM32W108CB STM32W108CC STM32W108CZ Analog-to-digital converter
286
Equation notes
•All N are 16-bit two’s complement numbers.
•NGND is a sampling of ground. Due to the ADC's internal design, VGND does not yield
the minimum two’s complement value 0x8000 as the conversion result. Instead, VGND
yields a two’s complement value close to 0xE000 when the input buffer is not selected.
VGND cannot be measured when the input buffer is enabled because it is outside the
buffer’s input range.
•NVREF is a sampling of VREF. Due to the ADC's internal design, VREF does not yield
the maximum positive two’s complement 0x7FFF as the conversion result. Instead,
VREF yields a two’s complement value close to 0x2000 when the input buffer is not
selected and yields a two’s complement value close to 0xF000 when the input buffer is
selected.
•Offset correction is affected by the gain correction value. Offset correction is calculated
after gain correction has been applied.
Table 41. ADC gain and offset correction equations
Calibration Correction value
Gain
Offset (after applying gain correction)
32768 16384
NVREF NGND
–()
------------------------------------------
×
2 57344 NGND
–()×

Analog-to-digital converter STM32W108HB STM32W108CB STM32W108CC STM32W108CZ
232/289 DocID16252 Rev 16
11.2 Interrupts
Four kinds of ADC events can generate an ADC interrupt, and each has a bit flag in the
ADC_ISR register to identify the reason(s) for the interrupt:
•DMAOVF – an ADC conversion result was ready but the DMA was disabled (DMA
buffer overflow).
•SAT – the gain correction multiplication exceeded the limits for a signed 16-bit number
(gain saturation).
•DMABF – the DMA wrote to the last location in the buffer (DMA buffer full).
•DMABHF – the DMA wrote to the last location of the first half of the DMA buffer (DMA
buffer half full).
Bits in ADC_ISR may be cleared by writing a 1 to their position.
The ADC_IER register controls whether or not ADC_ISR bits actually request the ARM®
Cortex®-M3 ADC interrupt; only the events whose bits are 1 in ADC_IER can do so.
For non-interrupt (polled) ADC operation set ADC_IER to zero, and read the bit flags in
ADC_ISR to determine the ADC status.
Note: When making changes to the ADC configuration it is best to disable the DMA beforehand. If
this isn’t done it can be difficult to determine at which point the sample data in the DMA
buffer switch from the old configuration to the new configuration. However, since the ADC
will be left running, if it completes a conversion after the DMA is disabled, the DMAOVF flag
will be set. To prevent these unwanted DMA buffer overflow indications, clear the DMAOVF
flag immediately after enabling the DMA, preferably with interrupts off. Disabling the ADC in
addition to the DMA is often undesirable because of the additional analog startup time when
it is re-enabled.

DocID16252 Rev 16 233/289
STM32W108HB STM32W108CB STM32W108CC STM32W108CZ Analog-to-digital converter
286
11.3 Analog-to-digital converter (ADC) registers
11.3.1 ADC interrupt status register (ADC_ISR)
Address offset: 0xA810
Reset value: 0x0000 0000
11.3.2 ADC interrupt enable register (ADC_IER)
Address offset: 0xA850
Reset value: 0x0000 0000
31 30 29 28 27 26 25 24 23 22 21 20 19 18 17 16
Reserved
15 14 13 12 11 10 9 8 7 6 5 4 3 2 1 0
Reserved
DMA
OVF SAT DMA
BF
DMA
BHF Reserved
rw rw rw rw
Bits 31:5] Reserved, must be kept at reset value
Bit 4 DMAOVF: DMA buffer overflow interrupt pending
Bit 3 SAT: Gain correction saturation interrupt pending
Bit 2 DMABF: DMA buffer full interrupt pending
Bit 1 DMABHF: DMA buffer half full interrupt pending
Bit 0 Reserved: this bit should always be set to 1
31 30 29 28 27 26 25 24 23 22 21 20 19 18 17 16
Reserved
15 14 13 12 11 10 9 8 7 6 5 4 3 2 1 0
Reserved
DMA
OVFIE SATIE DMA
BFIE
DMA
BHFIE Reserved
rw rw rw rw
Bits 31:5 Reserved, must be kept at reset value
Bit 4 DMAOVFIE: DMA buffer overflow interrupt enable
Bit 3 SATIE: Gain correction saturation interrupt enable
Bit 2 DMABFIE: DMA buffer full interrupt enable
Bit 1 DMABHFIE: DMA buffer half full interrupt enable
Bit 0 Reserved: this bit must always be set to 0

Analog-to-digital converter STM32W108HB STM32W108CB STM32W108CC STM32W108CZ
234/289 DocID16252 Rev 16
11.3.3 ADC control register (ADC_CR)
Address offset: 0xD004
Reset value: 0x0000 1800
31 30 29 28 27 26 25 24 23 22 21 20 19 18 17 16
Reserved
15 14 13 12 11 10 9 8 7 6 5 4 3 2 1 0
SMP[2:0] HVSELP HVSELN CHSELP[3:0] CHSELN[3:0] CLK
Reserved
ADON
rw rw rw rw rw rw rw rw rw rw rw rw rw rw rw
Bits 31:16 Reserved, must be kept at reset value
Bits 15:13 SMP[2:0]: ADC sample time in clocks and the equivalent significant bits in the conversion
0: 32 clocks (5 bits)
1: 64 clocks (6 bits)
2: 128 clocks (7 bits)
3: 256 clocks (8 bits)
4: 512 clocks (9 bits)
5: 1024 clocks (10 bits)
6: 2048 clocks (11 bits)
7: 4096 clocks (12 bits)
Bit 12 HVSELP: Select voltage range for the P input channel
0: Low voltage range (input buffer disabled)
1: High voltage range (input buffer enabled)
Bit 11 HVSELN: Select voltage range for the N input channel
0: Low voltage range (input buffer disabled).
1: High voltage range (input buffer enabled).
Note: For the STM32W108CC and STM32W108CZ, the HVSELN register allows the
chopper to be controlled.
Bits 10:7 CHSELP[3:0]: Input selection for the P channel
0x0: PB5 pin
0x1: PB6 pin
0x2: PB7 pin
0x3: PC1 pin
0x4: PA4 pin
0x5: PA5 pin
0x8: GND (0V) (not for high voltage range)
0x9: VREF/2 (0.6V)
0xA: VREF (1.2V)
0xB: VREG/2 (0.9V) (not for high voltage range)
0x6, 0x7, 0xC-0xF: Reserved, must be kept at reset value
Bits 6:3 CHSELN[3:0]: Input selection for the N channel
Refer to CHSELP[3:0] above for choices
Bit 2 CLK: Select ADC clock:
0: 6 MHz1: 1 MHz

DocID16252 Rev 16 235/289
STM32W108HB STM32W108CB STM32W108CC STM32W108CZ Analog-to-digital converter
286
11.3.4 ADC offset register (ADC_OFFSETR)
Address offset: 0xD008
Reset value: 0x0000 0000
11.3.5 ADC gain register (ADC_GAINR)
Address offset: 0xD00C
Reset value: 0x0000 8000
Bit 1 Reserved: This bit must always be set to 0
Bit 0 ADON: A/D converter on/off
This bit is set and cleared by software. Write 1 to enable continuous conversions and write 0
to stop. When the ADC is started, the first conversion takes twice the usual number of clocks
plus 21 microseconds. If anything in this register is modified while the ADC is running, the
next conversion takes twice the usual number of clocks.
31 30 29 28 27 26 25 24 23 22 21 20 19 18 17 16
Reserved
15 14 13 12 11 10 9 8 7 6 5 4 3 2 1 0
OFFSET[15:0]
rw rw rw rw rw rw rw rw rw rw rw rw rw rw rw rw
Bits 31:16 Reserved, must be kept at reset value
Bits 15:0 OFFSET[15:0]:
16-bit signed offset added to the basic ADC conversion result before gain correction is
applied.
31 30 29 28 27 26 25 24 23 22 21 20 19 18 17 16
Reserved
15 14 13 12 11 10 9 8 7 6 5 4 3 2 1 0
GAIN[15:0]
rw rw rw rw rw rw rw rw rw rw rw rw rw rw rw rw
Bits 31:16 Reserved, must be kept at reset value
Bits 15:0 GAIN[15:0]:
Gain factor that is multiplied by the offset-corrected ADC result to produce the output value.
The gain is a 16-bit unsigned scaled integer value with a binary decimal point between bits 15
and 14. It can represent values from 0 to (almost) 2. The reset value is a gain factor of 1.

Analog-to-digital converter STM32W108HB STM32W108CB STM32W108CC STM32W108CZ
236/289 DocID16252 Rev 16
11.3.6 ADC DMA control register (ADC_DMACR)
Address offset: 0xD010
Reset value: 0x0000 0000
11.3.7 ADC DMA status register (ADC_DMASR)
Address offset: 0xD014
Reset value: 0x0000 0000
31 30 29 28 27 26 25 24 23 22 21 20 19 18 17 16
Reserved
15 14 13 12 11 10 9 8 7 6 5 4 3 2 1 0
Reserved
RST
Reserved
AUTO
WRAP LOAD
wrwrw
Bits 31:5 Reserved, must be kept at reset value
Bit 4 RST:
Write 1 to reset the ADC DMA. This bit auto-clears.
Bits 3:2 Reserved, must be kept at reset value
Bit 1 AUTOWRAP: Selects DMA mode
0: Linear mode, the DMA stops when the buffer is full.
1: Auto-wrap mode, the DMA output wraps back to the start when the buffer is full.
Bit 0 LOAD: Loads the DMA buffer
Write 1 to start DMA (writing 0 has no effect). Cleared when DMA starts or is reset.
31 30 29 28 27 26 25 24 23 22 21 20 19 18 17 16
Reserved
15 14 13 12 11 10 9 8 7 6 5 4 3 2 1 0
Reserved
OVF ACT
rr
Bits 31:2 Reserved, must be kept at reset value
Bit 1 OVF: DMA overflow
Occurs when an ADC result is ready and the DMA is not active. Cleared by DMA reset.
Bit 0 ACT: DMA status
Reads 1 if DMA is active.

DocID16252 Rev 16 237/289
STM32W108HB STM32W108CB STM32W108CC STM32W108CZ Analog-to-digital converter
286
11.3.8 ADC DMA memory start address register (ADC_DMAMSAR)
Address offset: 0xD018
Reset value: 0x2000 0000
11.3.9 ADC DMA number of data to transfer register (ADC_DMANDTR)
Address offset: 0xD01C
Reset value: 0x0000 0000
31 30 29 28 27 26 25 24 23 22 21 20 19 18 17 16
Reserved
15 14 13 12 11 10 9 8 7 6 5 4 3 2 1 0
Reserved MSA[12:0]
rw rw rw rw rw rw rw rw rw rw rw rw rw
Bits 31:13 Reserved, must be kept at reset value
Bits 12:0] MSA[12:0]: Memory start address
31 30 29 28 27 26 25 24 23 22 21 20 19 18 17 16
Reserved
15 14 13 12 11 10 9 8 7 6 5 4 3 2 1 0
Reserved NDT[12:0]
rw rw rw rw rw rw rw rw rw rw rw rw rw
Bits 31:13 Reserved, must be kept at reset value
Bits 12:0 NDT[12:0]: Number of data to transfer
This is the number of 16-bit ADC conversion results the buffer can hold, not its length in
bytes. (The length in bytes is twice this value).

Analog-to-digital converter STM32W108HB STM32W108CB STM32W108CC STM32W108CZ
238/289 DocID16252 Rev 16
11.3.10 ADC DMA memory next address register (ADC_DMAMNAR)
Address offset: 0xD020
Reset value: 0x2000 0000
11.3.11 ADC DMA count number of data transferred register
(ADC_DMACNDTR)
Address offset: 0xD024
Reset value: 0x0000 0000
31 30 29 28 27 26 25 24 23 22 21 20 19 18 17 16
Reserved
15 14 13 12 11 10 9 8 7 6 5 4 3 2 1 0
Reserved MNA[12:0] Reserved
rrrrrrrr rrrrr
Bits 31:14 Reserved, must be kept at reset value
Bits 13:1 MNA[12:0]: Memory next address
The location that is written next by the DMA
Bit 0 Reserved, must be kept at reset value
31 30 29 28 27 26 25 24 23 22 21 20 19 18 17 16
Reserved
15 14 13 12 11 10 9 8 7 6 5 4 3 2 1 0
Reserved CNDT[12:0]
rrr r r r r r rr r r r
Bits 31:13 Reserved, must be kept at reset value
Bits 12:0 CNDT[12:0]:
Count the number of DMA transferred data: the number of 16-bit conversion results that have
been written to the buffer.

DocID16252 Rev 16 239/289
STM32W108HB STM32W108CB STM32W108CC STM32W108CZ Analog-to-digital converter
286
11.3.12 Analog-to-digital converter (ADC) register map
Table 42 gives the ADC register map and reset values.
Table 42. ADC register map and reset values
Offset Register
31
30
29
28
27
26
25
24
23
22
21
20
19
18
17
16
15
14
13
12
11
10
9
8
7
6
5
4
3
2
1
0
0xA810 ADC_ISR
Res.
Res.
Res.
Res.
Res.
Res.
Res.
Res.
Res.
Res.
Res.
Res.
Res.
Res.
Res.
Res.
Res.
Res.
Res.
Res.
Res.
Res.
Res.
Res.
Res.
Res.
Res.
DMAOVF
SAT
DMABF
DMABHF
Res.
Reset value 0000
0xA814-
0xA84C
Res.
Res.
Res.
Res.
Res.
Res.
Res.
Res.
Res.
Res.
Res.
Res.
Res.
Res.
Res.
Res.
Res.
Res.
Res.
Res.
Res.
Res.
Res.
Res.
Res.
Res.
Res.
Res.
Res.
Res.
Res.
Res.
Res.
0xA850 ADC_IER
Res.
Res.
Res.
Res.
Res.
Res.
Res.
Res.
Res.
Res.
Res.
Res.
Res.
Res.
Res.
Res.
Res.
Res.
Res.
Res.
Res.
Res.
Res.
Res.
Res.
Res.
Res.
DMAOVFIE
SATIE
DMABFIE
DMABHFIE
Res.
Reset value 0000
0xA854-
0xD000
Res.
Res.
Res.
Res.
Res.
Res.
Res.
Res.
Res.
Res.
Res.
Res.
Res.
Res.
Res.
Res.
Res.
Res.
Res.
Res.
Res.
Res.
Res.
Res.
Res.
Res.
Res.
Res.
Res.
Res.
Res.
Res.
Res.
0xD004 ADC_CR
Res.
Res.
Res.
Res.
Res.
Res.
Res.
Res.
Res.
Res.
Res.
Res.
Res.
Res.
Res.
Res.
SMP[2:0]
HVSELP
HVSELN
CHSELP[3:0] CHSELN[3:0]
CLK
Res.
ADON
Reset value 00011000000000 0
0xD008 ADC_OFFSETR
Res.
Res.
Res.
Res.
Res.
Res.
Res.
Res.
Res.
Res.
Res.
Res.
Res.
Res.
Res.
Res.
OFFSET[15:0]
Reset value 0000000000000000
0xD00C ADC_GAINR
Res.
Res.
Res.
Res.
Res.
Res.
Res.
Res.
Res.
Res.
Res.
Res.
Res.
Res.
Res.
Res.
GAIN[15:0]
Reset value 0000000000000000
0xD010 ADC_DMACR
Res.
Res.
Res.
Res.
Res.
Res.
Res.
Res.
Res.
Res.
Res.
Res.
Res.
Res.
Res.
Res.
Res.
Res.
Res.
Res.
Res.
Res.
Res.
Res.
Res.
Res.
Res.
RST
Res.
Res.
AUTOWRAP
LOAD
Reset value 000
0xD014 ADC_DMASR
Res.
Res.
Res.
Res.
Res.
Res.
Res.
Res.
Res.
Res.
Res.
Res.
Res.
Res.
Res.
Res.
Res.
Res.
Res.
Res.
Res.
Res.
Res.
Res.
Res.
Res.
Res.
Res.
Res.
Res.
OVF
ACT
Reset value 00
0xD018 ADC_DMAMSAR
Res.
Res.
Res.
Res.
Res.
Res.
Res.
Res.
Res.
Res.
Res.
Res.
Res.
Res.
Res.
Res.
Res.
Res.
Res.
MSA[12:0]
Reset value 0000000000000
0xD01C ADC_DMANDTR
Res.
Res.
Res.
Res.
Res.
Res.
Res.
Res.
Res.
Res.
Res.
Res.
Res.
Res.
Res.
Res.
Res.
Res.
Res.
NDT[12:0]
Reset value 0000000000000
0xD020 ADC_DMAMNAR
Res.
Res.
Res.
Res.
Res.
Res.
Res.
Res.
Res.
Res.
Res.
Res.
Res.
Res.
Res.
Res.
Res.
Res.
MNA[12:0]
Res.
Reset value 000000000000
0xD024 ADC_DMACNDTR
Res.
Res.
Res.
Res.
Res.
Res.
Res.
Res.
Res.
Res.
Res.
Res.
Res.
Res.
Res.
Res.
Res.
Res.
Res.
CNDT[12:0]
Reset value 0000000000000

Analog-to-digital converter STM32W108HB STM32W108CB STM32W108CC STM32W108CZ
240/289 DocID16252 Rev 16
Refer to Figure 4: STM32W108xB memory mapping, Figure 5: STM32W108CC and
STM32W108CZ memory mapping, and Table 3: STM32W108xx peripheral register
boundary addresses for the register boundary addresses of the peripherals available in all
STM32W108xx devices.

DocID16252 Rev 16 241/289
STM32W108HB STM32W108CB STM32W108CC STM32W108CZ Interrupts
286
12 Interrupts
The interrupt system of the STM32W108 is composed of two parts:
•A standard ARM® Cortex®-M3 Nested Vectored Interrupt Controller (NVIC) that
provides top level interrupts
•An Event Manager (EM) that provides second level interrupts.
The NVIC and EM provide a simple hierarchy. All second level interrupts from the EM feed
into top level interrupts in the NVIC. This two level hierarchy allows for both fine granular
control of interrupt sources and coarse granular control over all peripherals, while allowing
the peripherals to have their own interrupt vector.
In practice, top level peripheral interrupts are only used to enable or disable interrupts for an
entire peripheral. Second level interrupts originate from hardware sources, and therefore
are the main focus of applications using interrupts.
12.1 Nested vectored interrupt controller (NVIC)
The ARM® Cortex®-M3 Nested Vectored Interrupt Controller (NVIC) facilitates low-latency
exception and interrupt handling. The NVIC and the processor core interface are closely
coupled, which enables low-latency interrupt processing and efficient processing of late
arriving interrupts. The NVIC also maintains knowledge of the stacked (nested) interrupts to
enable tail-chaining of interrupts.
The ARM® Cortex®-M3 NVIC contains 10 standard interrupts that are related to chip and
CPU operation and management. In addition to the 10 standard interrupts, it contains 17
individually vectored peripheral interrupts specific to the STM32W108xx.
The NVIC defines a list of exceptions (see Table 43). These exceptions include not only
traditional peripheral interrupts, but also more specialized events such as faults and CPU
reset. In the ARM® Cortex®-M3 NVIC, a CPU reset event is considered an exception of the
highest priority, and the stack pointer is loaded from the first position in the NVIC exception
table. The NVIC exception table defines all exceptions and their position, including
peripheral interrupts. The position of each exception is important since it directly translates
to the location of a 32-bit interrupt vector for each interrupt, and defines the hardware
priority of exceptions. Each exception in the table is a 32-bit address that is loaded into the
program counter when that exception occurs. Exceptions 0 (stack pointer) through 15
(SysTick) are part of the standard ARM® Cortex®-M3 NVIC, while exceptions 16 (Timer 1)
through 32 (Debug) are the peripheral interrupts specific to the STM32W108xxperipherals.
Table 43. NVIC exception table
Exception Position Description
- 0 Stack top is loaded from first entry of vector table on reset.
Reset 1 Invoked on power up and warm reset. On first instruction, drops to
lowest priority (Thread mode). Asynchronous.
NMI 2 Cannot be stopped or preempted by any exception but reset.
Asynchronous.
Hard Fault 3 All classes of fault, when the fault cannot activate because of priority
or the Configurable Fault handler has been disabled. Synchronous.

Interrupts STM32W108HB STM32W108CB STM32W108CC STM32W108CZ
242/289 DocID16252 Rev 16
Memory Fault 4 MPU mismatch, including access violation and no match.
Synchronous.
Bus Fault 5 Pre-fetch, memory access, and other address/memory-related faults.
Synchronous when precise and asynchronous when imprecise.
Usage Fault 6 Usage fault, such as 'undefined instruction executed' or 'illegal state
transition attempt'. Synchronous.
- 7-10 Reserved, must be kept at reset value
SVCall 11 System service call with SVC instruction. Synchronous.
Debug Monitor 12
Debug monitor, when not halting. Synchronous, but only active when
enabled. It does not activate if lower priority than the current
activation.
- 13 Reserved, must be kept at reset value
PendSV 14 Pendable request for system service. Asynchronous and only pended
by software.
SysTick 15 System tick timer has fired. Asynchronous.
Timer 1 16 Timer 1 peripheral interrupt.
Timer 2 17 Timer 2 peripheral interrupt.
Management 18 Management peripheral interrupt.
Baseband 19 Baseband peripheral interrupt.
Sleep Timer 20 Sleep Timer peripheral interrupt.
Serial Controller 1 21 Serial Controller 1 peripheral interrupt.
Serial Controller 2 22 Serial Controller 2 peripheral interrupt.
Security 23 Security peripheral interrupt.
MAC Timer 24 MAC Timer peripheral interrupt.
MAC Transmit 25 MAC Transmit peripheral interrupt.
MAC Receive 26 MAC Receive peripheral interrupt.
ADC 27 ADC peripheral interrupt.
IRQA 28 IRQA peripheral interrupt.
IRQB 29 IRQB peripheral interrupt.
IRQC 30 IRQC peripheral interrupt.
IRQD 31 IRQD peripheral interrupt.
Debug 32 Debug peripheral interrupt.
Table 43. NVIC exception table (continued)
Exception Position Description

DocID16252 Rev 16 243/289
STM32W108HB STM32W108CB STM32W108CC STM32W108CZ Interrupts
286
The NVIC also contains a software-configurable interrupt prioritization mechanism. The
Reset, NMI, and Hard Fault exceptions, in that order, are always the highest priority, and are
not software-configurable. All other exceptions can be assigned a 5-bit priority number, with
low values representing higher priority. If any exceptions have the same software-
configurable priority, then the NVIC uses the hardware-defined priority. The hardware-
defined priority number is the same as the position of the exception in the exception table.
For example, if IRQA and IRQB both fire at the same time and have the same software-
defined priority, the NVIC handles IRQA, with priority number 28, first because it has a
higher hardware priority than IRQB with priority number 29.
For further information on the NVIC and Cortex-M3 exceptions, refer to the ARM® Cortex®-
M3 Technical Reference Manual and the ARM ARMv7-M Architecture Reference Manual.
12.2 Management interrupt registers
12.2.1 Management interrupt source register (MGMT_ISR)
Address offset: 0x4000 A018
Reset value: 0x0000 0000
31 30 29 28 27 26 25 24 23 22 21 20 19 18 17 16
Reserved
15 14 13 12 11 10 9 8 7 6 5 4 3 2 1 0
Reserved
HSE
COMPH
LIF
HSE
COMPL
LIF
rw rw
Bits 31:2 Reserved, must be kept at reset value
Bit 1 HSECOMPHLIF: OSC24M_HI interrupt
Bit 0 HSECOMPLLIF: OSC24M_LO interrupt

Interrupts STM32W108HB STM32W108CB STM32W108CC STM32W108CZ
244/289 DocID16252 Rev 16
12.2.2 Management interrupt mask register (MGMT_IER)
Address offset: 0x4000 A058
Reset value: 0x0000 0000
12.2.3 Management interrupt (MGMT) register map
Table 44 gives the ADC register map and reset values.
Refer to Figure 4: STM32W108xB memory mapping and Figure 5: STM32W108CC and
STM32W108CZ memory mapping for the register boundary addresses.
31 30 29 28 27 26 25 24 23 22 21 20 19 18 17 16
Reserved
15 14 13 12 11 10 9 8 7 6 5 4 3 2 1 0
Reserved
HSE
COMPH
LIE
HSE
COMPL
LIE
rw rw
Bits 31:2 Reserved, must be kept at reset value
Bit 1 HSECOMPHLIE: OSC24M_HI mask
Bit 0 HSECOMPLLIE: OSC24M_LO mask
Table 44. MGMT register map and reset values
Offset Register
31
30
29
28
27
26
25
24
23
22
21
20
19
18
17
16
15
14
13
12
11
10
9
8
7
6
5
4
3
2
1
0
0xA018 MGMT_ISR
Res.
Res.
Res.
Res.
Res.
Res.
Res.
Res.
Res.
Res.
Res.
Res.
Res.
Res.
Res.
Res.
Res.
Res.
Res.
Res.
Res.
Res.
Res.
Res.
Res.
Res.
Res.
Res.
Res.
Res.
HSECOMPHLIF
HSECOMPLLIF
Reset value 00
0xA01C-
0xA054
Res.
Res.
Res.
Res.
Res.
Res.
Res.
Res.
Res.
Res.
Res.
Res.
Res.
Res.
Res.
Res.
Res.
Res.
Res.
Res.
Res.
Res.
Res.
Res.
Res.
Res.
Res.
Res.
Res.
Res.
Res.
Res.
Res.
0xA058 MGMT_IER
Res.
Res.
Res.
Res.
Res.
Res.
Res.
Res.
Res.
Res.
Res.
Res.
Res.
Res.
Res.
Res.
Res.
Res.
Res.
Res.
Res.
Res.
Res.
Res.
Res.
Res.
Res.
Res.
Res.
Res.
HSECOMPHLIE
HSECOMPLLIE
Reset value 00

DocID16252 Rev 16 245/289
STM32W108HB STM32W108CB STM32W108CC STM32W108CZ Debug support
286
13 Debug support
The STM32W108xx includes a standard Serial Wire and JTAG (SWJ) Interface. The SWJ is
the primary debug and programming interface of the STM32W108xx. The SWJ gives debug
tools access to the internal buses of the STM32W108xx, and allows for non-intrusive
memory and register access as well as CPU halt-step style debugging. Therefore, any
design implementing the STM32W108xx should make the SWJ signals readily available.
Serial Wire is an ARM® standard, bi-directional, two-wire protocol designed to replace
JTAG, and provides all the normal JTAG debug and test functionality. JTAG is a standard
five-wire protocol providing debug and test functionality. In addition, the two Serial Wire
signals (SWDIO and SWCLK) are overlaid on two of the JTAG signals (JTMS and JTCK).
This keeps the design compact and allows debug tools to switch between Serial Wire and
JTAG as needed, without changing pin connections.
While Serial Wire and JTAG offer the same debug and test functionality, ST recommends
Serial Wire. Serial Wire uses only two pins instead of five, and offers a simple
communication protocol, high performance data rates, low power, built-in error detection,
and protection from glitches.
The ARM® CoreSight Debug Access Port (DAP) comprises the Serial Wire and JTAG
Interface (SWJ).The DAP includes two primary components: a debug port (the SWJ-DP)
and an access port (the AHB-AP). The SWJ-DP provides external debug access, while the
AHB-AP provides internal bus access. An external debug tool connected to the
STM32W108xx's debug pins communicates with the SWJ-DP. The SWJ-DP then
communicates with the AHB-AP. Finally, the AHB-AP communicates on the internal bus.
Figure 52. SWJ block diagram
Serial Wire and JTAG share five pins:
•JRST
•JTDO
•JTDI
•SWDIO/JTMS
•SWCLK/JTCK
Since these pins can be repurposed, refer to Section 3: Pinout and pin description on
page 19 and Section 8: General-purpose input/output on page 92 for complete pin
descriptions and configurations.
069
6:-'$3
6:-'3
6:
LQWHUIDFH
-7$*
LQWHUIDFH
&RQWURODQG
$3LQWHUIDFH
6:-'3
VHOHFW $+%$3 $+%
SLQV

Debug support STM32W108HB STM32W108CB STM32W108CC STM32W108CZ
246/289 DocID16252 Rev 16
13.1 STM32W108 JTAG TAP connection
The STM32W108 MCU integrates two serially-connected JTAG TAPs in the following order;
the TMC TAP dedicated for Test (IR is 4-bit wide) and the Cortex™-M3 TAP (IR is 4-bit
wide).
To access the TAP of the Cortex-M3 for debug purposes:
1. First, it is necessary to shift the BYPASS instruction of the TMC TAP.
2. Then, for each IR shift, the scan chain contains 8 bits (= 4 + 4) and the unused TAP
instruction must be shifted in using the BYPASS instruction.
3. For each data shift, the unused TAP, which is in BYPASS mode, adds 1 extra data bit in
the data scan chain.
Note: Important: Once Serial-Wire is selected using the dedicated ARM JTAG sequence, the
TMC TAP is automatically disabled (JTMS forced high).

DocID16252 Rev 16 247/289
STM32W108HB STM32W108CB STM32W108CC STM32W108CZ Electrical characteristics
286
14 Electrical characteristics
14.1 Parameter conditions
Unless otherwise specified, all voltages are referenced to VSS.
14.1.1 Minimum and maximum values
Unless otherwise specified the minimum and maximum values are guaranteed in the worst
conditions of ambient temperature, supply voltage and frequencies by tests in production on
100% of the devices with an ambient temperature at TA = 25 °C and TA = TAmax (given by
the selected temperature range).
Data based on characterization results, design simulation and/or technology characteristics
are indicated in the table footnotes and are not tested in production. Based on
characterization, the minimum and maximum values refer to sample tests and represent the
mean value plus or minus three times the standard deviation (mean±3Σ).
14.1.2 Typical values
Unless otherwise specified, typical data are based on TA = 25 °C, VDD = 3.3 V (for the
2 V ≤ VDD ≤ 3.6 V voltage range). They are given only as design guidelines and are not
tested.
Typical ADC accuracy values are determined by characterization of a batch of samples from
a standard diffusion lot over the full temperature range, where 95% of the devices have an
error less than or equal to the value indicated (mean±2Σ).
14.1.3 Typical curves
Unless otherwise specified, all typical curves are given only as design guidelines and are
not tested.
14.1.4 Loading capacitor
The loading conditions used for pin parameter measurement are shown in Figure 53.
14.1.5 Pin input voltage
The input voltage measurement on a pin of the device is described in Figure 54.
Figure 53. Pin loading conditions Figure 54. Pin input voltage
STM32W
C = 50 pF
STM32W
VIN

Electrical characteristics STM32W108HB STM32W108CB STM32W108CC STM32W108CZ
248/289 DocID16252 Rev 16
14.2 Absolute maximum ratings
Stresses above the absolute maximum ratings listed in Table 45: Voltage characteristics,
Table 46: Current characteristics, and Table 47: Thermal characteristics may cause
permanent damage to the device. These are stress ratings only and functional operation of
the device at these conditions is not implied. Exposure to maximum rating conditions for
extended periods may affect device reliability.
Table 45. Voltage characteristics
Ratings Min. Max. Unit
Regulator input voltage (VDD_PADS) -0.3 +3.6 V
Analog, Memory and Core voltage (VDD_24MHZ, VDD_VCO,
VDD_RF, VDD_IF, VDD_PADSA, VDD_MEM, VDD_PRE,
VDD_SYNTH, VDD_CORE)
-0.3 +2.0 V
Voltage on RF_P,N; RF_TX_ALT_P,N -0.3 +3.6 V
RF Input Power (for max level for correct packet reception see
Table 67: Receive characteristics)
RX signal into a lossless balun
– +15 dBm
Voltage on any GPIO (PA[7:0], PB[7:0], PC[7:0]), SWCLK,
NRST, VREG_OUT -0.3 VDD_PADS +0.3 V
Voltage on BIAS_R, OSC_OUT, OSC_IN -0.3 VDD_PADSA +0.3 V
Table 46. Current characteristics
Symbol Ratings Max. Unit
IVDD Total current into VDD/VDDA power lines (source) 150
mA
IVSS Total current out of VSS ground lines (sink) 150
IIO
Output current sunk by any I/O and control pin 25
Output current source by any I/Os and control pin − 25
IINJ(PIN)
Injected current on NRST pin ± 5
Injected current on HSE OSC_IN and LSE OSC_IN pins ± 5
Injected current on any other pin ± 5
ΣIINJ(PIN) Total injected current (sum of all I/O and control pins) ± 25
Table 47. Thermal characteristics
Symbol Ratings Value Unit
TSTG Storage temperature range –40 to +140 °C
TJMaximum junction temperature 150 °C

DocID16252 Rev 16 249/289
STM32W108HB STM32W108CB STM32W108CC STM32W108CZ Electrical characteristics
286
14.3 Operating conditions
14.3.1 General operating conditions
14.3.2 Operating conditions at power-up
Power-on resets (POR HV and POR LV)
The STM32W108xx measures the voltage levels supplied to the three power domains. If a
supply voltage drops below a low threshold, then a reset is applied. The reset is released if
the supply voltage rises above a high threshold. There are three detection circuits for power
on reset as follows:
•POR HV monitors the always on domain supply voltage. Thresholds are given in
Table 49.
•POR LVcore monitors the core domain supply voltage. Thresholds are given in
Table 50.
•POR LVmem monitors the memory supply voltage. Thresholds are given in Table 51.
Table 48. General operating conditions
Symbol Parameter Min. Typ. Max. Unit
– Regulator input voltage (VDD_PADS) 2.1 – 3.6 V
–
Analog and memory input voltage (VDD_24MHZ,
VDD_VCO, VDD_RF, VDD_IF, VDD_PADSA,
VDD_MEM, VDD_PRE, and VDD_SYNTH)
1.7 1.8 1.9 V
– Core input voltage (VDD_CORE) 1.18 1.25 1.32 V
TOPER Operating temperature range -40 – +105 °C
Table 49. POR HV thresholds
Parameter Test conditions Min Typ Max Unit
Always-on domain release - 1.0 1.2 1.4 V
Always-on domain assert - 0.5 0.6 0.7 V
Supply rise time From 0.5 V to 1.7 V – – 250 µs
Table 50. POR LVcore thresholds
Parameter Test conditions Min Typ Max Unit
1.25 V domain release - 0.9 1.0 1.1 V
1.25 V domain assert - 0.8 0.9 1.0 V
Table 51. POR LVmem thresholds
Parameter Test conditions Min Typ Max Unit
1.8 V domain release - 1.35 1.5 1.65 V
1.8 V domain assert - 1.26 1.4 1.54 V

Electrical characteristics STM32W108HB STM32W108CB STM32W108CC STM32W108CZ
250/289 DocID16252 Rev 16
The POR LVcore and POR LVmem reset sources are merged to provide a single reset
source, POR LV, to the Reset Generation module, since the detection of either event needs
to reset the same system modules.
NRST pin
A single active low pin, NRST, is provided to reset the system. This pin has a Schmitt
triggered input.
To afford good noise immunity and resistance to switch bounce, the pin is filtered with the
Reset Filter module and generates the reset source RSTB to the Reset Generation module.
14.3.3 Absolute maximum ratings (electrical sensitivity)
Based on three different tests (ESD, LU) using specific measurement methods, the device is
stressed in order to determine its performance in terms of electrical sensitivity.
Electrostatic discharge (ESD)
Electrostatic discharges (a positive then a negative pulse separated by 1 second) are
applied to the pins of each sample according to each pin combination. The sample size
depends on the number of supply pins in the device (3 parts × (n+1) supply pins). This test
conforms to the JESD22-A114/C101 standard.
Table 52. Reset filter specification for RSTB
Parameter Min Typ Max Unit
Reset filter time constant 2.1 12.0 16.0 µs
Reset pulse width to guarantee a reset 26.0 – – µs
Reset pulse width guaranteed not to cause a reset 0 – 1.0 µs
Table 53. ESD absolute maximum ratings
Symbol Parameter Conditions Class Maximum value(1)
1. Based on characterization results, not tested in production.
Unit
VESD(HBM)
Electrostatic discharge
voltage (human body model) TA = +25 °C in
compliance with
JESD22-A114
2
±2000(2)
2. Value valid for all devices and all pins except for the RF pins of the STM32W108CC and STM32W108CZ
devices.
V
Electrostatic discharge
voltage (human body model)
for RF pins
±1100(3)
3. Value valid only for STM32W108CC and STM32W108CZ devices.
VESD(CDM)
Electrostatic discharge
voltage (charge device
model) for all pins
TA = +25 °C in
compliance with
JESD22-A114
II ±500 V
MSL Moisture sensitivity level – – MSL3 –

DocID16252 Rev 16 251/289
STM32W108HB STM32W108CB STM32W108CC STM32W108CZ Electrical characteristics
286
Static latch-up
Two complementary static tests are required on six parts to assess the latch-up
performance:
•A supply overvoltage is applied to each power supply pin
•A current injection is applied to each input, output and configurable I/O pin
These tests are compliant with EIA/JESD 78A IC latch-up standard.
Table 54. Electrical sensitivities
Symbol Parameter Conditions Class
LU Static latch-up class TA = +105 °C conforming to JESD78A II level A

Electrical characteristics STM32W108HB STM32W108CB STM32W108CC STM32W108CZ
252/289 DocID16252 Rev 16
14.4 SPI interface characteristics
Unless otherwise specified, the parameters given in Table 55 for the SPI are derived from
tests performed under ambient temperature and VDD supply voltage conditions summarized
in Table 48: General operating conditions.
Table 55. SPI characteristics
Symbol Parameter Conditions Min Max(1)
1. Based on characterization, not tested in production.
Unit
fSCK
1/tc(SCK)
SPI clock frequency
Master mode - 12
MHz
Slave mode - 5
Duty(SCK) Duty cycle of SPI clock
frequency Slave mode 30 70 %
tr(SCK)
tf(SCK)
SPI clock rise and fall
time Capacitive load: C = 15 pF - 8
ns
tsu(NSS) NSS setup time Slave mode 2tPCLK -
th(NSS) NSS hold time Slave mode 2tPCLK -
tw(SCKH)
tw(SCKL)
SCK high and low time Master mode TCSCK/
2-2
TCSCK/
2+2
tsu(MI)
tsu(SI)
Data input setup time
Master mode 1 -
Slave mode 0 -
th(MI)
th(SI)
Data input hold time
Master mode 1 -
Slave mode 0.25 -
ta(SO)(2)
2. Min time is for the minimum time to drive the output and max time is for the maximum time to validate the
data.
Data output access time Slave mode, fPCLK = 12 MHz 0 2tPCLK
tdis(SO)(3)
3. Min time is for the minimum time to invalidate the output and max time is for the maximum time to put the
data in Hi-Z.
Characterization values are related to STM32W108CC.
Data output disable time Slave mode 0 36
tv(SO) (1)
tv(MO)(1) Data output valid time
Slave mode (after enable edge) - 22
Master mode (after enable edge) - 14.25
th(SO)(1)
th(MO)(1) Data output hold time
Slave mode (after enable edge) 15.6 -
Master mode (after enable edge) 0 -

DocID16252 Rev 16 253/289
STM32W108HB STM32W108CB STM32W108CC STM32W108CZ Electrical characteristics
286
Figure 55. SPI timing diagram - slave mode and CPHA = 0
Figure 56. SPI timing diagram - slave mode and CPHA = 1(1)
1. Measurement points are done at CMOS levels: 0.3VDD and 0.7VDD.
DLF
^</ŶƉƵƚ
W,сϬ
DK^/
/EWhd
D/^K
KhdW hd
W,сϬ
D^ K hd
D^ /E
/dϲ Khd
>^ /E
>^ Khd
WK>сϬ
WK>сϭ
/ dϭ /E
E^^ŝŶƉƵƚ
ƚ^h;E^^Ϳ
ƚĐ;^<Ϳ
ƚŚ;E^^Ϳ
ƚĂ;^KͿ
ƚǁ;^<,Ϳ
ƚǁ;^<>Ϳ
ƚǀ;^KͿ ƚŚ;^KͿ ƚƌ;^<Ϳ
ƚĨ;^<Ϳ
ƚĚŝƐ;^KͿ
ƚƐƵ;^/Ϳ
ƚŚ;^/Ϳ
DL
6&.,QSXW
&3+$
026,
,1387
0,62
287 3 87
&3+$
06 % 2 87
06% ,1
%, 7 28 7
/6% ,1
/6% 287
&32/
&32/
%,7 ,1
W68166 WF6&. WK166
WD62
WZ6&.+
WZ6&./
WY62 WK62 WU6&.
WI6&.
WGLV62
WVX6, WK6,
166LQSXW

Electrical characteristics STM32W108HB STM32W108CB STM32W108CC STM32W108CZ
254/289 DocID16252 Rev 16
Figure 57. SPI timing diagram - master mode(1)
1. Measurement points are done at CMOS levels: 0.3VDD and 0.7VDD.
AI6
3#+/UTPUT
#0(!
-/3)
/54054
-)3/
).0 54
#0(!
-3 ").
- 3"/54
") 4).
,3"/54
,3").
#0/,
#0/,
" ) 4/54
.33INPUT
TC3#+
TW3#+(
TW3#+,
TR3#+
TF3#+
TH-)
(IGH
3#+/UTPUT
#0(!
#0(!
#0/,
#0/,
TSU-)
TV-/ TH-/

DocID16252 Rev 16 255/289
STM32W108HB STM32W108CB STM32W108CC STM32W108CZ Electrical characteristics
286
14.5 ADC characteristics
Table 56 describes the key ADC parameters measured at 25°C and VDD_PADS at 3.0 V,
for a sampling clock of 1 MHz. HVSELP and HVSELN are programmed to 0 to disable the
input buffer. The single-ended measurements were done at finput = 7.7% fNyquist; 0 dBFS
level (where full-scale is a 1.2 V p-p swing). The differential measurements were done at
finput = 7.7% fNyquist; -6 dBFS level (where full-scale is a 2.4 V p-p swing).
Table 56. ADC module key parameters for 1 MHz sampling(1)
1. INL and DNL are referenced to a LSB of the Equivalent ADC Bits shown in the last row of Table 56. ENOB
(effective number of bits) can be calculated from either SNR (signal to non-harmonic noise ratio) or SINAD
(signal-to-noise and distortion ratio).
Parameter Performance
SMP[2:0] 0 1 234567
Conversion Time (µs) 32 64 128 256 512 1024 2048 4096
Nyquist Freq (kHz) 15.6 7.81 3.91 1.95 0.977 0.488 0.244 0.122
3 dB Cut-off (kHz) 9.43 4.71 2.36 1.18 0.589 0.295 0.147 0.0737
INL (codes peak) 0.083 0.092 0.163 0.306 0.624 1.229 2.451 4.926
INL (codes RMS) 0.047 0.051 0.093 0.176 0.362 0.719 1.435 2.848
DNL (codes peak) 0.028 0.035 0.038 0.044 0.074 0.113 0.184 0.333
DNL (codes RMS) 0.008 0.009 0.011 0.014 0.019 0.029 0.048 0.079
ENOB (from single-cycle
test) 5.6 7.0 8.6 10.1 11.5 12.6 13.0 13.2
SNR (dB)
Single-Ended
Differential
35
35
44
44
53
53
62
62
70
71
75
77
77
79
77
80
SINAD (dB)
Single-Ended
Differential
35
35
44
44
53
53
61
62
67
70
69
75
70
76
70
76
SDFR (dB)
Single-Ended
Differential
59
60
68
69
72
77
72
80
72
81
72
81
72
81
73
81
THD (dB)
Single-Ended
Differential
-45
-45
-54
-54
-62
-63
-67
-71
-69
-75
-69
-76
-69
-76
-
69
-76
ENOB (from SNR)
Single-Ended
Differential
5.6
5.6
7.1
7.1
8.6
8.6
10.0
10.1
11.3
11.4
12.2
12.5
12.4
12.9
12.5
12.9
ENOB (from SINAD)
Single-Ended
Differential
5.5
5.6
7.0
7.0
8.5
8.5
9.9
10.0
10.9
11.3
11.2
12.1
11.3
12.3
11.3
12.4
Equivalent ADC Bits 7
[15:9]
8
[15:8]
9
[15:7]
10
[15:6]
11
[15:5]
12
[15:4]
13
[15:3]
14
[15:2]

Electrical characteristics STM32W108HB STM32W108CB STM32W108CC STM32W108CZ
256/289 DocID16252 Rev 16
Table 57 describes the key ADC parameters measured at 25°C and VDD_PADS at 3.0 V,
for a sampling rate of 6 MHz. HVSELP and HVSELN are programmed to 0 to disable the
input buffer. The single-ended measurements were done at finput = 7.7% fNyquist; 0 dBFS
level (where full-scale is a 1.2 V p-p swing). The differential measurements were done at
finput = 7.7% fNyquist; -6 dBFS level (where full-scale is a 2.4 V p-p swing) and a common
mode voltage of 0.6 V.
Table 57. ADC module key parameters for input buffer disabled
and 6 MHz sampling(1)
1. INL and DNL are referenced to a LSB of the Equivalent ADC Bits shown in the last row of Table 57. ENOB
(effective number of bits) can be calculated from either SNR (signal to non-harmonic noise ratio) or SINAD
(signal-to-noise and distortion ratio).
Parameter Performance
SMP[2:0] 0 1 2 3 4 5 6 7
Conversion Time (µs) 5.33 10.7 21.3 42.7 85.3 171 341 683
Nyquist Freq (kHz) 93.8 46.9 23.4 11.7 5.86 2.93 1.47 0.732
3 dB Cut-off (kHz) 56.6 28.3 14.1 7.07 3.54 1.77 0.884 0.442
INL (codes peak) 0.084 0.084 0.15 0.274 0.518 1.057 2.106 4.174
INL (codes RMS) 0.046 0.044 0.076 0.147 0.292 0.58 1.14 2.352
DNL (codes peak) 0.026 0.023 0.044 0.052 0.096 0.119 0.196 0.371
DNL (codes RMS) 0.007 0.009 0.013 0.015 0.024 0.03 0.05 0.082
ENOB (from single-cycle test) 5.6 7.0 8.5 10.0 11.4 12.6 13.1 13.2
SNR (dB)
Single-Ended
Differential
35
35
44
44
53
53
62
62
70
71
75
77
76
79
77
80
SINAD (dB)
Single-Ended
Differential
35
35
44
44
53
53
62
62
68
70
71
75
71
77
71
77
SDFR (dB)
Single-Ended
Differential
60
60
68
69
75
77
75
80
75
80
75
80
75
80
75
80
THD (dB)
Single-Ended
Differential
-45
-45
-54
-54
-63
-63
-68
-71
-70
-76
-70
-77
-70
-78
-70
-78
ENOB (from SNR)
Single-Ended
Differential
5.6
5.6
7.1
7.1
8.6
8.6
10.0
10.1
11.4
11.5
12.1
12.5
12.4
12.9
12.5
13.0
ENOB (from SINAD)
Single-Ended
Differential
5.5
5.6
7.0
7.1
8.5
8.6
9.9
10.1
11.0
11.4
11.4
12.4
11.5
12.8
11.5
13.0
Equivalent ADC Bits 5
[15:11]
6
[15:10]
7
[15:9]
8
[15:8]
9
[15:7]
10
[15:6]
11
[15:5]
12
[15:4]

DocID16252 Rev 16 257/289
STM32W108HB STM32W108CB STM32W108CC STM32W108CZ Electrical characteristics
286
Table 58 describes the key ADC parameters measured at 25°C and VDD_PADS at 3.0 V,
for a sampling rate of 6 MHz. HVSELP and HVSELN are programmed to 1 to enable the
input buffer. The single-ended measurements were done at finput = 7.7% fNyquist, level =
1.2 V p-p swing centered on 1.5 V. The differential measurements were done at
finput = 7.7% fNyquist, level = 1.2 V p-p swing and a common mode voltage of 1.5 V.
Table 58. ADC module key parameters for input buffer enabled
and 6MHz sampling(1)
1. INL and DNL are referenced to a LSB of the Equivalent ADC Bits shown in the last row of Table 58. ENOB
(effective number of bits) can be calculated from either SNR (signal to non-harmonic noise ratio) or SINAD
(signal-to-noise and distortion ratio).
Parameter Performance
SMP[2:0] 0 1 2 3 4 5 6 7
Conversion Time (µs) 32 64 128 256 512 1024 2048 4096
Nyquist Freq (kHz) 93.8 46.9 23.4 11.7 5.86 2.93 1.47 0.732
3 dB Cut-off (kHz) 56.6 28.3 14.1 7.07 3.54 1.77k 0.884 0.442
INL (codes peak) 0.055 0.032 0.038 0.07 0.123 0.261 0.522 1.028
INL (codes RMS) 0.028 0.017 0.02 0.04 0.077 0.167 0.326 0.65
DNL (codes peak) 0.028 0.017 0.02 0.04 0.077 0.167 0.326 0.65
DNL (codes RMS) 0.01 0.006 0.006 0.007 0.008 0.013 0.023 0.038
ENOB (from single-
cycle test) 3.6 5.0 6.6 8.1 9.5 10.7 11.3 11.6
SNR (dB)
Single-Ended
Differential
23
23
32
32
41
41
50
50
59
59
65
66
67
69
68
71
SINAD (dB)
Single-Ended
Differential
23
23
32
32
41
41
50
50
58
59
64
66
66
69
66
71
SDFR (dB)
Single-Ended
Differential
48
48
56
57
65
65
72
74
72
82
72
88
73
88
73
88
THD (dB)
Single-Ended
Differential
-33
-33
-42
-42
-51
-51
-59
-60
-66
-69
-68
-76
-68
-80
-68
-82
ENOB (from SNR)
Single-Ended
Differential
3.6
3.6
5.1
5.1
6.6
6.6
8.1
8.1
9.5
9.5
10.5
10.7
10.9
11.3
11
11.5
ENOB (from SINAD)
Single-Ended
Differential
3.6
3.6
5.0
5.1
6.5
6.6
8.0
8.0
9.4
9.5
10.3
10.6
10.7
11.3
10.7
11.4
Equivalent ADC Bits 7
[15:9]
8
[15:8]
9
[15:7]
10
[15:6]
11
[15:5]
12
[15:4]
13
[15:3]
14
[15:2]

Electrical characteristics STM32W108HB STM32W108CB STM32W108CC STM32W108CZ
258/289 DocID16252 Rev 16
Table 59 lists other specifications for the ADC not covered in Table 56, Table 57, and
Table 58.
Note: The signal-ended ADC measurements are limited in their range and only guaranteed for
accuracy within the limits shown in this table. The ADC internal design allows for
measurements outside of this range (±200 mV) when the input buffer is disabled, but the
accuracy of such measurements is not guaranteed. The maximum input voltage is of more
interest to the differential sampling where a differential measurement might be small, but a
common mode can push the actual input voltage on one of the signals towards the upper
voltage limit.
Table 59. ADC characteristics
Parameter Min. Typ. Max. Units
VREF 1.17 1.2 1.35 V
VREF output current – – 1 mA
VREF load capacitance – – 10 nF
External VREF voltage range 1.1 1.2 1.3 V
External VREF input impedance 1 – – MΩ
Minimum input voltage
Input buffer disabled
Input buffer enabled
0
0.1
–
–
–
–
V
Maximum input voltage
Input buffer disabled
Input buffer enabled
–
–
–
–
VREF
VDD_PADS - 0.1
V
Single-ended signal range
Input buffer disabled
Input buffer enabled
0
0.1
–
–
VREF
VDD_PADS – 0.1
V
Differential signal range
Input buffer disabled
Input buffer enabled
-VREF
-VDD_PADS + 0.1
–
–
+VREF
+VDD_PADS - 0.1
V
Common mode range
Input buffer disabled
Input buffer enabled
-
0
-
VDD_PADS/2
-
VREF
V
Input referred ADC offset -10 – 10 mV
Input Impedance
1 MHz sample clock
6 MHz sample clock
Not sampling
1
0.5
10
–
–
–
–
–
–
MΩ

DocID16252 Rev 16 259/289
STM32W108HB STM32W108CB STM32W108CC STM32W108CZ Electrical characteristics
286
14.6 Clock frequencies
14.6.1 High frequency internal clock characteristics
14.6.2 High frequency external clock characteristics
Table 60. High-frequency RC oscillator characteristics
Parameter Test conditions Min. Typ. Max. Unit
Frequency at reset - 6 12 20 MHz
Frequency Steps - - 0.5 - MHz
Duty cycle - 40 - 60 %
Supply dependence Change in supply = 0.1 V - - - -
Test at supply changes: 1.8 V to 1.7 V - - 5 - %
Table 61. High-frequency crystal oscillator characteristics
Parameter Test conditions Min. Typ. Max. Unit
Frequency – – 24 – MHz
Accuracy – -40 – +40 ppm
Duty cycle – 40 – 60 %
Phase noise (at 100 kHz offset) – – – -120 dBc/Hz
Start-up time at max bias – – – 1 ms
Start up time at optimal bias – – – 2 ms
Current consumption – – 200 300 µA
Current consumption at max bias – – – 1 mA
Crystal with high ESR – – – 100 Ω
– Load capacitance – – – 10 pF
– Crystal capacitance – – – 7 pF
– Crystal power dissipation – – – 200 µW
Crystal with low ESR – – – 60 Ω
– Load capacitance – – – 18 pF
– Crystal capacitance – – – 7 pF
– Crystal power dissipation – – – 1 mW

Electrical characteristics STM32W108HB STM32W108CB STM32W108CC STM32W108CZ
260/289 DocID16252 Rev 16
14.6.3 Low frequency internal clock characteristics
14.6.4 Low frequency external clock characteristics
Table 62. Low-frequency RC oscillator characteristics
Parameter Test conditions Min. Typ. Max. Unit
Nominal Frequency After trimming 9 10 11 kHz
Analog trim step size – – 1 – kHz
Supply dependence
For a voltage drop from 3.6 V
to 3.1 V or 2.6 V to 2.1 V
(without re-calibration)
––1%
Frequency dependence
Frequency variation with
temperature for a change
from -40 oC to +85oC
(without re-calibration)
–2–%
Table 63. Low-frequency crystal oscillator characteristics
Parameter Test conditions Min. Typ. Max. Unit
Frequency – – 32.768 – kHz
Accuracy Initial, temperature, and
ageing -100 – +100 ppm
Load cap xin – – 27 – pF
Load cap xout – – 18 – pF
Crystal ESR – – – 100 kΩ
Start-up time – – – 2 s
Current consumption At 25°C, VDD_PADS = 3.0 V – – 0.5 µA

DocID16252 Rev 16 261/289
STM32W108HB STM32W108CB STM32W108CC STM32W108CZ Electrical characteristics
286
14.7 DC electrical characteristics
Table 64. DC electrical characteristics
Parameter Conditions Min. Typ. Max. Unit
Regulator input voltage
(VDD_PADS) - 2.1–3.6V
Power supply range (VDD_MEM) Regulator output or external
input 1.7 1.8 1.9 V
Power supply range
(VDD_CORE) Regulator output 1.18 1.25 1.32 V
Deep sleep current(1)
Quiescent current, internal RC
oscillator disabled
-40°C, VDD_PADS = 3.6 V – 0.4 – µA
+25°C, VDD_PADS = 3.6 V – 0.4 – µA
+85°C, VDD_PADS = 3.6 V – 1.2 – µA
+105°C, VDD_PADS = 3.6 V – 2.5 – µA
Quiescent current, including
internal RC oscillator
-40°C, VDD_PADS = 3.6 V – 0.7 – µA
+25°C, VDD_PADS = 3.6 V – 0.7 1.0 µA
+85°C, VDD_PADS = 3.6 V – 1.5 – µA
+105°C, VDD_PADS = 3.6 V – 2.9 5.5 µA
Quiescent current, including
32.768 kHz oscillator
-40°C, VDD_PADS = 3.6 V – 0.8 – µA
+25°C, VDD_PADS = 3.6 V – 1.0 – µA
+85°C, VDD_PADS = 3.6 V – 2.1 – µA
+105°C, VDD_PADS = 3.6 V – 3.5 – µA
Quiescent current, including
internal RC oscillator and 32.768
kHz oscillator
-40°C, VDD_PADS = 3.6 V – 1.1 – µA
+25°C, VDD_PADS = 3.6 V – 1.3 – µA
+85°C, VDD_PADS = 3.6 V – 2.5 – µA
+105°C, VDD_PADS = 3.6 V – 3.9 – µA
Simulated deep sleep (debug
mode) current With no debugger activity – 300 – µA
Reset current
Quiescent current, NRST
asserted
Typ at 25°C/3 V
Max at 85°C/3.6 V –1.22.0mA
Processor and peripheral currents
ARM® Cortex®-M3, RAM, and
Flash memory
25 °C, 1.8 V memory and
1.25 V core
ARM® Cortex®-M3 running at
12 MHz from crystal oscillator
Radio and all peripherals off
–6.0–mA

Electrical characteristics STM32W108HB STM32W108CB STM32W108CC STM32W108CZ
262/289 DocID16252 Rev 16
ARM® Cortex®-M3, RAM, and
Flash memory
25 °C, 1.8 V memory and
1.25 V core
ARM® Cortex®-M3 running at
24 MHz from crystal oscillator
Radio and all peripherals off
–7.5–mA
ARM® Cortex®-M3, RAM, and
Flash memory sleep current
25 °C, 1.8 V memory and
1.25 V core
ARM® Cortex®-M3 clocked at
12 MHz from the crystal
oscillator
Radio and all peripherals off
–3.0–mA
ARM® Cortex®-M3, RAM, and
Flash memory sleep current
25 °C, 1.8 V memory and
1.25 V core
ARM® Cortex®-M3 clocked at
6 MHz from the high frequency
RC oscillator
Radio and all peripherals off
–2.0–mA
Serial controller current For each controller at
maximum data rate –0.2–mA
General purpose timer current For each timer at maximum
clock rate –0.25–mA
General purpose ADC current At maximum sample rate, DMA
enabled –1.1–mA
Rx current
Radio receiver, MAC, and
baseband ARM® Cortex®-M3 sleeping – 22.0 – mA
Total RX current ( = IRadio receiver,
MAC and baseband, CPU + IRAM, and
Flash memory )
VDD_PADS = 3.0 V, 25 °C,
ARM® Cortex®-M3 running at
12 MHz
–25.0–mA
VDD_PADS = 3.0 V, 25 °C,
ARM® Cortex®-M3 running at
24 MHz
–26.5–mA
Boost mode total RX current ( =
IRadio receiver, MAC and baseband,
CPU+ IRAM, and Flash memory )
VDD_PADS = 3.0 V, 25 °C,
ARM® Cortex®-M3 running at
12 MHz
–27.0–mA
VDD_PADS = 3.0 V, 2 5°C,
ARM® Cortex®-M3 running at
24 MHz
–28.5–mA
Tx current
Radio transmitter, MAC, and
baseband
25 °C and 1.8 V core; max.
power out (+3 dBm typical)
ARM® Cortex®-M3 sleeping
–26.0–mA
Table 64. DC electrical characteristics (continued)
Parameter Conditions Min. Typ. Max. Unit

DocID16252 Rev 16 263/289
STM32W108HB STM32W108CB STM32W108CC STM32W108CZ Electrical characteristics
286
Total Tx current ( = IRadio transmitter,
MAC and baseband, CPU + IRAM, and
Flash memory )
VDD_PADS = 3.0 V, 25 °C;
maximum power setting
(+7 dBm); ARM® Cortex®-M3
running at 12 MHz
–42.0–mA
VDD_PADS = 3.0 V, 25 °C;
+3 dBm power setting; ARM®
Cortex®-M3 running at 12 MHz
–29.5–mA
VDD_PADS = 3.0 V, 25 °C;
0dBm power setting; ARM®
Cortex®-M3 running at 12 MHz
–27.0–mA
VDD_PADS = 3.0 V, 25 °C;
minimum power setting; ARM®
Cortex-M3 running at 12 MHz
–21.0–mA
VDD_PADS = 3.0 V, 25 °C;
maximum power setting
(+7 dBm); ARM® Cortex®-M3
running at 24 MHz
–43.5–mA
VDD_PADS = 3.0 V, 25 °C;
+3 dBm power setting; ARM®
Cortex®-M3 running at 24 MHz
–31.0–mA
VDD_PADS = 3.0 V, 25 °C;
0dBm power setting; ARM®
Cortex®-M3 running at 24 MHz
–28.5–mA
VDD_PADS = 3.0 V, 25 °C;
minimum power setting; ARM®
Cortex®-M3 running at 24 MHz
–22.5–mA
1. 105°C values are valid only for STM32W108CC and STM32W108CZ products.
Table 64. DC electrical characteristics (continued)
Parameter Conditions Min. Typ. Max. Unit

Electrical characteristics STM32W108HB STM32W108CB STM32W108CC STM32W108CZ
264/289 DocID16252 Rev 16
Figure 58 shows the variation of current in Transmit mode (with the ARM® Cortex®-M3
running at 12 MHz).
Figure 58. Transmit power consumption

DocID16252 Rev 16 265/289
STM32W108HB STM32W108CB STM32W108CC STM32W108CZ Electrical characteristics
286
Figure 59 shows typical output power against power setting on the ST reference design.
Figure 59. Transmit output power

Electrical characteristics STM32W108HB STM32W108CB STM32W108CC STM32W108CZ
266/289 DocID16252 Rev 16
14.8 Digital I/O specifications
Table 65 lists the digital I/O specifications for the STM32W. The digital I/O power (named
VDD_PADS) comes from three dedicated pins (Pins 23, 28 and 37). The voltage applied to
these pins sets the I/O voltage.
Table 65. Digital I/O characteristics
Parameter Conditions Min. Typ. Max. Unit
Voltage supply (Regulator
Input) VDD_PADS 2.1 – 3.6 V
Low Schmitt switching
threshold
VSWIL
Schmitt input threshold
going from high to low
0.42 x
VDD_PADS –0.50 x
VDD_PADS V
High Schmitt switching
threshold
VSWIH
Schmitt input threshold
going from low to high
0.62 x
VDD_PADS –0.80 x
VDD_PADS V
Input current for logic 0 IIL ––-0.5μA
Input current for logic 1 IIH ––+0.5μA
Input pull-up resistor value RIPU 24 29 34 kΩ
Input pull-down resistor
value RIPD 24 29 34 kΩ
Output voltage for logic 0
VOL
(IOL = 4 mA for standard
pads, 8 mA for high
current pads)
0–
0.18 x
VDD_PADS V
Output voltage for logic 1
VOH
(IOH = 4 mA for
standard pads, 8 mA for
high current pads)
0.82 x
VDD_PADS – VDD_PADS V
Output source current
(standard current pad) IOHS ––4mA
Output sink current (standard
current pad) IOLS ––4mA
Output source current
high current pad: PA6, PA7,
PB6, PB7, PC0
IOHH ––8mA
Output sink current
high current pad: PA6, PA7,
PB6, PB7, PC0
IOLH ––8mA
Total output current
(for I/O Pads) IOH + IOL ––40 mA
Input voltage threshold for
OSC32_OUT -0.2 x
VDD_PADS –0.8 x
VDD_PADS V
Input voltage threshold for
OSC_OUT -0.2 x
VDD_PADSA –0.8 x
VDD_PADSA V

DocID16252 Rev 16 267/289
STM32W108HB STM32W108CB STM32W108CC STM32W108CZ Electrical characteristics
286
14.9 Non-RF system electrical characteristics
Table 66 lists the non-RF system level characteristics for the STM32W.
14.10 RF electrical characteristics
14.10.1 Receive
Table 67 lists the key parameters of the integrated IEEE 802.15.4 receiver on the STM32W.
Note: Receive measurements were collected with ST’s STM32W Ceramic Balun Reference
Design (Version A0) at 2440 MHz. The Typical number indicates one standard deviation
above the mean, measured at room temperature (25°C). The Min and Max numbers were
measured over process corners at room temperature
Table 66. Non-RF system electrical characteristics
Parameter Conditions Min. Typ. Max. Unit
System wakeup time from deep
sleep
From wakeup event to first
ARM® Cortex®-M3 instruction
running from 6MHz internal RC
clock
Includes supply ramp time and
oscillator startup time
–110– µs
Shutdown time going into deep
sleep
From last ARM® Cortex®-M3
instruction to deep sleep mode –5–µs
Table 67. Receive characteristics
Parameter Conditions Min. Typ. Max. Unit
Frequency range - 2400 – 2500 MHz
Sensitivity (boost mode) 1% PER, 20 byte packet
defined by IEEE 802.15.4-2003 – -102 -96 dBm
Sensitivity 1% PER, 20 byte packet
defined by IEEE 802.15.4-2003 – -100 -94 dBm
High-side adjacent channel
rejection
IEEE 802.15.4 signal at -
82 dBm –35–dB
Low-side adjacent channel
rejection
IEEE 802.15.4 signal at -
82 dBm –35–dB
2nd high-side adjacent channel
rejection
IEEE 802.15.4 signal at -
82 dBm –46–dB
2nd low-side adjacent channel
rejection
IEEE 802.15.4 signal at -
82 dBm –46–dB
Channel rejection for all other
channels
IEEE 802.15.4 signal at -
82 dBm –40–dB
802.11g rejection centered at +12
MHz or -13 MHz
IEEE 802.15.4 signal at -
82 dBm –36–dB

Electrical characteristics STM32W108HB STM32W108CB STM32W108CC STM32W108CZ
268/289 DocID16252 Rev 16
14.10.2 Transmit
Table 68 lists the key parameters of the integrated IEEE 802.15.4 transmitter on the
STM32W.
Note: Transmit measurements were collected with ST’s STM32W Ceramic Balun Reference
Design (Version A0) at 2440 MHz. The Typical number indicates one standard deviation
above the mean, measured at room temperature (25°C). The Min and Max numbers were
measured over process corners at room temperature
Maximum input signal level for
correct operation - 0––dBm
Co-channel rejection IEEE 802.15.4 signal at -
82 dBm –-6–dBc
Relative frequency error
(2x40 ppm required by IEEE
802.15.4)
- -120 – +120 ppm
Relative timing error
(2x40 ppm required by IEEE
802.15.4)
- -120 – +120 ppm
Linear RSSI range As defined by IEEE 802.15.4 40 – – dB
RSSI Range - -90 – -40 dBm
Table 67. Receive characteristics (continued)
Parameter Conditions Min. Typ. Max. Unit
Table 68. Transmit characteristics
Parameter Conditions Min. Typ. Max. Unit
Maximum output power (boost
mode) At highest power setting – 8 – dBm
Maximum output power At highest power setting 1 5 – dBm
Minimum output power At lowest power setting – -55 – dBm
Error vector magnitude As defined by IEEE 802.15.4,
which sets a 35% maximum –515%
Carrier frequency error - -40 – +40 ppm
PSD mask relative 3.5 MHz away -20 – – dB
PSD mask absolute 3.5 MHz away -30 – – dBm

DocID16252 Rev 16 269/289
STM32W108HB STM32W108CB STM32W108CC STM32W108CZ Electrical characteristics
286
14.10.3 Synthesizer
Table 69 lists the key parameters of the integrated synthesizer on the STM32W.
Table 69. Synthesizer characteristics
Parameter Conditions Min. Typ. Max. Unit
Frequency range - 2400 – 2500 MHz
Frequency resolution - – 11.7 – kHz
Lock time From off, with correct VCO
DAC setting ––100μs
Relock time
Channel change or RX/TX
turnaround (IEEE 802.15.4
defines 192 μs turnaround
time)
––100μs
Phase noise at 100 kHz offset - – -71 – dBc/Hz
Phase noise at 1 MHz offset - – -91 – dBc/Hz
Phase noise at 4 MHz offset - – -103 – dBc/Hz
Phase noise at 10 MHz offset - – -111 – dBc/Hz

Package information STM32W108HB STM32W108CB STM32W108CC STM32W108CZ
270/289 DocID16252 Rev 16
15 Package information
In order to meet environmental requirements, ST offers these devices in different grades of
ECOPACK® packages, depending on their level of environmental compliance. ECOPACK®
specifications, grade definitions and product status are available at: www.st.com.
ECOPACK® is an ST trademark.
15.1 VFQFPN48 package information
Figure 60. VFQFPN48 - 48-pin, 7x7 mm, 0.5 mm pitch very thin profile fine pitch quad
flat package outline
1. Drawing is not to scale.
6?-%?6
6HDWLQJ
3ODQH
&
$
$
$
$
GGG &
3LQQR,'
5
H
(
/
/
'
E
E
(
H
'

DocID16252 Rev 16 271/289
STM32W108HB STM32W108CB STM32W108CC STM32W108CZ Package information
286
Figure 61. VFQFPN48 - 48-pin, 7x7 mm, 0.5 mm pitch very thin profile fine pitch quad
flat package recommended footprint
1. Dimensions are expressed in millimeters.
Table 70. VFQFPN48 - 48-pin, 7x7 mm, 0.5 mm pitch very thin profile fine pitch quad
flat package mechanical data
Symbol millimeters inches(1)
1. Values in inches are converted from mm and rounded to 4 decimal digits.
Min Typ Max Min Typ Max
A 0.800 0.900 1.000 0.0315 0.0354 0.0394
A1 - 0.020 0.050 - 0.0008 0.0020
A2 - 0.650 1.000 - 0.0256 0.0394
A3 - 0.250 - - 0.0098 -
b 0.180 0.230 0.300 0.0071 0.0091 0.0118
D 6.850 7.000 7.150 0.2697 0.2756 0.2815
D2 2.250 4.700 5.250 0.0886 0.1850 0.2067
E 6.850 7.000 7.150 0.2697 0.2756 0.2815
E2 2.250 4.700 5.250 0.0886 0.1850 0.2067
e 0.450 0.500 0.550 0.0177 0.0197 0.0217
L 0.300 0.400 0.500 0.0118 0.0157 0.0197
ddd - - 0.080 - - 0.0031
6?&0?6

Package information STM32W108HB STM32W108CB STM32W108CC STM32W108CZ
272/289 DocID16252 Rev 16
15.2 VFQFPN40 package information
Figure 62. VFQFPN40 - 40-pin, 6x6 mm, 0.5 mm pitch very thin profile fine pitch quad
flat package outline
1. Drawing is not to scale.
=)DB0(B9
'
3LQLGHQWLILHU
ODVHUPDUNLQJDUHD
((
'<
'
(
([SRVHGSDG
DUHD
=
'HWDLO=
5W\S
/
&[
SLQFRUQHU
$
6HDWLQJ
SODQH
$
E
H
HHH
'HWDLO<
7
%
$
&
FFF
GGG
&$ %
&
&
EEE &
DDD
DDD & $ %
DDD & $ %
'
(

DocID16252 Rev 16 273/289
STM32W108HB STM32W108CB STM32W108CC STM32W108CZ Package information
286
Table 71. VFQFPN40 - 40-pin, 6x6 mm, 0.5 mm pitch very thin profile fine pitch quad
flat package mechanical data
Symbol millimeters inches(1)
1. Values in inches are converted from mm and rounded to 4 decimal digits.
Min Typ Max Min Typ Max
A(2)
2. The lead size is comprehensive of the thickness of the lead finishing material. Dimensions do not include
plastic or metal protrusion. Package outline exclusive of metal burr dimensions.
0.850 0.900 0.950 0.0315 0.0354 0.0394
A1 0.000 0.020 0.050 - 0.0008 0.0020
b 0.200 0.250 0.280 0.0071 0.0091 0.0118
D 5.900 6.000 6.100 0.2313 0.2362 0.2411
D2 4.300 4.400 4.500 0.0689 0.1457 0.1673
D3 - 4.500 -
E 5.900 6.000 6.100 0.2313 0.2362 0.2411
E2 4.300 4.400 4.500 0.0689 0.1457 0.1673
E3 - 4.500 -
e - 0.500 - 0.0177 0.0197 0.0217
L 0.350 0.400 0.450 0.0138 0.0217 0.0295
aaa - - 0.100 - -
bbb - - 0.100 - -
ccc - - 0.100 - -
ddd - - 0.050 - - 0.0031
eee - - 0.080 - - 0.0031

Package information STM32W108HB STM32W108CB STM32W108CC STM32W108CZ
274/289 DocID16252 Rev 16
Figure 63. VFQFPN40 - 40-pin, 6x6 mm, 0.5 mm pitch very thin profile fine pitch quad
flat package recommended footprint
1. Dimensions are expressed in millimeters.
Device marking
‘The following figure gives an example of topside marking orientation versus pin 1 identifier
location.
:&A?&0?6

DocID16252 Rev 16 275/289
STM32W108HB STM32W108CB STM32W108CC STM32W108CZ Package information
286
Figure 64. VFQFPN40 marking example (package top view)
1. Parts marked as "ES", "E" or accompanied by an Engineering Sample notification letter, are not yet
qualified and therefore not yet ready to be used in production and any consequences deriving from such
usage will not be at ST charge. In no event, ST will be liable for any customer usage of these engineering
samples in production. ST Quality has to be contacted prior to any decision to use these Engineering
Samples to run qualification activity.
3URGXFW
LGHQWLILFDWLRQ
'RW
5HYLVLRQFRGH
'DWHFRGH
:88
3
6WDQGDUG67ORJR
45.8
)#6
069

Package information STM32W108HB STM32W108CB STM32W108CC STM32W108CZ
276/289 DocID16252 Rev 16
15.3 UFQFPN48 package information
Figure 65. UFQFPN48 - 48-lead, 7x7 mm, 0.5 mm pitch, ultra thin fine pitch quad flat
package outline
1. Drawing is not to scale.
2. All leads/pads should also be soldered to the PCB to improve the lead/pad solder joint life.
3. There is an exposed die pad on the underside of the UFQFPN package. It is recommended to connect and
solder this back-side pad to PCB ground.
$%B0(B9
'
3LQLGHQWLILHU
ODVHUPDUNLQJDUHD
((
'<
'
(
([SRVHGSDG
DUHD
=
'HWDLO=
5W\S
/
&[
SLQFRUQHU
$
6HDWLQJ
SODQH
$
E
H
GGG
'HWDLO<
7

DocID16252 Rev 16 277/289
STM32W108HB STM32W108CB STM32W108CC STM32W108CZ Package information
286
Figure 66. UFQFPN48 - 48-lead, 7x7 mm, 0.5 mm pitch, ultra thin fine pitch quad flat
package recommended footprint
1. Dimensions are expressed in millimeters.
Table 72. UFQFPN48 - 48-lead, 7x7 mm, 0.5 mm pitch, ultra thin fine pitch quad flat
package mechanical data
Symbol millimeters inches(1)
1. Values in inches are converted from mm and rounded to 4 decimal digits.
Min Typ Max Min Typ Max
A 0.500 0.550 0.600 0.0197 0.0217 0.0236
A1 0.000 0.020 0.050 0.0000 0.0008 0.0020
D 6.900 7.000 7.100 0.2717 0.2756 0.2795
E 6.900 7.000 7.100 0.2717 0.2756 0.2795
D2 5.500 5.600 5.700 0.2165 0.2205 0.2244
E2 5.500 5.600 5.700 0.2165 0.2205 0.2244
L 0.300 0.400 0.500 0.0118 0.0157 0.0197
T - 0.152 - - 0.0060 -
b 0.200 0.250 0.300 0.0079 0.0098 0.0118
e - 0.500 - - 0.0197 -
ddd - - 0.080 - - 0.0031
!"?&0?6

Package information STM32W108HB STM32W108CB STM32W108CC STM32W108CZ
278/289 DocID16252 Rev 16
Device marking
The following figure gives an example of topside marking orientation versus pin 1 identifier
location.
Figure 67. UFQFPN48 marking example (package top view)
1. Parts marked as "ES", "E" or accompanied by an Engineering Sample notification letter, are not yet
qualified and therefore not yet ready to be used in production and any consequences deriving from such
usage will not be at ST charge. In no event, ST will be liable for any customer usage of these engineering
samples in production. ST Quality has to be contacted prior to any decision to use these Engineering
Samples to run qualification activity.
069
3URGXFW
LGHQWLILFDWLRQ
3LQLGHQWLILHU 5HYLVLRQFRGH
'DWHFRGH
:88
3
6WDQGDUG67ORJR
45.8
$#6

DocID16252 Rev 16 279/289
STM32W108HB STM32W108CB STM32W108CC STM32W108CZ Ordering information scheme
286
16 Ordering information scheme
Example: STM32 W 108 C B U 6 x
Device family
STM32 = ARM®-based 32-bit microcontroller
Product type
W = wireless system-on-chip
Sub-family
108 = IEEE 802.15.4 specification
Pin count
H = 40 pins
C = 48 pins
Code size
B = 128 Kbyte of Flash memory
C = 256 Kbyte of Flash memory
Z = 192 Kbyte of Flash memory
Package
U = FQFPN
Temperature range
6 = –40 °C to +85 °C
7 = –40 °C to +105 °C
Enabled protocol stack
“Blank” = Development sample platform (1)
1. This P/N is under specific ordering conditions. Please refer to your nearest ST sales office.
1 = Ember ZigBee stack(2)
2. The Ember ZigBee stack is available on 128 Kbyte devices only.
3 = RF4CE stack
4 = IEEE 802.15.4 media access control

DocID16252 Rev 16 281/289
STM32W108HB STM32W108CB STM32W108CC STM32W108CZ Revision history
286
17 Revision history
Table 73. Document revision history
Date Revision Changes
16-Sep-2009 1 Initial release.
21-Sep-2009 2 Modified document status to Preliminary Data.
24-Nov-2009 3
Major revision of Section 1.2: Overview on page 16 and Section 9:
Serial interfaces on page 110.
Added Section 2: Documentation conventions on page 18,
Section 4: Embedded memory on page 31 and Section 7: Integrated
voltage regulator on page 90.
01-Mar-2010 4
Updated Section 11.1.8: Calibration on page 230.
Added notes to Software reset on page 48, Section 9.6.1: Setup and
configuration on page 124 and Section 11: Analog-to-digital
converter on page 224.
Updated parameters and values in Table 48: General operating
conditions on page 249.
22-Sep-2010 5
Added Section 13.1: STM32W108 JTAG TAP connection on
page 246 and Section 6.4.5: Slow timer (MAC timer, Watchdog, and
Sleeptimer) control and status registers on page 65.
Added Total Tx current values for 24 MHz in Table 64: DC electrical
characteristics on page 261 and updated Figure 58: Transmit power
consumption on page 264.
20-Oct-2010 6
Updated Table 56: ADC module key parameters for 1 MHz sampling
and Table 57: ADC module key parameters for input buffer disabled
and 6 MHz sampling.
Added Table 58: ADC module key parameters for input buffer
enabled and 6MHz sampling.
Modified system wakeup time from deep sleep in Table 66: Non-RF
system electrical characteristics.
09-Dec-2010 7 Updated datasheet status to full datasheet.
29-Mar-2011 8 Added INT_SLEEPTMRFLAG, INT_SLEEPTMRCFG,
SLEEPTMR_CLKEN.
27-Jul-2011 9 Update for STM32W108CC and STM32W108CZ
30-Sep-2011 10 Added Note 2 in Table 72: UFQFPN48 - 48-lead, 7x7 mm, 0.5 mm
pitch, ultra thin fine pitch quad flat package mechanical data.
05-Dec-2011 11
Updated document title
Section 4.2: Flash memory: replaced 1000 with 10k write/erase
cycles.
Section 10.3.10: Timer x capture/compare enable register
(TIMx_CCER): updated names of bits 12, 8, 4, and 0.
Figure 51: ADC block diagram : added footnote1.
Section 11.1.4: Offset/gain correction: Added third bullet point about
the offset/gain corrected value; added HV buffer offset calculation for
STM32W108CC and STM32W108CZ devices.
Table 39: Typical ADC input configurations: added footnote 1.

Revision history STM32W108HB STM32W108CB STM32W108CC STM32W108CZ
282/289 DocID16252 Rev 16
05-Dec-2011 11
Table 41: ADC gain and offset correction equations : replaced table
with new gain and offset correction values and updated “equation
notes” below table.
Table 120: ADC control register (ADC_CR): added “note” to bit [11].
Table 48: General operating conditions: operating temperature range
max value changed to 105 °C.
Table 53: ESD absolute maximum ratings: updated VESD(HBM) and
VESD(CDM) values and added footnote 3.
Table 64: DC electrical characteristics: updated typ values of each
85 °C condition; added 105 °C condition.
15-Dec-2011 12
Table 53: ESD absolute maximum ratings: changed column title
“ratings” to “parameter”; added footnote 2; updated footnote 3;
removed note for max value of VESD(CDM).
09-Mar-2012 13 Added package UFQFPN48.
03-Sep-2012 14
TERMINOLOGY-RELATED CHANGES
Renamed following registers (and their constituent bits):
INT_SCxFLAG to SCx_ISR (updated bit descriptions)
INT_SCxCFG to SCxIER (updated bit descriptions)
SCx_INTMODE to SCx_ICR (updated bit descriptions)
SCx_MODE to SCx_CR (updated bit descriptions)
SCx_DATA to SCx_DR (updated bit descriptions)
SCx_RATELIN to SCx_CRR1 (updated bit descriptions)
SCx_RATEEXP to SCx_CRR2 (updated bit descriptions)
SCx_SPISTAT to SCx_SPISR (updated bit descriptions)
SCx_SPICFG to SCx_SPICR (updated bit descriptions)
SCx_TWISTAT to SCx_I2CSR (updated bit descriptions)
SCx_TWICTRL1 to SCx_I2CCR1 (updated bit descriptions)
SCx_TWICTRL2 to SCx_I2CCR2 (updated bit descriptions)
SC1_UARTSTAT to SC1_UARTSR (updated bit descriptions)
SC1_UARTCFG to SC1_UARTCR (updated bit descriptions)
SC1_UARTPER to SC1_UARTBRR1
SC1_UARTFRAC to SC1_UARTBRR2 (updated bit descriptions)
SCx_DMASTAT to SCx_DMASR (updated bit descriptions)
SCx_DMACTRL to SCx_DMACR (updated bit descriptions)
SCx_TXBEGA to SCx_DMATXBEGADDAR (updated bit
descriptions)
SCx_TXBEGB to SCx_DMATXBEGADDBR (updated bit
descriptions)
SCx_TXENDA to SCx_DMATXENDADDAR (updated bit
descriptions)
SCx_TXENDB to SCx_DMATXENDADDBR (updated bit
descriptions)
SCx_TXCNT to SCX_DMATXCNTR (updated bit descriptions)
SCx_RXBEGA to SCx_DMARXBEGADDAR (updated bit
descriptions)
SCx_RXBEGAB to SCx_DMARXBEGADDBR (updated bit
descriptions)
SCx_RXENDA to SCx_DMARXENDADDAR (updated bit
descriptions)
Table 73. Document revision history (continued)
Date Revision Changes

DocID16252 Rev 16 283/289
STM32W108HB STM32W108CB STM32W108CC STM32W108CZ Revision history
286
03-Sep-2012 14
(continued)
SCx_RXENDB to SCx_DMARXENDADDBR (updated bit
descriptions)
SCx_RXCNTA to SCx_DMARXCNTAR (updated bit descriptions)
SCx_RXCNTB to SCx_DMARXCNTBR (updated bit descriptions)
SCx_RXCNTSAVED to SCx_DMARXCNTSAVEDR (updated bit
descriptions)
SCx_RXERRA to SCx_DMARXERRAR (updated bit descriptions)
SCx_RXERRB to SCx_DMARXERRBR (updated bit descriptions)
SLEEPTMR_CFG to SLPTMR_CR (updated bit descriptions)
SLEEPTMR_CNTH to SLPTMR_CNTH
SLEEPTMR_CNTL to SLPTMR_CNTL
SLEEPTMR_CMPAH to SLPTMR_CMPAH (updated bit
descriptions)
SLEEPTMR_CMPAL to SLPTMR_CMPAL (updated bit description)
SLEEPTMR_CMPBH to SLPTMR_CMPBH (updated bit description)
SLEEPTMR_CMPBL to SLPTMR_CMPBL (updated bit description)
INT_SLEEPTMRFLAG to SLPTMR_ISR (updated bit description)
INT_SLEEPTMRCFG to SLPTMR_IER (updated bit description)
SLEEPTMR_CLKEN to CLK_SLEEPCR (updated bit descriptions)
INT_TIMxCFG to TIMx_IER
INT_TIMxFLAG to TIMx_ISR
INT_TIMxMISS to TIMx_MISSR
GPIO_PxCFGL to GPIOx_CRL (updated bit descriptions)
GPIO_PxCFGH to GPIOx_CRH (updated bit descriptions)
GPIO_PxIN to GPIOx_IDR (updated bit descriptions)
GPIO_PxOUT to GPIOx_ODR (updated bit descriptions)
GPIO_PxCLR to GPIOx_BRR (updated bit descriptions)
GPIO_PxSET to GPIOx_BSR (updated bit descriptions)
GPIO_PxWAKE to PWR_WAKEPxR (updated bit descriptions)
GPIO_WAKEFILT to PWR_WAKEFILTR (updated bit descriptions)
GPIO_IRQxSEL to EXTIx_CR (updated bit descriptions)
GPIO_INTCFGx to EXTIx_TSR (updated bit descriptions)
INT_GPIOFLAG to EXTI_PR (updated bit descriptions)
GPIO_DBGCFG to GPIO_DBGCR (updated bit descriptions)
GPIO_DBGSTAT to GPIO_DBGSR (updated bit descriptions)
ADC_CFG to ADC_CR
ADC_OFFSET to ADC_OFFSETR
ADC_GAIN to ADC_GAINR
ADC_DMACFG to ADC_DMACR (updated bit descriptions)
ADC_DMASTAT to ADC_DMASR
ADC_DMABEG to ADC_DMAMSAR (updated bit descriptions)
ADC_DMASIZE to ADC_DMANDTR (updated bit descriptions)
ADC_DMACUR to ADC_DMAMNAR (updated bit descriptions)
ADC_DMACNT to ADC_DMACNDTR (updated bit descriptions)
INT_ADCFLAG to ADC_ISR
INT_ADCCFG to ADC_IER
RESET_EVENT to RST_SR
OSC24M_CTRL to CLK_HSECR2 (updated bit descriptions)
CPU_CLK_SEL to CLK_CPU_CR
WDOG_CFG to WDG_CR
WDOG_CTRL to WDG_KR
WDOG_RESTART to WDG_KICKSR (added bit description)
Table 73. Document revision history (continued)
Date Revision Changes

Revision history STM32W108HB STM32W108CB STM32W108CC STM32W108CZ
284/289 DocID16252 Rev 16
03-Sep-2012 14
(continued)
Renamed the constituent bits of the following registers throughout
document:
TIMx_CR1
TIMx_CR2
TIMx_SMCR
TIMx_EGR
TIMx_CCMR1
TIMx_CCMR2
TIMx_CCER
TIMx_CNT
TIMx_PSC
TIMx_ARR
TIMx_CCR1
TIMx_CCR2
TIMx_CCR3
TIMx_CCR4
TIM1_OR
TIM2_OR
Renamed the following terms: OSC32A to OSC32_OUT, OSC32B to
OSC32_IN, OSC32K to LSE OSC, CLK32K to LSE, OSCRC to
LSI10K, CLK1K to LSI1K, OSCA to OSC_OUT, OSCB to OSC_IN,
OSC24M to HSE OSC, OSCHF to HSI, 24 MHz XTAL to 24 MHz
HSE OSC, 12 MHz RC to 12 MHz HSI RC, 10 kHz RC to 10 kHz LSI
RC, 32 kHz XTAL to 32 kHz HSE OSC
Updated terminology of Figure 6: System module block diagram and
Figure 7: Clocks block diagram.
Section 6.4.5: Replaced: ENABLE bit with EN, SLEEP_CONFIG with
SLPTMR_CR, COMP_A_H with CMPAH, COMP_A_L with CMPAL,
COMP_B_H with CMPBH, COMP_B_L with CMPBL.
Figure 10: Replaced SCx_I2CSTAT, SCx_I2CCTRL1, and
SCx_I2CCTRL2 with SCx_I2CSR, SCx_I2CCR1, and SCx_I2CCR2
respectively.
Section 10: replaced TMRx with TIMx, TIM_USR with USR, CCR1L
with CCR1[15:0], CCR1H with CCR1[31:16], CNT with TIMx_CNT,
CNT with CNT[15:0], CCR1 with TIMx_CCR1, TIMx_CC1R with
TIMx_CCR1, TIM_CCRx with TIMx_CCRy, TIM_CMS with
CMS[1:0], OCxREF with OCyREF, TIM_CCyIF with CCyIF,
TIM_SMCR with TIMx_SMCR, TIM_OC* with OCxy, and TIM_IC*
with ICxy.
GENERIC CHANGES
Updated “reserved” bit descriptions throughout document.
Removed all references to NVIC.
Removed all references to the INT_CFGSET register, INT_CFGCLR
register, and other registers originally in Section 12: Interrupts.
Removed all non-defined asterisks.
SPECIFIC CHANGES
Section 1.2.1: updated selectable voltage ranges of ADC.
Added Section 4.1: Memory organization and memory map.
Added Section 4.3.3 and Section 4.3.4.
Table 73. Document revision history (continued)
Date Revision Changes

DocID16252 Rev 16 285/289
STM32W108HB STM32W108CB STM32W108CC STM32W108CZ Revision history
286
03-Sep-2012 14
(continued)
Section 6.2.4: added Reset (RST) register map.
Section 6.3: Clocks: added note beneath bullets points (before
Figure 7).
Section 6.3.6: added Low-speed internal 10 KHz clock (LSI10K)
control register (CLK_LSI10KCR), Low-speed internal 1 KHz clock
control register (CLK_LSI1KCR), High-speed external clock control
register 1 (CLK_HSECR1), High-speed internal clock control register
(CLK_HSICR), High-speed external clock comparator register
(CLK_HSECOMPR), Clock period control register
(CLK_PERIODCR), Clock period status register (CLK_PERIODSR),
Clock dither control register (CLK_DITHERCR), High-speed external
clock control register 2 (CLK_HSECR2), CPU clock control register
(CLK_CPUCR), Clock switching (CLK) register map.
Added Section 6.4.5.
Section 6.4.5: Added Sleep timer force interrupt register
(SLPTMR_IFR), MACTimer counter register (MACTMR_CNTR),
MACTimer counter register (MACTMR_CR) and MAC timer
(MACTMR)/Watchdog (WDG)/Sleeptimer(SLPTMR) register map.
Section 6.5.1: updated last bullet point.
Section 6.5.2: updated bullet points.
Added Section 6.5.5: Power management registers.
Section 8.1.1: updated paragraph concerning configuration registers.
Added Table 8.5.10: PC TRACE or debug select register
(GPIO_PCTRACECR).
Added Table 8.5.13: General-purpose input/output (GPIO) register
map.
Section 9.4.1: removed “see table 86).
Table 22: SPI master mode formats, Table 24: SPI slave mode
formats, and Figure 27: I2C master frame segments: updated
heading lines and removed footnote.
Removed Section 9.10: SPI slave mode registers.
Section 9.12.5 to Section 9.12.15: Bit ranges changed to [12:0].
Added Section 9.12.17: Serial interface (SC1/SC2) register map.
Section 10.1.1: updated Prescaler section.
Section 10.3.8 and Section 10.3.9: separated register descriptions
into “output compare mode” and “input capture mode”.
Added Section 10.3.20: General-purpose timers 1 and 2
(TIM1/TIM2) register map.
Section 11.1.8: updated information regarding the VDD_PADSA
regulator
Section 11.3.8: Bit range changed to [12:0].
Section 11.3.10: Bit range changed to [13:1].
Added Section 11.3.12: Analog-to-digital converter (ADC) register
map.
Section 12: Interrupts: updated section and removed register
descriptions.
Added Section 12.2: Management interrupt registers.
Added Section 14.4: SPI interface characteristics.
Table 73. Document revision history (continued)
Date Revision Changes

Revision history STM32W108HB STM32W108CB STM32W108CC STM32W108CZ
286/289 DocID16252 Rev 16
03-Sep-2012 14
(continued)
Table 64: DC electrical characteristics: added footnote 1; updated
max quiescent current including internal RC oscillator values for
25 °C and for 105 °C.
20-Sep-2013 15
Replaced GPIOx_WAKER by PWR_WAKEPxR, GPIO_WAKEFR by
PWR_WAKEFILTR, GPIO_WAKE by GPIO_SEL, WAKE_SEL by
ETXTIx_CR and SEL_GPIO by GPIO_SEL in Section 8: General-
purpose input/output.
Changed VREF max. value from 1.23 to 1.35 in Table 59: ADC
characteristics.
30-Mar-2015 16
Added:
–Figure 64: VFQFPN40 marking example (package top view),
–Figure 67: UFQFPN48 marking example (package top view).
Updated:
– the document status to reflect the device maturity level,
– the disclaimer.
Table 73. Document revision history (continued)
Date Revision Changes

STM32W108HB STM32W108CB STM32W108CC STM32W108CZ Index
DocID16252 Rev 16 287/289
Index
A
ADC_CR . . . . . . . . . . . . . . . . . . . . . . . . . . . .234
ADC_DMACNDTR . . . . . . . . . . . . . . . . . . . . .238
ADC_DMACR . . . . . . . . . . . . . . . . . . . . . . . .236
ADC_DMAMNAR . . . . . . . . . . . . . . . . . . . . . .238
ADC_DMAMSAR . . . . . . . . . . . . . . . . . . . . . .237
ADC_DMANDTR . . . . . . . . . . . . . . . . . . . . . .237
ADC_DMASR . . . . . . . . . . . . . . . . . . . . . . . . .236
ADC_GAINR . . . . . . . . . . . . . . . . . . . . . . . . .235
ADC_IER . . . . . . . . . . . . . . . . . . . . . . . . . . . .233
ADC_ISR . . . . . . . . . . . . . . . . . . . . . . . . . . . .233
ADC_OFFSETR . . . . . . . . . . . . . . . . . . . . . . .235
C
CLK_CPUCR . . . . . . . . . . . . . . . . . . . . . . . . . .62
CLK_DITHERCR . . . . . . . . . . . . . . . . . . . . . . .61
CLK_HSECOMPR . . . . . . . . . . . . . . . . . . . . . .59
CLK_HSECR1 . . . . . . . . . . . . . . . . . . . . . . . . .58
CLK_HSECR2 . . . . . . . . . . . . . . . . . . . . . . . . .61
CLK_HSICR . . . . . . . . . . . . . . . . . . . . . . . . . . .59
CLK_LSI10KCR . . . . . . . . . . . . . . . . . . . . . . . .57
CLK_LSI1KCR . . . . . . . . . . . . . . . . . . . . . . . . .58
CLK_PERIODCR . . . . . . . . . . . . . . . . . . . . . . .60
CLK_PERIODSR . . . . . . . . . . . . . . . . . . . . . . .60
CLK_SLEEPCR . . . . . . . . . . . . . . . . . . . . . . . .57
D
DMA_PROTR1 . . . . . . . . . . . . . . . . . . . . . . . . .39
DMA_PROTR2 . . . . . . . . . . . . . . . . . . . . . . . . .39
E
EXTI_PR . . . . . . . . . . . . . . . . . . . . . . . . . . . .105
EXTIx_CR . . . . . . . . . . . . . . . . . . . . . . . . . . .106
EXTIx_TSR . . . . . . . . . . . . . . . . . . . . . . . . . .105
G
GPIO_DBGCR . . . . . . . . . . . . . . . . . . . . . . . .107
GPIO_DBGSR . . . . . . . . . . . . . . . . . . . . . . . .107
GPIO_PCTRACECR . . . . . . . . . . . . . . . . . . .106
GPIOx_BRR . . . . . . . . . . . . . . . . . . . . . . . . . .104
GPIOx_BSR . . . . . . . . . . . . . . . . . . . . . . . . . .104
GPIOx_CRH . . . . . . . . . . . . . . . . . . . . . . . . . .102
GPIOx_CRL . . . . . . . . . . . . . . . . . . . . . . . . . .101
GPIOx_IDR . . . . . . . . . . . . . . . . . . . . . . . . . .103
GPIOx_ODR . . . . . . . . . . . . . . . . . . . . . . . . .103
M
MACTMR_CNTR . . . . . . . . . . . . . . . . . . . . . . . 65
MACTMR_CR . . . . . . . . . . . . . . . . . . . . . . . . . 65
MGMT_IER . . . . . . . . . . . . . . . . . . . . . . . . . . 244
MGMT_ISR . . . . . . . . . . . . . . . . . . . . . . . . . . 243
P
PWR_CPWRUPREQSR . . . . . . . . . . . . . . . . . 82
PWR_CSYSPWRUPACKCR . . . . . . . . . . . . . 84
PWR_CSYSPWRUPACKSR . . . . . . . . . . . . . 83
PWR_CSYSPWRUPREQSR . . . . . . . . . . . . . 83
PWR_DSLEEPCR1 . . . . . . . . . . . . . . . . . . . . . 78
PWR_DSLEEPCR2 . . . . . . . . . . . . . . . . . . . . . 79
PWR_VREGCR . . . . . . . . . . . . . . . . . . . . . . . . 79
PWR_WAKECR1 . . . . . . . . . . . . . . . . . . . . . . 80
PWR_WAKECR2 . . . . . . . . . . . . . . . . . . . . . . 81
PWR_WAKEFILTR . . . . . . . . . . . . . . . . . . . . . 87
PWR_WAKEPAR . . . . . . . . . . . . . . . . . . . . . . 84
PWR_WAKEPBR . . . . . . . . . . . . . . . . . . . . . . 85
PWR_WAKEPCR . . . . . . . . . . . . . . . . . . . . . . 86
PWR_WAKESR . . . . . . . . . . . . . . . . . . . . . . . 81
R
RAM_CR . . . . . . . . . . . . . . . . . . . . . . . . . . . . . 40
RAM_PROTRx . . . . . . . . . . . . . . . . . . . . . . . . 38
RST_SR . . . . . . . . . . . . . . . . . . . . . . . . . . . . . 51
S
SC1_UARTBRR1 . . . . . . . . . . . . . . . . . . . . . 143
SC1_UARTBRR2 . . . . . . . . . . . . . . . . . . . . . 144
SC1_UARTCR . . . . . . . . . . . . . . . . . . . . . . . 142
SC1_UARTSR . . . . . . . . . . . . . . . . . . . . . . . . 141
SCx_CR . . . . . . . . . . . . . . . . . . . . . . . . . . . . 134
SCx_CRR1 . . . . . . . . . . . . . . . . . . . . . . . . . . 135
SCx_CRR2 . . . . . . . . . . . . . . . . . . . . . . . . . . 135
SCx_DMACR . . . . . . . . . . . . . . . . . . . . . . . . 153
SCx_DMARXBEGADDAR . . . . . . . . . . . . . . 145
SCx_DMARXBEGADDBR . . . . . . . . . . . . . . 146
SCx_DMARXCNTAR . . . . . . . . . . . . . . . . . . 149
SCx_DMARXCNTBR . . . . . . . . . . . . . . . . . . 149
SCx_DMARXCNTSAVEDR . . . . . . . . . . . . . 155
SCx_DMARXENDADDAR . . . . . . . . . . . . . . 145
SCx_DMARXENDADDBR . . . . . . . . . . . . . . 146
SCx_DMARXERRAR . . . . . . . . . . . . . . . . . . 154
SCx_DMARXERRBR . . . . . . . . . . . . . . . . . . 154

Index STM32W108HB STM32W108CB STM32W108CC STM32W108CZ
288/289 DocID16252 Rev 16
SCx_DMASR . . . . . . . . . . . . . . . . . . . . . . . . .151
SCx_DMATXBEGADDAR . . . . . . . . . . . . . . .147
SCx_DMATXBEGADDBR . . . . . . . . . . . . . . .148
SCx_DMATXCNTR . . . . . . . . . . . . . . . . . . . .150
SCx_DMATXENDADDAR . . . . . . . . . . . . . . .147
SCx_DMATXENDADDBR . . . . . . . . . . . . . . .148
SCx_DR . . . . . . . . . . . . . . . . . . . . . . . . . . . . .134
SCx_I2CCR1 . . . . . . . . . . . . . . . . . . . . . . . . .139
SCx_I2CCR2 . . . . . . . . . . . . . . . . . . . . . . . . .140
SCx_I2CSR . . . . . . . . . . . . . . . . . . . . . . . . . .138
SCx_ICR . . . . . . . . . . . . . . . . . . . . . . . . . . . .133
SCx_IER . . . . . . . . . . . . . . . . . . . . . . . . . . . .131
SCx_ISR . . . . . . . . . . . . . . . . . . . . . . . . . . . .129
SCx_SPICR . . . . . . . . . . . . . . . . . . . . . . . . . .137
SCx_SPISR . . . . . . . . . . . . . . . . . . . . . . . . . .136
SLPTMR_CMPAH . . . . . . . . . . . . . . . . . . . . . .69
SLPTMR_CMPAL . . . . . . . . . . . . . . . . . . . . . .70
SLPTMR_CMPBH . . . . . . . . . . . . . . . . . . . . . .70
SLPTMR_CMPBL . . . . . . . . . . . . . . . . . . . . . .71
SLPTMR_CNTH . . . . . . . . . . . . . . . . . . . . . . . .68
SLPTMR_CNTL . . . . . . . . . . . . . . . . . . . . . . . .69
SLPTMR_CR . . . . . . . . . . . . . . . . . . . . . . . . . .67
SLPTMR_IER . . . . . . . . . . . . . . . . . . . . . . . . . .72
SLPTMR_IFR . . . . . . . . . . . . . . . . . . . . . . . . . .72
SLPTMR_ISR . . . . . . . . . . . . . . . . . . . . . . . . . .71
T
TIM1_OR . . . . . . . . . . . . . . . . . . . . . . . . . . . .218
TIM2_OR . . . . . . . . . . . . . . . . . . . . . . . . . . . .219
TIMx_ARR . . . . . . . . . . . . . . . . . . . . . . . . . . .216
TIMx_CCER . . . . . . . . . . . . . . . . . . . . . . . . . .214
TIMx_CCMR1 . . . . . . . . . . . . . . . . . . . . . . . .206
TIMx_CCMR2 . . . . . . . . . . . . . . . . . . . . . . . .210
TIMx_CCR1 . . . . . . . . . . . . . . . . . . . . . . . . . .216
TIMx_CCR2 . . . . . . . . . . . . . . . . . . . . . . . . . .217
TIMx_CCR3 . . . . . . . . . . . . . . . . . . . . . . . . . .217
TIMx_CCR4 . . . . . . . . . . . . . . . . . . . . . . . . . .218
TIMx_CNT . . . . . . . . . . . . . . . . . . . . . . . . . . .215
TIMx_CR1 . . . . . . . . . . . . . . . . . . . . . . . . . . .199
TIMx_CR2 . . . . . . . . . . . . . . . . . . . . . . . . . . .201
TIMx_EGR . . . . . . . . . . . . . . . . . . . . . . . . . . .205
TIMx_IER . . . . . . . . . . . . . . . . . . . . . . . . . . . .198
TIMx_MISSR . . . . . . . . . . . . . . . . . . . . . . . . .198
TIMx_PSC . . . . . . . . . . . . . . . . . . . . . . . . . . .215
TIMx_SMCR . . . . . . . . . . . . . . . . . . . . . . . . . .202
TIMx_SR . . . . . . . . . . . . . . . . . . . . . . . . . . . .197
W
WDG_CR . . . . . . . . . . . . . . . . . . . . . . . . . . . . .66
WDG_KICKSR . . . . . . . . . . . . . . . . . . . . . . . . .67
WDG_KR . . . . . . . . . . . . . . . . . . . . . . . . . . . . .66

DocID16252 Rev 16 289/289
STM32W108HB STM32W108CB STM32W108CC STM32W108CZ
289
IMPORTANT NOTICE – PLEASE READ CAREFULLY
STMicroelectronics NV and its subsidiaries (“ST”) reserve the right to make changes, corrections, enhancements, modifications, and
improvements to ST products and/or to this document at any time without notice. Purchasers should obtain the latest relevant information on
ST products before placing orders. ST products are sold pursuant to ST’s terms and conditions of sale in place at the time of order
acknowledgement.
Purchasers are solely responsible for the choice, selection, and use of ST products and ST assumes no liability for application assistance or
the design of Purchasers’ products.
No license, express or implied, to any intellectual property right is granted by ST herein.
Resale of ST products with provisions different from the information set forth herein shall void any warranty granted by ST for such product.
ST and the ST logo are trademarks of ST. All other product or service names are the property of their respective owners.
Information in this document supersedes and replaces information previously supplied in any prior versions of this document.
© 2015 STMicroelectronics – All rights reserved
Products related to this Datasheet
IC MCU 32BIT 128KB FLASH 48QFN
EXTENSION KIT FOR STM32W108
STARTER KIT FOR STM32W108
IC MCU 32BIT 128KB FLASH 48QFN
IC MCU 32BIT 128KB FLASH 48QFN
IC MCU 32BIT 128KB FLASH 48QFN
IC MCU 32BIT 128KB FLASH 48QFN
IC MCU 32BIT 128KB FLASH 48QFN
IC MCU 32BIT 128KB FLASH 40QFN
IC MCU 32BIT 128KB FLASH 40QFN
IC MCU 32BIT 128KB FLASH 40QFN
IC MCU 32BIT 128KB FLASH 48QFN
IC MCU 32BIT 128KB FLASH 48QFN
IC MCU 32BIT 128KB FLASH 48QFN
IC MCU 32BIT 128KB FLASH 40QFN
IC MCU 32BIT 128KB FLASH 40QFN
IC MCU 32BIT 128KB FLASH 40QFN
IC MCU 32BIT 128KB FLASH 40QFN
IC MCU 32BIT 128KB FLASH 40QFN
IC MCU 32BIT 128KB FLASH 40QFN
IC RF TXRX+MCU 802.15.4 48UFQFN
IC RF TXRX+MCU 802.15.4 48UFQFN
IC RF TXRX+MCU 802.15.4 48UFQFN
IC RF TXRX+MCU 802.15.4 48UFQFN
IC RF TXRX+MCU 802.15.4 48UFQFN
IC RF TXRX+MCU 802.15.4 48UFQFN
EVAL BOARD FOR STM32W108
IC MCU ARM 256K FLASH 48UFQFPN
IC MCU ARM 256K FLASH 48UFQFPN