How to Build a Long Range, Low Power Wireless Network for the Internet of Things
Contributed By DigiKey's European Editors
2016-06-30
Creating links in the unregulated sub-GHz bands is having increasing appeal to developers of systems for the Internet of Things (IoT) for industrial applications. The combination of low cost microcontrollers, either 32-bit or 8-bit, and high performance sub-GHz RF transceivers is opening up opportunities for designing effective long-range nodes. This reduces costs by reducing the number of gateway devices needed and allowing IoT rollouts to scale more easily.
Designers can also reduce the range or the data rates to deliver longer battery life, in some cases up to twenty years. This can dramatically reduce the operating cost of replacing batteries in an industrial network that may have tens of thousands of nodes. The ability to add more nodes without significantly increasing the operating costs is a compelling reason for such sub-GHz designs.
Network architects have previously favored the 2.4 GHz band as this has standardized protocols such as Wi-Fi, Bluetooth, 6LoPAN and ZigBee with software and application support. However, the increased sophistication of sub-GHz devices with high performance 32-bit ARM microprocessor cores is allowing the chipmakers to provide more support for the devices even including real time operating systems. At the same time, standalone transceivers that include their own controller cores for sub-GHz protocols can be used with low cost external controllers to provide cost effective wireless links for IoT nodes. This gives the designer of the node tremendous flexibility in the architecture and implementation to achieve the best balance of range, power consumption and data rates.
The AX5243 from On Semiconductor, for example, is a single-chip, ultra-low-power, narrow-band transceiver for use in bands from 27 to 1050 MHz. The on-chip transceiver integrates an RF front-end with modulator, and demodulator, with the baseband processing in an embedded communication controller that enables user-friendly communication via the SPI interface. It operates from a 1.8 V to 3.6 V power supply for low-power designs and over an industrial temperature range of -40°C to 85°C.

Figure 1: The AX5243 from ON Semiconductor supports a wide range of modulation schemes through its integrated controller.
Unlike in the 2.4 GHz band, the choice of the frequency band, modulation scheme and the resulting data rate all have a significant impact on the power consumption in a design. The transceiver uses between 7 and 48 mA for transmitting at 868 MHz carrier frequency, or between 4 and 51 mA for transmitting at 169 MHz depending on the output power. In receive operation; it uses 9 - 11 mA at 868 MHz carrier frequency and 6.5 - 8.5 mA at 169 MHz.
It supports any data rate from 0.1 kbps to 125 kbps for FSK, 4-FSK, GFSK, GMSK, MSK, ASK and PSK modulation schemes, with optional forward error correction (FEC), and these are configured via several register settings. This provides different levels of performance and range that can be traded for longer battery life.
Figure 2 shows how the choice of modulation and data rate impacts on the sensitivity and therefore the range and power consumption of the node at one particular frequency (868 MHz in this case). That also changes with the frequency used, with a current consumption of 9.5 mA at 868 MHz and 433 MHz falling to 6.5 mA at 169 MHz.

Figure 2: The variation in sensitivity from the different choices of modulation and data rates for the AX5243 transceiver.
The integrated controller brings some of the advantages of more complex protocols to a sub-Ghz system implementation. The high selectivity receiver provides up to 45 dB adjacent channel rejection to prevent interference, and the device also supports channel hopping of up to 2000 hops/s so that a data channel can move to avoid interference.
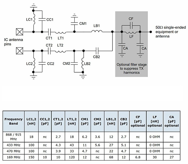
A key element of the device for the IoT node designer is the flexible antenna interface. Integrating an RX/TX switch with differential antenna pins allows a simple single ended 50 ohm or differential antenna to be used. This is important for sub-GHz implementations, as the size of the antenna is significantly larger than in 2.4 GHz, ranging from 8 cm to over 20 cm. Using a single ended antenna allows the antenna to be wound around the node, or to use a more compact folded antenna using techniques such as fractal design, and how the antenna attaches to the device for different frequency bands from 169 MHz upwards is shown in Figure 3.

Figure 3: The additional components needed to implement a single ended 50 ohm antenna attached to the AX5243.
Texas Instruments has added controller cores to its low power sub-GHz transceiver to help developers manage the complexity of the wireless links through a high-level development environment. The CC1310 is the first in a family of sub-GHz devices taking this approach, combining a flexible, very-low-power RF transceiver with a 48 Hz Cortex-M3 controller core to support multiple physical layers and RF standards. A dedicated Radio Controller uses a Cortex-M0 core to handle the low-level RF protocol commands that are stored in ROM or RAM.

Figure 4: The CC1310 transceiver from Texas Instruments combines three controllers, including one for the sensors.
Sensors can be handled in a very low-power manner by a third dedicated autonomous ultra-low-power core that can be configured to handle analog and digital sensors. This allows the main Cortex-M3 controller core to stay in sleep mode for as long as possible.
The configuration and driver software for all three cores is implemented in the TI RTOS (real-time operating system). This provides a framework of software libraries and drivers for developing applications on the device.
One example of how the CC1310 can be used to provide a wireless link for a sensor node in the Industrial Internet of Things is a humidity and temperature sensor, shown in Figure 5.
Humidity and temperature are both common measurements in many industrial and IoT equipment designs. For example, home heating and cooling systems of the future are likely to include humidity and temperature measurements in each individual room. Adding wireless links via the CC1310 allows the environmental data to be sent back to a smart thermostat, which then controls the various air ducts connecting to each room.
A digital humidity sensor such as the HDC1000 from Texas Instruments provides a relative humidity accuracy of ±3% and a temperature accuracy of ±0.2°C is suited to accurately sense environmental information. Placing the sensing element on the bottom of the device provides resistance to dust, dirt, and other environmental contaminants, which improves system reliability for applications like heating, ventilation, and air conditioning (HVAC) systems, smart thermostats, and room monitors.
The sensor has been designed with a power consumption averaging 1.2 μA at a one sample per second measurement rate and interfaces to the CC1310 using the I2C communication protocol.

Figure 5: The CC1310 transceiver can be combined with a nanopower switch and digital humidity sensor in a wireless node for the industrial Internet of Things.
This is combined with an ultra-low TPL5111 power system timer that controls both the boost converter mode and load switch, which reduces the off-state current drawn from the battery to the tens and hundreds of nanoamps. The timer interval is user-selectable by means of a resistor and can range from 100 ms up to two hours, with a typical time base accuracy of 1%.
The timer consumes just 270 nA for a 59.97 second duty cycle (with 30 ms in operation) to control power to all the remaining circuitry. The timer switches on power to the system and enables the boost converter at a programmable interval – one measurement per minute in this example. When the wireless MCU has finished reading and transmitting the sensor data, a signal to the system timer shuts down the entire system and puts the boost converter in bypass mode.
The TPS61291 boost converter provides a well-regulated voltage rail over the entire lifetime of the battery, but to provide a long battery life this has to have a high efficiency. With a battery voltage of 3.0 V, the TPS61291 maintains an efficiency level greater than 95% for the load drawn by the wireless transceiver and humidity sensor up to 100 mA. Even at the depleted coin cell voltage of 2.0 V, the boost converter maintains efficiency above 90% over the same range.
A key element of the implementation is the bypass mode that connects the input voltage source directly to the output pin, bypassing the boost inductor. This disconnects the system from the battery to conserve power.
All this provides a battery life for a CR2032 coin cell of up to ten years, reducing the operating costs of battery replacement.
Conclusion
A new generation of chip technology is opening up the opportunity to use the unlicensed sub-GHz radio bands for the industrial IoT. Integrated controllers can help developers use different modulation schemes depending on the range and power requirements of the design as well as the interference in the different bands. Adding even more controllers increases the complexity of the software design, but this is mitigated by providing high level development environments with the drivers and libraries needed for the controllers, all combined into a real time operating system to design the applications.
Disclaimer: The opinions, beliefs, and viewpoints expressed by the various authors and/or forum participants on this website do not necessarily reflect the opinions, beliefs, and viewpoints of DigiKey or official policies of DigiKey.




