How to Implement Power and Signal Isolation for Reliable Operation of CAN Buses
Contributed By DigiKey's North American Editors
2020-09-23
There is an accelerating use of controllers in automotive and industrial systems interconnected with controller area network (CAN) communications buses. For designers, this means they must account for environments that are electrically noisy over a broad range of frequencies—from high-frequency radiated electromagnetic interference (EMI) to common-mode conducted interference, and voltage spikes from the connection and disconnection of various loads such as electric motors, relays, and starting and stopping alternators/generators. While CAN buses are suited to harsh electrical environments, they are prone to various failure modes if not properly protected.
This article reviews the potential causes of CAN failure and presents common isolation technologies. It then introduces solutions from vendors such as Texas Instruments, RECOM Power, NXP Semiconductors, and Analog Devices that designers can use to protect CAN devices, along with guidance on how to implement the solutions effectively, including the use of evaluation boards. The solutions presented include discrete implementations (i.e., based around an individual CAN transceiver) and integrated solutions based on one-chip and two-chip isolated CAN bus designs.
Sources of failure and the need for isolation
Failures in CAN buses can arise from a variety of sources: ground potential differences between subsystems; general noise sources such as common-mode energy and radiated energy; and high-voltage noise and spikes on the power distribution bus. Two types of isolation are required to ensure robust operation of CAN bus interconnects in automotive and industrial systems:
- Isolation from the power bus
- Isolation of the communications buses connecting the various subsystems
Solutions employing separate isolation for the power and signal paths are often lower in cost and have higher efficiencies compared with integrated solutions. These solutions also enable the designer to independently optimize the isolation levels of the two paths. The designer is free to select the type of isolation technology most appropriate for the specific application. Choices include magnetic isolation, optical isolation, and capacitive isolation. A detailed discussion of the various isolation choices is beyond the scope of this article, but for a good review, see “How to Select the Right Galvanic Isolation Technology for IoT Sensors”.
There is also a distinction between basic electrical insulation (using materials that do not permit the flow of electric current) and reinforced insulation. The required insulation level is determined by the voltage levels involved, as well as the presence or absence of a connection from accessible parts to earth ground. Basic insulation provides one level of protection against electric shock. Systems with a voltage greater than 60 volts DC or 30 volts AC are considered hazardous and require at least one level of protection. The system will not necessarily fail safe, but any failure will be contained within the system. Reinforced or double insulation provides two levels of protection. This ensures user safety should a failure occur. A system connected to mains voltages is required to have reinforced insulation.
Design trade-offs among isolation solutions
Isolation options in CAN bus systems include discrete solutions where the power and signal are separately isolated, as well as fully-integrated power and signal isolation solutions. Integrated solutions can also include related protection functions such as high electrostatic discharge (ESD) robustness and radio frequency (RF) immunity, allowing their use in automotive and industrial applications without additional protection devices such as transient voltage suppressor diodes.
There is a performance trade-off of size versus efficiency between these various solution options. In terms of solution size, single-chip solutions are the smallest—typically having a footprint of about 330 millimeters squared (mm2). Two-chip solutions are larger, typically about 875 mm2. As a result of the size of the external DC-DC converter and the needed support components, discrete solutions are significantly larger, typically about 1,600 to 2,000 mm2 in size.
There are also efficiency trade-offs, with the larger solutions tending to be significantly more efficient. However, since the power levels involved tend to be quite low—3 to 5 volts at up to 15 milliamperes (mA)—the thermal impact may not be significant in a design. Efficiencies range from 50% to 60% for one-chip and two-chip solutions, with up to 75% to 80% for discrete isolation solutions using an external DC-DC converter.
Discrete isolation solutions for CAN transceivers
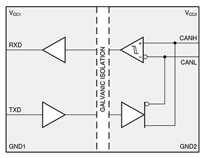
Isolated CAN transceivers are relatively straightforward devices. Consider, for example, Texas Instruments’ ISO1042DWR isolated CAN transceiver with 70 volt bus fault protection and flexible data rate (Figure 1). The ISO1042DWR device is available with a choice of basic or reinforced isolation. The basic ISO1042 transceivers are designed for industrial applications.
Figure 1: The ISO1042 isolated CAN transceiver is available with a choice of basic or reinforced galvanic isolation. (Image source: Texas Instruments)
The ISO1042 supports data rates up to 5 megabits per second (Mbits/s) in CAN flexible data-rate (FD) mode, allowing much faster transfer of data compared to classic CAN. This device uses a silicon dioxide (SiO2) insulation barrier with a withstand voltage of 5000 volts rms. The ISO1042 enables the designer to select the optimal bus protection devices for the specific needs of individual applications. Used in conjunction with isolated power supplies, the device prevents noise currents on a data bus, or other circuits from entering the local ground and interfering with or damaging sensitive circuitry.
These isolated CAN transceivers have several safety-related certifications (these are important safety standards and certifications for any device offering reinforced and/or basic isolation options):
- 7071-VPK VIOTM and 1500-VPK VIORM (Reinforced and Basic Options) per DIN VDE V 0884-11:2017-01
- 5000-VRMS Isolation for one minute per UL 1577
- IEC 60950-1, IEC 60601-1 and EN 61010-1 certifications
- CQC, TUV and CSA certifications
There are two evaluation board options for designers considering the ISO1042. Texas Instruments offers the ISO1042DWEVM evaluation module enabling engineers to evaluate the high performance, reinforced isolated CAN ISO1042 in a 16-pin wide body SOIC package (package code DW). The EVM is a two-chip solution and features enough test points and jumper options to evaluate the device with minimal external components.
RECOM Power offers the R-REF03-CAN1 evaluation board for the ISO1042. The R-REF03-CAN1 board demonstrates the ISO1042 isolated CAN transceiver supplied by the R1SX-3.305/H isolated DC-DC converter. To supply the reference board, only one 3.3 volt external supply is required. This reference board allows designers to quickly develop and analyze isolated systems.
While the Texas Instruments ISO1042 is optimized for use in industrial CAN applications, the TJA1052i high-speed CAN transceiver from NXP is specifically targeted at electric vehicles (EVs) and hybrid electric vehicles (HEVs), where galvanic isolation barriers are needed between the high and low-voltage parts (Figure 2).
Figure 2: The TJA1052i from NXP is optimized for use in electric vehicles and hybrid electric vehicles. (Image source: NXP Semiconductors)
The TJA1052i is designed for use in lithium-ion (Li-ion) battery management, regenerative braking, and 48 volt to 12 volt level shifting. The device can also be used to isolate high-voltage on-demand pumps and motors in belt elimination projects. The AEC-Q100 qualified TJA1052i implements the CAN physical layer (PHY) as defined in ISO 11898-2:2016, and SAE J2284-1 to SAE J2284-5. Three isolation levels are available: 1 kilovolt (kV), 2.5 kV, and 5 kV. Like the ISO1042, the TJA1052i requires an external isolated power source.
Integrated power and signal isolation solutions
While discrete DC-DC converter implementations are generally more efficient compared with their integrated counterparts, integrated solutions offer several advantages:
- Board area reduction
- Easier certification
- Simplicity of design
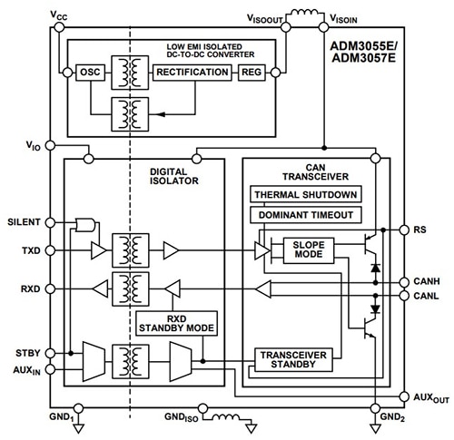
The ADM3055E/ADM3057E from Analog Devices are 5 kV rms and 3 kV rms isolated CAN transceivers with integrated isolated DC-DC converters (Figure 3).
Figure 3: The ADM3055E/ADM3057E isolated CAN transceivers integrate both power and signal isolation. (Image source: Analog Devices)
The devices are powered by a single 5 volt supply and provide a fully isolated solution for CAN and CAN FD. Radiated emissions from the high frequency switching of the DC-DC convertors are kept below EN 55022 Class B limits by continuous adjustments to the switching frequency. Safety and regulatory approvals (pending at the time of this writing) for 5 kV rms isolation voltage, 10 kV surge test, and 8.3 mm creepage and clearance ensure the ADM3055E meets application reinforced isolation requirements. The ADM3057E has an isolation voltage of 3 kV rms and 7.8 mm creepage in a 20-lead, wide body SOIC.
To support design development efforts using the ADM3055E/ADM3057E, Analog Devices offers the EVAL-ADM3055EEBZ evaluation board. The ADM3055E and the ADM3057E integrate logic side on-off keying (OOK) signal isolation channels, and an Analog Devices isoPower DC-DC converter to provide regulated, isolated power that is well below EN55022 Class B limits when transmitting on a two-layer printed circuit (pc) board with surface mount ferrite beads.
Texas Instruments offers a different approach to power and signal isolation in CAN communications based on a two-chip solution using the ISOW7841, a two-channel isolated data and power device along with the CAN transceiver TCAN1042H (Figure 4).
Figure 4: This two-chip solution provides power and signal isolation in one chip (left) and CAN communications in the second chip (right). (Image source: Texas Instruments)
The integration of the transformer inside the ISOW7841 chip saves space not only in the x and y dimensions, but also in the z (height) dimension. To evaluate the ISOW7841, the ISOW7841EVM evaluation module is available. When working with the two chips, overall board space can be reduced by placing the ISOW7841 device on one side of a board and the CAN device on the other.
This two-chip solution results in designs that do not require any additional components to generate the isolated power, making the isolation solution less than a quarter of the size of solutions that use a discrete transformer to generate the required isolated power. One related reference design takes a single power supply input between 3 and 5.5 volts and the digital signals referred to the input supply level on one side of a board. The ISOW7841 then generates an isolated power supply using an integrated DC-DC converter, which is used to power the CAN transceiver on the other side of the board. The signals on the power side of the board are isolated and connected to the CAN transceiver, which converts the single-ended digital signals into the differential CAN format.
Conclusion
Power and signal isolation are necessary to protect CAN buses from potential failure resulting from ground potential differences between subsystems, general noise sources such as common-mode energy and radiated energy, and high-voltage noise and spikes on the power distribution bus.
As shown, isolation options for CAN bus systems include discrete solutions where the power and signal are separately isolated, as well as fully-integrated power and signal isolation solutions, which can also include related protection functions that may allow their use in automotive and industrial applications without additional protection devices, such as suppressor diodes.
Recommended Reading
1: How to Select the Right Galvanic Isolation Technology for IoT Sensors
2: Apply the Latest CAN Bus Enhancements for Secure Reliable High-Speed Automotive Communications
Disclaimer: The opinions, beliefs, and viewpoints expressed by the various authors and/or forum participants on this website do not necessarily reflect the opinions, beliefs, and viewpoints of DigiKey or official policies of DigiKey.




