RRW2111x/RRW221xx Primary-Side Regulation Flyback SiPs
Renesas SiPs deliver high efficiency at heavy loads while reducing external component count
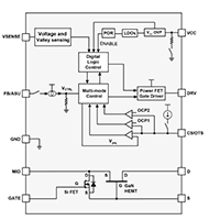
The Renesas RRW21111 is a system‑in‑package (SiP) product that integrates a 700 V SuperGaN® FET with a high-performance digital AC/DC primary‑side regulation (PSR) flyback controller. Its configurable light‑load mode allows the design to be optimized for ultra‑low no‑load power consumption or fast transient response through a single external resistor. Operating in quasi‑resonant mode, the device delivers high efficiency at heavy loads while reducing external component count, simplifying EMI design, and lowering overall bill‑of‑materials cost.
PrimAccurate™ primary‑side regulation eliminates the need for secondary‑side feedback components while maintaining excellent line and load regulation. The digital control architecture removes external loop‑compensation requirements and uses pulse‑by‑pulse waveform analysis to achieve a faster dynamic response than traditional solutions. A built‑in power‑limit function supports transformer optimization across universal offline input ranges, and the RRW21111 is typically used in applications around 65 W.
The device enables high average active efficiency and no‑load power consumption below 75 mW. Its soft‑start capability provides smooth startup into large capacitive loads at any output voltage, making it suitable for networking and monitor adapter applications.
The RRW21111 includes internal and external overvoltage protection, with the external path providing supplemental output OVP for enhanced system robustness.
- Integrated with 700 V, 150 mΩ GaN FET
- External supplemental output overvoltage protection
- Adaptive soft start for smooth startup into 330 µF to 6,000 µF loads at 9 V+ outputs
- Integrated protections: output short-circuit, output overvoltage, and output overcurrent
- User-configurable light-load mode for optimized dynamic response and no load power
- <75 mW no-load power consumption at 230 VAC in typical 24 W designs
- PrimAccurate™ primary-side regulation eliminates optocouplers
- Optimized 79 kHz maximum PWM frequency with quasi-resonant operation for improved size, efficiency, and noise
- EZ EMI™ design improves manufacturability and EMI margin
- Adaptive PWM/PFM multi-mode control for higher efficiency
- Five-level cable-drop compensation
- Tight constant-voltage regulation with optional constant current support
- SmartDefender™ hiccup protection for soft short conditions
- Optional internal overtemperature protection
- No audible noise across the full operating range
- QFN 8×8 package
RRW2111x/RRW221xx Primary-Side Regulation Flyback SiPs
| Image | Manufacturer Part Number | Description | Available Quantity | Price | View Details | |
|---|---|---|---|---|---|---|
![]() | ![]() | RRW22111-153 | ZSP AC/DC DIGITAL SSR FLYBACK CO | 0 - Immediate | $5.24 | View Details |
![]() | ![]() | RRW22121-153 | AC/DC DIGITAL SSR FLYBACK CONTRO | 0 - Immediate | $5.24 | View Details |
![]() | ![]() | RRW21111-153 | PRIMACCURATETM AC/DC CONTROLLER | 0 - Immediate | $5.12 | View Details |
![]() | RRW21112-153 | PRIMACCURATETM AC/DC CONTROLLER | 0 - Immediate | $1.97 | View Details | |
![]() | EBC10296 | SSR GAN-SIP RRW22111 65W PD 3.2 | 0 - Immediate | $339.13 | View Details | |
![]() | EBC10320 | SSR GAN-SIP RRW22101 24V/100W DE | 0 - Immediate | $250.76 | View Details | |
![]() | EBC10298 | PSR GAN-SIP RRW21111 24V 65W DES | 0 - Immediate | $250.76 | View Details | |
![]() | RRW22112-153 | ZSP AC/DC DIGITAL SSR FLYBACK CO | 0 - Immediate | $2.04 | View Details | |
![]() | RRW22115-153 | ZSP AC/DC DIGITAL SSR FLYBACK CO | 0 - Immediate | $1.75 | View Details | |
![]() | RRW22122-153 | AC/DC DIGITAL SSR FLYBACK CONTRO | 0 - Immediate | $2.04 | View Details | |
![]() | RRW22125-153 | AC/DC DIGITAL SSR FLYBACK CONTRO | 0 - Immediate | $1.75 | View Details | |
![]() | RRW22101-153 | AC/DC DIGITAL SSR FLYBACK CONTRO | 0 - Immediate | $2.72 | View Details | |
![]() | RRW22102-153 | AC/DC DIGITAL SSR FLYBACK CONTRO | 0 - Immediate | $2.04 | View Details | |
![]() | RRW22105-153 | AC/DC DIGITAL SSR FLYBACK CONTRO | 0 - Immediate | $1.75 | View Details |



