TPS65070 - Powering Processors with a Single IC
A 5-Channel Power Management IC with 3 DC/DCs and 2 LDOs in 6x6 mm QFN
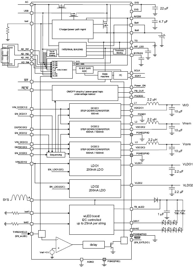
Texas Instruments' TPS65070 is a single chip power management IC for portable applications consisting of a battery charger with power path management for a single Li-Ion or Li-Polymer cell. The charger can either be supplied by a USB port on pin USB or by a DC voltage from a wall adapter connected to pin AC. Three highly efficient 2.25 MHz step-down converters are targeted at providing the core voltage, memory and I/O voltage in a processor based system. The step-down converters enter a low power mode at light load for maximum efficiency across the widest possible range of load currents.
Overview
For low noise applications the device can be forced into fixed frequency PWM using the I2C interface. The step-down converters allow the use of small inductors and capacitors to achieve a small solution size. The TPS65070 also integrates two general purpose LDOs for an output current of 200 mA. These LDOs can be used to power an SD-card interface and an always-on rail, but can be used for other purposes as well. Each LDO operates with an input voltage range between 1.8 V and 6.3 V allowing them to be supplied from one of the step-down converters or directly from the main battery. An inductive boost converter with two programmable current sinks powers two strings of white LEDs.
The TPS65070 comes in a 48-pin leadless package (6 mm x 6 mm QFN) with a 0.4 mm pitch.
- Charger/Power Path Management:
- 2 A output current on the power path
- Linear charger: 1.5 A maximum charge current
- 100 mA / 500 mA / 800 mA / 1300 mA current limit from USB input
- Thermal regulation, safety timers
- Temperature sense input
- 3 Step-Down Converters:
- 2.25 MHz fixed frequency operation
- Up to 1.5 A of output current
- Adjustable or fixed output voltage
- VIN range from 2.8 V to 6.3 V
- Power save mode at light load current
- Output voltage accuracy in PWM mode ±1.5%
- Typical 19 mA quiescent per converter
- 100% duty cycle for lowest dropout
- LDOs:
- Fixed output voltage
- Dynamic voltage scaling on LDO2
- 20 mA quiescent current
- 200 mA maximum output current
- VIN Range from 1.8 V to 6.3 V
- w/LED Boost Converter:
- Internal dimming using I2C
- Up to 2 x 10 LEDs
- Up to 25 mA per string with internal current sink
- I2C interface
- 10 Bit A/D converter
- Touch screen interface
- Undervoltage lockout and battery fault comparator
- Proven solution for many processors reduces time-to-market
- ~50% smaller solution compared to discrete solutions
- WLED backlight power for up to 5 displays
- DC/DC also offers power for peripherals, providing a complete system solution
- Highly flexible design supports many different applications
- Portable navigation systems
- PDAs, pocket PCs
- OMAP™ and low power DSP supply
Powering Processor
| Image | Manufacturer Part Number | Description | Available Quantity | Price | View Details | |
|---|---|---|---|---|---|---|
![]() | ![]() | TPS65070RSLR | IC PWR MGMT 5CH W/2 LDO 48VQFN | 1241 - Immediate | $13.67 | View Details |
Related TPS6507x Product
| Image | Manufacturer Part Number | Description | Available Quantity | Price | View Details | |
|---|---|---|---|---|---|---|
![]() | ![]() | TPS650732RSLR | IC PWR MGMT 5CH W/2 LDO 48VQFN | 6913 - Immediate 13400 - Marketplace | $13.10 | View Details |



