Sensor-Based Collision Avoidance Solutions for Drone Fleets
Contributed By Electronic Products
2016-03-03
Drones (officially known as “Unmanned Aircraft Systems”) are rapidly becoming commonplace technology that individuals or businesses can buy and operate relatively freely (which does not mean you can fly it anywhere, or for any purpose). The more modern systems have pod mounts allowing interchangeable payload operations, and are able to accept a wide variety of sensors, illuminators, and video links.
While individually piloted drones will rarely collide in midair, the likelihood of such events increases along with an increase in the number of random, non-synchronized fleet operations. Through the use of clever programming and control schemes, however, multiple units can work together to move payloads, drop flame retardant, help perform rescues, or conduct surveillance. In these cases, both precise remote control and local autonomous collision-avoidance technologies must be in place.
This article examines solutions for localized sensing and detecting of foreign objects in proximity to drones. These sensor systems can insert a safe, collision-preventing layer of protection embedded within the local processor(s), letting the drone enter an autonomous mode when main-line communications go down. All parts, data sheets, and development systems referenced here can be found on the Digi-Key website.
Proximity technologies
There are several techniques that can be used to detect other drones or objects in proximity to drones that do not involve communications to a central hub, or even communications between adjacent drones. Optical sensing is one of these techniques.
IR optical emitters can pulse out unique frequencies, duty cycles, and patterns that optical detectors (based on photodiodes and photo transistors), can use to extract signals. These are fed to an embedded controller that can look for a reflected signal (its own frequency), or other frequency signals. The frequency chirp pattern can even encode an ID number so drones know who their adjacent neighbors are.
The emitters and detectors are small and lightweight so it is not impractical to surround the perimeter of a drone with them. This is a similar approach to that used by light curtains common in elevators to detect when not to close a door. However, while light curtains detect intrusion into a two-dimensional plane, here we need three-dimensional information. It is not good enough to know something is near. We also need to know how far away it is.
While low-cost, low-power (relatively low power; the emitters can draw quite a bit of current) and small-sized, this sensor technique depends on the reflectivity of the drones themselves. If they are flat black, and stealthy in design, then this technique may not yield adequate results. Reflectors can be placed around the perimeter at evenly spaced intervals. Also note that reflectors of a different pattern may be needed on top and bottom.
Another problem with this technique, especially if the drone is to be used for covert military applications, is that the emitters can act as homing beacons for anti-drone weaponry. This would allow enemies to create low-cost, self-guiding projectiles to take out the drones. Reflectors also can let forward-looking emitters paint a target with a well-defined reflection pattern.
Nevertheless, and for most civilian applications, good optical-reflector solutions such as the low-cost and small-size Silicon Labs SI1102-A-GMR work quite well. In this case, the surface-mount, non-metallic combined optical transmitter and receiver (Figure 1) are capable of detecting reflected signals 20 inches away, but take 400 mA at 2.2 to 5.25 volts. The company’s SI1102EK Eval Board can be used to learn and test with this and other Silicon Labs QuickSense family members, and a Product Training Module is available on the Digi-Key website.
Figure 1: Small-sized, surface-mount optical transmitters and receivers are tightly integrated into monolithic packages which provide proximity-detection solutions.
Sound off
Sound-based techniques, specifically ultrasonics, can be used to gauge proximity and distance and many ultrasonic transducers are readily available to serve this purpose. Selection and tuning of operational frequencies may allow different adjacent units to each operate with reduced interference if tight filtration is used. Like optical techniques, if pulse-width modulation or enough of an agile frequency range is available, IDs can be encoded into the chirp pattern.
Solutions exist in the form of discrete transducers like the Murata MA40S4R, or as integrated distance measurement units like the Honeywell SCN-1530SC. Sonic signals scatter more quickly as distance increases so this technique is much more localized and may be harder to detect from longer distances – for military purposes protecting the drones from self-guiding attacks. Background noise, especially prevalent in battlefield conditions, may interfere with an embedded micro’s ability to extract reliable signals continuously. Also, motor noise (acoustic or electrical) can affect a processor’s ability to extract a continuously reliable signal.
Like optical-proximity technologies, an added plus with sonic range-finding is that development systems and eval boards are available to quickly let you test this technology. For example, Analog Devices offers the EVAL-CN0343-EB1Z sensor development kit specifically for sonic distance measurement. Maxim also provides the MAXQ7667EVKIT-1# ultrasonic distance measurement eval kit based on its embedded processors (Figure 2).

Figure 2: Ultrasonic transducers can be large but are generally light in weight and have been used reliably to detect proximity and distance. Eval kits let you test and learn at low cost and risk before committing to a specific technology.
GPS solutions
For very close operations, use of magnetic and Hall-Effect devices are possible, but are not generally viable for longer-distance sensing. The need for copper coils makes this solution bulky and expensive. It also can burn up a lot of power to make coils send signals over longer distances.
While video has potential application here, the processing required to extract edges and determine localized objects in real-time may be a show-stopper. What’s more, while extracted edge-enhancement information may be good for seeing an outline, it may not be feasible when trying to easily and accurately discern distance. The same image may appear for a small object close by, or a large object far away.
One possible solution is to use GPS receivers on each drone and have a self-organizing mesh network to allow each adjacent drone to keep a controllable distance from others. Available as chips or modules, GPS units can be fairly resolute, and several internationally compatible solutions support GPS, GLONASS, and GNSS standards. What’s more, many quality manufacturers of GPS antennas allow optimal placement on and around the drone for reliable signal acquisition. And since GPS systems are receive only, there are no telltale transmitters to guide missiles and drone hunters in.
Simple UART, SPI, or IIC serial control and data access make it a good choice for seamless integration with an embedded microcontroller. As an example, consider the general-purpose Telit Wireless Solutions SL869GNS115T001 module for GPS, GLONASS, and GNSS standards (Figure 3). As a 24-pin 1.8 gram surface-mount LLC packaged part, the 3 to 3.6 volt unit can draw up to 67 mA during acquisition, but only 73 uA in standby.

Figure 3: Implementing GPS using a serial protocol to a dedicated GPS module provides a small-sized, low-cost solution that will not take a lot of design time. A drone can simply be told where to go, and it autonomously will go there.
Radar
A very feasible solution could be the use of scaled-down, ultra-compact radar. RF techniques may be ideally suited for this application, especially at very high frequencies where antennas and components get to shrink to a very small scale.
Another advantage is that the automotive industry has pushed forward much of this technology with features like collision-avoidance radar and lift-gate proximity detection; and, since cars have more than one side, integrated multi-channel radar solutions and front ends are available.
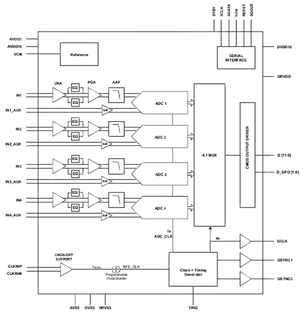
For instance, the Texas Instruments AFE5401TRGCTQ1 is a monolithic four-channel analog radar front end with integrated Low Noise Amplifier, equalizer, Programmable Gain Amplifier, anti-aliasing, and A/Ds with 12-bit resolution (Figure 4). Note how this 1.8 volt part allows simultaneous sampling across all channels and its 25 Msample/sec rate with a 12-bit CMOS compatible parallel bus allows rapid transfer of acquisition data to a host controller.

Figure 4: Multi-channel monolithic radar devices like this four-channel receiver have been developed for the automotive industry, but are ideal to test and develop proximity- and collision-avoidance systems for drones.
Because of the increased popularity of small and compact radar for collision avoidance and other applications, a few good radar dev kits (such as the Analog Devices AD8285CP-EBZ) are available to test and evaluate this technology.
Radar is a technology to keep an eye on since it is in the process of being miniaturized for use as a gesture-recognition interface device. The joint partnership between Google and Infineon called Project Soli is developing this new interaction sensor using radar technology. By detecting the location and movement of your fingers in space – right on down to using the Doppler Effect to detect speed – it promises to enable rich device interaction. The Soli sensor can track sub-millimeter motion of human fingers at high speed and accuracy. It fits onto a chip, can be produced at scale, and can be used inside even small wearable devices. The Project Soli team is planning to release a dev kit that will allow developers to create new interactions and applications.
For more information about the parts discussed in this article, use the links provided to access product pages on the Digi-Key website.
Disclaimer: The opinions, beliefs, and viewpoints expressed by the various authors and/or forum participants on this website do not necessarily reflect the opinions, beliefs, and viewpoints of DigiKey or official policies of DigiKey.


