How to Power an Electric Off-Highway Vehicle Low-Power Network from the Traction Battery
The world is captivated by the electric vehicles (EVs) being introduced by the major automotive manufacturers. This is partly due to some slick advertising, but also because the cars are impressive examples of contemporary engineering. Meanwhile, an enormous global fleet of electric unsung heroes is quietly going about its business.
So-called off-highway vehicles (OHVs) underpin the world’s economy by humming around warehouses, factories, airports, docks, and many other places where goods, baggage, and people must be shifted. While a dusty electric forklift operating in the darkest corners of a warehouse is not quite as glamorous as a sleek and sporty EV speeding along the highway, it performs just as important a role (Figure 1). And the design challenges of OHVs are just as tough, if not tougher, as those encountered when developing road-going vehicles.
Figure 1: Electric OHVs such as forklifts present some formidable design challenges. (Image source: Komatsu)
One size doesn’t fit all
A key trend in the road-going EV sector is a move away from 400 volt traction batteries towards 800 volt systems. It’s a sensible engineering decision because the higher voltage reduces the current required for the same power output to the traction motors. This, in turn, lowers power dissipation, allowing for the use of lighter cables and smaller motors while still maintaining performance. There are some trade-offs, like higher voltage isolation requirements, but moving to 800 volts is good overall.
While 800 volt power is great for shifting four people over hundreds of kilometers at highway speeds, it’s hardly needed for an electric forklift that spends its life trundling around a warehouse for a few hours a day, or a baggage cart hauling travelers’ luggage airside. This is good news for the electric OHV designer because finding space on a compact vehicle for the 200 lithium-ion (Li-ion) cells that make up a nominal 800 volt battery would be somewhat of a challenge.
Instead, electric OHVs use smaller traction batteries. Depending on the application, common traction voltages for OHVs include 24, 36, 48, 80, 96, and 120 volts. However, while the traction voltages might vary, what most OHVs have in common is a 12 volt low-voltage network to power things like the OHV’s lights, windshield wipers, horn, and ventilation fans.
Eliminating the 12 volt battery
Road-going EVs typically feature a conventional 12 volt lead/acid battery to power their low-voltage networks, though 48 volt batteries are also becoming popular. This makes sense because it allows the high-voltage traction side to be physically isolated from the low-voltage network. It also means that ancillary functions such as electric steering or heated seats don’t have to draw power directly from the traction battery, and thus don’t impact range as the low-voltage battery is charged by regenerative braking.
While adding a 12 volt battery to an OHV can be done, it’s not the best solution in many cases. The battery needs space, adds weight, cost, and complexity, and there’s often minimal regenerative braking in OHV applications to keep it topped off. In many cases, designers choose to draw directly from the OHV’s traction battery to power the low-voltage network. And because the operating range is less of an issue for these workhorses when compared with road-going EVs, the power drain on the traction battery isn’t as much of a concern.
Moreover, OHVs’ lower traction battery voltages mean the regulations for isolation between traction and low-power circuits are less strict.
Robust DC-DC modules fit the bill
Powering a low-voltage network from the traction battery requires a DC-DC converter to drop the voltage to 12 volts. The converter needs to be efficient to minimize the drain on the traction battery and ease thermal management issues, compact enough to fit the space available in a small OHV, and rugged enough to operate reliably in challenging conditions.
The off-the-shelf RMOD series of power modules from RECOM are a good fit (Figure 2). The modules are designed to generate a low voltage from a vehicle’s traction battery and come in versions with outputs of 400 watts and 600 watts. The modules are sealed to IP69K against dust and water ingress and are certified to EN60068 for resistance to temperature cycling, shock and endurance, humidity/heat cycling, vibration, mechanical shock, and salt spray. They are also isolated to 2.5 kilovolts (kV) DC and are certified to IEC/EN/UL/CSA 62368-1.
Figure 2: RECOM’s RMOD DC-DC modules are rugged solutions for powering low-voltage networks from traction batteries. (Image source: RECOM)
The RMOD400-28-13SW module from the 400 watt line can accept a DC input voltage from 16.8 to 56 volts and output 30.8 amperes (A) at 13 volts. It measures 8 x 4.53 x 2.4 inches (in.) and has an efficiency of 85%. Figure 3 shows the module’s efficiency curves for a range of voltages. A version with a 24 volt output (RMOD400-60-24SW) is also available.
Figure 3 : Shown are the efficiency curves for the RMOD400-28-13SW DC-DC module across a range of input voltages. (Image source: RECOM)
The 600 watt RMOD600-80-13SEW has a DC input voltage range of 33.6 to 125 volts and outputs 46.2 A at 13 volts. The module is the same size and efficiency as the 400 watt version. Figure 4 shows the module’s power dissipation versus load. The module requires appropriate thermal management to regulate its temperature at high output loads.
Figure 4 : Shown are the power dissipation curves for the RMOD600-80-13SEW DC-DC module. (Image source: RECOM)
Getting rid of the heat
Thanks to the waterproof and dustproof housing construction, the devices can be connected to the OHV’s chassis and operate reliably under the most adverse conditions. The modules must be mounted on a heat pad and then onto a chassis member that can act as a heatsink. The module can be used in enclosed applications with a full load, provided the cooling is sufficient to keep the baseplate temperature below 70°C.
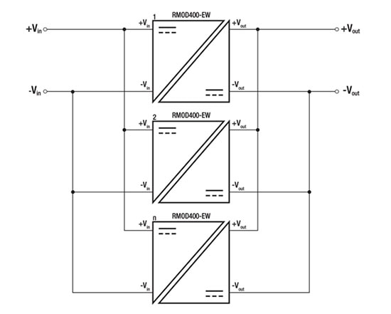
Multiple modules can operate in parallel, provided they have the same rated output voltage. However, since there is no active current sharing, the designer must be aware that units connected in parallel could contribute different amounts to the total load current (Figure 5).
Figure 5 : Parallel operation of the RECOM RMOD DC-DC converters is possible, provided they have the same rated output voltage. (Image source: RECOM)
Conclusion
Designers of OHVs can avoid the need for an additional low-voltage battery by powering the low-voltage network used for the vehicle’s ancillary systems from the traction battery. The RMOD DC-DC modules from RECOM offer a plug-and-play solution specifically for this purpose. The modules accept a range of traction battery voltage inputs while providing regulated, low ripple, 13 volt outputs for the ancillary systems.
Have questions or comments? Continue the conversation on TechForum, DigiKey's online community and technical resource.
Visit TechForum

