Adding Connectivity to IoT Applications through Personal and Wide Area Networks
Contributed By DigiKey's European Editors
2017-08-31
It would be impossible to conceive the IoT without RF technology. Since the late 19th century, the technology and techniques employed in the modulation, transmission and reception of electromagnetic energy have evolved significantly; from humble beginnings to a globally empowering technology. The IoT is the latest chapter of that story.
Legislation around the use of RF technology has also seen significant changes, but today there are many license-free solutions that are impacting every aspect of modern life. Adhering to certain restrictions, anyone can put into service a radio ‘network’ using off-the-shelf devices, something that is changing the face of industry and commerce.
While the principles remain the same, the modulation techniques have changed considerably, thanks in no small part to the development of digital signal processing. Demand for wireless solutions targeting the IoT now drives innovation in personal and wide area networking technology. Using wireless technology comes with its own demands in terms of complying with regional restrictions, observing and responding to security threats, and ensuring compatibility within networks. Protocols and their implementation at the silicon level go to great length to address these issues.
Bluetooth 5 on the rise
In terms of personal area networks (PANs), no single technology is more prolific than Bluetooth, and with the advent of Bluetooth 5 its appeal is set to increase. The latest version of the specification is a major upgrade because it includes support for mesh networking, a topology that allows direct connections between devices, removing the need for a central hub. This will lead to Bluetooth PANs that are virtually unlimited in their size and number of devices, which has obvious benefits in the IoT.
Other positive improvements include range, size of payload, and power consumption, all of which will increase the applicability of Bluetooth and therefore the number of devices in service. One of the first integrated devices to support Bluetooth 5 is the DA14586 from Dialog Semiconductor. This highly integrated SoC features three processors: an ARM® Cortex®-M0 core for application code, a dedicated processor for the link layer, and an AES 128-bit encryption processor. It also integrates a 2.4 GHz radio transceiver with support for a single-wire antenna.
Devices like the DA14586 are ideal for wearable devices thanks to their small size, high level of integration and low power requirements. In such applications, the antenna will likely be implemented on the PCB to further reduce the BOM and total system footprint. In general, this is the ideal use case, but as with any RF design, certain precautions should be taken.
For example, the device needs a good, solid ground plane connected using as many vias as feasible, and an overall compact footprint to minimize cross-coupling between the components operating at high frequencies. This is most easily achieved using a multi-layer PCB which helps with the implementation of the most common antenna format, the inverted-F antenna (IFA). When applied to a Bluetooth link it is possible to use the folded IFA format, which, against a full IFA, reduces the PCB area required by half but can still deliver acceptable bandwidth. Figures 1a and 1b show the full sized and reduced sized printed IFA respectively, as implemented on the top layer of a multi-layer PCB for the DG14586.
Figure 1a: A full size printed IFA on a 1 mm substrate.
Figure 1b: A reduced size printed IFA on a 1 mm substrate.
It is important to note that the matching network will be dependent on the substrate used and the overall PCB thickness. Of course, the antenna should also have sufficient clearance from any forms of interference and in general it is advisable to maintain at least 5 mm clearance around the antenna both horizontally and vertically, and avoid the use of metal in the casing.
Using the DA14586, it is also possible to implement an antenna on a single layer PCB, but in the absence of a continuous ground plane, printed dipoles are normally substituted for an IFA design. However, this can add cost due to the need for a balun.
Multi-protocol solutions
While Bluetooth is prolific, it isn’t the only wireless protocol being used in the IoT. It is unlikely that any single protocol will meet the requirements of all applications, and so the need for coexistence in the 2.4 GHz ISM band will continue for some time.
In acknowledgement of this, some manufacturers are now offering devices that can implement multiple wireless protocols in the same device, giving manufacturers and consumers maximum choice. A prime example of this is the Mighty Gecko multi-protocol wireless SoC family from Silicon Labs.
Powered by a high-performance ARM Cortex-M4 with DSP extensions, the EFR32MG12 can support ZigBee, Thread, Bluetooth 5, and proprietary protocols. It also integrates a host of Silicon Labs’ peripherals for IoT applications such as its low-energy sensor interface (LESENSE) and multi-channel capacitive sense interface (CSEN). Figure 2 shows the fully integrated and flexible radio transceiver, which includes an on-chip balun. The RFSENSE block allows the device to wake on receiving an RF signal and demodulate it autonomously (without waking the MCU), a feature designed to maximize lifetime in applications powered by battery or harvested energy.
Figure 2: The fully integrated RF transceiver in the EFR32MG12.
The EFR32 series is well positioned for applications that harvest their energy from renewable sources such as solar, thermal or vibration. It is even possible to operate the EFR32 from energy harvested through a 4-20 mA current loop in an industrial application. Figure 3 represents how the low power operation of the EFR32 can enable a device to operate from harvested energy.
Figure 3: Low power modes can help enable IoT applications that operate purely from harvested energy.
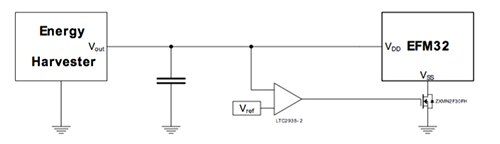
Efficient management is important in energy harvesting applications, which includes storing any energy that isn’t used immediately. Energy banks such as electrolytic or super capacitors or small rechargeable batteries can be implemented. As there is a current surge at start-up, it may also be necessary to include a way of inhibiting the SoC from powering up before the energy bank is sufficiently charged. Figure 4 is a conceptual diagram of how such a voltage controlled power switch could be implemented. Hysteresis should be designed into the switch to prevent the MCU from powering down should the voltage level drop below the brown-out level during start-up.
Figure 4: Implementing a voltage-controlled power switch.
It is also worth noting that energy mode 4 in the EFM32 series requires a reset, so it should be used carefully in energy harvesting designs. Silicon Labs recommends using sleep modes EM1 to EM3 if possible.
Low power WANs
As wireless communications aren’t just limited to PANs, it is possible to implement an IoT application over a wireless WAN, offering communication over much greater distances. There are now a number of low-power wide area network technologies targeting battery-powered applications, such as LoRaWAN, Weightless, Sigfox, and even LTE.
In terms of range, Sigfox is particularly impressive with up to 1000 km line-of-sight. It achieves this using an ultra-narrow band radio technology operating on proprietary networks and a simple protocol that doesn’t impose the need to establish a connection before transmitting.
Low power WANs are different from PANs in their implementation, but getting connected isn’t difficult. For example, the ATA8520D from Microchip is a single-chip transceiver for the Sigfox network. An application example is shown in Figure 5.
Figure 5: An example of how the ATA8520D Sigfox transceiver could be used.
While all of the firmware needed to run the Sigfox protocol and drive the integrated RF front-end is embedded and executed on the device’s CPU, control of the transmit and receive functions are initiated over SPI by the host processor.
The device will remain off until ‘awakened’ by the host processor, typically consuming less than 5 nA at 25°C. In a typical application the TX/RX cycle would start with wake-up followed by the sequence of instructions: get status; write TX buffer; send/receive frame; get status; read RX buffer. Following the read instruction, the instruction to shut down can also be sent over SPI, putting the device into a power-saving mode.
Conclusion
The IoT will be empowered by wireless technology, but it is unlikely to be dominated by a single solution. The availability of single-chip devices able to implement a wide range of multiple wireless protocols demonstrates that fragmentation will not inhibit the expansion of the IoT.
The cost of implementing wireless connectivity is decreasing, as is design complexity. The development of fully integrated SoCs that embed the protocol stack and RF front-end alongside powerful MCUs in a low-power solution will enable more devices to get connected in the future.
Choosing the right wireless protocol for a given application may, however, become more difficult. As the overlap between capabilities increases, it will become less obvious (and perhaps less important) which protocol to choose. Efforts to create multi-protocol devices could solve this problem as quickly as it appears.
One thing is clear. Wireless connectivity at the PAN and WAN level is increasing, bringing with it greater flexibility, control and overall functionality to every vertical sector.

Disclaimer: The opinions, beliefs, and viewpoints expressed by the various authors and/or forum participants on this website do not necessarily reflect the opinions, beliefs, and viewpoints of DigiKey or official policies of DigiKey.