LEDs in Smart Meters Indicate Energy Saving
Contributed By DigiKey's European Editors
2014-01-07
There is no doubt that the rapid growth in the smart metering market will continue for some years yet. While utilities throughout the US and Europe continue their roll out to domestic, commercial, and industrial customers, other geographic areas are already following suit.
A key advantage of smart metering is the visibility afforded the consumer to observe his energy usage. Campaigns to encourage energy saving at the domestic level, such as using low energy light bulbs, switching off lights and appliances not in use, and selecting energy saving products, can be so much more effective when we can visibly see the impact of our actions on energy consumption, and more particularly, how much money can be saved.
Two-way communication and an effective user interface are the critical factors here, to provide the consumer as well as the utility company information on consumption and to reassure consumers of ongoing efficient operation. LED indicators, together with an alphanumeric display, are the primary means of keeping consumers informed. Meanwhile, smart meters necessarily have to be cheap, low power, and unobtrusive, as well as accurate and reliable. LED indicators not only meet these constraints, but can be surprisingly versatile through innovative design.
This article will review how LEDs can be used effectively as indicators in smart meters, highlighting factors such as the choice of technical specification, color, and configuration. Typical devices used in smart meters include the QuasarBrite blinking LEDs from Lumex Opto and the 605 and 558 series RGB LEDs from Dialight. Some consideration will be given to the choice of driver, such as the LP3943/4 from Texas Instruments, and finally, some pointers on how to keep the design low power.
Meter market growth
According to market research company, MarketsandMarkets,¹ the global smart meter market is expected to grow from $4,381 million in 2010 to $15,261 million in 2016, at an estimated CAGR of nearly 21%. The primary market driver is international motivation, largely prompted by government pressure to reduce global energy consumption and, in particular, greenhouse gas emissions. Further integration into ‘smart grid’ and smart city projects, is stimulating further growth in North America and Europe. Demand is also increasing in Australia, New Zealand, India, and the Middle East, according to the report.
Although the scope of the smart meter concept covers electricity, gas, and water consumption, measuring electricity use is the dominant application. Smart meters help reduce energy consumption indirectly via the utility company through the remote meter reading facility. The utilities benefit further, of course, from considerable cost savings in both operational aspects and in customer billing, removing the need for estimated bills.
Energy usage can be reduced directly too, as householders become more aware of their consumption in real time and the cost savings that can be made through simple gestures, such as unplugging the phone charger when not in use, or by changing habits, such as using appliances during off-peak hours. This is a major advantage of smart meters, and is most effectively achieved with a very visible and easy-to-understand user interface. Incentivizing consumers to shift appliance usage in order to save money will have a significant impact on the utility company, allowing it to reduce peak energy consumption.
Smart but small
The smart meters themselves have to be relatively small, simple, low-cost devices that are robust, reliable, and tamper proof. Some are designed to directly replace older analog meters (see Figure 1). Some are custom designed to suit specific form-factor requirements (see Figure 2). Smart meters are installed close to where the energy supply enters a premises, which is often not an ideal location for the householder to view consumption data. However, the meters generally feature both a digital display and a number of LEDs.
Typically, the LCD is used to display information, which can include energy consumption in real time, consumption over time, tariffs and billing information, as well as meter configuration and calibration data. Front-panel LED indicators can also be used to represent consumed energy, communication status, operational status, and to alert the user to errors or other factors.
A useful accessory to the smart meter is the smart energy monitor. There is a wide range of consumer devices available on the open market. Some utility companies are supplying smart energy monitors to complement their smart meters. They are particularly useful when more than one smart meter is installed (electric, gas, water), and they can be easily integrated into home automation hubs. The monitors typically comprise a sensor, transmitter, and display. Some units feature a sensor that clamps on to the mains cable at the meter to measure current flow. Others employ an optical/LED sensor to gather data from the smart meter itself, and this is used to accurately calculate energy usage. The data is then transmitted wirelessly to the display unit. The benefits are that the monitor can be placed anywhere in the home, and can display information that makes it much easier for the consumer to understand. Again, the user interface is typically an LCD complemented by LED indicators.
Reassuringly simple
While a color digital liquid-crystal display can provide a wealth of information, even in a relatively small space, there are times when a simple red or green LED is the best choice as a status indicator. A quick glance at a smart meter that is showing an illuminated LED provides valuable reassurance that the device is operational. Multiple LEDs in different colors with varying illumination patterns can be used effectively to deliver a variety of information.
A series of LEDs running from red through amber to green can provide a simple means of indicating how much electricity is used: green to amber lights for low to medium consumption, and amber to red for high levels of energy use. The FEA55LED wireless energy-consumption indicator from Eltako, as shown in Figure 4 below, uses a series of ten red LEDs. Up to five are illuminated at one time with LED brightness increasing in a clockwise direction. If the pre-set range is exceeded the last LED flashes. A light sensor is incorporated to control LED brightness, depending on the ambient light level.
Blinking LEDs are used widely in smart meters: the faster the blink, the more electricity is being consumed. The devices can be very accurately calibrated for configured pulses converted to kWh, to provide precise consumption data. It is from this type of LED installation that smart energy monitors incorporating light sensors can take their data.
While a constant LED can indicate the unit is working, a flashing LED can indicate an error. Some units use amber/yellow LEDs to indicate GSM signal strength, or to show when the unit is transmitting/receiving data from the base station.
Panelware
Leading LED design and manufacturing company, Lumex, offers a classic range of ‘traffic light’ flashing LEDs, ideal for use as panel indicators in appliances and smart meters. The LX5093 series within the QuasarBrite family comes in red, yellow, and green. The red version is available in various brightness options, from 5 to 600 mcd. The green and yellow are both specified at 20 mcd typical.
From a design perspective, no additional driver is required for the blinking function, and the devices can be driven at a wide range of voltages. These through-hole, radial-leaded LEDs have a 60° viewing angle, and are rated for a lifetime of at least 50,000 hours over an operating temperature range of -40 to 100°C.
The LX5093BRSD is the 200 mcd red flashing LED with a peak wavelength of 660 nm. The LX5093BGD is the 20 mcd green flashing version, with a peak wavelength of 565 nm.
Panel-mounting indicator LEDs are also available from Dialight. The 605 Series comprises 5 mm snap-in LEDs, described as ideal for mains and remote power indication, status indicators, as well as maintenance and warning indication in a wide range of instrumentation applications. The 605-2111-110F is a recessed red device, rated at 38 mcd brightness. Green and yellow versions are also available. Lifetime is quoted at 100,000 hours typical, no heat is generated and they offer low power consumption, drawing just 15 mA.
Smaller snap-in LEDs requiring a 3.9 mm mounting hole make up the 558 series. Based on either AlInGaP or InGaN technology, for high brightness applications the range includes bi-color versions and devices with integral resistors. The 558-0102-001F is a red LED with straight terminals, 60° viewing angle, and 29 mcd brightness rating. The 558-0202-007F is one of the green versions, rated at 19 mcd, with a 60° viewing angle, and wire leads for solder mounting.
Driving lights
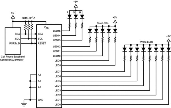
Driving multiple LEDs to provide blinking, dimming, and on/off indication effects is easily achieved through dedicated devices such as the LP3943 LED driver from Texas Instruments. Capable of independently driving up to sixteen RGB or single-color LEDs, the device contains an internal precision oscillator to provide all the necessary timing required to drive each LED. Two prescaler registers, together with two PWM (pulse width modulation) registers, deliver versatile duty cycle control.
The device is compatible with SMbus/I²C applications. Maximum output sink current is 25 mA per pin and 200 mA per package. Any ports not used for controlling the LEDs can be used for general purpose I/O expansion.
An equivalent device designed to drive eight LEDs, the LP3944, is also available.
Figure 5 below shows a typical application circuit for the LP3943. Note that in many applications, the LEDs and the LP3943 share the same VDD. When the LEDs are off, the LED pins are at a lower potential than VDD, causing extra supply current. To minimize this current, it is recommended to keep the LED pins at a voltage equal to or greater than VDD. Several methods to reduce IQ when LEDs are off are suggested in TI’s LP3943 datasheet.²
Power saving
Given that the primary motivation for the installation of smart meters is to save energy, it is not surprising that low-power operation is an essential feature. LED indicators use considerably less energy than neon or alternative technologies, yet low-power design remains an important constraint. Common methods of power conservation for LEDs are LED pulse driving and driver circuit multiplexing. Multiplexing techniques simplify the design and reduce component count by grouping the LED light anodes and cathodes together.
Pulse driving, meanwhile, delivers a series of short electrical pulses to illuminate the light emitting diode or array. Pulse driving can be used to reduce the duty cycle, enabling the LEDs to consume far less energy than in normal operation. This is particularly useful in battery-operated devices, or those reliant on energy-harvesting techniques. An additional benefit is reduced heat dissipation.
Some thought should be given to the operation of the LEDs, depending on the application. For example, it may be more appropriate to turn LEDs off when the system is visibly or audibly active, and then when not in use the LED is illuminated to warn that the system or a specific function is no longer operational. A single LED could easily remain illuminated for several months, if necessary.
In other applications, it may be more useful to provide a ‘partially on’ state instead of an ‘off’ state. This serves as a form of continuous indicator lighting. Even using extreme power-conservation methods, an LED can usually continue to provide enough light for a basic indication of a particular system mode, without depleting batteries. Further, a pulsating or blinking LED array, which remains on for only a fraction of a second, can not only be a more effective indicator, it uses even less power than when lit continuously. The nature of LEDs means that pulsing operation does not degrade the device, as it might in traditional lighting systems. It uses less power and even extends the LED lifespan.
Summary
Although the humble LED may not be the most critical device in smart meters or smart energy monitors, it provides an instant, extremely useful and effective indicator of a system’s status. An array of colored LEDs can be configured to provide varying illumination patterns. The benefits of small size, robustness, long life, low cost, low power, and little heat dissipation make LEDs an attractive technology in smart meters, which themselves have to be compact, low cost, and rugged, as well as reliable.
System designers can differentiate their products through the choice of LED style, color, and configuration. An example circuit of a multiple LED driver has been provided to illustrate a typical design option. Some power conservation techniques have been highlighted to show how thoughtful design can make a difference, particularly for battery-operated systems, or those relying on energy-harvesting techniques.
References:
- MarketsandMarkets, Smart Meter Market report
- Texas Instruments LP3943 datasheet

Disclaimer: The opinions, beliefs, and viewpoints expressed by the various authors and/or forum participants on this website do not necessarily reflect the opinions, beliefs, and viewpoints of DigiKey or official policies of DigiKey.