 Product Page 30 Model PCB Fumgnm
CUI DEVICES
Product Page 30 Model PCB Fumgnm
CUI DEVICES
 
 
 
 
 
 
 
 
 
 
 
 
 
 
 
 
 
 
 
 
 
date 02/05/2020
page 1 of 5
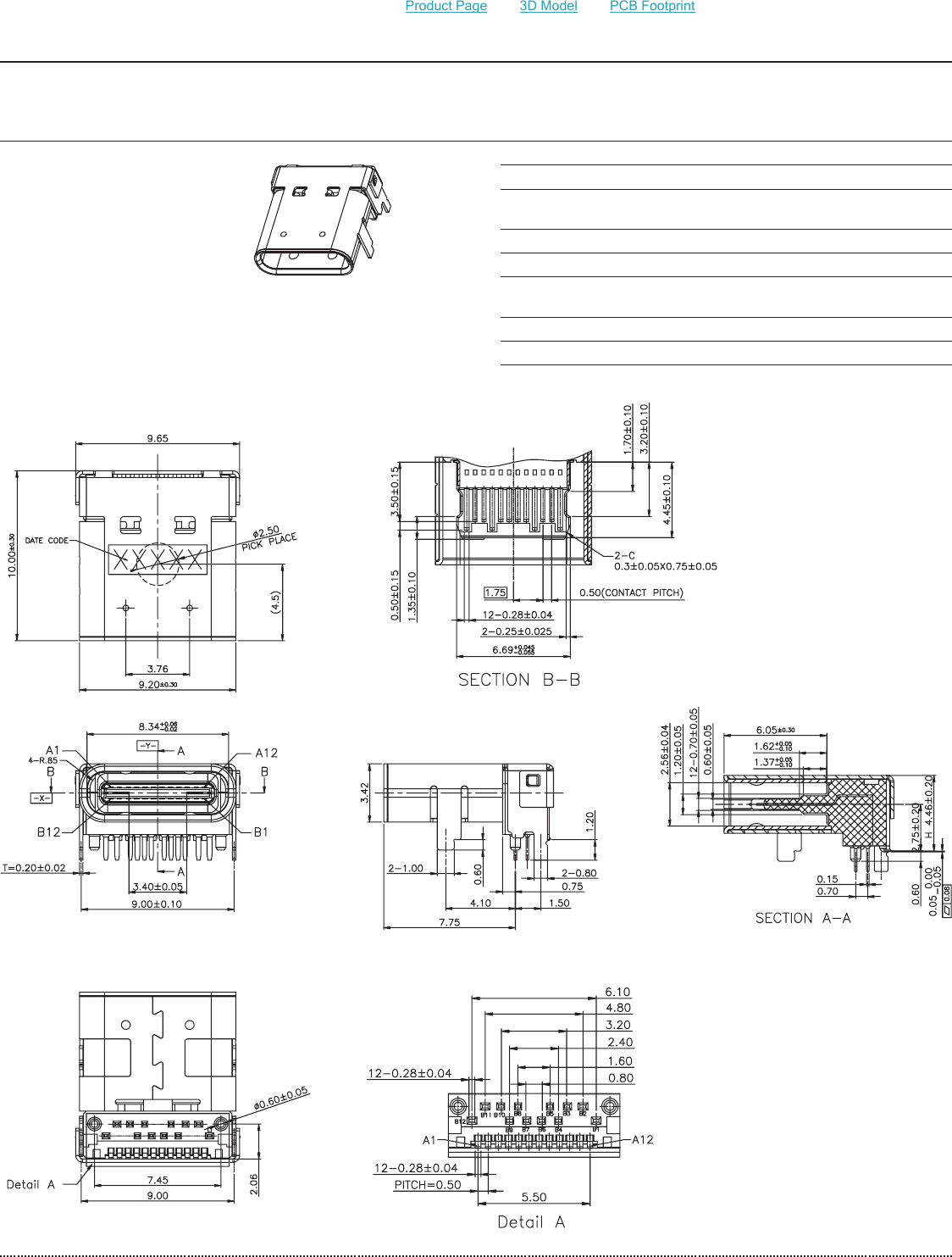
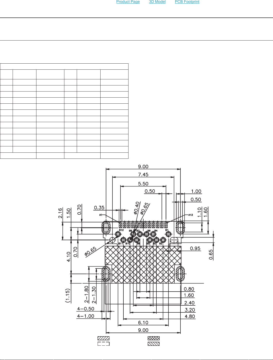
MODEL:  UJ31-CH-G2-SMT-TR │ DESCRIPTION:  USB RECEPTACLE
cuidevices.com
FEATURES
• USB Type C receptacle
• USB 3.1
• 10 Gbit/s data transfer speed
• reflow solder compatible
• tape & reel packaging
SPECIFICATIONS
parameter conditions/description min typ max units
rated input voltage 20 Vdc
rated input current
as per EIA-364-70, Method B
power pins collectively (A4, A9, B4, B9)
GND pins collectively (A1, A12, B1, B12)
VCONN pins individually (A5, B5)
all other signal pins individually
5.0
6.25
1.25
0.25
A
A
A
A
contact resistance1between terminals and mating plug 40 mΩ
insulation resistance at 100 Vdc for 1 minute between adjacent contacts 100 MΩ
voltage withstand at 60 Hz for 1 minute between adjacent contacts 100 Vac
insertion force at a rate of 12.5 mm/min 5 20 N
withdrawal force at a rate of 12.5 mm/min 8 20 N
life at a rate of 200 max cycles per hour 10,000 cycles
operating temperature -25 80 °C
storage temperature -40 85 °C
flammability rating UL94V-0
RoHS yes
Note:  1.  When measured at 20 mV max / 100 mA.
SOLDERABILITY
parameter conditions/description min typ max units
reel storage at relative humidity <60% 30 °C
reflow soldering2see reflow profile 255 260 265 °C
Note:  2.  It is recommended to reflow solder within 168 hours from opening vacuum packaging at a temperature <30°C & relative humidity <60%.
Temperature (°C)
25
150~
170
200
217
260
60~120 s
60~150 s
30~35 s
480 s max
3°C/s max ramp up 6°C/s max ramp down
Additional Resources:    Product Page    |    3D Model    |    PCB Footprint