Coupled Inductors An Excellent Duet!
Innovative molded coupled inductors by Würth Elektronik
The Würth Elektronik WE-MCRI is an innovative molded coupled inductor with fully automated bifilar winding process. It offers an almost ideal coupling coefficient up to 0.995. The WE-MCRI features a soft saturation behavior with its crystalline core structure and distributed air gap. The coupled inductor range includes high voltage isolation versions up to 2 kV, low profile types and versions with various turns ratios.
Benefits
- Up to 0.995 coupling coefficient
- Up to 2.0 kV isolation
- Soft saturation
- Up to 120 A ISAT and 48 A IR
- Large portfolio
High Coupling Version
The first fully magnetically shielded coupled inductor with molding technology for high current!
The distributed air gap within the crystalline structure
High Coupling Coefficient
Soft Saturation
High Voltage Version
High Voltage Isolation up to 2 kV!
Standard Isulation
High Voltage Insulation with multiple Layers
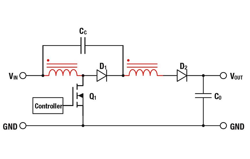
Demo Board - Dual-Output Isolated Buck Converter
With the High Voltage Coupled Inductor WE-CPIB HV, an additional isolated output in a buck converter can be achieved, with minimal solution size and design effort.
Demo Module Features:
- USB powered
- Single and Dual-output buck operation
- Output LED indicators
Typical Applications Overview
Multi Output Buck
Flyback
SEPIC
ZETA
Cuk
High Step-up Boost
| Topology | Isolation | Multiple Output | Output | Complexity | Cost | Product Series Recommendation |
|---|---|---|---|---|---|---|
| Multi Output Buck | Isolated/Non-isolated | Yes | Non-inverted | Low | Low | WE-DPC HV, WE-TDC HV, WE-MTCI |
| Flyback | Isolated/Non-isolated | Yes | Non-inverted | Moderate | Moderate | WE-CPIB HV, WE-MTCI, WE-TDC HV |
| SEPIC | Non-isolated | No | Non-inverted | Moderate | Moderate | WE-DD, WE-MCRI, WE-CFWI |
| ZETA | Non-isolated | No | Non-inverted | Moderate | Moderate | WE-CFWI, WE-DCT |
| Cuk | Non-isolated | No | Inverted | Moderate | Moderate | WE-CFWI, WE-DD, WE-MCRI |
| High Step-up Boost | Non-isolated | No | Non-inverted | Moderate | Low | WE-EHPI, WE-MTCI |
Product Overview
| Part Series | Type | Description | View Details | |
|---|---|---|---|---|
![]() |
WE-MCRI | High Coupling | Composite core material allows high saturation current and compact design | View Details |
![]() |
WE-CPIB HV | High Voltage | Smallest Coupled Inductor with 2 kV isolation between the windings | View Details |
![]() |
WE-TDC HV | High Voltage | Low profile coupled inductor with 2 kV isolation | View Details |
![]() |
WE-DPC HV | High Voltage | WE-DPC HV SMD dual power choke | View Details |
![]() |
WE-MTCI | Various Turn Ratio | Smallest Coupled Inductor with different Turn Ratio and 0.8 kV isolation | View Details |
| WE-EHPI | Various Turn Ratio | Low profile, small footprint. Separated welding/soldering pad for a high reliable component | View Details | |
![]() |
WE-TDC | Low Profile | Well suited for Non-Isolated flyback converters, buck or boost with auxiliary winding | View Details |
![]() |
WE-CFWI | High Current | High current coupled flatwire inductor | View Details |
![]() |
WE-DCT | High Saturation Current | The WE-DCT series is well suited for High Power switching regulators, and solar inverters | View Details |
![]() |
WE-DD | General Purpose Coupled Inductors | The WE-DD series is well suited for SEPIC and CUK topologies and flyback applications | View Details |
Product Training Modules
Related Product Highlights
- WE-DPC HV: Double Power Choke High Voltage
- High Voltage, Dual Coil Power Inductors
- WE-MTCI: SMD Multi-Turn Ratio Coupled Inductor
- WE-EHPI Series Transformers
- WE-TDC SMD Shielded Coupled Inductors
- WE-TDC HV SMD Coupled Inductor
- WE-MCRI: SMD Molded Coupled Inductor
- WE-CPIB HV SMD High Voltage Coupled Inductor
- SMD High-Current Coupled Inductors WE-CFWI
- WE-DD Coupled Inductors Series










